Номер на рисунке | Артикул | Наименование | Кол-во на складе | Цена |
| 5000254 | 5000254 | Редуктор в сборе.. Not Shown 15 дюйм (381 мм) Models Only (GEARCASE ASSY.. Not Shown . 15 in. (381mm) Models Only .) | нет в наличии, поставок нет |
| 5000255 | 5000255 | Редуктор в сборе.. Not Shown 20 дюйм (508 мм) Models Only (GEARCASE ASSY.. Not Shown . 20 in. (508mm) Models Only .) | нет в наличии, поставок нет |
| 5000255 | 5005598 | (последний код) GEARCASE AY - 20" | нет в наличии, поставок нет |
| 5000256 | 5000256 | Редуктор в сборе.. Not Shown 22.5 дюйм (571 мм) Models Only (GEARCASE ASSY.. Not Shown . 22.5 in. (571mm) Models Only .) | нет в наличии, поставок нет |
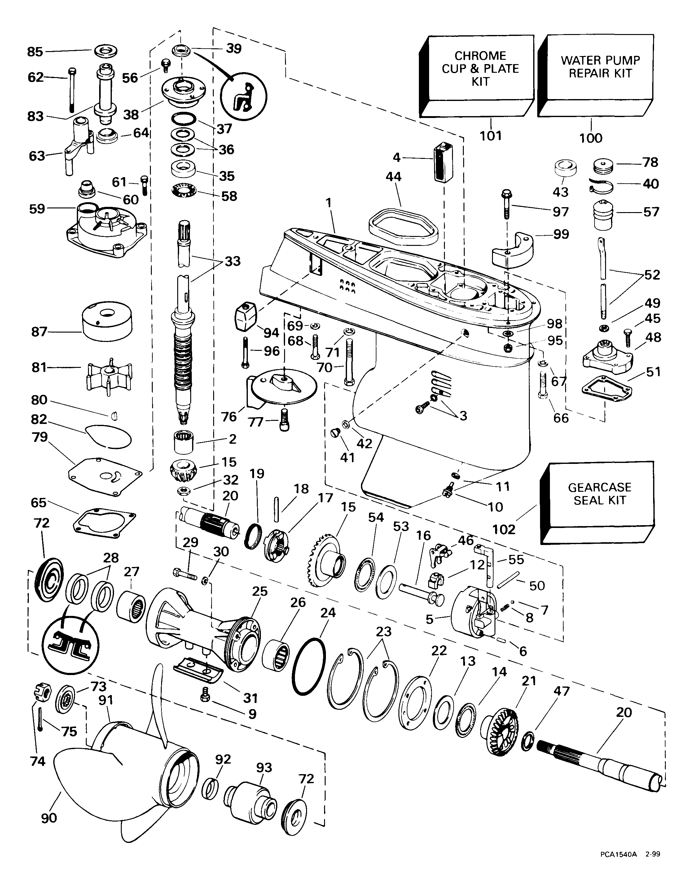
| 1 | 0437031 | Редуктор в сборе с подшипником. (GEARCASE & BEARING ASSY.) | нет в наличии, поставок нет |
| 1 | 5005458 | (последний код) GEARCASE&BRG AY | нет в наличии, поставок нет |
| 2 | 0382343 | Подшипник, Шестерня (BEARING, Pinion) | нет в наличии, поставок нет |
| 3 | 0324852 | RETAINING Винт & Сальник (RETAINING SCREW & SEAL) | нет в наличии, поставок нет |
| 0332584 | 0332584 | Шайба, Кольцевой сальник. Not Shown (WASHER, Seal ring. Not Shown .) | нет в наличии, поставок нет |
| 4 | 0314175 | Водяной экран Система впуска (SCREEN, Water intake) | нет в наличии, поставок нет |
| 5 | 0391365 | Подшипник Корпус в сборе. (BEARING HOUSING ASSY.) | нет в наличии, поставок нет |
| 5 | 0984096 | (последний код) BEARING HOUSING | нет в наличии, поставок нет |
| 6 | 0331880 | Штифт, Корпус to Редуктор (PIN, Housing to gearcase) | нет в наличии, поставок нет |
| 7 | 0327345 | Шарик, Detent (BALL, Detent) | нет в наличии, поставок нет |
| 8 | 0911961 | Фиксатор пружины (SPRING, Detent) | нет в наличии, поставок нет |
| 9 | 0908158 | Винт, Анод (SCREW, Anode) | нет в наличии, поставок нет |
| 9 | 3852050 | (последний код) SCREW | нет в наличии, поставок нет |
| 10 | 0318544 | Винт, Fill & drain Заглушка, нижний (SCREW, Fill & drain plug, lower) | нет в наличии, поставок нет |
| 10 | 0912624 | (последний код) SCREW | нет в наличии, поставок нет |
| 11 | 0311598 | Шайба (WASHER) | нет в наличии, поставок нет |
| 11 | 3852105 | (последний код) WASHER | нет в наличии, поставок нет |
| 12 | 0334163 | CRADLE, Переключательer (CRADLE, Shifter) | 5 шт | 1880 руб. |
| 12 | 0322900 | (последний код) CRADLE-SHIFT | нет в наличии, поставок нет |
| 13 | 0313447 | Упорная шайба (THRUST WASHER) | нет в наличии, поставок нет |
| 14 | 0382408 | THRUST Подшипник (THRUST BEARING) | нет в наличии, поставок нет |
| 15 | 0398522 | Шестерня SET, дляward. (GEAR SET, Forward.) | нет в наличии, поставок нет |
| 15 | 0398523 | (последний код) GEARSET-&-TA | нет в наличии, поставок нет |
| 16 | 0326668 | Переключающий вал dog (SHAFT, Shift dog) | нет в наличии, поставок нет |
| 17 | 0318303 | Переключатель собачки сцепления (SHIFTER, Clutch dog) | нет в наличии, поставок нет |
| 18 | 0313448 | Штифт сцепления dog (PIN, Clutch dog) | нет в наличии, поставок нет |
| 19 | 0324369 | Пружина, Сцепление dog Штифт (SPRING, Clutch dog pin) | нет в наличии, поставок нет |
| 19 | 0313454 | (последний код) SPRING | нет в наличии, поставок нет |
| 20 | 0439153 | Вал гребного винта в сборе. (PROPELLER SHAFT ASSY.) | нет в наличии, поставок нет |
| 20 | 0385558 | (последний код) PROP SHAFT | нет в наличии, поставок нет |
| 21 | 0318353 | Шестерня обратного хода (GEAR, Reverse) | 1 шт | 46100 руб. |
| 22 | 0313453 | Фиксатор Пластина, Подшипник Корпус (RETAINER PLATE, Bearing housing) | нет в наличии, поставок нет |
| 23 | 0313445 | Стопорное кольцо (RETAINING RING) | нет в наличии, поставок нет |
| 24 | 0313446 | Уплотнительное кольцо, Подшипник Корпус. Contents of Комплект сальников редуктора (O-RING, Bearing housing. Contents of Gearcase Seal Kit .) | нет в наличии, поставок нет |
| 25 | 0434391 | Подшипник Корпус в сборе. (BEARING HOUSING ASSY.) | нет в наличии, поставок нет |
| 25 | 0397188 | (последний код) BRG-HSG ASSY | нет в наличии, поставок нет |
| 26 | 0382407 | Игольчатый подшипник в сборе. (NEEDLE BEARING ASSY.) | 1 шт | 5500 руб. |
| 27 | 0379504 | Игольчатый подшипник в сборе. (NEEDLE BEARING ASSY.) | нет в наличии, поставок нет |
| 28 | 0330137 | Сальник. Contents of Комплект сальников редуктора (SEAL. Contents of Gearcase Seal Kit .) | 17 шт | 3700 руб. |
| 28 | 0321668 | (последний код) SEAL-CRNKSHF | нет в наличии, поставок нет |
| 28 | T-0330137 | (не оригинальный аналог) Сальник редуктора OMC/Johnson/Evinrude 0330137 | под заказ шт | по запросу |
| 29 | 0320041 | Винт, Корпус to Редуктор. Contents of Комплект сальников редуктора (SCREW, Housing to gearcase. Contents of Gearcase Seal Kit .) | нет в наличии, поставок нет |
| 29 | 0316564 | (последний код) SCREW BRG HSG | нет в наличии, поставок нет |
| 30 | 0332584 | Сальник (SEAL) | нет в наличии, поставок нет |
| 31 | 0431708 | Анод, Подшипник Корпус (ANODE, Bearing housing) | нет в наличии, поставок нет |
| 31 | 0397111 | (последний код) ANODE-AY | нет в наличии, поставок нет |
| 32 | 0313339 | Гайка, Шестерня to driveВал (NUT, Pinion to driveshaft) | нет в наличии, поставок нет |
| 33 | 5000173 | Приводной вал.. 15 дюйм (381 мм) Models Only (DRIVESHAFT ASSY.. 15 in. (381mm) Models Only .) | нет в наличии, поставок нет |
| 33 | 5000174 | Приводной вал.. 20 дюйм (508 мм) Models Only (DRIVESHAFT ASSY.. 20 in. (508mm) Models Only .) | нет в наличии, поставок нет |
| 33 | 5000175 | Приводной вал.. 22.5 дюйм (571 мм) Models Only (DRIVESHAFT ASSY.. 22.5 in. (571mm) Models Only .) | нет в наличии, поставок нет |
| 35 | 0317230 | Упорная шайба (THRUST WASHER) | нет в наличии, поставок нет |
| 36 | 0323889 | Регулировочная шайба, 0.003 дюйм (0, 07 мм) (SHIM, 0.003 in. (0,07mm)) | нет в наличии, поставок нет |
| 36 | 0323890 | Регулировочная шайба, 0.004 дюйм (0, 10 мм) (SHIM, 0.004 in. (0,10mm)) | нет в наличии, поставок нет |
| 36 | 0317232 | Регулировочная шайба, 0.005 дюйм (0, 12 мм) (SHIM, 0.005 in. (0,12mm)) | нет в наличии, поставок нет |
| 37 | 0313754 | Уплотнительное кольцо, Подшипник Корпус. Contents of Комплект сальников редуктора (O-RING, Bearing housing. Contents of Gearcase Seal Kit .) | нет в наличии, поставок нет |
| 38 | 0385087 | Подшипник Корпус в сборе. (BEARING HOUSING ASSY.) | нет в наличии, поставок нет |
| 39 | 0342786 | Сальник. Contents of Комплект сальников редуктора (SEAL. Contents of Gearcase Seal Kit .) | нет в наличии, поставок нет |
| 40 | 0320107 | Крепёжный хомут, Сальник to Тяга. 20 дюйм (508 мм) Models Only 22.5 дюйм (571 мм) Models Only (TIE STRAP, Seal to rod. 20 in. (508mm) Models Only . 22.5 in. (571mm) Models Only .) | нет в наличии, поставок нет |
| 40 | 5035626 | (последний код) BAND,REM CON | нет в наличии, поставок нет |
| 41 | 0307551 | Винт, Fill & drain Заглушка, верхний Contents of Комплект сальников редуктора (SCREW, Fill & drain plug, upper. Contents of Gearcase Seal Kit .) | нет в наличии, поставок нет |
| 41 | 0982851 | (последний код) SCREW-PLUG | нет в наличии, поставок нет |
| 42 | 0311598 | Шайба (WASHER) | нет в наличии, поставок нет |
| 42 | 3852105 | (последний код) WASHER | нет в наличии, поставок нет |
| 43 | 0305762 | Кольцевой сальник. 15 дюйм (381 мм) Models Only (SEAL RING. 15 in. (381mm) Models Only .) | нет в наличии, поставок нет |
| 44 | 0324937 | Сальник, Редуктор to inner exh. hsg.. Contents of Комплект сальников редуктора (SEAL, Gearcase to inner exh. hsg.. Contents of Gearcase Seal Kit .) | нет в наличии, поставок нет |
| 44 | 0313656 | (последний код) SEAL | нет в наличии, поставок нет |
| 45 | 0328725 | Винт, Крышка to Редуктор (SCREW, Cover to gearcase) | нет в наличии, поставок нет |
| 45 | 3852187 | (последний код) SCREW | нет в наличии, поставок нет |
| 46 | 0324037 | Рычаг переключателя (LEVER, Shift) | 8 шт | 3700 руб. |
| 47 | 0316484 | Упорная шайба, Переключательer (THRUST WASHER, Shifter) | нет в наличии, поставок нет |
| 48 | 0387336 | Крышка в сборе (COVER ASSY.) | нет в наличии, поставок нет |
| 48 | 0386921 | (последний код) COVER | нет в наличии, поставок нет |
| 49 | 0318372 | Уплотнительное кольцо переключающей тяги, входит в комплект сальников редуктора (O-RING, Shift rod. Contents of Gearcase Seal Kit .) | нет в наличии, поставок нет |
| 50 | 0320145 | Штифт рычага to Корпус (PIN, Lever to housing) | нет в наличии, поставок нет |
| 50 | 0323945 | (последний код) PIN-SHIFTER | нет в наличии, поставок нет |
| 51 | 0314082 | Прокладка крышки to Редуктор. Contents of Комплект сальников редуктора (GASKET, Cover to gearcase. Contents of Gearcase Seal Kit .) | 12 шт | 650 руб. |
| 51 | 0320312 | (последний код) GASKET | нет в наличии, поставок нет |
| 52 | 0327366 | Переключающая тяга. 15 дюйм (381 мм) Models Only (SHIFT ROD. 15 in. (381mm) Models Only .) | нет в наличии, поставок нет |
| 52 | 0320132 | (последний код) SHIFT-ROD-ST | нет в наличии, поставок нет |
| 52 | 0327367 | Переключающая тяга. 20 дюйм (508 мм) Models Only (SHIFT ROD. 20 in. (508mm) Models Only .) | нет в наличии, поставок нет |
| 52 | 0320133 | (последний код) SHIFT-ROD-LO | нет в наличии, поставок нет |
| 52 | 0330704 | Переключающая тяга. 22.5 дюйм (571 мм) Models Only (SHIFT ROD. 22.5 in. (571mm) Models Only .) | нет в наличии, поставок нет |
| 53 | 0324766 | Упорная шайба, дляward Шестерня (THRUST WASHER, Forward gear) | нет в наличии, поставок нет |
| 54 | 0385043 | THRUST Подшипник, дляward Шестерня (THRUST BEARING, Forward gear) | нет в наличии, поставок нет |
| 54 | 3852221 | (последний код) BEARING-AY,T | нет в наличии, поставок нет |
| 55 | 0330701 | DETENT, Переключательer (DETENT, Shifter) | нет в наличии, поставок нет |
| 56 | 0909386 | Винт, Корпус to Редуктор (SCREW, Housing to gearcase) | нет в наличии, поставок нет |
| 57 | 0317922 | Сальник, Переключающая тяга. 20 дюйм (508 мм) Models Only 22.5 дюйм (571 мм) Models Only (SEAL, Shift rod. 20 in. (508mm) Models Only . 22.5 in. (571mm) Models Only .) | нет в наличии, поставок нет |
| 58 | 0385068 | THRUST Подшипник в сборе. (THRUST BEARING ASSY.) | 1 шт | 7500 руб. |
| 59 | 0438545 | Крыльчатка Корпус. Contents of Ремкомплект водяного насоса (IMPELLER HOUSING. Contents of Water Pump Repair Kit .) | нет в наличии, поставок нет |
| 59 | 0436996 | (последний код) HSG AY,IMPELLER | нет в наличии, поставок нет |
| 60 | 0333758 | Пыльник водяной трубки. Contents of Ремкомплект водяного насоса (GROMMET, Water tube. Contents of Water Pump Repair Kit .) | нет в наличии, поставок нет |
| 61 | 0328725 | Винт, Крыльчатка Корпус, short. Contents of Ремкомплект водяного насоса (SCREW, Impeller housing, short. Contents of Water Pump Repair Kit .) | нет в наличии, поставок нет |
| 61 | 3852187 | (последний код) SCREW | нет в наличии, поставок нет |
| 62 | 0337574 | Винт, Крыльчатка Корпус, long. Contents of Ремкомплект водяного насоса (SCREW, Impeller housing, long. Contents of Water Pump Repair Kit .) | нет в наличии, поставок нет |
| 63 | 0438424 | Кронштейн, Водяная трубка (BRACKET, Water tube) | нет в наличии, поставок нет |
| 63 | 0438388 | (последний код) KIT AY,WATER PUMP | нет в наличии, поставок нет |
| 64 | 0341732 | Пыльник, Корпус. Contents of Ремкомплект водяного насоса (GROMMET, Housing. Contents of Water Pump Repair Kit .) | 1 шт | 160 руб. |
| 64 | 0315748 | (последний код) GROMMET | нет в наличии, поставок нет |
| 65 | 0336530 | Прокладка водяной помпы. Contents of Ремкомплект водяного насоса (GASKET, Water pump. Contents of Water Pump Repair Kit .) | нет в наличии, поставок нет |
| 66 | 0305282 | Винт, Редуктор to Корпус. 15 дюйм (381 мм) Models Only 20 дюйм (508 мм) Models Only (SCREW, Gearcase to housing. 15 in. (381mm) Models Only . 20 in. (508mm) Models Only .) | нет в наличии, поставок нет |
| 67 | 0302865 | Шайба с блокировкой. 15 дюйм (381 мм) Models Only 20 дюйм (508 мм) Models Only (LOCK WASHER. 15 in. (381mm) Models Only . 20 in. (508mm) Models Only .) | нет в наличии, поставок нет |
| 67 | 0307708 | (последний код) LOCKWASHER | нет в наличии, поставок нет |
| 68 | 0306503 | Винт, Short. 15 дюйм (381 мм) Models Only 20 дюйм (508 мм) Models Only (SCREW, Short. 15 in. (381mm) Models Only . 20 in. (508mm) Models Only .) | нет в наличии, поставок нет |
| 68 | 0316533 | (последний код) SCREW | нет в наличии, поставок нет |
| 68 | 0328561 | Винт, Редуктор Креплениеing. 22.5 дюйм (571 мм) Models Only (SCREW, Gearcase mounting. 22.5 in. (571mm) Models Only .) | нет в наличии, поставок нет |
| 69 | 0306470 | Шайба с блокировкой, Short Винт (LOCK WASHER, Short screw) | нет в наличии, поставок нет |
| 69 | 3852061 | (последний код) LOCKWASHER | нет в наличии, поставок нет |
| 70 | 0313697 | Винт, Long. 15 дюйм (381 мм) Models Only 20 дюйм (508 мм) Models Only (SCREW, Long. 15 in. (381mm) Models Only . 20 in. (508mm) Models Only .) | нет в наличии, поставок нет |
| 70 | 0312697 | (последний код) SCREW | нет в наличии, поставок нет |
| 70 | 0329022 | Винт, Редуктор to exh. hsg.. 22.5 дюйм (571 мм) Models Only (SCREW, Gearcase to exh. hsg.. 22.5 in. (571mm) Models Only .) | нет в наличии, поставок нет |
| 71 | 0306314 | Шайба с блокировкой, Long Винт (LOCK WASHER, Long screw) | нет в наличии, поставок нет |
| 72 | 0127084 | Упорная втулка в сборе. (THRUST BUSHING ASSY.) | нет в наличии, поставок нет |
| 72 | 0384574 | (последний код) BUSHING | нет в наличии, поставок нет |
| 73 | 0315810 | Проставка гайки гребного винта (SPACER, Propeller nut) | нет в наличии, поставок нет |
| 74 | 0314503 | Гайка гребного винта (NUT, Propeller) | нет в наличии, поставок нет |
| 75 | 0314502 | Шплинт, Гайка гребного винта (COTTER PIN, Propeller nut) | нет в наличии, поставок нет |
| 76 | 0127466 | Пластина трима, Редуктор (TRIM TAB, Gearcase) | нет в наличии, поставок нет |
| 76 | 0337348 | (последний код) TAB,TRIM | нет в наличии, поставок нет |
| 77 | 0313715 | Винт, Пластина трима (SCREW, Trim tab) | нет в наличии, поставок нет |
| 78 | 0321452 | Пыльник. 20 дюйм (508 мм) Models Only 22.5 дюйм (571 мм) Models Only (GROMMET. 20 in. (508mm) Models Only . 22.5 in. (571mm) Models Only .) | нет в наличии, поставок нет |
| 78 | 0318249 | (последний код) GROMMET | нет в наличии, поставок нет |
| 79 | 0341038 | Пластина корпуса крыльчатки. Stainless Steel Contents of Ремкомплект водяного насоса (PLATE, Impeller housing. Stainless Steel . Contents of Water Pump Repair Kit .) | нет в наличии, поставок нет |
| 79 | 0336251 | (последний код) PLATE | нет в наличии, поставок нет |
| 79 | 0341187 | Пластина корпуса крыльчатки. хромированная пластина (PLATE, Impeller housing. Chrome Plated .) | нет в наличии, поставок нет |
| 79 | 0336723 | (последний код) PLATE,IMPELLER | нет в наличии, поставок нет |
| 80 | 0334897 | Ключ, Крыльчатка to driveВал. Contents of Ремкомплект водяного насоса (KEY, Impeller to driveshaft. Contents of Water Pump Repair Kit .) | нет в наличии, поставок нет |
| 81 | 0396725 | Крыльчатка в сборе.. Contents of Ремкомплект водяного насоса (IMPELLER ASSY.. Contents of Water Pump Repair Kit .) | нет в наличии, поставок нет |
| 81 | 0437080 | (последний код) IMPELLER&KEY | нет в наличии, поставок нет |
| 82 | 0324981 | Сальник, Крыльчатка Корпус. Contents of Ремкомплект водяного насоса (SEAL, Impeller housing. Contents of Water Pump Repair Kit .) | нет в наличии, поставок нет |
| 83 | 0330205 | Проставка, Крыльчатка Корпус. 22.5 дюйм (571 мм) Models Only (SPACER, Impeller housing. 22.5 in. (571mm) Models Only .) | нет в наличии, поставок нет |
| 85 | 0329171 | Сальник, Проставка to exh. Корпус. 22.5 дюйм (571 мм) Models Only (SEAL, Spacer to exh. housing. 22.5 in. (571mm) Models Only .) | нет в наличии, поставок нет |
| 85 | 0330204 | (последний код) SEAL | нет в наличии, поставок нет |
| 87 | 0340619 | Cвыше, Крыльчатка Корпус. Stainless Steel Contents of Ремкомплект водяного насоса (CUP, Impeller housing. Stainless Steel . Contents of Water Pump Repair Kit .) | нет в наличии, поставок нет |
| 87 | 0341186 | Cвыше, Крыльчатка Корпус. хромированная пластина (CUP, Impeller housing. Chrome Plated .) | нет в наличии, поставок нет |
| 90 | 0391198 | Гребной винт, 13 3 / 4 x 15 AL Std.. Refer to OMC Genuine Parts Гребной винт Chart (PROPELLER, 13 3/4 x 15 AL Std.. Refer to OMC Genuine Parts Propeller Chart .) | нет в наличии, поставок нет |
| 90 | 0765182 | (последний код) PROP AY,AL 13.5X15 | нет в наличии, поставок нет |
| 91 | 0332393 | CONVERGING Кольцо, Alum. props (CONVERGING RING, Alum. props) | нет в наличии, поставок нет |
| 91 | 0325996 | (последний код) CONVERGING RING | нет в наличии, поставок нет |
| 92 | 0313926 | Гильза, Втулка (SLEEVE, Bushing) | нет в наличии, поставок нет |
| 92 | 3850831 | (последний код) SLEEVE-PROP | нет в наличии, поставок нет |
| 93 | 0384977 | Гребной винт Втулка в сборе. (PROPELLER BUSHING ASSY.) | нет в наличии, поставок нет |
| 0392461 | 0392461 | Анод KIT. Not Shown (ANODE KIT. Not Shown .) | нет в наличии, поставок нет |
| 94 | 0436745 | Анод & INSERT, Редуктор (ANODE & INSERT, Gearcase) | нет в наличии, поставок нет |
| 94 | 0393023 | (последний код) ANODE&INSERT AY | нет в наличии, поставок нет |
| 95 | 0313022 | Гайка, Анод (NUT, Anode) | нет в наличии, поставок нет |
| 95 | 3852118 | (последний код) NUT,LOCK | нет в наличии, поставок нет |
| 96 | 0328096 | Винт (SCREW) | нет в наличии, поставок нет |
| 96 | 0327046 | (последний код) SCREW | нет в наличии, поставок нет |
| 97 | 0324430 | Винт, Анод (SCREW, Anode) | нет в наличии, поставок нет |
| 97 | 0316658 | (последний код) SCREW | нет в наличии, поставок нет |
| 98 | 0307555 | Блокирующая шайба анода (LOCK WASHER, Anode) | нет в наличии, поставок нет |
| 99 | 0392462 | Анод и INSERT, дляward (ANODE AND INSERT, Forward) | нет в наличии, поставок нет |
| 100 | 5000308 | Ремкомплект водяного насоса, (Includes Крыльчатка hous ing) (WATER PUMP REPAIR KIT, (Includes impeller hous ing)) | нет в наличии, поставок нет |
| 100 | 0438593 | (последний код) KIT AY,WATER PUMP | нет в наличии, поставок нет |
| 100 | T-5000308 | (не оригинальный аналог) Ремкомплект насоса охлаждения Evinrude-Johnson 5000308 | под заказ шт | 8100 руб. |
| 101 | 0389145 | CHROME Cвыше & Пластина KIT (CHROME CUP & PLATE KIT) | нет в наличии, поставок нет |
| 102 | 5000309 | Комплект сальников редуктора (GEARCASE SEAL KIT) | нет в наличии, поставок нет |
| 102 | 0396349 | (последний код) KIT AY,SEAL-GRC | нет в наличии, поставок нет |