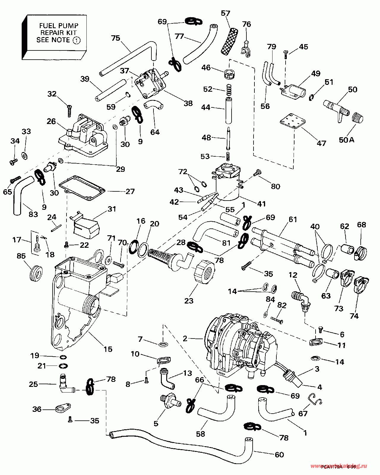
Номер на   рисунке | Артикул | Наименование | Кол-во   на складе | Цена | 
|  1  | 0339603 | Топливный шланг Коннектор to Помпа, oil (HOSE, Fuel connector to pump, oil)  | нет в наличии, поставок нет | 
|  2  | 0438400 | Топливный насос в сборе.. See Аксессуары Parts Catalog для Ремонтный комплект Part Numbers (FUEL PUMP ASSY.. See Accessories Parts Catalog for Repair Kit Part Numbers)  | нет в наличии, поставок нет | 
|  2  | 5007420 |    (последний код) KIT AY,F PUMP&LMTR                                                                | нет в наличии, поставок нет | 
|  3  | 0512749 | Коннектор (CONNECTOR)  | нет в наличии, поставок нет | 
|  3  | 3852241 |    (последний код) CONN,4-SKT-P                                                                      | нет в наличии, поставок нет | 
|  4  | 0581656 | SOCKET (SOCKET)  | нет в наличии, поставок нет | 
|  4  | 3852257 |    (последний код) TERMINAL AY,SCKT                                                                  | нет в наличии, поставок нет | 
|  5  | 0435009 | PULSE LIMITER (PULSE LIMITER)  | нет в наличии, поставок нет | 
|  5  | 3852225 |    (последний код) LIMITER-AY,P                                                                      | нет в наличии, поставок нет | 
|  6  | 0124549 | Винт, Фиксатор (SCREW, Retainer)  | нет в наличии, поставок нет | 
|  7  | 0125203 | Уплотнительное кольцо, Pulse fitting (O-RING, Pulse fitting)  | нет в наличии, поставок нет | 
|  8  | 0125212 | Винт, Pulse fitting Фиксатор (SCREW, Pulse fitting retainer)  | нет в наличии, поставок нет | 
|  9  | 0339276 | Струбцина (CLAMP)  | нет в наличии, поставок нет | 
|  10  | 0340201 | Фиксатор, Pulse fitting (RETAINER, Pulse fitting)  | нет в наличии, поставок нет | 
|  11  | 0343172 | Фиксатор, выход fitting (RETAINER, Outlet fitting)  | нет в наличии, поставок нет | 
|  12  | 0343164 | FITTING, выход (FITTING, Outlet)  | нет в наличии, поставок нет | 
|  12  | 0345239 |    (последний код) ELBOW, FUEL OUTLET                                                                | нет в наличии, поставок нет | 
|  13  | 0340200 | FITTING, Pulse (FITTING, Pulse)  | нет в наличии, поставок нет | 
|  14  | 0335230 | Уплотнительное кольцо, Топливный насос to Кронштейн (O-RING, Fuel pump to bracket)  | нет в наличии, поставок нет | 
|  0437778  | 0437778 | Пароотделитель (VAPOR SEPARATOR)  | нет в наличии, поставок нет | 
|  15  | 0340082 | Кронштейн, Fuel components (BRACKET, Fuel components)  | нет в наличии, поставок нет | 
|  16  | 0124369 | Уплотнительное кольцо, Фильтр to Пароотделитель (O-RING, Filter to vapor separator)  | нет в наличии, поставок нет | 
|  17  | 0396521 | Клапан поплавка в сборе., Пароотделитель (FLOAT VALVE ASSY., Vapor separator)  | нет в наличии, поставок нет | 
|  17  | 0678882 |    (последний код) VALVE-&-SEAT                                                                      | нет в наличии, поставок нет | 
|  18  | 0336842 | Пружина Зажим (SPRING CLIP)  | нет в наличии, поставок нет | 
|  18  | 0603145 |    (последний код) CLIP                                                                              | нет в наличии, поставок нет | 
|  19  | 0331365 | Уплотнительное кольцо, Vapor sep. Ниппель to brkt. (O-RING, Vapor sep. nipple to brkt.)  | нет в наличии, поставок нет | 
|  19  | 0326721 |    (последний код) O-RING                                                                            | нет в наличии, поставок нет | 
|  20  | 0327270 | Прокладка, Топливный фильтр (GASKET, Fuel filter)  | нет в наличии, поставок нет | 
|  20  | 0329716 |    (последний код) GASKET                                                                            | нет в наличии, поставок нет | 
|  21  | 0331365 | Уплотнительное кольцо, Пароотделитель (O-RING, Vapor separator)  | нет в наличии, поставок нет | 
|  21  | 0326721 |    (последний код) O-RING                                                                            | нет в наличии, поставок нет | 
|  22  | 0326164 | Винт, Hinge Штифт to separator (SCREW, Hinge pin to separator)  | нет в наличии, поставок нет | 
|  23  | 0335112 | Гайка, Топливный фильтр (NUT, Fuel filter)  | нет в наличии, поставок нет | 
|  24  | 0336650 | Штифт, Vapor Поплавок в сборе. (PIN, Vapor float assy.)  | нет в наличии, поставок нет | 
|  25  | 0340083 | Ниппель, Пароотделитель выход (NIPPLE, Vapor separator outlet)  | нет в наличии, поставок нет | 
|  26  | 0335385 | Крышка пароотделителя (COVER, Vapor separator)  | нет в наличии, поставок нет | 
|  27  | 0335236 | Сальник, Пароотделитель to Кронштейн (SEAL, Vapor separator to bracket)  | нет в наличии, поставок нет | 
|  28  | 0433190 | Топливный фильтр в сборе. (FUEL FILTER ASSY.)  | нет в наличии, поставок нет | 
|  29  | 0305739 | Уплотнительное кольцо, Ниппель, Крышка to Коллектор (O-RING, Nipple, cover to manifold)  | нет в наличии, поставок нет | 
|  29  | 0900224 |    (последний код) O RING                                                                            | нет в наличии, поставок нет | 
|  30  | 0343576 | Ниппель, Fuel выход (NIPPLE, Fuel outlet)  | нет в наличии, поставок нет | 
|  30  | 0335233 |    (последний код) NIPPLE                                                                            | нет в наличии, поставок нет | 
|  31  | 0433410 | Поплавок & Рычаг в сборе., Vapor sep. (FLOAT & ARM ASSY., Vapor sep.)  | нет в наличии, поставок нет | 
|  32  | 0328649 | Винт, Separator to Кронштейн (SCREW, Separator to bracket)  | нет в наличии, поставок нет | 
|  32  | 0337541 |    (последний код) SCREW                                                                             | нет в наличии, поставок нет | 
|  33  | 0303630 | Шайба (WASHER)  | нет в наличии, поставок нет | 
|  34  | 0330057 | Винт заглушки (SCREW, Plug)  | нет в наличии, поставок нет | 
|  35  | 0315656 | Винт, Fuel & oil Ниппель to Фиксатор (SCREW, Fuel & oil nipple to retainer)  | нет в наличии, поставок нет | 
|  36  | 0335685 | Фиксатор, выход fitting (RETAINER, Outlet fitting)  | нет в наличии, поставок нет | 
|  37  | 0433352 | Помпа в сборе., Vapor (PUMP ASSY., Vapor)  | нет в наличии, поставок нет | 
|  38  | 0331307 | Диафрагма, Main (DIAPHRAGM, Main)  | 1 шт | 360 руб. | 
|  38  | 0312617 |    (последний код) DIAPHRAGM                                                                         | 1 шт | 280 руб. | 
|  39  | 0 | Шланг, Vapor Помпа to Подшипник vent Ниппель, 15 i  (381 мм)  сокращёная длина from P / N 340848 -- 5 / 16 дюйм I.D., 25 фут (7, 6, ) Roll (HOSE, Vapor pump to bearing vent nipple, 15 i . (381mm). Cut to Length from P/N 340848 -- 5/16 in. I.D., 25 ft. (7,6,) Roll)  | нет в наличии, поставок нет | 
|  40  | 0320107 | Крепёжный хомут (TIE STRAP)  | нет в наличии, поставок нет | 
|  40  | 5035626 |    (последний код) BAND,REM CON                                                                      | нет в наличии, поставок нет | 
|  41  | 0437232 | Соленоид, в сборе., Primer (SOLENOID ASSY., Primer)  | нет в наличии, поставок нет | 
|  41  | 0433374 |    (последний код) SOLENOID AY,PRIMER                                                                | нет в наличии, поставок нет | 
|  42  | 0512947 | Клемма, Bullet (TERMINAL, Bullet)  | нет в наличии, поставок нет | 
|  42  | 0910462 |    (последний код) TERM.-60766-                                                                      | нет в наличии, поставок нет | 
|  43  | 0513185 | Гильза (SLEEVE)  | нет в наличии, поставок нет | 
|  43  | 0512948 |    (последний код) SLEEVE                                                                            | нет в наличии, поставок нет | 
|  44  | 0511809 | Плунжер (PLUNGER)  | нет в наличии, поставок нет | 
|  45  | 0330121 | Винт, Крышка to Корпус (SCREW, Cover to housing)  | нет в наличии, поставок нет | 
|  45  | 0326186 |    (последний код) SCREW                                                                             | нет в наличии, поставок нет | 
|  46  | 0332365 | Фильтр, Клапан Корпус (FILTER, Valve housing)  | нет в наличии, поставок нет | 
|  46  | 0511811 |    (последний код) FILTER                                                                            | нет в наличии, поставок нет | 
|  47  | 0341297 | Прокладка, Корпус (GASKET, Housing)  | нет в наличии, поставок нет | 
|  48  | 0333447 | Клапан, Плунжер (VALVE, Plunger)  | нет в наличии, поставок нет | 
|  48  | 0511988 |    (последний код) VALVE                                                                             | нет в наличии, поставок нет | 
|  49  | 0341071 | Крышка, Solenoid (COVER, Solenoid)  | нет в наличии, поставок нет | 
|  50  | 0175158 | Клапан в сборе., Maintenance (VALVE ASSY., Maintenance)  | нет в наличии, поставок нет | 
|  50A  | 0126341 | Колпачок Клапан (CAP VALVE)  | нет в наличии, поставок нет | 
|  51  | 0331365 | Уплотнительное кольцо, Клапан (O-RING, Valve)  | нет в наличии, поставок нет | 
|  51  | 0326721 |    (последний код) O-RING                                                                            | нет в наличии, поставок нет | 
|  52  | 0511986 | Пружина клапана (SPRING, Valve)  | нет в наличии, поставок нет | 
|  53  | 0511987 | Пружина, Плунжер (SPRING, Plunger)  | нет в наличии, поставок нет | 
|  54  | 0512876 | Клемма, Socket (TERMINAL, Socket)  | нет в наличии, поставок нет | 
|  54  | 3852244 |    (последний код) TERMINAL,SOC                                                                      | нет в наличии, поставок нет | 
|  55  | 0513186 | Гильза (SLEEVE)  | нет в наличии, поставок нет | 
|  55  | 3852248 |    (последний код) SLEEVE,SKT-B                                                                      | нет в наличии, поставок нет | 
|  56  | 0 | Шланг, Primer solenoid to stbd. primer Ниппель, 14 дюйм (356 мм)  сокращёная длина from P / N 327229 -- 0.0575 дюйм I.D., 25 фут (7, 6m) Roll (HOSE, Primer solenoid to stbd. primer nipple, 14 in. (356mm). Cut to Length from P/N 327229 -- 0.0575 in. I.D., 25 ft. (7,6m) Roll)  | нет в наличии, поставок нет | 
|  57  | 0513816 | Гильза, Pulse Шланг (SLEEVE, Pulse hose)  | нет в наличии, поставок нет | 
|  58  | 0334131 | Шланг, Pulse (HOSE, Pulse)  | нет в наличии, поставок нет | 
|  59  | 0332437 | Уплотнительное кольцо, Vapor Помпа to sep. Крышка (O-RING, Vapor pump to sep. cover)  | нет в наличии, поставок нет | 
|  60  | 0339688 | Шланг, Vapor sep. to Помпа в сборе. (HOSE, Vapor sep. to pump assy.)  | нет в наличии, поставок нет | 
|  61  | 0335626 | Ниппель, Fuel & oil (NIPPLE, Fuel & oil)  | нет в наличии, поставок нет | 
|  62  | 0315391 | Заглушка, Коннектор, oil (PLUG, Connector, oil)  | нет в наличии, поставок нет | 
|  63  | 0331649 | Заглушка, Топливный коннектор (PLUG, Connector, fuel)  | нет в наличии, поставок нет | 
|  64  | 0339607 | Шланг, Кронштейн to port Коллектор (HOSE, Bracket to port manifold)  | нет в наличии, поставок нет | 
|  65  | 0335229 | Винт, Vapor Помпа to Крышка (SCREW, Vapor pump to cover)  | нет в наличии, поставок нет | 
|  65  | 0337540 |    (последний код) SCREW                                                                             | нет в наличии, поставок нет | 
|  66  | 0339278 | Струбцина под жгут проводов (CLAMP, Wire)  | нет в наличии, поставок нет | 
|  67  | 0512743 | Фиксатор, Коннектор (RETAINER, Connector)  | нет в наличии, поставок нет | 
|  67  | 3852238 |    (последний код) RETAINER,CON                                                                      | нет в наличии, поставок нет | 
|  68  | 0123112 | Струбцина, Масляный бак Шланг (CLAMP, Oil tank hose)  | нет в наличии, поставок нет | 
|  69  | 0339277 | Струбцина под жгут проводов, pulse & oil Шланг (CLAMP, Wire, pulse & oil hose)  | нет в наличии, поставок нет | 
|  70  | 0325402 | Винт, Кронштейн to ccase Крышка (SCREW, Bracket to ccase cover)  | нет в наличии, поставок нет | 
|  71  | 0336316 | Шайба, Винт, Кронштейн to Крышка (WASHER, Screw, bracket to cover)  | нет в наличии, поставок нет | 
|  72  | 0335231 | Уплотнительное кольцо, Primer solenoid to Кронштейн (O-RING, Primer solenoid to bracket)  | нет в наличии, поставок нет | 
|  73  | 0329653 | Струбцина (CLAMP)  | нет в наличии, поставок нет | 
|  74  | 0322654 | Струбцина (CLAMP)  | нет в наличии, поставок нет | 
|  74  | 3852172 |    (последний код) CLAMP,SNAP                                                                        | нет в наличии, поставок нет | 
|  75  | 0 | Шланг, Vapor Помпа to tee, 7 дюйм (178 мм)  сокращёная длина from P / N 335738 -- 5 / 32 дюйм I.D., 25 фут (7, 6m) Roll (HOSE, Vapor pump to tee, 7 in. (178mm). Cut to Length from P/N 335738 -- 5/32 in. I.D., 25 ft. (7,6m) Roll)  | нет в наличии, поставок нет | 
|  76  | 0329661 | Заглушка / Держатель (PLUG/HOLDER)  | нет в наличии, поставок нет | 
|  77  | 0336318 | Шланг, Pulse, vapor Помпа to ccase Крышка (HOSE, Pulse, vapor pump to ccase cover)  | нет в наличии, поставок нет | 
|  78  | 0339279 | Струбцина под жгут проводов (CLAMP, Wire)  | нет в наличии, поставок нет | 
|  79  | 0 | Шланг, Primer solenoid to port primer Ниппельs, 12 дюйм (305 мм)  сокращёная длина from P / N 327229 -- 0.0575 дюйм I.D., 25 фут (7, 6m) Roll (HOSE, Primer solenoid to port primer nipples, 12 in. (305mm). Cut to Length from P/N 327229 -- 0.0575 in. I.D., 25 ft. (7,6m) Roll)  | нет в наличии, поставок нет | 
|  80  | 0315656 | Винт, Primer solenoid to Кронштейн (SCREW, Primer solenoid to bracket)  | нет в наличии, поставок нет | 
|  81  | 0339604 | Топливный шланг Коннектор to Фильтр (HOSE, Fuel connector to filter)  | нет в наличии, поставок нет | 
|  82  | 0328649 | Винт, Помпа to Кронштейн (SCREW, Pump to bracket)  | нет в наличии, поставок нет | 
|  82  | 0337541 |    (последний код) SCREW                                                                             | нет в наличии, поставок нет | 
|  83  | 0339606 | Шланг, Кронштейн to stbd. Коллектор (HOSE, Bracket to stbd. manifold)  | нет в наличии, поставок нет | 
|  84  | 0328735 | Шайба, Винт, Помпа to Кронштейн (WASHER, Screw, pump to bracket)  | нет в наличии, поставок нет | 
|  84  | 3852188 |    (последний код) WASHER                                                                            | нет в наличии, поставок нет | 
|  85  | 0329518 | Пыльник, Кронштейн to powerhead (GROMMET, Bracket to powerhead)  | нет в наличии, поставок нет | 
|  85  | 3852195 |    (последний код) GROMMET                                                                           | нет в наличии, поставок нет |