Номер на   рисунке | Артикул | Наименование | Кол-во   на складе | Цена | 
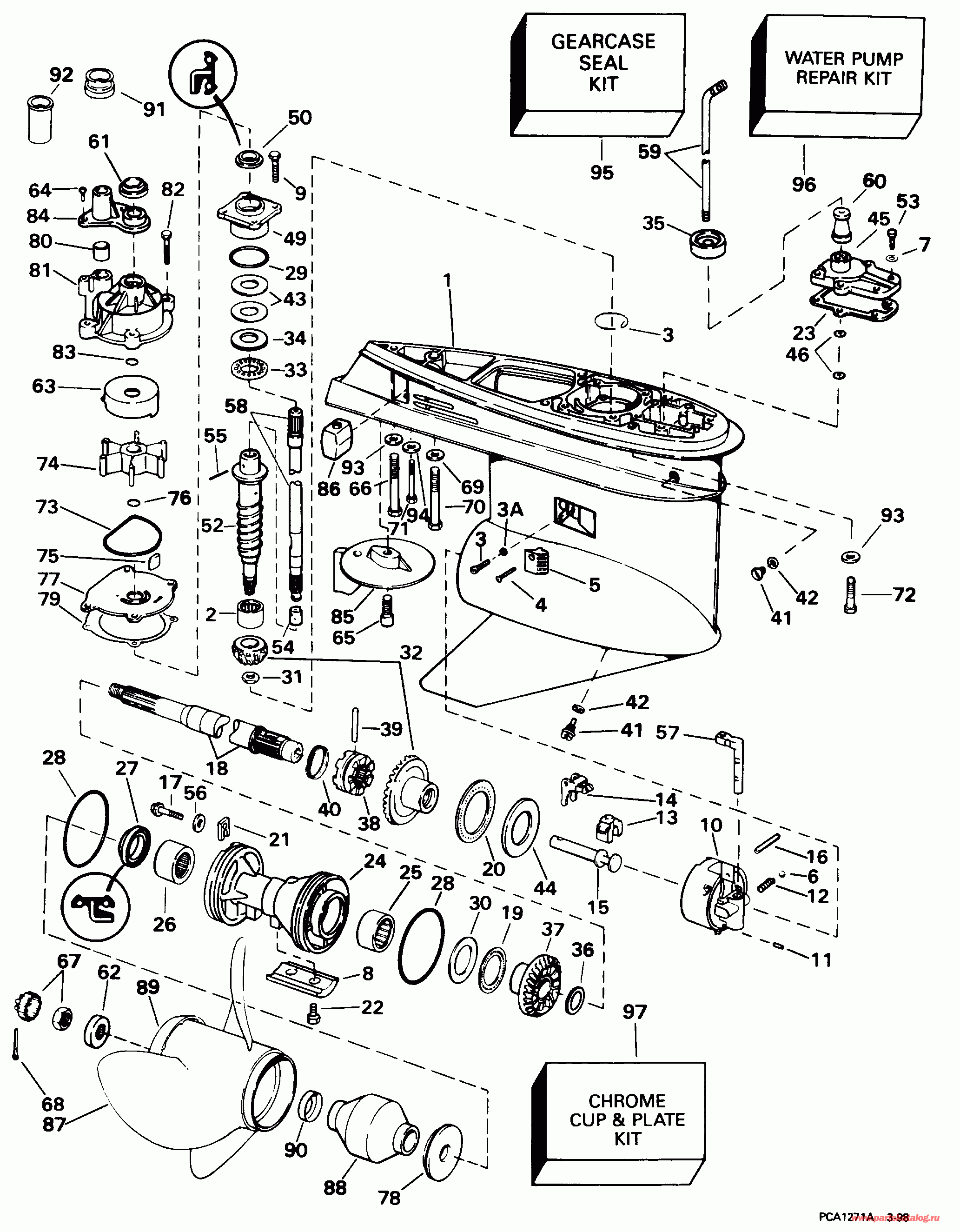
|  0438051  | 0438051 | Редуктор в сборе., комплект. Not Shown Models with Шестерня Подшипник Стопорное кольцо (GEARCASE ASSY., Complete. Not Shown Models with Pinion Bearing Retaining Ring)  | нет в наличии, поставок нет | 
|  0438051  | 5005744 |    (последний код) G-CASE .44 OS WHT                                                                 | нет в наличии, поставок нет | 
|  0439982  | 0439982 | Редуктор в сборе., комплект. Not Shown Models with Шестерня Подшипник Retaining Винт (GEARCASE ASSY., Complete. Not Shown Models with Pinion Bearing Retaining Screw)  | нет в наличии, поставок нет | 
|  0439982  | 5005744 |    (последний код) G-CASE .44 OS WHT                                                                 | нет в наличии, поставок нет | 
|  1  | 0438048 | Редуктор в сборе с подшипником.. Models with Шестерня Подшипник Стопорное кольцо (GEARCASE & BEARING ASSY.. Models with Pinion Bearing Retaining Ring)  | нет в наличии, поставок нет | 
|  1  | 5007022 |    (последний код) GCASE & BRG AY,"O"                                                                | нет в наличии, поставок нет | 
|  1  | 0439972 | Редуктор в сборе с подшипником.. Models with Шестерня Подшипник Retaining Винт (GEARCASE & BEARING ASSY.. Models with Pinion Bearing Retaining Screw)  | нет в наличии, поставок нет | 
|  1  | 5007022 |    (последний код) GCASE & BRG AY,"O"                                                                | нет в наличии, поставок нет | 
|  2  | 0387817 | Подшипник, Шестерня (BEARING, Pinion)  | нет в наличии, поставок нет | 
|  3  | 0338778 | Стопорное кольцо. Models with Шестерня Подшипник Стопорное кольцо (RETAINING RING. Models with Pinion Bearing Retaining Ring)  | нет в наличии, поставок нет | 
|  3  | 0324852 | RETAINING Винт. Models with Шестерня Подшипник Retaining Винт (RETAINING SCREW. Models with Pinion Bearing Retaining Screw)  | нет в наличии, поставок нет | 
|  3A  | 0332584 | Сальник. Models with Шестерня Подшипник Retaining Винт (SEAL. Models with Pinion Bearing Retaining Screw)  | нет в наличии, поставок нет | 
|  4  | 0337061 | Винт, Water Система впуска (SCREW, Water intake)  | нет в наличии, поставок нет | 
|  5  | 0337778 | Водяной экран Система впуска (SCREEN, Water intake)  | нет в наличии, поставок нет | 
|  6  | 0160084 | Шарик, Detent (BALL, Detent)  | нет в наличии, поставок нет | 
|  6  | 3852023 |    (последний код) BALL                                                                              | нет в наличии, поставок нет | 
|  7  | 0328702 | Шайба (WASHER)  | нет в наличии, поставок нет | 
|  7  | 3852183 |    (последний код) WASHER                                                                            | нет в наличии, поставок нет | 
|  8  | 0431708 | Анод (ANODE)  | нет в наличии, поставок нет | 
|  8  | 0397111 |    (последний код) ANODE-AY                                                                          | нет в наличии, поставок нет | 
|  9  | 0317624 | Винт, Корпус to Редуктор (SCREW, Housing to gearcase)  | нет в наличии, поставок нет | 
|  10  | 0389455 | Корпус & Подшипник в сборе. (HOUSING & BEARING ASSY.)  | нет в наличии, поставок нет | 
|  11  | 0331880 | Штифт, Корпус (PIN, Housing)  | нет в наличии, поставок нет | 
|  12  | 0911962 | Фиксатор пружины (SPRING, Detent)  | нет в наличии, поставок нет | 
|  12  | 0915955 |    (последний код) SPRING                                                                            | нет в наличии, поставок нет | 
|  13  | 0334163 | CRADLE, Переключательer (CRADLE, Shifter)  | 5 шт | 1880 руб. | 
|  13  | 0322900 |    (последний код) CRADLE-SHIFT                                                                      | нет в наличии, поставок нет | 
|  14  | 0322938 | Рычаг переключателя (LEVER, Shift)  | нет в наличии, поставок нет | 
|  15  | 0322941 | Вал (SHAFT)  | нет в наличии, поставок нет | 
|  16  | 0328825 | Штифт, Рычаг переключения (PIN, Shift lever)  | нет в наличии, поставок нет | 
|  17  | 0341541 | Винт & Сальник в сборе. (SCREW & SEAL ASSY.)  | нет в наличии, поставок нет | 
|  18  | 0435022 | Вал гребного винта в сборе. (PROPELLER SHAFT ASSY.)  | нет в наличии, поставок нет | 
|  18  | 5004765 |    (последний код) PROPSHAFT AY,SERV                                                                 | нет в наличии, поставок нет | 
|  19  | 0382408 | THRUST BRG. в сборе., Reverse Шестерня (THRUST BRG. ASSY., Reverse gear)  | нет в наличии, поставок нет | 
|  20  | 0389042 | THRUST BRG. в сборе., Fwd. Шестерня (THRUST BRG. ASSY., Fwd. gear)  | нет в наличии, поставок нет | 
|  21  | 0333957 | TAB, Фиксатор (TAB, Retainer)  | нет в наличии, поставок нет | 
|  22  | 0908158 | Винт, Анод (SCREW, Anode)  | нет в наличии, поставок нет | 
|  22  | 3852050 |    (последний код) SCREW                                                                             | нет в наличии, поставок нет | 
|  23  | 0324670 | Прокладка, Переключающая тяга Крышка (GASKET, Shift rod cover)  | нет в наличии, поставок нет | 
|  23  | 0352165 |    (последний код) GASKET                                                                            | 2 шт | 550 руб. | 
|  24  | 0438040 | Подшипник Корпус Сальник в сборе. (BEARING HOUSING SEAL ASSY.)  | нет в наличии, поставок нет | 
|  24  | 5004257 |    (последний код) HSG AY, PROPSHAFT                                                                 | нет в наличии, поставок нет | 
|  25  | 0382407 | Игольчатый подшипник в сборе. (NEEDLE BEARING ASSY.)  | 1 шт | 5500 руб. | 
|  26  | 0436752 | Игольчатый подшипник в сборе. (NEEDLE BEARING ASSY.)  | нет в наличии, поставок нет | 
|  27  | 0341281 | Сальник (SEAL)  | нет в наличии, поставок нет | 
|  28  | 0305123 | Уплотнительное кольцо, Вал гребного винта (O-RING, Propeller shaft)  | нет в наличии, поставок нет | 
|  28  | 0321119 |    (последний код) O-RING,-DLR                                                                       | нет в наличии, поставок нет | 
|  29  | 0314728 | Уплотнительное кольцо, DriveВал Подшипник (O-RING, Driveshaft bearing)  | нет в наличии, поставок нет | 
|  29  | 0354731 |    (последний код) O-RING                                                                            | 1 шт | 850 руб. | 
|  30  | 0314731 | THRUST Шайба шестерни заднего хода (THRUST WASHER, Reverse gear)  | нет в наличии, поставок нет | 
|  31  | 0314730 | Гайка, Шестерня to driveВал (NUT, Pinion to driveshaft)  | нет в наличии, поставок нет | 
|  32  | 0435123 | Шестерня & Комплект шестерёнок. (GEAR & PINION ASSY.)  | нет в наличии, поставок нет | 
|  32  | 0433841 |    (последний код) GEARSET                                                                           | нет в наличии, поставок нет | 
|  33  | 0387656 | THRUST Подшипник, Шестерня (THRUST BEARING, Pinion)  | нет в наличии, поставок нет | 
|  33  | 0383248 |    (последний код) BEARING                                                                           | нет в наличии, поставок нет | 
|  34  | 0327656 | Упорная шайба шестерни Шестерня (THRUST WASHER, Pinion)  | нет в наличии, поставок нет | 
|  34  | 0314729 |    (последний код) THRUST-WASHE                                                                      | нет в наличии, поставок нет | 
|  35  | 0321008 | Пыльник, Exh. hsg. to Переключающая тяга (GROMMET, Exh. hsg. to shift rod)  | нет в наличии, поставок нет | 
|  36  | 0336565 | Упорная шайба (THRUST WASHER)  | нет в наличии, поставок нет | 
|  37  | 0336574 | Шестерня обратного хода (GEAR, Reverse)  | нет в наличии, поставок нет | 
|  38  | 0337774 | Переключатель собачки сцепления (SHIFTER, Clutch dog)  | нет в наличии, поставок нет | 
|  38  | 0910995 |    (последний код) SHIFTER                                                                           | нет в наличии, поставок нет | 
|  39  | 0313448 | Штифт сцепления dog (PIN, Clutch dog)  | нет в наличии, поставок нет | 
|  40  | 0324369 | Пружина, Сцепление dog Штифт (SPRING, Clutch dog pin)  | нет в наличии, поставок нет | 
|  40  | 0313454 |    (последний код) SPRING                                                                            | нет в наличии, поставок нет | 
|  41  | 0318544 | Заглушка, Fill & drain (PLUG, Fill & drain)  | нет в наличии, поставок нет | 
|  41  | 0912624 |    (последний код) SCREW                                                                             | нет в наличии, поставок нет | 
|  42  | 0311598 | Шайба (WASHER)  | нет в наличии, поставок нет | 
|  42  | 3852105 |    (последний код) WASHER                                                                            | нет в наличии, поставок нет | 
|  43  | 0323362 | Регулировочная шайба, 0.003 дюйм (0, 07 мм) (SHIM, 0.003 in. (0,07mm))  | нет в наличии, поставок нет | 
|  43  | 0323361 | Регулировочная шайба, 0.004 дюйм (0, 10 мм) (SHIM, 0.004 in. (0,10mm))  | нет в наличии, поставок нет | 
|  43  | 0314745 | Регулировочная шайба, 0.005 дюйм (0, 12 мм) (SHIM, 0.005 in. (0,12mm))  | нет в наличии, поставок нет | 
|  44  | 0397566 | Упорная шайба, дляward Шестерня (THRUST WASHER, Forward gear)  | нет в наличии, поставок нет | 
|  44  | 0327760 |    (последний код) SHIM---.029                                                                       | нет в наличии, поставок нет | 
|  45  | 0435482 | Крышка & Сальник в сборе. (COVER & SEAL ASSY.)  | нет в наличии, поставок нет | 
|  45  | 5006241 |    (последний код) COVER AY,SHIFT ROD                                                                | нет в наличии, поставок нет | 
|  46  | 0318372 | Уплотнительное кольцо, Переключающая тяга (O-RING, Shift rod)  | нет в наличии, поставок нет | 
|  49  | 0438963 | Подшипник Корпус & Сальник (BEARING HOUSING & SEAL)  | нет в наличии, поставок нет | 
|  49  | 0439476 |    (последний код) DS BRG HSG&SEAL AY                                                                | нет в наличии, поставок нет | 
|  50  | 0341280 | Сальник (SEAL)  | нет в наличии, поставок нет | 
|  52  | 0335677 | DRIVEВал, нижний (DRIVESHAFT, Lower)  | нет в наличии, поставок нет | 
|  52  | 0345905 |    (последний код) DRIVESHAFT,LOWER                                                                  | нет в наличии, поставок нет | 
|  53  | 0302325 | Винт, Крышка (SCREW, Cover)  | нет в наличии, поставок нет | 
|  54  | 0338504 | Фиксатор (RETAINER)  | нет в наличии, поставок нет | 
|  55  | 0311538 | Штифт, верхний  to нижний  driveВал (PIN, Upper to lower driveshaft)  | нет в наличии, поставок нет | 
|  56  | 0328743 | Шайба, Винт, tab (WASHER, Screw, tab)  | нет в наличии, поставок нет | 
|  56  | 3852191 |    (последний код) WASHER                                                                            | нет в наличии, поставок нет | 
|  57  | 0323946 | DETENT, Переключательer (DETENT, Shifter)  | нет в наличии, поставок нет | 
|  57  | 0915954 |    (последний код) DETENT                                                                            | нет в наличии, поставок нет | 
|  58  | 0435769 | Приводной вал., верхний (DRIVESHAFT ASSY., Upper)  | нет в наличии, поставок нет | 
|  58  | 5000624 |    (последний код) 25IN D/S KIT UP                                                                   | нет в наличии, поставок нет | 
|  59  | 0335510 | Переключающая тяга (SHIFT ROD)  | нет в наличии, поставок нет | 
|  60  | 0321122 | Проставка, Переключающая тяга (SPACER, Shift rod)  | нет в наличии, поставок нет | 
|  61  | 0320943 | Пыльник, Крыльчатка Корпус (GROMMET, Impeller housing)  | 1 шт | 300 руб. | 
|  62  | 0320570 | Проставка гайки гребного винта (SPACER, Propeller nut)  | нет в наличии, поставок нет | 
|  62  | 3852163 |    (последний код) SPACER,PROP                                                                       | нет в наличии, поставок нет | 
|  63  | 0338486 | Cвыше, Крыльчатка, std. (CUP, Impeller, std.)  | нет в наличии, поставок нет | 
|  63  | 0338551 | Cвыше, Крыльчатка, chrome (CUP, Impeller, chrome)  | нет в наличии, поставок нет | 
|  64  | 0306643 | Винт, Крышка to Крыльчатка (SCREW, Cover to impeller)  | нет в наличии, поставок нет | 
|  64  | 3852066 |    (последний код) SCREW                                                                             | нет в наличии, поставок нет | 
|  65  | 0313715 | Винт, Пластина трима (SCREW, Trim tab)  | нет в наличии, поставок нет | 
|  66  | 0330263 | Винт, Редуктор to Задний корпус (SCREW, Gearcase to housing, rear)  | нет в наличии, поставок нет | 
|  66  | 0914534 |    (последний код) SCREW                                                                             | нет в наличии, поставок нет | 
|  67  | 0398042 | Гайка & KEEPER, Гребной винт (NUT & KEEPER, Propeller)  | нет в наличии, поставок нет | 
|  67  | 3850984 |    (последний код) NUT&KEEPER AY,PROP                                                                | нет в наличии, поставок нет | 
|  68  | 0306394 | Шплинт, Гайка гребного винта (COTTER PIN, Propeller nut)  | нет в наличии, поставок нет | 
|  68  | 3852056 |    (последний код) PIN,COTTER                                                                        | нет в наличии, поставок нет | 
|  69  | 0330265 | Шайба (WASHER)  | нет в наличии, поставок нет | 
|  70  | 0331998 | Винт, Редуктор to Корпус (SCREW, Gearcase to housing)  | нет в наличии, поставок нет | 
|  70  | 0914535 |    (последний код) SCREW                                                                             | нет в наличии, поставок нет | 
|  71  | 0328096 | Винт, Анод (SCREW, Anode)  | нет в наличии, поставок нет | 
|  71  | 0327046 |    (последний код) SCREW                                                                             | нет в наличии, поставок нет | 
|  72  | 0331999 | Винт, Редуктор to Корпус, short (SCREW, Gearcase to housing, short)  | нет в наличии, поставок нет | 
|  72  | 0910457 |    (последний код) SCREW                                                                             | нет в наличии, поставок нет | 
|  73  | 0331353 | Сальник, Крыльчатка Корпус Пластина (SEAL, Impeller housing plate)  | 1 шт | 790 руб. | 
|  74  | 0435821 | Крыльчатка в сборе. (IMPELLER ASSY.)  | нет в наличии, поставок нет | 
|  74  | 5001593 |    (последний код) KIT AY,IMPELLER                                                                   | нет в наличии, поставок нет | 
|  75  | 0331107 | CAM, DriveВал to Крыльчатка (CAM, Driveshaft to impeller)  | нет в наличии, поставок нет | 
|  76  | 0302035 | Уплотнительное кольцо (O-RING)  | нет в наличии, поставок нет | 
|  77  | 0338485 | Пластина корпуса крыльчатки, std. (PLATE, Impeller housing, std.)  | нет в наличии, поставок нет | 
|  77  | 0338552 | Пластина корпуса крыльчатки, chrome (PLATE, Impeller housing, chrome)  | нет в наличии, поставок нет | 
|  78  | 0126870 | Упорная втулка, 3-blade (THRUST BUSHING, 3-blade)  | нет в наличии, поставок нет | 
|  78  | 3852020 |    (последний код) BUSHING,THRUST                                                                    | нет в наличии, поставок нет | 
|  78  | 0126869 | Упорная втулка, 4-blade (THRUST BUSHING, 4-blade)  | нет в наличии, поставок нет | 
|  78  | 0128740 |    (последний код) BUSHING,THRUST                                                                    | нет в наличии, поставок нет | 
|  79  | 0338484 | Прокладка крыльчатки hsg. Пластина. Also included in kit 437753 (GASKET, Impeller hsg. plate. Also included in kit 437753)  | нет в наличии, поставок нет | 
|  79  | 0324701 |    (последний код) GASKET,-DRL5                                                                      | нет в наличии, поставок нет | 
|  80  | 0314008 | Пыльник водяной трубки (GROMMET, Water tube)  | нет в наличии, поставок нет | 
|  81  | 0435959 | Крыльчатка Корпус, Редуктор (IMPELLER HOUSING, Gearcase)  | нет в наличии, поставок нет | 
|  82  | 0302325 | Винт, Крыльчатка Корпус, 1 дюйм (SCREW, Impeller housing, 1 in.)  | нет в наличии, поставок нет | 
|  83  | 0331188 | Уплотнительное кольцо (O-RING)  | 5 шт | 370 руб. | 
|  84  | 0338893 | Колпак крыльчатки Корпус (COVER, Impeller housing)  | нет в наличии, поставок нет | 
|  84  | 0321159 |    (последний код) COVER-IMP-HS                                                                      | нет в наличии, поставок нет | 
|  85  | 0338742 | Пластина трима, Редуктор (TRIM TAB, Gearcase)  | нет в наличии, поставок нет | 
|  85  | 0327810 |    (последний код) TRIM TAB                                                                          | нет в наличии, поставок нет | 
|  86  | 0436745 | Анод (ANODE)  | нет в наличии, поставок нет | 
|  86  | 0393023 |    (последний код) ANODE&INSERT AY                                                                   | нет в наличии, поставок нет | 
|  87  | 0 | Гребной винт. Refer to OMC Genuine Parts Гребной винт Chart (PROPELLER. Refer to OMC Genuine Parts Propeller Chart)  | нет в наличии, поставок нет | 
|  88  | 0387157 | Втулка в сборе., Prop., alum. (BUSHING ASSY., Prop., alum.)  | нет в наличии, поставок нет | 
|  88  | 0175401 | Втулка в сборе., Prop., SST (BUSHING ASSY., Prop., SST)  | нет в наличии, поставок нет | 
|  89  | 0332394 | CONVERGING Кольцо, Std. prop. (CONVERGING RING, Std. prop.)  | нет в наличии, поставок нет | 
|  89  | 3854241 |    (последний код) RING, CONVERGING                                                                  | нет в наличии, поставок нет | 
|  90  | 0313926 | Гильза (SLEEVE)  | нет в наличии, поставок нет | 
|  90  | 3850831 |    (последний код) SLEEVE-PROP                                                                       | нет в наличии, поставок нет | 
|  91  | 0338601 | Пыльник, Гильза, Водяной насос (GROMMET, Sleeve, water pump)  | 1 шт | 520 руб. | 
|  92  | 0338636 | Гильза, Водяной насос (SLEEVE, Water pump)  | нет в наличии, поставок нет | 
|  93  | 0330266 | Шайба шестерниcase (WASHER, Gearcase)  | нет в наличии, поставок нет | 
|  93  | 3852200 |    (последний код) WASHER                                                                            | нет в наличии, поставок нет | 
|  94  | 0307161 | Блокирующая шайба анода (LOCK WASHER, Anode)  | нет в наличии, поставок нет | 
|  95  | 0437753 | Комплект сальников редуктора (GEARCASE SEAL KIT)  | нет в наличии, поставок нет | 
|  95  | 5006373 |    (последний код) KIT AY,SEAL-GC                                                                    | нет в наличии, поставок нет | 
|  96  | 0435929 | Ремкомплект водяного насоса, (Includes hsg.) (WATER PUMP REPAIR KIT, (Includes hsg.))  | нет в наличии, поставок нет | 
|  96  | 5001595 |    (последний код) KIT AY,WATER PUMP                                                                 | нет в наличии, поставок нет | 
|  97  | 0435526 | CHROME Cвыше & Пластина KIT (CHROME CUP & PLATE KIT)  | нет в наличии, поставок нет | 
|  97  | 0395059 |    (последний код) CHROME PUMP KIT                                                                   | нет в наличии, поставок нет |