вконтакте

Контактный телефон: +7 (981) 121-46-93, +7 (800) 200-90-76 , Email: parts-katalog@yandex.ru, где купить

 
 

  Логин:

Пароль:

Регистрация

www.partskatalog.ru Все каталоги Запчасти Mercury Запчасти Suzuki Запчасти Tohatsu Запчасти Honda Контакты



УВАЖАЕМЫЕ КЛИЕНТЫ!
C 31 ОКТЯБРЯ 2025 ПО 10 НОЯБРЯ 2025 ГОДА РАБОТАТЬ НЕ БУДЕМ




Все разделы каталога запчастей на этот двигатель

назад Раздел:   вперёд

вернуться к списку узлов и деталей

ДЕТАЛИРОВКА ДЛЯ МОДЕЛИ: EVINRUDE E150GLEUC 1997

IGNITION SYSTEM | IGNITION SYSTEM;


Подвесной двигатель EVINRUDE E150GLEUC 1997  - nition System / nition System

Номер на
рисунке
АртикулНаименованиеКол-во
на складе
Цена
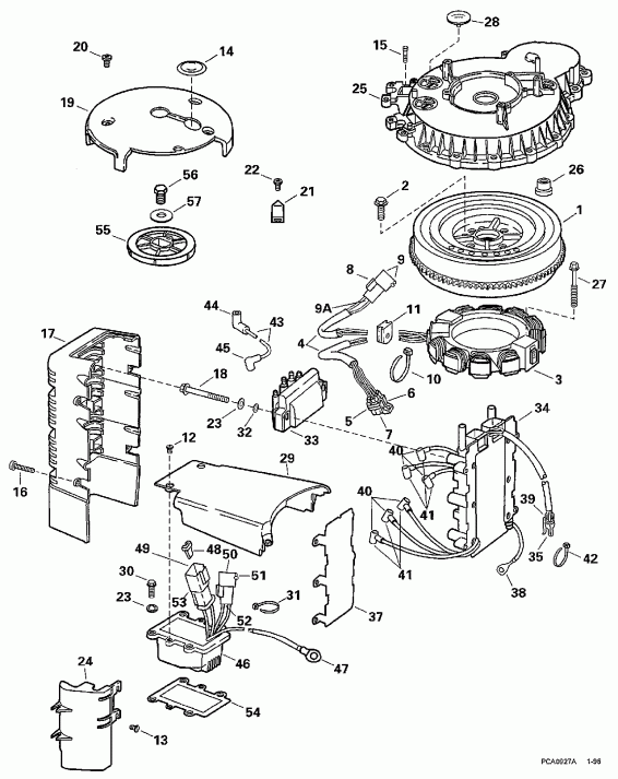
1 0584350

Маховик в сборе. (FLYWHEEL ASSY.)

нет в наличии, поставок нет
2 0336135

Винт, Маховик (SCREW, Flywheel)

нет в наличии, поставок нет
2 0306284

   (последний код) SCREW

нет в наличии, поставок нет
3 0584981

Статор в сборе. (STATOR ASSY.)

нет в наличии, поставок нет
3 0763759

   (последний код) STATOR,35AMP 6V6

нет в наличии, поставок нет
4 0512931

Гильза (SLEEVE)

нет в наличии, поставок нет
5 0513437

Сальник (SEAL)

нет в наличии, поставок нет
6 0513424

Коннектор (CONNECTOR)

нет в наличии, поставок нет
7 0513423

Клемма (TERMINAL)

нет в наличии, поставок нет
7 3855267

   (последний код) TERMINAL

нет в наличии, поставок нет
8 0513664

Коннектор (CONNECTOR)

нет в наличии, поставок нет
8 3852250

   (последний код) CONN,2-CONT

нет в наличии, поставок нет
9 0513667

Клемма (TERMINAL)

нет в наличии, поставок нет
9 3852253

   (последний код) TERMINAL,RCP

нет в наличии, поставок нет
9A 0513665

Заглушка, Сальник (PLUG, Seal)

нет в наличии, поставок нет
9A 3852251

   (последний код) PLUG,CONN SEAL

нет в наличии, поставок нет
10 0317893

Крепёжный хомут (TIE STRAP)

нет в наличии, поставок нет
10 3852149

   (последний код) TIE-STRAP

нет в наличии, поставок нет
11 0336732

Пыльник (GROMMET)

нет в наличии, поставок нет
12 0315656

Винт, Крышка (SCREW, Cover)

нет в наличии, поставок нет
13 0333430

Винт, Кабели Кронштейн to cyl. head (SCREW, Cable bracket to cyl. head)

нет в наличии, поставок нет
14 0316074

Заглушка, Крышка маховика (PLUG, Flywheel cover)

нет в наличии, поставок нет
15 0909533

Винт, Крышка маховика (SCREW, Flywheel cover)

нет в наличии, поставок нет
15 0324429

   (последний код) SCREW,IMP HSG

нет в наличии, поставок нет
16 0328649

Винт, Крышка, power pack (SCREW, Cover, power pack)

нет в наличии, поставок нет
16 0337541

   (последний код) SCREW

нет в наличии, поставок нет
17 0513584

Крышка, Power pack (COVER, Power pack)

нет в наличии, поставок нет
18 0331102

Винт, Coil to block (SCREW, Coil to block)

нет в наличии, поставок нет
18 0329625

   (последний код) WING-SCREW

нет в наличии, поставок нет
19 0335428

Крышка датчика (COVER, Sensor)

нет в наличии, поставок нет
20 0315656

Винт, Крышка датчика (SCREW, Cover, sensor)

нет в наличии, поставок нет
21 0335204

TIMING POINTER (TIMING POINTER)

нет в наличии, поставок нет
22 0315656

Винт, Timing pointer (SCREW, Timing pointer)

нет в наличии, поставок нет
23 0301551

Шайба с блокировкой, Заземление (LOCK WASHER, Ground)

нет в наличии, поставок нет
24 0342202

Кронштейн, Motor Кабели (BRACKET, Motor cable)

нет в наличии, поставок нет
24 0340869

   (последний код) BRACKET,MOTO

нет в наличии, поставок нет
25 0433581

Крышка в сборе, Маховик (COVER ASSY., Flywheel)

нет в наличии, поставок нет
26 0341613

Втулка, Шестерня & Вал to Крышка (BUSHING, Pinion & shaft to cover)

нет в наличии, поставок нет
26 0335294

   (последний код) BUSHING

нет в наличии, поставок нет
27 0308995

Винт, Статор Креплениеing (SCREW, Stator mounting)

нет в наличии, поставок нет
28 0336492

Клапан, Крышка маховика (VALVE, Flywheel cover)

нет в наличии, поставок нет
29 0513818

Крышка, Power pack to Маховик (COVER, Power pack to flywheel)

нет в наличии, поставок нет
30 0328744

Винт, Регулятор (SCREW, Regulator)

нет в наличии, поставок нет
30 0308741

   (последний код) SCREW

нет в наличии, поставок нет
31 0320107

Крепёжный хомут (TIE STRAP)

нет в наличии, поставок нет
31 5035626

   (последний код) BAND,REM CON

нет в наличии, поставок нет
32 0328702

Шайба, Coil Креплениеing (WASHER, Coil mounting)

нет в наличии, поставок нет
32 3852183

   (последний код) WASHER

нет в наличии, поставок нет
33 0583740

Катушка в сборе., Dual (COIL ASSY., Dual)

нет в наличии, поставок нет
33 0583298

   (последний код) IGNITION COIL

нет в наличии, поставок нет
34 0584985

POWER PACK (POWER PACK)

нет в наличии, поставок нет
34 0584910

   (последний код) PP AY.CD6A0L61

нет в наличии, поставок нет
35 0513439

Клемма (TERMINAL)

нет в наличии, поставок нет
37 0513579

SHIELD, RFI (SHIELD, RFI)

нет в наличии, поставок нет
38 0510818

Кольцо, Клемма, 1 / 4 дюйм (RING, Terminal, 1/4 in.)

нет в наличии, поставок нет
38 3854243

   (последний код) TERMINAL,RIN

нет в наличии, поставок нет
39 0513440

Коннектор, Датчик в сборе. (CONNECTOR, Sensor assy.)

нет в наличии, поставок нет
0514754 0514754

Сальник, Коннектор. Not Shown (SEAL, Connector. Not Shown)

нет в наличии, поставок нет
40 0512478

Крышка (COVER)

нет в наличии, поставок нет
41 0512256

Клемма (TERMINAL)

нет в наличии, поставок нет
42 0317893

Крепёжный хомут (TIE STRAP)

нет в наличии, поставок нет
42 3852149

   (последний код) TIE-STRAP

нет в наличии, поставок нет
43 0584919

LEAD в сборе., Катушка зажигания (15 1 / 2 дюйм) (LEAD ASSY., Ignition coil (15 1/2 in.))

нет в наличии, поставок нет
43 5005805

   (последний код) LEAD AY,H/T-SUPP

нет в наличии, поставок нет
43 0584920

LEAD в сборе., Катушка зажигания (14 1 / 2 дюйм) (LEAD ASSY., Ignition coil (14 1/2 in.))

нет в наличии, поставок нет
43 5005806

   (последний код) LEAD AY,H/T-SUPP

нет в наличии, поставок нет
43 0584921

LEAD в сборе., Катушка зажигания (11 1 / 4 дюйм) (LEAD ASSY., Ignition coil (11 1/4 in.))

нет в наличии, поставок нет
43 5005807

   (последний код) LEAD AY,H/T-SUPP

нет в наличии, поставок нет
44 0581027

Клемма & Крышка, Свеча зажигания (TERMINAL & COVER, Spark plug)

нет в наличии, поставок нет
45 0580339

Клемма & Крышка, Coil (TERMINAL & COVER, Coil)

нет в наличии, поставок нет
45 0510232

   (последний код) COVER

нет в наличии, поставок нет
46 0586048

Выпрямитель & Регулятор (RECTIFIER & REGULATOR)

нет в наличии, поставок нет
47 0204053

Кольцо, Клемма (RING, Terminal)

нет в наличии, поставок нет
47 3852037

   (последний код) TERMINAL,RIN

нет в наличии, поставок нет
48 0514697

LOCK WEDGE (LOCK WEDGE)

нет в наличии, поставок нет
49 0514679

Клемма, Штифт (TERMINAL, Pin)

нет в наличии, поставок нет
50 0513666

Клемма, Blade (TERMINAL, Blade)

нет в наличии, поставок нет
50 3852252

   (последний код) TERMINAL,BLA

нет в наличии, поставок нет
51 0513663

Коннектор (CONNECTOR)

нет в наличии, поставок нет
51 3852249

   (последний код) CONN,2-CONT

нет в наличии, поставок нет
52 0513665

Сальник (SEAL)

нет в наличии, поставок нет
52 3852251

   (последний код) PLUG,CONN SEAL

нет в наличии, поставок нет
53 0514696

Коннектор, 2-Штифт (CONNECTOR, 2-pin)

нет в наличии, поставок нет
54 0342291

Прокладка, Регулятор to Картер двигателя (GASKET, Regulator to crankcase)

нет в наличии, поставок нет
54 0350357

   (последний код) GASKET

нет в наличии, поставок нет
55 0513917

TIMING WHEEL (TIMING WHEEL)

нет в наличии, поставок нет
56 0341541

Винт, Timing wheel (SCREW, Timing wheel)

нет в наличии, поставок нет
57 0314099

Шайба, Винт, timing wheel (WASHER, Screw, timing wheel)

нет в наличии, поставок нет
evinrude

Время выполнения запроса 2.1962471008301 сек.


 
 

данный сайт носит информационный характер и не является публичной офертой

склад запчастей для водомоторной техники