Номер на   рисунке | Артикул | Наименование | Кол-во   на складе | Цена | 
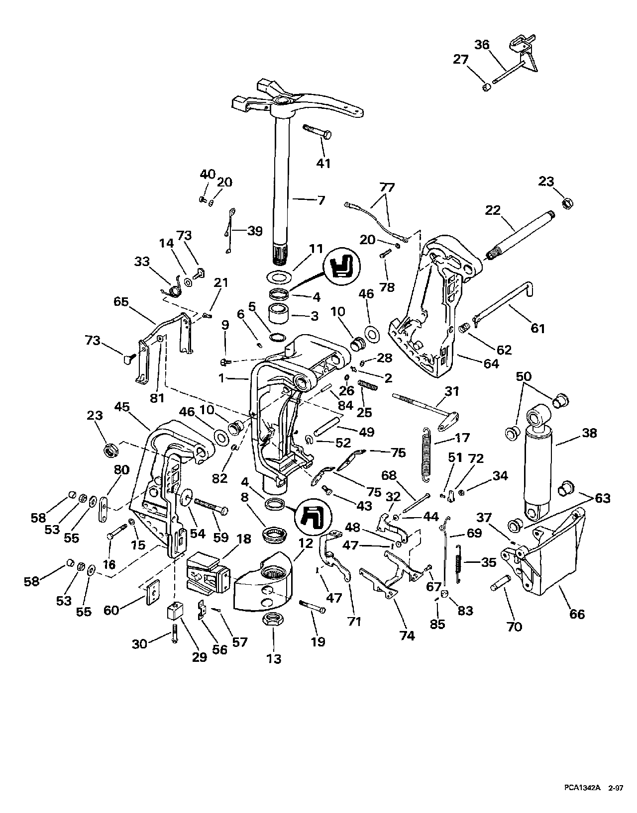
|  1  | 0398937 | Поворотный кронштейн (SWIVEL BRACKET)  | нет в наличии, поставок нет | 
|  2  | 0313607 | LUBRICATION FITTING (LUBRICATION FITTING)  | нет в наличии, поставок нет | 
|  2  | 3852121 |    (последний код) FITTING,LUB                                                                       | нет в наличии, поставок нет | 
|  3  | 0329291 | Втулка (BUSHING)  | нет в наличии, поставок нет | 
|  4  | 0320937 | Сальник (SEAL)  | нет в наличии, поставок нет | 
|  5  | 0329292 | SвышеPORT Кольцо (SUPPORT RING)  | нет в наличии, поставок нет | 
|  6  | 0330605 | ANCHOR Винт (ANCHOR SCREW)  | нет в наличии, поставок нет | 
|  6  | 0329664 |    (последний код) SCREW SET                                                                         | нет в наличии, поставок нет | 
|  7  | 0438082 | Рулевая система Рычаг в сборе. (STEERING ARM ASSY.)  | нет в наличии, поставок нет | 
|  8  | 0327696 | KEEPER, Стержень Вал (KEEPER, Pivot shaft)  | нет в наличии, поставок нет | 
|  9  | 0328696 | Винт, Заземление lead (SCREW, Ground lead)  | нет в наличии, поставок нет | 
|  10  | 0321035 | Втулка, Поворотный кронштейн (BUSHING, Swivel bracket)  | нет в наличии, поставок нет | 
|  11  | 0320866 | THRUST Опорная шайба Вал (THRUST WASHER, Pivot shaft)  | нет в наличии, поставок нет | 
|  12  | 0340006 | Монтажный кронштейн (MOUNT BRACKET)  | нет в наличии, поставок нет | 
|  12  | 0339305 |    (последний код) BRACKET,MOUN                                                                      | нет в наличии, поставок нет | 
|  13  | 0320746 | Гайка, Монтажный кронштейн (NUT, Mount bracket)  | нет в наличии, поставок нет | 
|  14  | 0553766 | Волнистая шайба, Винт to Рычаг, port (WAVE WASHER, Screw to lever, port)  | нет в наличии, поставок нет | 
|  14  | 0123886 |    (последний код) SPRING-WASHE                                                                      | нет в наличии, поставок нет | 
|  15  | 0307708 | Шайба с блокировкой, Кронштейн to Проставка (LOCK WASHER, Bracket to spacer)  | нет в наличии, поставок нет | 
|  15  | 0302865 |    (последний код) LOCKWASHER                                                                        | нет в наличии, поставок нет | 
|  16  | 0552968 | Винт, Stern brkt. to Проставка, 1 7 / 16 дюйм (37 мм) (SCREW, Stern brkt. to spacer, 1 7/16 in. (37 mm))  | нет в наличии, поставок нет | 
|  16  | 0321675 |    (последний код) SCREW                                                                             | нет в наличии, поставок нет | 
|  16  | 0318612 | Винт, Stern brkt. to Проставка, 2 3 / 4 дюйм (70 мм) (SCREW, Stern brkt. to spacer, 2 3/4 in. (70 mm))  | нет в наличии, поставок нет | 
|  16  | 0321737 |    (последний код) SCREW                                                                             | нет в наличии, поставок нет | 
|  17  | 0321920 | Пружина блокировки задней передачи (SPRING, Reverse lock)  | нет в наличии, поставок нет | 
|  18  | 0434632 | RUBBER Крепление нижнее (RUBBER MOUNT, Lower)  | нет в наличии, поставок нет | 
|  18  | 0391710 |    (последний код) RUBBER MOUNT                                                                      | нет в наличии, поставок нет | 
|  19  | 0334936 | Винт, Крепление (SCREW, Mount)  | нет в наличии, поставок нет | 
|  20  | 0301551 | Шайба, Заземление lead (WASHER, Ground lead)  | нет в наличии, поставок нет | 
|  21  | 0332697 | Фиксатор пружины (RETAINER, Spring)  | нет в наличии, поставок нет | 
|  22  | 0321052 | TILT Трубка (TILT TUBE)  | нет в наличии, поставок нет | 
|  23  | 0335554 | Гайка, Tilt Трубка (NUT, Tilt tube)  | нет в наличии, поставок нет | 
|  25  | 0318462 | Пружина, Рулевая система friction (SPRING, Steering friction)  | нет в наличии, поставок нет | 
|  26  | 0318372 | Уплотнительное кольцо, Рулевая система friction (O-RING, Steering friction)  | нет в наличии, поставок нет | 
|  27  | 0332688 | Проставка, Tilt Замок румпеля (SPACER, Tilt lock handle)  | нет в наличии, поставок нет | 
|  28  | 0301161 | Шайба, Рулевая система friction (WASHER, Steering friction)  | нет в наличии, поставок нет | 
|  29  | 0433458 | Анод, Кронштейн транца (ANODE, Stern bracket)  | нет в наличии, поставок нет | 
|  29  | 0398331 |    (последний код) ANODE & INSERT AY                                                                 | нет в наличии, поставок нет | 
|  30  | 0333350 | Винт, Анод to Кронштейн транца (SCREW, Anode to stern bracket)  | нет в наличии, поставок нет | 
|  31  | 0438110 | HANDLE & Винт в сборе. (HANDLE & SCREW ASSY.)  | нет в наличии, поставок нет | 
|  32  | 0332875 | Соединитель, Блокировка задней передачи, port (LINK, Reverse lock, port)  | нет в наличии, поставок нет | 
|  33  | 0332698 | Пружина, Trail lock (SPRING, Trail lock)  | нет в наличии, поставок нет | 
|  33  | 0349180 |    (последний код) SPRING                                                                            | нет в наличии, поставок нет | 
|  34  | 0332690 | Проставка, Tilt lock Вал (SPACER, Tilt lock shaft)  | нет в наличии, поставок нет | 
|  35  | 0332689 | Пружина, Trail lock return (SPRING, Trail lock return)  | нет в наличии, поставок нет | 
|  36  | 0397730 | Рычаг и Вал (LEVER AND SHAFT)  | нет в наличии, поставок нет | 
|  37  | 0909676 | Установочный винт, Проставка to Стержень (SET SCREW, Spacer to pivot)  | нет в наличии, поставок нет | 
|  38  | 0398304 | SHOCK ABSORBER в сборе. (SHOCK ABSORBER ASSY.)  | нет в наличии, поставок нет | 
|  39  | 0584136 | LEAD в сборе., Заземление (LEAD ASSY., Ground)  | нет в наличии, поставок нет | 
|  40  | 0328724 | Винт, Заземление lead (SCREW, Ground lead)  | нет в наличии, поставок нет | 
|  40  | 3852186 |    (последний код) SCREW                                                                             | нет в наличии, поставок нет | 
|  41  | 0343024 | Винт, верхний  Крепление (SCREW, Upper mount)  | нет в наличии, поставок нет | 
|  41  | 0344277 |    (последний код) SCREW                                                                             | нет в наличии, поставок нет | 
|  43  | 0123077 | Винт, Фиксатор to Кронштейн (SCREW, Retainer to bracket)  | нет в наличии, поставок нет | 
|  44  | 0204757 | Пружинная шайба, Вал блокировки задней передачи (SPRING WASHER, Reverse lock shaft)  | нет в наличии, поставок нет | 
|  45  | 0333304 | Кронштейн транца, Starboard (STERN BRACKET, Starboard)  | нет в наличии, поставок нет | 
|  45  | 0331024 |    (последний код) STERN-BRACKE                                                                      | нет в наличии, поставок нет | 
|  46  | 0910992 | Упорная шайба, Кронштейн транца (THRUST WASHER, Stern bracket)  | нет в наличии, поставок нет | 
|  46  | 0327699 |    (последний код) THRUST-WASHE                                                                      | нет в наличии, поставок нет | 
|  47  | 0302858 | Шплинт (COTTER PIN)  | нет в наличии, поставок нет | 
|  47  | 3854480 |    (последний код) PIN,COTTER                                                                        | нет в наличии, поставок нет | 
|  48  | 0303887 | Шайба, Блокировка задней передачи Штифт (WASHER, Reverse lock pin)  | нет в наличии, поставок нет | 
|  49  | 0320792 | Штифт, Цилиндр наклона (PIN, Tilt cylinder)  | нет в наличии, поставок нет | 
|  50  | 0322481 | Втулка, Цилиндр наклона (BUSHING, Tilt cylinder)  | нет в наличии, поставок нет | 
|  50  | 0320941 |    (последний код) BUSHING                                                                           | нет в наличии, поставок нет | 
|  51  | 0319108 | Винт, BellКривошип (SCREW, Bellcrank)  | нет в наличии, поставок нет | 
|  51  | 0311512 |    (последний код) SCREW                                                                             | нет в наличии, поставок нет | 
|  52  | 0321054 | Пружина Зажим (SPRING CLIP)  | нет в наличии, поставок нет | 
|  53  | 0313623 | Гайка, Кронштейн транца Винт (NUT, Stern bracket screw)  | нет в наличии, поставок нет | 
|  53  | 0321861 |    (последний код) NUT                                                                               | нет в наличии, поставок нет | 
|  54  | 0307238 | Шайба, Гайка (WASHER, Nut)  | нет в наличии, поставок нет | 
|  55  | 0320248 | Шайба (WASHER)  | нет в наличии, поставок нет | 
|  55  | 0312910 |    (последний код) WASHER                                                                            | нет в наличии, поставок нет | 
|  56  | 0318273 | Фиксатор (RETAINER)  | нет в наличии, поставок нет | 
|  57  | 0319886 | Винт (SCREW)  | нет в наличии, поставок нет | 
|  58  | 0318572 | Монтажная крышка Винтs (CAP, Mounting screws)  | нет в наличии, поставок нет | 
|  59  | 0327053 | Винт, Transom, 3 дюйм (76 мм) (SCREW, Transom, 3 in. (76mm))  | нет в наличии, поставок нет | 
|  59  | 0318573 | Винт, Transom, 3 1 / 2 дюйм (89 мм) (SCREW, Transom, 3 1/2 in. (89mm))  | нет в наличии, поставок нет | 
|  59  | 3852153 |    (последний код) BOLT                                                                              | нет в наличии, поставок нет | 
|  59  | 0336676 | Винт, Transom, 4 3 / 4 дюйм (121 мм) (SCREW, Transom, 4 3/4 in. (121mm))  | нет в наличии, поставок нет | 
|  59  | 0336675 |    (последний код) BOLT                                                                              | нет в наличии, поставок нет | 
|  59  | 0331578 | Винт, Transom, 5 дюйм (127 мм) (SCREW, Transom, 5 in. (127mm))  | нет в наличии, поставок нет | 
|  59  | 0321577 | Винт, Transom, 6 дюйм (152 мм) (SCREW, Transom, 6 in. (152mm))  | нет в наличии, поставок нет | 
|  60  | 0318272 | Пластина (PLATE)  | нет в наличии, поставок нет | 
|  61  | 0436541 | Упорный стержень в сборе. (THRUST ROD ASSY.)  | нет в наличии, поставок нет | 
|  61  | 0387278 |    (последний код) TH-ROD&RETAI                                                                      | нет в наличии, поставок нет | 
|  62  | 0321053 | Пружина, Стержень тяги (SPRING, Thrust rod)  | нет в наличии, поставок нет | 
|  63  | 0321246 | Втулка, Цилиндр наклона (BUSHING, Tilt cylinder)  | нет в наличии, поставок нет | 
|  64  | 0333303 | Кронштейн транца в сборе., Port (STERN BRACKET ASSY., Port)  | нет в наличии, поставок нет | 
|  64  | 0331023 |    (последний код) STERN-BRACKE                                                                      | нет в наличии, поставок нет | 
|  65  | 0390442 | LOCKING Рычаг, Тяга (LOCKING LEVER, Rod)  | нет в наличии, поставок нет | 
|  65  | 5004427 |    (последний код) LEVER&ROD AY                                                                      | нет в наличии, поставок нет | 
|  66  | 0330889 | Проставка, Кронштейн транца (SPACER, Stern bracket)  | нет в наличии, поставок нет | 
|  67  | 0321591 | Штифт тяги to locking Рычаг (PIN, Link to locking lever)  | нет в наличии, поставок нет | 
|  68  | 0321592 | Штифт тяги to Поворотный кронштейн (PIN, Link to swivel bracket)  | нет в наличии, поставок нет | 
|  69  | 0332692 | Тяга, Рычаг блокировки задней передачи (ROD, Reverse lock lever)  | нет в наличии, поставок нет | 
|  70  | 0321695 | Штифт, Shock absorber, нижний (PIN, Shock absorber, lower)  | нет в наличии, поставок нет | 
|  71  | 0332687 | Соединитель, Блокировка задней передачи, starboard (LINK, Reverse lock, starboard)  | нет в наличии, поставок нет | 
|  72  | 0332691 | BELLКривошип, Releasing Тяга (BELLCRANK, Releasing rod)  | нет в наличии, поставок нет | 
|  73  | 0329109 | SHOULDER Винт (SHOULDER SCREW)  | нет в наличии, поставок нет | 
|  73  | 0321389 |    (последний код) HH-SHOULDER                                                                       | нет в наличии, поставок нет | 
|  74  | 0321750 | LOCKING Рычаг, Блокировка задней передачи (LOCKING LEVER, Reverse lock)  | нет в наличии, поставок нет | 
|  75  | 0334345 | Фиксатор, Lock Пружина (RETAINER, Lock spring)  | нет в наличии, поставок нет | 
|  75  | 0323594 |    (последний код) RETAINER-REV                                                                      | нет в наличии, поставок нет | 
|  77  | 0584120 | Заземление LEAD (GROUND LEAD)  | нет в наличии, поставок нет | 
|  78  | 0328696 | Винт, Заземление lead (SCREW, Ground lead)  | нет в наличии, поставок нет | 
|  80  | 0321735 | SвышеPORT, Кронштейн транца (SUPPORT, Stern bracket)  | нет в наличии, поставок нет | 
|  81  | 0552993 | Шайба, Винт to Кронштейн (WASHER, Screw to bracket)  | нет в наличии, поставок нет | 
|  81  | 0330266 |    (последний код) WASHER                                                                            | нет в наличии, поставок нет | 
|  82  | 0552938 | LOCKГайка (LOCKNUT)  | нет в наличии, поставок нет | 
|  82  | 0306319 |    (последний код) NUT                                                                               | нет в наличии, поставок нет | 
|  83  | 0332693 | Воротник блокировки реверса release (COLLAR, Reverse lock release)  | нет в наличии, поставок нет | 
|  84  | 0312863 | Штифт, Trail lock Рычаг stop (PIN, Trail lock lever stop)  | нет в наличии, поставок нет | 
|  85  | 0304221 | Винт, Воротник (SCREW, Collar)  | нет в наличии, поставок нет |