вконтакте

Контактный телефон: +7 (981) 121-46-93, +7 (800) 200-90-76 , Email: parts-katalog@yandex.ru, где купить

 
 

  Логин:

Пароль:

Регистрация

www.partskatalog.ru Все каталоги Запчасти Mercury Запчасти Suzuki Запчасти Tohatsu Запчасти Honda Контакты



УВАЖАЕМЫЕ КЛИЕНТЫ!
C 19 ДЕКАБРЯ 2025 ПО 02 МАРТА 2026 ГОДА ОТДЕЛ ЗАПЧАСТЕЙ И СЕРВИС РАБОТАТЬ НЕ БУДУТ
ПРОДАЖА ЛОДОЧНЫХ МОТОРОВ В ШТАТНОМ РЕЖИМЕ
ОБ ИЗМЕНЕНИЯХ В ГРАФИКЕ РАБОТЫ ЧИТАЙТЕ НА САЙТА




Все разделы каталога запчастей на этот двигатель

назад Раздел:   вперёд

вернуться к списку узлов и деталей

ДЕТАЛИРОВКА ДЛЯ МОДЕЛИ: EVINRUDE L10FRELEUA 1997

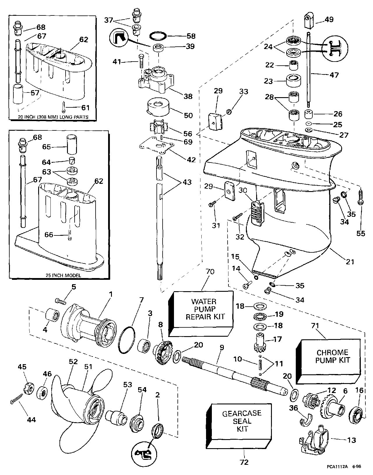
РЕДУКТОР | GEARCASE;


Подвесной мотор EVINRUDE L10FRELEUA 1997  - arcase

Номер на
рисунке
АртикулНаименованиеКол-во
на складе
Цена
0438617 0438617

Редуктор в сборе., (Less driveВал и Помпа) Not Shown (GEARCASE ASSY., (Less driveshaft and pump). Not Shown)

нет в наличии, поставок нет
0438617 0435712

   (последний код) GEARCASE-AY

нет в наличии, поставок нет
1 0437774

Подшипник Корпус подшипника & Сальник assembly (BEARING HOUSING, Bearing & seal assembly)

нет в наличии, поставок нет
1 0433403

   (последний код) HOUSING-AY,P

нет в наличии, поставок нет
2 0342247

Сальник, Brg. hsg. to prop. Вал (SEAL, Brg. hsg. to prop. shaft)

нет в наличии, поставок нет
3 0386125

Подшипник, Reverse Шестерня (BEARING, Reverse gear)

нет в наличии, поставок нет
4 0386231

Подшипник (BEARING)

нет в наличии, поставок нет
5 0333706

Винт, Подшипник Корпус to Редуктор (SCREW, Bearing housing to gearcase)

нет в наличии, поставок нет
6 0394823

Шестерня & Втулка в сборе., дляward (GEAR & BUSHING ASSY., Forward)

нет в наличии, поставок нет
7 0308627

Уплотнительное кольцо, Подшипник hsg. to gcase (O-RING, Bearing hsg. to gcase)

2 шт100 руб.
8 0330201

Шестерня обратного хода (GEAR, Reverse)

нет в наличии, поставок нет
9 0343491

Вал гребного винта (PROPELLER SHAFT)

нет в наличии, поставок нет
9 0438578

   (последний код) KIT AY,PROPSHAFT

нет в наличии, поставок нет
10 0316505

Фиксатор пружины (SPRING, Detent)

нет в наличии, поставок нет
11 0316506

Шарик, Detent (BALL, Detent)

нет в наличии, поставок нет
12 0325263

Переключатель собачки сцепления (SHIFTER, Clutch dog)

нет в наличии, поставок нет
13 0388416

ПереключательER Рычаг & Обойма (SHIFTER LEVER & YOKE ASSY.)

нет в наличии, поставок нет
13 0386148

   (последний код) SHIFTER LEVER

нет в наличии, поставок нет
14 0308376

Стержень Штифт переключателя Рычаг (PIVOT PIN, Shifter lever)

нет в наличии, поставок нет
14 0303358

   (последний код) PIVOT-PIN

нет в наличии, поставок нет
15 0332584

Опорная шайба Штифт (WASHER, Pivot pin)

нет в наличии, поставок нет
16 0386186

Роликовый подшипник, дляward Шестерня (ROLLER BEARING, Forward gear)

нет в наличии, поставок нет
17 0338190

Шестерня, DriveВал (PINION, Driveshaft)

нет в наличии, поставок нет
18 0336296

Нижняя упорная шайба Шестерня Подшипник (THRUST WASHER, Lower pinion bearing)

нет в наличии, поставок нет
19 0388000

THRUST Подшипник, Шестерня (THRUST BEARING, Pinion)

нет в наличии, поставок нет
20 0343251

Упорная шайба, дляward & reverse Шестерня (THRUST WASHER, Forward & reverse gear)

нет в наличии, поставок нет
21 0435393

Редуктор, BRG. & Сальник в сборе. (GEARCASE, BRG. & SEAL ASSY.)

нет в наличии, поставок нет
21 0438617

   (последний код) G-CASE AY,LESS D/S

нет в наличии, поставок нет
22 0386014

Подшипник ASSEMBLY, DriveВал (BEARING ASSEMBLY, Driveshaft)

нет в наличии, поставок нет
23 0318874

Гильза, Подшипник driveВал (SLEEVE, Bearing driveshaft)

нет в наличии, поставок нет
24 0321480

Сальник, Редуктор to driveВал (SEAL, Gearcase to driveshaft)

нет в наличии, поставок нет
24 0318973

   (последний код) SEAL

нет в наличии, поставок нет
25 0301877

Уплотнительное кольцо, Втулка to Переключающая тяга (O-RING, Bushing to shift rod)

нет в наличии, поставок нет
26 0304765

Втулка, Переключающая тяга (BUSHING, Shift rod)

нет в наличии, поставок нет
27 0321738

Шайба уплотнения, Переключающая тяга (WASHER, Seal, shift rod)

нет в наличии, поставок нет
28 0386071

Подшипник в сборе., Шестерня to Редуктор (BEARING ASSY., Pinion to gearcase)

нет в наличии, поставок нет
29 0338635

Анод (ANODE)

нет в наличии, поставок нет
30 0338443

SCREEN, вход (SCREEN, Inlet)

нет в наличии, поставок нет
31 0304013

Винт, Анод (SCREW, Anode)

нет в наличии, поставок нет
32 0325539

Винт, Screen (SCREW, Screen)

нет в наличии, поставок нет
32 0312270

   (последний код) SCREW

нет в наличии, поставок нет
33 0121470

Гайка, Винт, Анод (NUT, Screw, anode)

нет в наличии, поставок нет
34 0307551

Заглушка & Шайба (PLUG & WASHER)

нет в наличии, поставок нет
34 0982851

   (последний код) SCREW-PLUG

нет в наличии, поставок нет
35 0311598

Шайба (WASHER)

нет в наличии, поставок нет
35 3852105

   (последний код) WASHER

нет в наличии, поставок нет
36 0325014

CRADLE, Сцепление dog (CRADLE, Clutch dog)

нет в наличии, поставок нет
37 0342870

Пыльник, Крыльчатка hsg. to exh. hsg., 15 дюйм (GROMMET, Impeller hsg. to exh. hsg., 15 in.)

нет в наличии, поставок нет
37 0338908

   (последний код) GROMMET

нет в наличии, поставок нет
37 0302497

Нижний пыльник водяной трубки, 20 & 25 дюйм. Also included in kit 391698 (GROMMET, Water tube lower, 20 & 25 in.. Also included in kit 391698)

2 шт250 руб.
38 0435390

Крыльчатка HSG. & Сальник в сборе.. Also included in kit 391698 (IMPELLER HSG. & SEAL ASSY.. Also included in kit 391698)

1 шт1700 руб.
38 0391571

   (последний код) IMP-HSG&SEAL

1 шт1320 руб.
39 0318972

Сальник, Крыльчатка hsg. to dВал. Also included in kit 396350 Also included in kit 391698 (SEAL, Impeller hsg. to dshaft. Also included in kit 396350 Also included in kit 391698)

2 шт790 руб.
41 0302325

Винт, Крыльчатка Корпус to Редуктор. Also included in kit 391698 (SCREW, Impeller housing to gearcase. Also included in kit 391698)

нет в наличии, поставок нет
42 0318995

Пластина корпуса крыльчатки. Also included in kit 391698 (PLATE, Impeller housing. Also included in kit 391698)

нет в наличии, поставок нет
42 0319988

   (последний код) PLATE IMP HSG

нет в наличии, поставок нет
42 0319988

Пластина корпуса крыльчатки (PLATE, Impeller housing)

нет в наличии, поставок нет
42 0318995

   (последний код) PLATE-IMP-HS

нет в наличии, поставок нет
43 0337396

DRIVEВал, стандарт (DRIVESHAFT, Standard)

нет в наличии, поставок нет
44 0328522

Шплинт, Гайка гребного винта to Вал (COTTER PIN, Propeller nut to shaft)

25 шт60 руб.
45 0318971

Гайка гребного винта (NUT, Propeller)

нет в наличии, поставок нет
46 0323942

Упорная шайба, Prop. Вал, rear (THRUST WASHER, Prop. shaft, rear)

нет в наличии, поставок нет
46 0318959

   (последний код) THRUST-WASHE

нет в наличии, поставок нет
47 0337401

Переключающая тяга, стандарт (SHIFT ROD, Standard)

нет в наличии, поставок нет
49 0334119

Коннектор переключающей тяги (CONNECTOR, Shift rod)

нет в наличии, поставок нет
50 0324097

Cвыше, Крыльчатка Корпус. Also included in kit 391698 (CUP, Impeller housing. Also included in kit 391698)

1 шт1440 руб.
50 0322087

   (последний код) CUP

1 шт1110 руб.
50 0323535

Cвыше, Крыльчатка Корпус (CUP, Impeller housing)

нет в наличии, поставок нет
51 0174817

Гребной винт, 9 x 11. Refer to OMC Genuine Parts Гребной винт Chart (PROPELLER, 9 x 11. Refer to OMC Genuine Parts Propeller Chart)

нет в наличии, поставок нет
51 0778773

   (последний код) PROP,AL 9.25X11

нет в наличии, поставок нет
51 0176266

Гребной винт, 10 x 9, high thrust. Refer to OMC Genuine Parts Гребной винт Chart (PROPELLER, 10 x 9, high thrust. Refer to OMC Genuine Parts Propeller Chart)

нет в наличии, поставок нет
51 0763458

   (последний код) PROP,AL 9.25X9

нет в наличии, поставок нет
52 0332395

CONVERGING Кольцо (CONVERGING RING)

нет в наличии, поставок нет
52 0319484

   (последний код) CONVERGING RING

нет в наличии, поставок нет
53 0386119

Втулка, Гребной винт (BUSHING, Propeller)

нет в наличии, поставок нет
54 0334590

Упорная втулка, Гребной винт (THRUST BUSHING, Propeller)

нет в наличии, поставок нет
55 0341206

Винт, Редуктор to Выхлоп hsg. (SCREW, Gearcase to exhaust hsg.)

нет в наличии, поставок нет
56 0386084

Крыльчатка ASSEMBLY. Also included in kit 391698 (IMPELLER ASSEMBLY. Also included in kit 391698)

нет в наличии, поставок нет
58 0319085

Сальник, Крыльчатка Корпус. Also included in kit 391698 (SEAL, Impeller housing. Also included in kit 391698)

4 шт120 руб.
69 0300611

Шпонка крыльчатки to driveВал. Also included in kit 391698 (PIN, Impeller to driveshaft. Also included in kit 391698)

нет в наличии, поставок нет
0436981 0436981

Удлинитель KIT в сборе.. Not Shown 20 INCH (308 мм) LONG PARTS (EXTENSION KIT ASSY.. Not Shown 20 INCH (308mm) LONG PARTS)

нет в наличии, поставок нет
43 0337397

DRIVEВал, Long. 20 INCH (308 мм) LONG PARTS (DRIVESHAFT, Long. 20 INCH (308mm) LONG PARTS)

нет в наличии, поставок нет
47 0337403

Переключающая тяга. 20 INCH (308 мм) LONG PARTS (SHIFT ROD. 20 INCH (308mm) LONG PARTS)

нет в наличии, поставок нет
57 0319340

Удлинитель, Крыльчатка Корпус to Удлинитель корпуса. 20 INCH (308 мм) LONG PARTS (EXTENSION, Impeller housing to exhaust housing. 20 INCH (308mm) LONG PARTS)

нет в наличии, поставок нет
58 0319085

Сальник, Крыльчатка Корпус to ext.. Also included in kit 391698 (SEAL, Impeller housing to ext.. Also included in kit 391698)

4 шт120 руб.
61 0324334

Винт, Удлинитель. 20 INCH (308 мм) LONG PARTS (SCREW, Extension. 20 INCH (308mm) LONG PARTS)

нет в наличии, поставок нет
61 0302820

   (последний код) SCREW

нет в наличии, поставок нет
62 0331152

Удлинитель, Редуктор. 20 INCH (308 мм) LONG PARTS (EXTENSION, Gearcase. 20 INCH (308mm) LONG PARTS)

нет в наличии, поставок нет
62 0319314

   (последний код) GRCASE-EXT

нет в наличии, поставок нет
67 0337383

Водяная трубка. 20 INCH (308 мм) LONG PARTS (WATER TUBE. 20 INCH (308mm) LONG PARTS)

нет в наличии, поставок нет
68 0342870

Пыльник водяной трубки to exh. hsg.. 25 INCH MODELS ONLY (GROMMET, Water tube to exh. hsg.. 25 INCH MODELS ONLY)

нет в наличии, поставок нет
68 0338908

   (последний код) GROMMET

нет в наличии, поставок нет
43 0337398

DRIVEВал. 25 INCH MODELS ONLY (DRIVESHAFT. 25 INCH MODELS ONLY)

нет в наличии, поставок нет
47 0337402

Переключающая тяга. 25 INCH MODELS ONLY (SHIFT ROD. 25 INCH MODELS ONLY)

нет в наличии, поставок нет
62 0395894

Удлинитель, Редуктор. 25 INCH MODELS ONLY (EXTENSION, Gearcase. 25 INCH MODELS ONLY)

нет в наличии, поставок нет
62 0393203

   (последний код) GEARCASE EXT AY

нет в наличии, поставок нет
63 0328301

Гильза, Удлинитель. 25 INCH MODELS ONLY (SLEEVE, Extension. 25 INCH MODELS ONLY)

нет в наличии, поставок нет
64 0328302

Втулка, Удлинитель. 25 INCH MODELS ONLY (BUSHING, Extension. 25 INCH MODELS ONLY)

нет в наличии, поставок нет
65 0319340

Удлинитель, Exh. hsg. to Удлинитель. 25 INCH MODELS ONLY (EXTENSION, Exh. hsg. to extension. 25 INCH MODELS ONLY)

нет в наличии, поставок нет
66 0324334

Винт, Удлинитель to exh. hsg.. 25 INCH MODELS ONLY (SCREW, Extension to exh. hsg.. 25 INCH MODELS ONLY)

нет в наличии, поставок нет
66 0302820

   (последний код) SCREW

нет в наличии, поставок нет
67 0337382

Водяная трубка. 25 INCH MODELS ONLY (WATER TUBE. 25 INCH MODELS ONLY)

нет в наличии, поставок нет
68 0342870

Пыльник водяной трубки to exh. hsg.. 25 INCH MODELS ONLY (GROMMET, Water tube to exh. hsg.. 25 INCH MODELS ONLY)

нет в наличии, поставок нет
68 0338908

   (последний код) GROMMET

нет в наличии, поставок нет
70 0391698

Ремкомплект водяного насоса (WATER PUMP REPAIR KIT)

нет в наличии, поставок нет
70 0394711

   (последний код) REPAIR-KIT

нет в наличии, поставок нет
70 0394711

Ремкомплект водяного насоса, (Includes Крыльчатка Корпус) (WATER PUMP REPAIR KIT, (Includes impeller housing))

нет в наличии, поставок нет
70 0393560

   (последний код) WATERPUMP KIT

нет в наличии, поставок нет
71 0389114

Хромированный ремкомплект водяного насоса (CHROME PUMP KIT)

нет в наличии, поставок нет
71 0394711

   (последний код) REPAIR-KIT

нет в наличии, поставок нет
72 0396350

Комплект сальников редуктора (GEARCASE SEAL KIT)

1 шт5300 руб.
evinrude

Время выполнения запроса 2.0088059902191 сек.


 
 

данный сайт носит информационный характер и не является публичной офертой

склад запчастей для водомоторной техники