|   | 
   
     
 Все разделы каталога запчастей на этот двигатель 
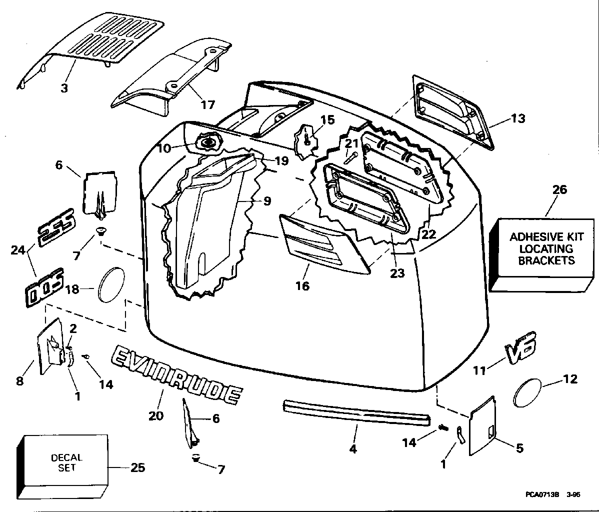
вернуться к списку узлов и деталей ДЕТАЛИРОВКА ДЛЯ МОДЕЛИ: EVINRUDE BE200CXEDR 1996 
КРЫШКА ДВИГАТЕЛЯ (КАПОТ) - EVINRUDE - 200STL, 225STL | ENGINE COVER - EVINRUDE - 200STL, 225STL; 
 
 
 
 
Номер на   рисунке | Артикул | Наименование | Кол-во   на складе | Цена |  
|  0284760  | 0284760 | Крышка двигателя (капот) в сборе., 200. Not Shown (ENGINE COVER ASSY., 200. Not Shown)  | нет в наличии, поставок нет |  
|  0284761  | 0284761 | Крышка двигателя (капот) в сборе., 225. Not Shown (ENGINE COVER ASSY., 225. Not Shown)  | нет в наличии, поставок нет |  
|  1  | 0435716 | Крючок (HOOK)  | нет в наличии, поставок нет |  
|  2  | 0323228 | Винт, Система впуска to Кронштейн (SCREW, Intake to bracket)  | нет в наличии, поставок нет |  
|  3  | 0337791 | Крышка, Air Система впуска (COVER, Air intake)  | нет в наличии, поставок нет |  
|  4  | 0337790 | Резинка капота двигателя (SEAL, Engine cover)  | нет в наличии, поставок нет |  
|  5  | 0437394 | Кронштейн, Front (BRACKET, Front)  | нет в наличии, поставок нет |  
|  5  | 0337788 |    (последний код) BRACKET,LATCH                                                                     | нет в наличии, поставок нет |  
|  6  | 0337789 | LOCATING Кронштейн, Rear (LOCATING BRACKET, Rear)  | нет в наличии, поставок нет |  
|  7  | 0324898 | Бампер, Locating Кронштейнs (BUMPER, Locating brackets)  | нет в наличии, поставок нет |  
|  8  | 0437393 | Кронштейн, Rear (BRACKET, Rear)  | нет в наличии, поставок нет |  
|  8  | 0337529 |    (последний код) BRACKET,LATC                                                                      | нет в наличии, поставок нет |  
|  9  | 0337793 | BAFFLE, Air Система впуска (BAFFLE, Air intake)  | нет в наличии, поставок нет |  
|  10  | 0317223 | Защелка, Applique (FASTENER, Applique)  | нет в наличии, поставок нет |  
|  11  | 0212470 | LENS, Front, V6 (LENS, Front, V6)  | нет в наличии, поставок нет |  
|  12  | 0212478 | LENS, Ev., front (LENS, Ev., front)  | нет в наличии, поставок нет |  
|  12  | 0212477 |    (последний код) APPLIQUE,EV                                                                       | нет в наличии, поставок нет |  
|  13  | 0341390 | LOUVER, Port (LOUVER, Port)  | нет в наличии, поставок нет |  
|  14  | 0328744 | Винт, Крючок (SCREW, Hook)  | нет в наличии, поставок нет |  
|  14  | 0308741 |    (последний код) SCREW                                                                             | нет в наличии, поставок нет |  
|  15  | 0332191 | Воздушный винт Система впуска (SCREW, Air intake)  | нет в наличии, поставок нет |  
|  16  | 0341391 | LOUVER, Stbd (LOUVER, Stbd)  | нет в наличии, поставок нет |  
|  17  | 0337528 | BAFFLE (BAFFLE)  | нет в наличии, поставок нет |  
|  18  | 0212478 | LENS, Ev., rear (LENS, Ev., rear)  | нет в наличии, поставок нет |  
|  18  | 0212477 |    (последний код) APPLIQUE,EV                                                                       | нет в наличии, поставок нет |  
|  19  | 0338482 | Сальник, Baffle (SEAL, Baffle)  | нет в наличии, поставок нет |  
|  20  | 0212479 | LENS, Ev., port & stbd. (LENS, Ev., port & stbd.)  | нет в наличии, поставок нет |  
|  20  | 0212247 |    (последний код) APPLIQUE,EVI                                                                      | нет в наличии, поставок нет |  
|  21  | 0330823 | Винт, Louver to Кронштейн (SCREW, Louver to bracket)  | нет в наличии, поставок нет |  
|  21  | 0325838 |    (последний код) SCREW                                                                             | нет в наличии, поставок нет |  
|  22  | 0341392 | Кронштейн, Port, louver (BRACKET, Port, louver)  | нет в наличии, поставок нет |  
|  23  | 0341393 | Кронштейн, Stbd., louver (BRACKET, Stbd., louver)  | нет в наличии, поставок нет |  
|  24  | 0212468 | LENS, Rear, 200 (LENS, Rear, 200)  | нет в наличии, поставок нет |  
|  24  | 0212469 | LENS, Rear, 225 (LENS, Rear, 225)  | нет в наличии, поставок нет |  
|  25  | 0284889 | Комплект наклеек, 200 (DECAL SET, 200)  | нет в наличии, поставок нет |  
|  25  | 0284891 | Комплект наклеек, 225 (DECAL SET, 225)  | нет в наличии, поставок нет |  
|  26  | 0431929 | ADHESIVE KIT, Locating Кронштейнs (ADHESIVE KIT, Locating brackets)  | нет в наличии, поставок нет |  
 
 
 Время выполнения запроса 0.47737002372742 сек.     
    | 
     |