вконтакте

Контактный телефон: +7 (981) 121-46-93, +7 (800) 200-90-76 , Email: parts-katalog@yandex.ru, где купить

 
 

  Логин:

Пароль:

Регистрация

www.partskatalog.ru Все каталоги Запчасти Mercury Запчасти Suzuki Запчасти Tohatsu Запчасти Honda Контакты


Все разделы каталога запчастей на этот двигатель

назад Раздел:   вперёд

вернуться к списку узлов и деталей

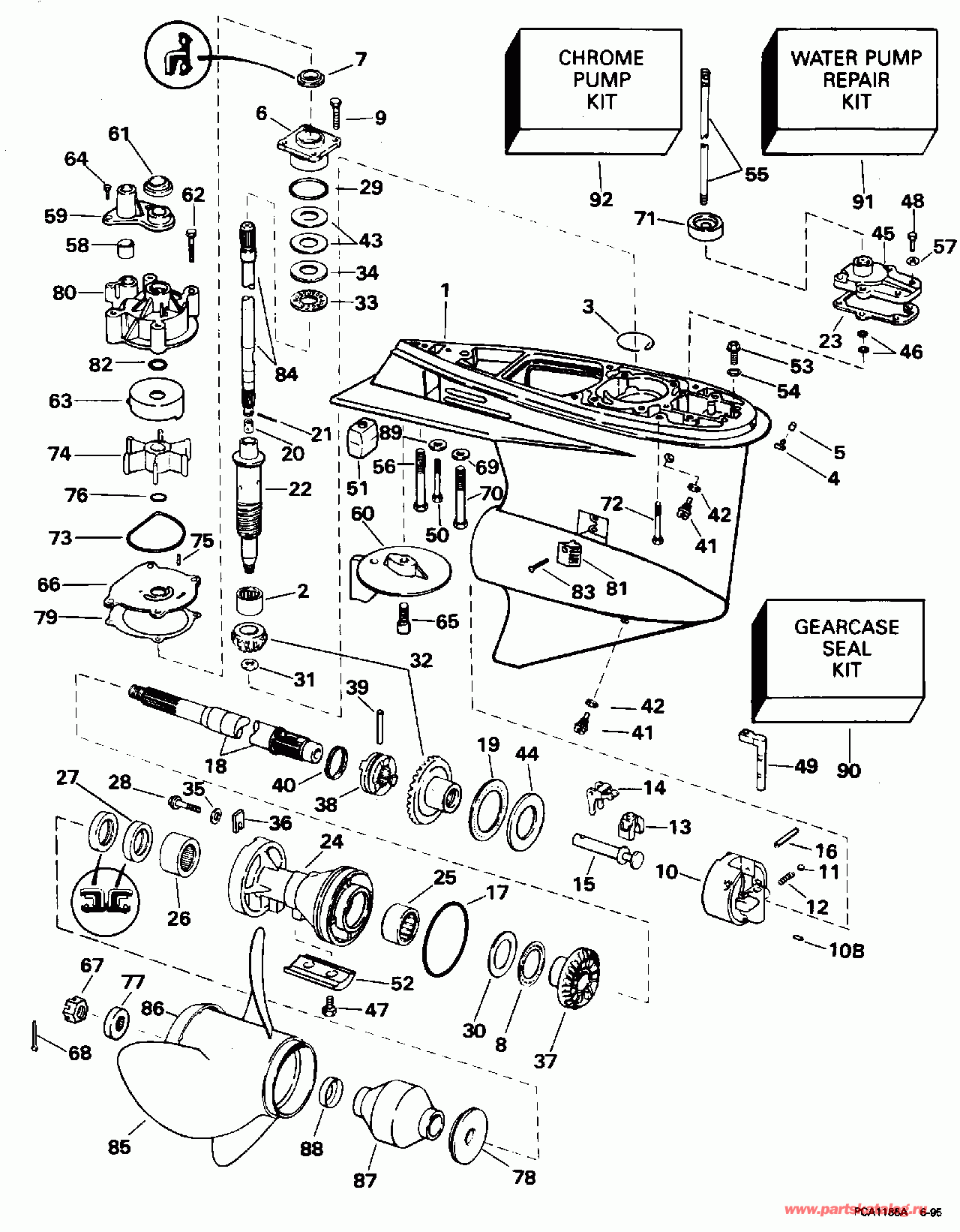
ДЕТАЛИРОВКА ДЛЯ МОДЕЛИ: EVINRUDE L115GLEDC 1996

РЕДУКТОР - 20 ДЮЙМ MODELS | GEARCASE - 20 IN. MODELS;


Подвесной лодочный мотор Эвинруд L115GLEDC 1996  - 20 In. Models / 20 дюйм Models

Номер на
рисунке
АртикулНаименованиеКол-во
на складе
Цена
0436771 0436771

Редуктор в сборе., комплект. Not Shown Models with Pitot Трубка (115GL) (GEARCASE ASSY., Complete. Not Shown Models with Pitot Tube (115GL))

нет в наличии, поставок нет
0436771 5004632

   (последний код) GCASE AY,STINGRAY

нет в наличии, поставок нет
0436772 0436772

Редуктор в сборе., комплект. Not Shown Models without Pitot Трубка (GEARCASE ASSY., Complete. Not Shown Models without Pitot Tube)

нет в наличии, поставок нет
0436772 5004632

   (последний код) GCASE AY,STINGRAY

нет в наличии, поставок нет
1 0437140

Редуктор в сборе с подшипником.. Models with Pitot Трубка (115GL) (GEARCASE & BEARING ASSY.. Models with Pitot Tube (115GL))

нет в наличии, поставок нет
1 5006312

   (последний код) G-CASE &BRG AY "S"

нет в наличии, поставок нет
1 0437141

Редуктор в сборе с подшипником.. Models without Pitot Трубка (GEARCASE & BEARING ASSY.. Models without Pitot Tube)

нет в наличии, поставок нет
1 5006312

   (последний код) G-CASE &BRG AY "S"

нет в наличии, поставок нет
2 0384195

Подшипник, Шестерня (BEARING, Pinion)

нет в наличии, поставок нет
3 0340493

Стопорное кольцо (RETAINING RING)

нет в наличии, поставок нет
4 0336535

Ниппель, Pitot Трубка. Models with Pitot Трубка (115GL) (NIPPLE, Pitot tube. Models with Pitot Tube (115GL))

7 шт470 руб.
5 0305749

Заглушка, Ниппель. Models with Pitot Трубка (115GL) (PLUG, Nipple. Models with Pitot Tube (115GL))

нет в наличии, поставок нет
6 0437215

Подшипник Корпус & Сальник (BEARING HOUSING & SEAL)

нет в наличии, поставок нет
6 0439476

   (последний код) DS BRG HSG&SEAL AY

нет в наличии, поставок нет
7 0341280

Сальник, DriveВал, верхний (SEAL, Driveshaft, upper)

нет в наличии, поставок нет
8 0382408

THRUST Подшипник, Reverse Шестерня (THRUST BEARING, Reverse gear)

нет в наличии, поставок нет
9 0317624

Винт, Корпус to Редуктор (SCREW, Housing to gearcase)

нет в наличии, поставок нет
10 0391365

Корпус & Подшипник в сборе. (HOUSING & BEARING ASSY.)

нет в наличии, поставок нет
10 0984096

   (последний код) BEARING HOUSING

нет в наличии, поставок нет
10B 0331880

Штифт, Корпус (PIN, Housing)

нет в наличии, поставок нет
11 0327345

Шарик, Detent (BALL, Detent)

нет в наличии, поставок нет
12 0911961

Фиксатор пружины (SPRING, Detent)

нет в наличии, поставок нет
13 0334163

CRADLE, Переключательer (CRADLE, Shifter)

5 шт1880 руб.
13 0322900

   (последний код) CRADLE-SHIFT

нет в наличии, поставок нет
14 0324037

Рычаг переключателя (LEVER, Shift)

8 шт3700 руб.
15 0322941

Вал (SHAFT)

нет в наличии, поставок нет
16 0320145

Штифт, Рычаг переключения (PIN, Shift lever)

нет в наличии, поставок нет
16 0323945

   (последний код) PIN-SHIFTER

нет в наличии, поставок нет
17 0313446

Уплотнительное кольцо, Вал гребного винта (O-RING, Propeller shaft)

нет в наличии, поставок нет
18 0436834

Вал гребного винта в сборе. (PROPELLER SHAFT ASSY.)

нет в наличии, поставок нет
18 5006310

   (последний код) SHAFT AY,PRO

нет в наличии, поставок нет
19 0385043

THRUST BRG. в сборе., Fwd. Шестерня (THRUST BRG. ASSY., Fwd. gear)

нет в наличии, поставок нет
19 3852221

   (последний код) BEARING-AY,T

нет в наличии, поставок нет
20 0338504

Фиксатор приводного вала (RETAINER, Driveshaft)

нет в наличии, поставок нет
21 0311538

Штифт, DriveВал (PIN, Driveshaft)

нет в наличии, поставок нет
22 0340489

DRIVEВал, нижний (DRIVESHAFT, Lower)

нет в наличии, поставок нет
22 0346004

   (последний код) DRIVESHAFT,LOWER

нет в наличии, поставок нет
23 0324670

Прокладка, Переключающая тяга Крышка (GASKET, Shift rod cover)

нет в наличии, поставок нет
23 0352165

   (последний код) GASKET

2 шт550 руб.
24 0436832

Подшипник Корпус Сальник в сборе. (BEARING HOUSING SEAL ASSY.)

нет в наличии, поставок нет
24 5000440

   (последний код) HSG AY,PROPSHAFT

нет в наличии, поставок нет
25 0382407

Игольчатый подшипник в сборе. (NEEDLE BEARING ASSY.)

1 шт5500 руб.
26 0379504

Игольчатый подшипник в сборе. (NEEDLE BEARING ASSY.)

нет в наличии, поставок нет
27 0330137

Сальник (SEAL)

17 шт3700 руб.
27 0321668

   (последний код) SEAL-CRNKSHF

нет в наличии, поставок нет
27 T-0330137

   (не оригинальный аналог) Сальник редуктора OMC/Johnson/Evinrude 0330137

под заказ штпо запросу
28 0341541

Винт (SCREW)

нет в наличии, поставок нет
29 0314728

Уплотнительное кольцо, DriveВал Подшипник (O-RING, Driveshaft bearing)

нет в наличии, поставок нет
29 0354731

   (последний код) O-RING

1 шт850 руб.
30 0314731

THRUST Шайба шестерни заднего хода (THRUST WASHER, Reverse gear)

нет в наличии, поставок нет
31 0314730

Гайка, Шестерня to driveВал (NUT, Pinion to driveshaft)

нет в наличии, поставок нет
32 0436746

Шестерня & Комплект шестерёнок. (GEAR & PINION ASSY.)

1 шт47700 руб.
32 0434063

   (последний код) GEARSET,MATCHED

нет в наличии, поставок нет
33 0387656

THRUST Подшипник, Шестерня (THRUST BEARING, Pinion)

нет в наличии, поставок нет
33 0383248

   (последний код) BEARING

нет в наличии, поставок нет
34 0327656

Упорная шайба шестерни Шестерня (THRUST WASHER, Pinion)

нет в наличии, поставок нет
34 0314729

   (последний код) THRUST-WASHE

нет в наличии, поставок нет
35 0328743

Шайба, Винт, tab (WASHER, Screw, tab)

нет в наличии, поставок нет
35 3852191

   (последний код) WASHER

нет в наличии, поставок нет
36 0333957

TAB, Фиксатор (TAB, Retainer)

нет в наличии, поставок нет
37 0340490

Шестерня обратного хода (GEAR, Reverse)

нет в наличии, поставок нет
37 0345992

   (последний код) GEAR,REVERSE V4

нет в наличии, поставок нет
38 0323664

Переключатель собачки сцепления (SHIFTER, Clutch dog)

нет в наличии, поставок нет
38 0341517

   (последний код) TER,CLUTCH-D

нет в наличии, поставок нет
39 0313448

Штифт сцепления dog (PIN, Clutch dog)

нет в наличии, поставок нет
40 0324369

Пружина, Сцепление dog Штифт (SPRING, Clutch dog pin)

нет в наличии, поставок нет
40 0313454

   (последний код) SPRING

нет в наличии, поставок нет
41 0318544

Заглушка, Fill & drain (PLUG, Fill & drain)

нет в наличии, поставок нет
41 0912624

   (последний код) SCREW

нет в наличии, поставок нет
42 0311598

Шайба (WASHER)

нет в наличии, поставок нет
42 3852105

   (последний код) WASHER

нет в наличии, поставок нет
43 0323362

Регулировочная шайба, 0.003 дюйм (0, 07 мм) (SHIM, 0.003 in. (0,07mm))

нет в наличии, поставок нет
43 0323361

Регулировочная шайба, 0.004 дюйм (0, 10 мм) (SHIM, 0.004 in. (0,10mm))

нет в наличии, поставок нет
43 0314745

Регулировочная шайба, 0.005 дюйм (0, 12 мм) (SHIM, 0.005 in. (0,12mm))

нет в наличии, поставок нет
44 0324766

Упорная шайба, дляward Шестерня (THRUST WASHER, Forward gear)

нет в наличии, поставок нет
45 0435482

Крышка & Сальник в сборе. (COVER & SEAL ASSY.)

нет в наличии, поставок нет
45 5006241

   (последний код) COVER AY,SHIFT ROD

нет в наличии, поставок нет
46 0318372

Уплотнительное кольцо, Переключающая тяга (O-RING, Shift rod)

нет в наличии, поставок нет
47 0908158

Винт, Анод (SCREW, Anode)

нет в наличии, поставок нет
47 3852050

   (последний код) SCREW

нет в наличии, поставок нет
48 0302325

Винт, Крышка (SCREW, Cover)

нет в наличии, поставок нет
49 0323946

DETENT, Переключательer (DETENT, Shifter)

нет в наличии, поставок нет
49 0915954

   (последний код) DETENT

нет в наличии, поставок нет
50 0341219

Винт, Анод (SCREW, Anode)

нет в наличии, поставок нет
51 0436745

Анод (ANODE)

нет в наличии, поставок нет
51 0393023

   (последний код) ANODE&INSERT AY

нет в наличии, поставок нет
52 0431708

Анод, Подшипник Корпус (ANODE, Bearing housing)

нет в наличии, поставок нет
52 0397111

   (последний код) ANODE-AY

нет в наличии, поставок нет
53 0341220

Винт, Pitot Трубка Заглушка. Models with Pitot Трубка (115GL) (SCREW, Pitot tube plug. Models with Pitot Tube (115GL))

нет в наличии, поставок нет
54 0437330

Шайба & Сальник, Заглушка. Models with Pitot Трубка (115GL) (WASHER & SEAL, Plug. Models with Pitot Tube (115GL))

нет в наличии, поставок нет
55 0335509

Переключающая тяга (SHIFT ROD)

нет в наличии, поставок нет
56 0331999

Винт, Редуктор, rear (SCREW, Gearcase, rear)

нет в наличии, поставок нет
56 0910457

   (последний код) SCREW

нет в наличии, поставок нет
57 0328702

Шайба (WASHER)

нет в наличии, поставок нет
57 3852183

   (последний код) WASHER

нет в наличии, поставок нет
58 0314008

Пыльник водяной трубки. Included in Ремкомплект водяного насоса (GROMMET, Water tube. Included in Water Pump Repair Kit)

нет в наличии, поставок нет
59 0338893

Колпак крыльчатки Корпус. Included in Ремкомплект водяного насоса (COVER, Impeller housing. Included in Water Pump Repair Kit)

нет в наличии, поставок нет
59 0321159

   (последний код) COVER-IMP-HS

нет в наличии, поставок нет
60 0327640

Пластина трима, Редуктор (TRIM TAB, Gearcase)

нет в наличии, поставок нет
60 0338742

   (последний код) TAB,TRIM-STD

нет в наличии, поставок нет
60 0338742

Пластина трима, Редуктор. 90, 115SL Only (TRIM TAB, Gearcase. 90, 115SL Only)

нет в наличии, поставок нет
60 0327810

   (последний код) TRIM TAB

нет в наличии, поставок нет
61 0320943

Пыльник, Крыльчатка Корпус. Included in Ремкомплект водяного насоса (GROMMET, Impeller housing. Included in Water Pump Repair Kit)

1 шт300 руб.
62 0302325

Винт, Крыльчатка Корпус, 1 дюйм. Included in Ремкомплект водяного насоса (SCREW, Impeller housing, 1 in.. Included in Water Pump Repair Kit)

нет в наличии, поставок нет
63 0338486

Cвыше, Крыльчатка. Stainless Steel Included in Ремкомплект водяного насоса (CUP, Impeller. Stainless Steel Included in Water Pump Repair Kit)

нет в наличии, поставок нет
63 0338551

Cвыше, Крыльчатка Корпус. хромированная пластина (CUP, Impeller housing. Chrome Plated)

нет в наличии, поставок нет
64 0306643

Винт, Крышка to Крыльчатка. Included in Ремкомплект водяного насоса (SCREW, Cover to impeller. Included in Water Pump Repair Kit)

нет в наличии, поставок нет
64 3852066

   (последний код) SCREW

нет в наличии, поставок нет
65 0313715

Винт, Пластина трима (SCREW, Trim tab)

нет в наличии, поставок нет
66 0338485

Пластина корпуса крыльчатки. Stainless Steel Included in Ремкомплект водяного насоса (PLATE, Impeller housing. Stainless Steel Included in Water Pump Repair Kit)

нет в наличии, поставок нет
66 0338552

Пластина корпуса крыльчатки. хромированная пластина (PLATE, Impeller housing. Chrome Plated)

нет в наличии, поставок нет
67 0314503

Гайка гребного винта (NUT, Propeller)

нет в наличии, поставок нет
68 0314502

Шплинт, Гайка гребного винта (COTTER PIN, Propeller nut)

нет в наличии, поставок нет
69 0330265

Шайба, Винт, long (WASHER, Screw, long)

нет в наличии, поставок нет
70 0331998

Винт, Редуктор to Корпус (SCREW, Gearcase to housing)

нет в наличии, поставок нет
70 0914535

   (последний код) SCREW

нет в наличии, поставок нет
71 0321008

Пыльник, Exh. hsg. to shft Тяга. Included in Ремкомплект водяного насоса (GROMMET, Exh. hsg. to shft rod. Included in Water Pump Repair Kit)

нет в наличии, поставок нет
72 0331999

Винт, Редуктор to Корпус (SCREW, Gearcase to housing)

нет в наличии, поставок нет
72 0910457

   (последний код) SCREW

нет в наличии, поставок нет
73 0331353

Сальник, Крыльчатка Корпус Пластина. Included in Ремкомплект водяного насоса (SEAL, Impeller housing plate. Included in Water Pump Repair Kit)

1 шт790 руб.
74 0435821

Крыльчатка & CAM в сборе.. Included in Ремкомплект водяного насоса (IMPELLER & CAM ASSY.. Included in Water Pump Repair Kit)

нет в наличии, поставок нет
74 5001593

   (последний код) KIT AY,IMPELLER

нет в наличии, поставок нет
75 0331107

CAM, Крыльчатка. Included in Ремкомплект водяного насоса (CAM, Impeller. Included in Water Pump Repair Kit)

нет в наличии, поставок нет
76 0302035

Уплотнительное кольцо. Included in Ремкомплект водяного насоса (O-RING. Included in Water Pump Repair Kit)

нет в наличии, поставок нет
77 0315810

Проставка гайки гребного винта (SPACER, Propeller nut)

нет в наличии, поставок нет
78 0127084

Упорная втулка, 3-blade (THRUST BUSHING, 3-blade)

нет в наличии, поставок нет
78 0384574

   (последний код) BUSHING

нет в наличии, поставок нет
78 0127212

Упорная втулка, 4-blade (THRUST BUSHING, 4-blade)

нет в наличии, поставок нет
79 0338484

Прокладка крыльчатки hsg. Пластина. Included in Ремкомплект водяного насоса (GASKET, Impeller hsg. plate. Included in Water Pump Repair Kit)

нет в наличии, поставок нет
79 0324701

   (последний код) GASKET,-DRL5

нет в наличии, поставок нет
80 0435990

Крыльчатка Корпус, Редуктор. Included in Ремкомплект водяного насоса (IMPELLER HOUSING, Gearcase. Included in Water Pump Repair Kit)

нет в наличии, поставок нет
80 0435959

Крыльчатка Корпус, Редуктор. Included in Ремкомплект водяного насоса 90, 115SL Only (IMPELLER HOUSING, Gearcase. Included in Water Pump Repair Kit 90, 115SL Only)

нет в наличии, поставок нет
81 0340495

Водяной экран Система впуска (SCREEN, Water intake)

нет в наличии, поставок нет
81 0337778

Водяной экран Система впуска. 90, 115SL Only (SCREEN, Water intake. 90, 115SL Only)

нет в наличии, поставок нет
82 0331188

Уплотнительное кольцо, Крыльчатка. Included in Ремкомплект водяного насоса (O-RING, Impeller. Included in Water Pump Repair Kit)

5 шт370 руб.
83 0340665

Винт, Water Система впуска screens (SCREW, Water intake screens)

нет в наличии, поставок нет
84 0435768

Приводной вал., верхний (Incl #20 & 21) (DRIVESHAFT ASSY., Upper (Incl #20 & 21))

нет в наличии, поставок нет
84 5000615

   (последний код) KIT,UPPER D/S-20"

нет в наличии, поставок нет
85 0

Гребной винт. Refer to OMC SysteMatched Parts & Аксессуары Catalog для Гребной винт Chart. (PROPELLER. Refer to OMC SysteMatched Parts & Accessories Catalog for Propeller Chart.)

нет в наличии, поставок нет
86 0332393

CONVERGING Кольцо, Гребной винт (CONVERGING RING, Propeller)

нет в наличии, поставок нет
86 0325996

   (последний код) CONVERGING RING

нет в наличии, поставок нет
87 0384977

Втулка в сборе., Prop. (BUSHING ASSY., Prop.)

нет в наличии, поставок нет
88 0313926

Гильза, Втулка (SLEEVE, Bushing)

нет в наличии, поставок нет
88 3850831

   (последний код) SLEEVE-PROP

нет в наличии, поставок нет
89 0307161

Блокирующая шайба анода (LOCK WASHER, Anode)

нет в наличии, поставок нет
90 0437752

Комплект сальников редуктора (GEARCASE SEAL KIT)

нет в наличии, поставок нет
90 5006373

   (последний код) KIT AY,SEAL-GC

нет в наличии, поставок нет
91 0434421

Ремкомплект водяного насоса (Includes Крыльчатка hous ng) (WATER PUMP REPAIR KIT (Includes impeller hous ng))

нет в наличии, поставок нет
91 5001594

   (последний код) KIT AY,WATER PUMP

нет в наличии, поставок нет
91 T-5001594

   (не оригинальный аналог) Ремкомплект насоса охлаждения Evinrude-Johnson 5001594

2 шт штпо запросу
91 0435929

Ремкомплект водяного насоса (Includes Крыльчатка hous ng) 90, 115SL Only (WATER PUMP REPAIR KIT (Includes impeller hous ng). 90, 115SL Only)

нет в наличии, поставок нет
91 5001595

   (последний код) KIT AY,WATER PUMP

нет в наличии, поставок нет
92 0435526

Хромированный ремкомплект водяного насоса (Inc. imp. hsg.) (CHROME PUMP KIT (Inc. imp. hsg.))

нет в наличии, поставок нет
92 0395059

   (последний код) CHROME PUMP KIT

нет в наличии, поставок нет
evinrude

Время выполнения запроса 2.5932791233063 сек.


 
 

данный сайт носит информационный характер и не является публичной офертой

склад запчастей для водомоторной техники