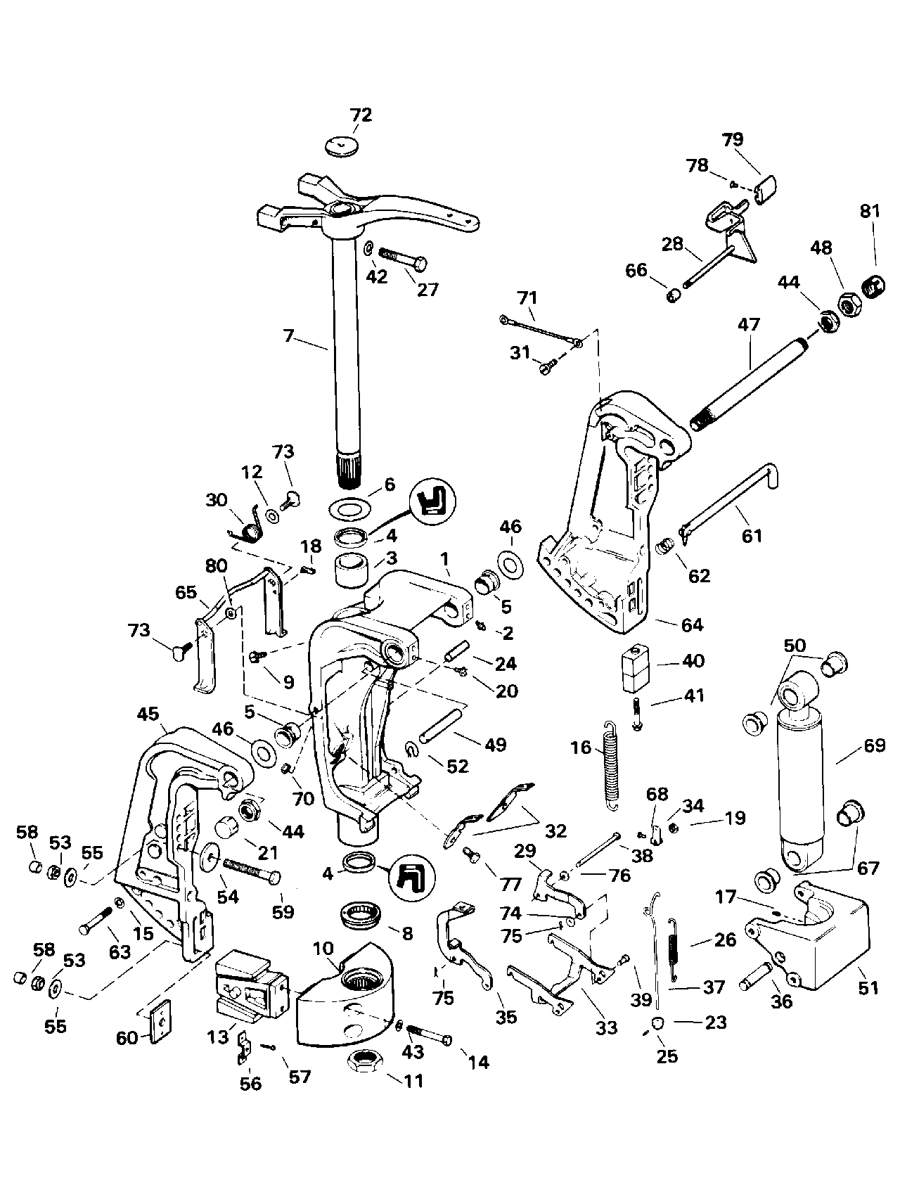
Номер на рисунке | Артикул | Наименование | Кол-во на складе | Цена |
| 1 | 0432708 | Поворотный кронштейн (SWIVEL BRACKET) | нет в наличии, поставок нет |
| 1 | 0398935 | (последний код) SWIVEL-BRKT | нет в наличии, поставок нет |
| 2 | 0313607 | LUBRICATION FITTING (LUBRICATION FITTING) | нет в наличии, поставок нет |
| 2 | 3852121 | (последний код) FITTING,LUB | нет в наличии, поставок нет |
| 3 | 0320962 | Втулка (BUSHING) | нет в наличии, поставок нет |
| 4 | 0320937 | Сальник (SEAL) | нет в наличии, поставок нет |
| 5 | 0321035 | Втулка, Поворотный кронштейн (BUSHING, Swivel bracket) | нет в наличии, поставок нет |
| 6 | 0320866 | THRUST Опорная шайба Вал (THRUST WASHER, Pivot shaft) | нет в наличии, поставок нет |
| 7 | 0392518 | Рулевая система Рычаг в сборе. (STEERING ARM ASSY.) | нет в наличии, поставок нет |
| 7 | 0983289 | (последний код) STEERING ARM | нет в наличии, поставок нет |
| 8 | 0327696 | KEEPER, Стержень Вал (KEEPER, Pivot shaft) | нет в наличии, поставок нет |
| 9 | 0306014 | Винт, Заземление lead (SCREW, Ground lead) | нет в наличии, поставок нет |
| 10 | 0339305 | Монтажный кронштейн (MOUNT BRACKET) | нет в наличии, поставок нет |
| 10 | 0340006 | (последний код) BRACKET,MOUN | нет в наличии, поставок нет |
| 11 | 0320746 | Гайка, Монтажный кронштейн (NUT, Mount bracket) | нет в наличии, поставок нет |
| 12 | 0553766 | Волнистая шайба, Винт to lvr., port (WAVE WASHER, Screw to lvr., port) | нет в наличии, поставок нет |
| 12 | 0123886 | (последний код) SPRING-WASHE | нет в наличии, поставок нет |
| 13 | 0434631 | RUBBER Крепление нижнее (RUBBER MOUNT, Lower) | нет в наличии, поставок нет |
| 13 | 0391709 | (последний код) RUBBER MOUNT | нет в наличии, поставок нет |
| 14 | 0328078 | Винт, Крепление (SCREW, Mount) | нет в наличии, поставок нет |
| 14 | 0327052 | (последний код) SCREW | нет в наличии, поставок нет |
| 15 | 0307708 | Шайба с блокировкой (LOCK WASHER) | нет в наличии, поставок нет |
| 15 | 0302865 | (последний код) LOCKWASHER | нет в наличии, поставок нет |
| 16 | 0321920 | Пружина блокировки задней передачи (SPRING, Reverse lock) | нет в наличии, поставок нет |
| 17 | 0909676 | Установочный винт, Проставка to Стержень (SET SCREW, Spacer to pivot) | нет в наличии, поставок нет |
| 18 | 0332697 | Фиксатор пружины (RETAINER, Spring) | нет в наличии, поставок нет |
| 19 | 0332690 | Проставка, Tilt lock Вал (SPACER, Tilt lock shaft) | нет в наличии, поставок нет |
| 20 | 0328724 | Винт, Поворотный кронштейн (SCREW, Swivel bracket) | нет в наличии, поставок нет |
| 20 | 3852186 | (последний код) SCREW | нет в наличии, поставок нет |
| 21 | 0317894 | Колпачок, Tilt Трубка (CAP, Tilt tube) | нет в наличии, поставок нет |
| 21 | 3852150 | (последний код) CAP | нет в наличии, поставок нет |
| 23 | 0332693 | Воротник блокировки реверса release (COLLAR, Reverse lock release) | нет в наличии, поставок нет |
| 24 | 0312863 | Штифт, Trail lock Рычаг stop (PIN, Trail lock lever stop) | нет в наличии, поставок нет |
| 25 | 0304221 | Винт, Воротник (SCREW, Collar) | нет в наличии, поставок нет |
| 26 | 0332689 | Пружина, Trail lock return (SPRING, Trail lock return) | нет в наличии, поставок нет |
| 27 | 0335612 | Винт, верхний Крепление (SCREW, Upper mount) | нет в наличии, поставок нет |
| 27 | 0328692 | (последний код) SCREW | нет в наличии, поставок нет |
| 28 | 0397730 | Рычаг и Вал (LEVER AND SHAFT) | нет в наличии, поставок нет |
| 29 | 0332875 | Соединитель, Блокировка задней передачи, port (LINK, Reverse lock, port) | нет в наличии, поставок нет |
| 30 | 0332698 | Пружина, Trail lock (SPRING, Trail lock) | нет в наличии, поставок нет |
| 30 | 0349180 | (последний код) SPRING | нет в наличии, поставок нет |
| 31 | 0306014 | Винт, Заземление lead (SCREW, Ground lead) | нет в наличии, поставок нет |
| 32 | 0334345 | Фиксатор, Lock Пружина (RETAINER, Lock spring) | нет в наличии, поставок нет |
| 32 | 0323594 | (последний код) RETAINER-REV | нет в наличии, поставок нет |
| 33 | 0321750 | LOCKING Рычаг, Блокировка задней передачи (LOCKING LEVER, Reverse lock) | нет в наличии, поставок нет |
| 34 | 0332691 | BELLКривошип, Releasing Тяга (BELLCRANK, Releasing rod) | нет в наличии, поставок нет |
| 35 | 0332687 | Соединитель, Блокировка задней передачи, stbd. (LINK, Reverse lock, stbd.) | нет в наличии, поставок нет |
| 36 | 0321695 | Штифт, Shock absorber, нижний (PIN, Shock absorber, lower) | нет в наличии, поставок нет |
| 37 | 0332692 | Тяга, Блокировка задней передачи release (ROD, Reverse lock release) | нет в наличии, поставок нет |
| 38 | 0321592 | Штифт тяги to Поворотный кронштейн (PIN, Link to swivel bracket) | нет в наличии, поставок нет |
| 39 | 0321591 | Штифт тяги to locking Рычаг (PIN, Link to locking lever) | нет в наличии, поставок нет |
| 40 | 0433458 | Анод, Кронштейн транца (ANODE, Stern bracket) | нет в наличии, поставок нет |
| 40 | 0398331 | (последний код) ANODE & INSERT AY | нет в наличии, поставок нет |
| 41 | 0333350 | Винт (SCREW) | нет в наличии, поставок нет |
| 42 | 0313169 | Шайба с блокировкой, Крепление Винт (LOCK WASHER, Mount screw) | нет в наличии, поставок нет |
| 43 | 0306314 | Шайба с блокировкой, Монтажный кронштейн (LOCK WASHER, Mount bracket) | нет в наличии, поставок нет |
| 44 | 0323599 | Гайка, Tilt Трубка (NUT, Tilt tube) | нет в наличии, поставок нет |
| 44 | 0316828 | (последний код) NUT | нет в наличии, поставок нет |
| 45 | 0395844 | Кронштейн транца, Starboard (STERN BRACKET, Starboard) | нет в наличии, поставок нет |
| 45 | 0397948 | (последний код) STERN-BRKT | нет в наличии, поставок нет |
| 46 | 0910992 | Упорная шайба, Кронштейн транца (THRUST WASHER, Stern bracket) | нет в наличии, поставок нет |
| 46 | 0327699 | (последний код) THRUST-WASHE | нет в наличии, поставок нет |
| 47 | 0321052 | TILT Трубка (TILT TUBE) | нет в наличии, поставок нет |
| 48 | 0322376 | WIPER Гайка, Tilt Трубка to Кабели. Recommended to prevent corrosion in salt water usage. (WIPER NUT, Tilt tube to cable. Recommended to prevent corrosion in salt water usage.) | нет в наличии, поставок нет |
| 49 | 0320792 | Штифт, Цилиндр наклона (PIN, Tilt cylinder) | нет в наличии, поставок нет |
| 50 | 0322481 | Втулка, Цилиндр наклона (BUSHING, Tilt cylinder) | нет в наличии, поставок нет |
| 50 | 0320941 | (последний код) BUSHING | нет в наличии, поставок нет |
| 51 | 0329519 | Проставка, Кронштейн транца (SPACER, Stern bracket) | нет в наличии, поставок нет |
| 51 | 0326689 | (последний код) SPACER | нет в наличии, поставок нет |
| 52 | 0321054 | Пружина Зажим (SPRING CLIP) | нет в наличии, поставок нет |
| 53 | 0313623 | Гайка, Кронштейн транца Винт (NUT, Stern bracket screw) | нет в наличии, поставок нет |
| 53 | 0321861 | (последний код) NUT | нет в наличии, поставок нет |
| 54 | 0307238 | Шайба, Гайка (WASHER, Nut) | нет в наличии, поставок нет |
| 55 | 0320248 | Шайба (WASHER) | нет в наличии, поставок нет |
| 55 | 0312910 | (последний код) WASHER | нет в наличии, поставок нет |
| 56 | 0318273 | Фиксатор (RETAINER) | нет в наличии, поставок нет |
| 57 | 0319886 | Винт (SCREW) | нет в наличии, поставок нет |
| 58 | 0318572 | Монтажная крышка Винтs (CAP, Mounting screws) | нет в наличии, поставок нет |
| 59 | 0318573 | Винт, Кронштейн to transom, 3 1 / 2 дюйм (82 мм) (SCREW, Bracket to transom, 3 1/2 in. (82mm)) | нет в наличии, поставок нет |
| 59 | 3852153 | (последний код) BOLT | нет в наличии, поставок нет |
| 59 | 0331578 | Винт, Кронштейн to transom, 5 дюйм (127 мм) (SCREW, Bracket to transom, 5 in. (127mm)) | нет в наличии, поставок нет |
| 59 | 0321577 | Винт, Кронштейн to transom, 6 дюйм (152 мм) (SCREW, Bracket to transom, 6 in. (152mm)) | нет в наличии, поставок нет |
| 59 | 0336676 | Винт, Кронштейн to transom, 4 3 / 4 дюйм (121 мм) (SCREW, Bracket to transom, 4 3/4 in. (121mm)) | нет в наличии, поставок нет |
| 59 | 0336675 | (последний код) BOLT | нет в наличии, поставок нет |
| 59 | 0327053 | Винт, Кронштейн to transom, 3 дюйм (76 мм) (SCREW, Bracket to transom, 3 in. (76mm)) | нет в наличии, поставок нет |
| 60 | 0318272 | Пластина (PLATE) | нет в наличии, поставок нет |
| 61 | 0436541 | Упорный стержень в сборе. (THRUST ROD ASSY.) | нет в наличии, поставок нет |
| 61 | 0387278 | (последний код) TH-ROD&RETAI | нет в наличии, поставок нет |
| 62 | 0321053 | Пружина, Стержень тяги (SPRING, Thrust rod) | нет в наличии, поставок нет |
| 63 | 0552968 | Винт, Проставка to strn brkt., 1 7 / 16 дюйм (SCREW, Spacer to strn brkt., 1 7/16 in.) | нет в наличии, поставок нет |
| 63 | 0321675 | (последний код) SCREW | нет в наличии, поставок нет |
| 63 | 0318612 | Винт, Проставка to strn brkt., 2 3 / 4 дюйм (SCREW, Spacer to strn brkt., 2 3/4 in.) | нет в наличии, поставок нет |
| 63 | 0321737 | (последний код) SCREW | нет в наличии, поставок нет |
| 64 | 0396309 | Кронштейн транца в сборе., Port (STERN BRACKET ASSY., Port) | нет в наличии, поставок нет |
| 64 | 0395843 | (последний код) STERN-BRACKE | нет в наличии, поставок нет |
| 65 | 0390442 | LOCKING Рычаг, Тяга (LOCKING LEVER, Rod) | нет в наличии, поставок нет |
| 65 | 5004427 | (последний код) LEVER&ROD AY | нет в наличии, поставок нет |
| 66 | 0332688 | Проставка, Tilt lock Вал (SPACER, Tilt lock shaft) | нет в наличии, поставок нет |
| 67 | 0321246 | Втулка, Цилиндр наклона (BUSHING, Tilt cylinder) | нет в наличии, поставок нет |
| 68 | 0319108 | Винт, BellКривошип (SCREW, Bellcrank) | нет в наличии, поставок нет |
| 68 | 0311512 | (последний код) SCREW | нет в наличии, поставок нет |
| 69 | 0387792 | SHOCK ABSORBER в сборе. (SHOCK ABSORBER ASSY.) | нет в наличии, поставок нет |
| 70 | 0552938 | Гайка (NUT) | нет в наличии, поставок нет |
| 70 | 0306319 | (последний код) NUT | нет в наличии, поставок нет |
| 71 | 0584120 | LEAD в сборе., Заземление Поворотный кронштейн (LEAD ASSY., Ground swivel bracket) | нет в наличии, поставок нет |
| 72 | 0322302 | Сальник, Переключающая тяга (SEAL, Shift rod) | нет в наличии, поставок нет |
| 72 | 0321361 | (последний код) SEAL | нет в наличии, поставок нет |
| 73 | 0329109 | SHOULDER Винт (SHOULDER SCREW) | нет в наличии, поставок нет |
| 73 | 0321389 | (последний код) HH-SHOULDER | нет в наличии, поставок нет |
| 74 | 0303887 | Шайба, Блокировка задней передачи Штифт (WASHER, Reverse lock pin) | нет в наличии, поставок нет |
| 75 | 0333774 | Зажим, Штифт (CLIP, PIN) | нет в наличии, поставок нет |
| 76 | 0204757 | Пружинная шайба (SPRING WASHER) | нет в наличии, поставок нет |
| 77 | 0123077 | Винт, Фиксатор to Кронштейн (SCREW, Retainer to bracket) | нет в наличии, поставок нет |
| 78 | 0318238 | Винт, Ручка (SCREW, Knob) | нет в наличии, поставок нет |
| 79 | 0329012 | Ручка наклона lock (KNOB, Tilt lock) | нет в наличии, поставок нет |
| 79 | 0318157 | (последний код) KNOB | нет в наличии, поставок нет |
| 80 | 0552993 | Шайба, Винт to Кронштейн (WASHER, Screw to bracket) | нет в наличии, поставок нет |
| 80 | 0330266 | (последний код) WASHER | нет в наличии, поставок нет |
| 81 | 0337586 | WIPER Гайка (WIPER NUT) | нет в наличии, поставок нет |
| 81 | 0983678 | (последний код) NUT & WIPER | нет в наличии, поставок нет |