Номер на рисунке | Артикул | Наименование | Кол-во на складе | Цена |
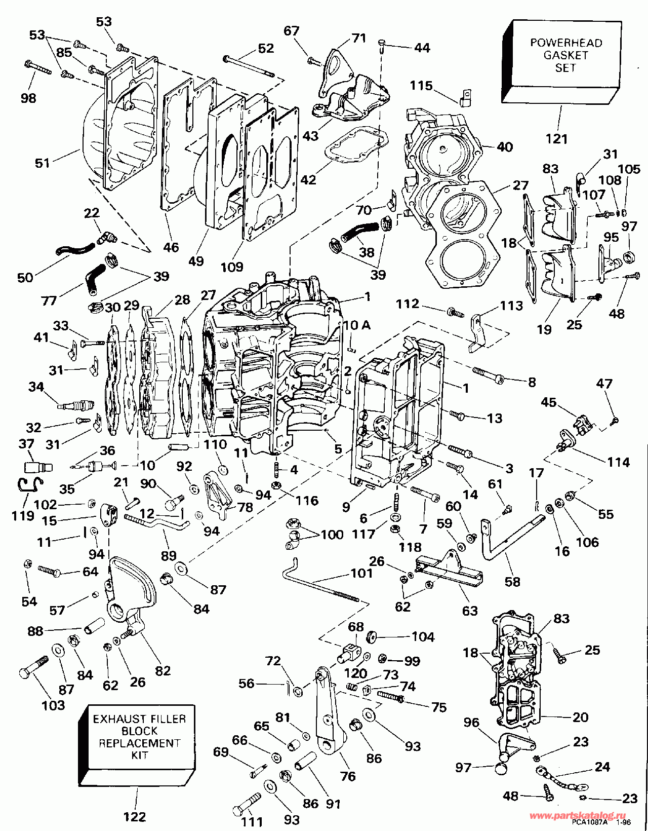
| 1 | 0431659 | CYL. & CCASE в сборе., 88 models (CYL. & CCASE ASSY., 88 models) | нет в наличии, поставок нет |
| 1 | 0397207 | (последний код) CYL,-C-CASE | нет в наличии, поставок нет |
| 1 | 0431658 | CYL. & CCASE в сборе., 112 models (CYL. & CCASE ASSY., 112 models) | нет в наличии, поставок нет |
| 1 | 0397208 | (последний код) CYL,-C-CASE | нет в наличии, поставок нет |
| 2 | 0304178 | Шпонка Подшипник (PIN, Dowel bearing) | нет в наличии, поставок нет |
| 3 | 0319592 | Винт, Цилиндр to ccase, center (SCREW, Cylinder to ccase, center) | нет в наличии, поставок нет |
| 4 | 0321640 | Шпилька, Rear (STUD, Rear) | нет в наличии, поставок нет |
| 5 | 0310507 | Заглушка, Oil Шланг (PLUG, Oil hose) | нет в наличии, поставок нет |
| 6 | 0314616 | Шпилька, Front (STUD, Front) | нет в наличии, поставок нет |
| 6 | 0324811 | (последний код) STUD-CYL | нет в наличии, поставок нет |
| 7 | 0318907 | Винт, Картер двигателя to cyl., bottom (SCREW, Crankcase to cyl., bottom) | нет в наличии, поставок нет |
| 8 | 0318907 | Винт, Картер двигателя to cyl., top (SCREW, Crankcase to cyl., top) | нет в наличии, поставок нет |
| 9 | 0305070 | Штифт, конус (PIN, Taper) | нет в наличии, поставок нет |
| 10 | 0322411 | DEFLECTOR, Water pass (DEFLECTOR, Water pass) | нет в наличии, поставок нет |
| 10A | 0394884 | Обратный клапан (CHECK VALVE) | нет в наличии, поставок нет |
| 11 | 0305650 | Шплинт, Тяга дросселя (COTTER PIN, Throttle rod) | нет в наличии, поставок нет |
| 11 | 3852052 | (последний код) PIN,COTTER | нет в наличии, поставок нет |
| 12 | 0305650 | Шплинт, Кулачок дросселя (COTTER PIN, Throttle cam) | нет в наличии, поставок нет |
| 12 | 3852052 | (последний код) PIN,COTTER | нет в наличии, поставок нет |
| 13 | 0300646 | Винт (SCREW) | нет в наличии, поставок нет |
| 14 | 0306778 | Винт, Цилиндр to Картер двигателя (SCREW, Cylinder to crankcase) | нет в наличии, поставок нет |
| 15 | 0397018 | YOKE & THUMBWHEEL (YOKE & THUMBWHEEL) | нет в наличии, поставок нет |
| 16 | 0202026 | Шайба, Рычаг переключения (WASHER, Shift lever) | нет в наличии, поставок нет |
| 17 | 0330941 | RETAINING Штифт (RETAINING PIN) | нет в наличии, поставок нет |
| 18 | 0307133 | Прокладка, Bypass Крышка (GASKET, Bypass cover) | нет в наличии, поставок нет |
| 19 | 0323045 | Крышка, Bypass (COVER, Bypass) | нет в наличии, поставок нет |
| 19 | 0311240 | (последний код) COVER | нет в наличии, поставок нет |
| 20 | 0310532 | Крышка, Bypass, stbd. нижний (COVER, Bypass, stbd. lower) | нет в наличии, поставок нет |
| 21 | 0310525 | Штифт, Thumbwheel to cam (PIN, Thumbwheel to cam) | нет в наличии, поставок нет |
| 22 | 0321886 | ELBOW, Индикатор (ELBOW, Indicator) | нет в наличии, поставок нет |
| 22 | 0321686 | (последний код) ELBOW | нет в наличии, поставок нет |
| 23 | 0328701 | Шайба с блокировкой, Заземление Хомут (LOCK WASHER, Ground strap) | нет в наличии, поставок нет |
| 23 | 3852182 | (последний код) WASHER,LOCK | нет в наличии, поставок нет |
| 24 | 0584472 | Хомут, Заземление (STRAP, Ground) | нет в наличии, поставок нет |
| 25 | 0306049 | Винт, Bypass Крышка (SCREW, Bypass cover) | нет в наличии, поставок нет |
| 26 | 0328737 | Шайба (WASHER) | нет в наличии, поставок нет |
| 26 | 0306561 | (последний код) WASHER | нет в наличии, поставок нет |
| 27 | 0318358 | Прокладка головки блока цилиндра (GASKET, Cylinder head) | нет в наличии, поставок нет |
| 28 | 0326505 | Головка блока цилиндра, Stbd. (CYLINDER HEAD, Stbd.) | нет в наличии, поставок нет |
| 28 | 0324529 | (последний код) CYL-HEAD | нет в наличии, поставок нет |
| 29 | 0318335 | Прокладка крышки (GASKET, Cover) | нет в наличии, поставок нет |
| 30 | 0318333 | Крышка головки цилиндра (COVER, Cylinder head) | нет в наличии, поставок нет |
| 30 | 0315279 | (последний код) -CYL-HD-COVE | нет в наличии, поставок нет |
| 31 | 0330151 | Струбцина, Timer leads & Шланг (CLAMP, Timer leads & hose) | нет в наличии, поставок нет |
| 31 | 3852199 | (последний код) CLAMP,"J" | нет в наличии, поставок нет |
| 32 | 0306409 | Винт, Крышка головки цилиндра (SCREW, Cylinder head cover) | нет в наличии, поставок нет |
| 33 | 0307267 | Винт, Головка блока цилиндра (SCREW, Cylinder head) | нет в наличии, поставок нет |
| 34 | 0437684 | Свеча зажигания, QL82C (SPARK PLUG, QL82C) | нет в наличии, поставок нет |
| 35 | 0585220 | Переключатель, температура (SWITCH, Temperature) | нет в наличии, поставок нет |
| 36 | 0511469 | Клемма, Bullet (TERMINAL, Bullet) | нет в наличии, поставок нет |
| 36 | 3852229 | (последний код) TERMINAL,PIN | нет в наличии, поставок нет |
| 37 | 0513357 | Коннектор, температура Переключатель (CONNECTOR, Temperature switch) | нет в наличии, поставок нет |
| 37 | 3854845 | (последний код) CONNECTOR 513357 | нет в наличии, поставок нет |
| 38 | 0340976 | Шланг, Головка блока цилиндра, port (HOSE, Cylinder head, port) | нет в наличии, поставок нет |
| 38 | 0321723 | (последний код) HOSE | нет в наличии, поставок нет |
| 39 | 0980863 | Струбцина, Головка блока цилиндра Шланг (CLAMP, Cylinder head hose) | нет в наличии, поставок нет |
| 40 | 0326504 | Головка блока цилиндра, Port (CYLINDER HEAD, Port) | нет в наличии, поставок нет |
| 40 | 0324528 | (последний код) CYL-HEAD | нет в наличии, поставок нет |
| 41 | 0330151 | Струбцина, Свеча зажигания leads (CLAMP, Spark plug leads) | нет в наличии, поставок нет |
| 41 | 3852199 | (последний код) CLAMP,"J" | нет в наличии, поставок нет |
| 42 | 0322858 | Прокладка, Water passage. 20 дюйм Models (GASKET, Water passage. 20 in. Models) | нет в наличии, поставок нет |
| 43 | 0317954 | Крышка, Water passage. 20 дюйм Models (COVER, Water passage. 20 in. Models) | нет в наличии, поставок нет |
| 43 | 0318473 | (последний код) COVER | нет в наличии, поставок нет |
| 44 | 0308742 | Винт, Water passage Крышка. 20 дюйм Models (SCREW, Water passage cover. 20 in. Models) | нет в наличии, поставок нет |
| 44 | 3852080 | (последний код) SCREW | нет в наличии, поставок нет |
| 45 | 0433817 | Рычаг штока переключения (LEVER, Shift rod) | нет в наличии, поставок нет |
| 46 | 0317914 | Прокладка, Exh. Крышка, 88 models (GASKET, Exh. cover, 88 models) | нет в наличии, поставок нет |
| 46 | 0317955 | Прокладка, Exh. Крышка, 112 models (GASKET, Exh. cover, 112 models) | нет в наличии, поставок нет |
| 47 | 0317581 | Винт, Рычаг (SCREW, Lever) | нет в наличии, поставок нет |
| 48 | 0324334 | Винт, Sprt. brkt. to bypass Крышка (SCREW, Sprt. brkt. to bypass cover) | нет в наличии, поставок нет |
| 48 | 0302820 | (последний код) SCREW | нет в наличии, поставок нет |
| 49 | 0322689 | Выхлопная крышка inner, 88 models (COVER, Exhaust inner, 88 models) | нет в наличии, поставок нет |
| 49 | 0323468 | Выхлопной патрубок, 112 models (EXHAUST MANIFOLD, 112 models) | нет в наличии, поставок нет |
| 50 | 0327721 | Шланг, Индикатор (HOSE, Indicator) | нет в наличии, поставок нет |
| 51 | 0329503 | Выхлопная крышка outer, 88 models (COVER, Exhaust outer, 88 models) | нет в наличии, поставок нет |
| 51 | 0323153 | (последний код) COVER-EXH | нет в наличии, поставок нет |
| 51 | 0390015 | Крышка, Exh. Коллектор, 112 models (COVER, Exh. manifold, 112 models) | нет в наличии, поставок нет |
| 51 | 0323319 | (последний код) COVER-EXH-MA | нет в наличии, поставок нет |
| 52 | 0317972 | Винт, Exh. Коллектор, long, 4 1 / 4 дюйм (108 мм , 112 models (SCREW, Exh. manifold, long, 4 1/4 in. (108mm , 112 models) | нет в наличии, поставок нет |
| 52 | 0335222 | (последний код) SCREW | нет в наличии, поставок нет |
| 53 | 0302288 | Винт, Exh. Коллектор to cyl., short, 88 model (SCREW, Exh. manifold to cyl., short, 88 model) | нет в наличии, поставок нет |
| 53 | 3852043 | (последний код) SCREW | нет в наличии, поставок нет |
| 53 | 0308728 | Винт, Exh. Коллектор, 112 models (SCREW, Exh. manifold, 112 models) | нет в наличии, поставок нет |
| 53 | 0322098 | (последний код) SCREW,CYL HEAD | нет в наличии, поставок нет |
| 54 | 0328712 | Гайка, Дроссель stop (NUT, Throttle stop) | нет в наличии, поставок нет |
| 54 | 3852185 | (последний код) NUT | нет в наличии, поставок нет |
| 55 | 0332126 | Втулка, Рычаг переключения (BUSHING, Shift lever) | нет в наличии, поставок нет |
| 56 | 0330145 | Шплинт, Spark Рычаг (COTTER PIN, Spark lever) | нет в наличии, поставок нет |
| 57 | 0320302 | Втулка, Thumbwheel to cam (BUSHING, Thumbwheel to cam) | нет в наличии, поставок нет |
| 58 | 0397044 | Рычаг переключения (SHIFT LEVER) | нет в наличии, поставок нет |
| 58 | 0397045 | (последний код) SHIFT-LEVER | нет в наличии, поставок нет |
| 59 | 0303887 | Шайба (WASHER) | нет в наличии, поставок нет |
| 60 | 0315101 | Втулка (BUSHING) | нет в наличии, поставок нет |
| 60 | 0910272 | (последний код) BEARING | нет в наличии, поставок нет |
| 61 | 0323264 | Штифт (PIN) | нет в наличии, поставок нет |
| 62 | 0328064 | Гайка (NUT) | нет в наличии, поставок нет |
| 62 | 0554477 | (последний код) NUT | нет в наличии, поставок нет |
| 63 | 0395475 | Соединитель & Штифт в сборе. (LINK & PIN ASSY.) | нет в наличии, поставок нет |
| 63 | 0389882 | (последний код) LINK-PIN-AY | нет в наличии, поставок нет |
| 64 | 0328693 | Винт дросселя stop (SCREW, Throttle stop) | нет в наличии, поставок нет |
| 65 | 0432572 | Ролик колпачка folнижний (ROLLER, Cam follower) | нет в наличии, поставок нет |
| 65 | 0329676 | (последний код) ROLLER,CAM FLWR | нет в наличии, поставок нет |
| 66 | 0552783 | Шайба, Ролик (WASHER, Roller) | нет в наличии, поставок нет |
| 66 | 0125545 | (последний код) WASHER | нет в наличии, поставок нет |
| 67 | 0314515 | Винт, Кронштейн. 20 дюйм Models (SCREW, Bracket. 20 in. Models) | нет в наличии, поставок нет |
| 68 | 0334737 | Фиксатор, Тяга spark advance (RETAINER, Rod spark advance) | нет в наличии, поставок нет |
| 69 | 0329677 | Винт, Ролик to Рычаг (SCREW, Roller to lever) | нет в наличии, поставок нет |
| 70 | 0310439 | Струбцина, Junction box leads (CLAMP, Junction box leads) | нет в наличии, поставок нет |
| 70 | 3852088 | (последний код) CLAMP,"J" | нет в наличии, поставок нет |
| 71 | 0323898 | LIFT Кронштейн. 20 дюйм Models (LIFT BRACKET. 20 in. Models) | нет в наличии, поставок нет |
| 72 | 0330179 | Шайба, Spark advance Штифт (WASHER, Spark advance pin) | нет в наличии, поставок нет |
| 72 | 0303304 | (последний код) WASHER | нет в наличии, поставок нет |
| 73 | 0308993 | Пружина, Idle adjust (SPRING, Idle adjust) | нет в наличии, поставок нет |
| 74 | 0203688 | Гайка, Idle adjust (NUT, Idle adjust) | нет в наличии, поставок нет |
| 74 | 0328710 | (последний код) NUT-SCREW-ID | нет в наличии, поставок нет |
| 75 | 0328699 | Винт, Idle adjust (SCREW, Idle adjust) | нет в наличии, поставок нет |
| 75 | 0328065 | (последний код) SCREW | нет в наличии, поставок нет |
| 76 | 0330898 | Рычаг, Spark Управление (LEVER, Spark control) | нет в наличии, поставок нет |
| 77 | 0340975 | Шланг, Головка блока цилиндра, stbd. (HOSE, Cylinder head, stbd.) | нет в наличии, поставок нет |
| 77 | 0321724 | (последний код) HOSE | нет в наличии, поставок нет |
| 78 | 0330985 | Кулачок дросселя (THROTTLE CAM) | нет в наличии, поставок нет |
| 81 | 0328739 | Шайба, Ролик to Рычаг (WASHER, Roller to lever) | нет в наличии, поставок нет |
| 81 | 3852190 | (последний код) WASHER | нет в наличии, поставок нет |
| 82 | 0397084 | Рычаг дросселя (LEVER, Throttle) | нет в наличии, поставок нет |
| 83 | 0392754 | Крышка, Bypass (COVER, Bypass) | нет в наличии, поставок нет |
| 84 | 0308532 | Втулка рычага дросселя (BUSHING, Throttle lever) | нет в наличии, поставок нет |
| 84 | 0122475 | (последний код) BUSHING | нет в наличии, поставок нет |
| 85 | 0303459 | Винт, Exh. manf. Крышка, 112 models (SCREW, Exh. manf. cover, 112 models) | нет в наличии, поставок нет |
| 85 | 3852048 | (последний код) SCREW | нет в наличии, поставок нет |
| 86 | 0308532 | Втулка, Spark Управление (BUSHING, Spark control) | нет в наличии, поставок нет |
| 86 | 0122475 | (последний код) BUSHING | нет в наличии, поставок нет |
| 87 | 0908398 | Шайба, Рычаг дросселя (WASHER, Throttle lever) | нет в наличии, поставок нет |
| 88 | 0331577 | Гильза, Рычаг дросселя (SLEEVE, Throttle lever) | нет в наличии, поставок нет |
| 89 | 0330902 | Тяга дросселя Рычаг to cam (ROD, Throttle lever to cam) | нет в наличии, поставок нет |
| 90 | 0330933 | Винт дросселя cam (SCREW, Throttle cam) | нет в наличии, поставок нет |
| 91 | 0331577 | Гильза, Spark Управление (SLEEVE, Spark control) | нет в наличии, поставок нет |
| 92 | 0328733 | Шайба, Кулачок дросселя (WASHER, Throttle cam) | нет в наличии, поставок нет |
| 93 | 0908398 | Шайба, Spark Управление (WASHER, Spark control) | нет в наличии, поставок нет |
| 94 | 0328702 | Шайба, Тяга дросселя (WASHER, Throttle rod) | нет в наличии, поставок нет |
| 94 | 3852183 | (последний код) WASHER | нет в наличии, поставок нет |
| 95 | 0319217 | SвышеPORT BRACE, Port (SUPPORT BRACE, Port) | нет в наличии, поставок нет |
| 96 | 0319218 | SвышеPORT BRACE, Stbd. (SUPPORT BRACE, Stbd.) | нет в наличии, поставок нет |
| 97 | 0313581 | Бампер, Sвышеport brace (BUMPER, Support brace) | нет в наличии, поставок нет |
| 98 | 0323626 | Винт, Exh. manf. Крышка, 112 models (SCREW, Exh. manf. cover, 112 models) | нет в наличии, поставок нет |
| 98 | 0317952 | (последний код) SCREW | нет в наличии, поставок нет |
| 99 | 0328712 | Гайка, Spark adjustment (NUT, Spark adjustment) | нет в наличии, поставок нет |
| 99 | 3852185 | (последний код) NUT | нет в наличии, поставок нет |
| 100 | 0395448 | Шарик & SOCKET Подъемный механизм (BALL & SOCKET LINKAGE) | нет в наличии, поставок нет |
| 100 | 0313703 | (последний код) BALL/395448 | нет в наличии, поставок нет |
| 101 | 0334739 | Тяга, Spark advance (ROD, Spark advance) | нет в наличии, поставок нет |
| 102 | 0313022 | Гайка, Тяга дросселя (NUT, Throttle rod) | нет в наличии, поставок нет |
| 102 | 3852118 | (последний код) NUT,LOCK | нет в наличии, поставок нет |
| 103 | 0317968 | Винт дросселя Рычаг (SCREW, Throttle lever) | нет в наличии, поставок нет |
| 103 | 3852151 | (последний код) SCREW | нет в наличии, поставок нет |
| 104 | 0334738 | THUMBWHEEL, Spark adjustment (THUMBWHEEL, Spark adjustment) | нет в наличии, поставок нет |
| 105 | 0328740 | Гайка, Заземление (NUT, Ground) | нет в наличии, поставок нет |
| 105 | 0306375 | (последний код) NUT | нет в наличии, поставок нет |
| 106 | 0306012 | BOW Шайба (BOW WASHER) | нет в наличии, поставок нет |
| 107 | 0330143 | Шпилька, Заземление (STUD, Ground) | нет в наличии, поставок нет |
| 107 | 0311328 | (последний код) BOLT | нет в наличии, поставок нет |
| 108 | 0328701 | Шайба с блокировкой, Заземление (LOCK WASHER, Ground) | нет в наличии, поставок нет |
| 108 | 3852182 | (последний код) WASHER,LOCK | нет в наличии, поставок нет |
| 109 | 0323469 | Прокладка выхлопного патрубка, 112 models (GASKET, Exhaust manifold, 112 models) | нет в наличии, поставок нет |
| 110 | 0328703 | Шайба, Кулачок дросселя (WASHER, Throttle cam) | нет в наличии, поставок нет |
| 110 | 3852184 | (последний код) WASHER | нет в наличии, поставок нет |
| 111 | 0317968 | Винт, Spark Управление (SCREW, Spark control) | нет в наличии, поставок нет |
| 111 | 3852151 | (последний код) SCREW | нет в наличии, поставок нет |
| 112 | 0124341 | Винт, Idle stop (SCREW, Idle stop) | нет в наличии, поставок нет |
| 112 | 0338305 | (последний код) SCREW | нет в наличии, поставок нет |
| 113 | 0332154 | Пластина, Idle stop (PLATE, Idle stop) | нет в наличии, поставок нет |
| 114 | 0330935 | Втулка, Тяга keeper (BUSHING, Rod keeper) | нет в наличии, поставок нет |
| 115 | 0310439 | Струбцина, Motor Кабели (CLAMP, Motor cable) | нет в наличии, поставок нет |
| 115 | 3852088 | (последний код) CLAMP,"J" | нет в наличии, поставок нет |
| 116 | 0315204 | Гайка, Rear (NUT, Rear) | нет в наличии, поставок нет |
| 116 | 0316355 | (последний код) NUT | нет в наличии, поставок нет |
| 117 | 0301250 | Шайба, Front (WASHER, Front) | нет в наличии, поставок нет |
| 117 | 0911009 | (последний код) WASHER | нет в наличии, поставок нет |
| 118 | 0306422 | Гайка, Front (NUT, Front) | нет в наличии, поставок нет |
| 119 | 0512741 | Фиксатор, температура Переключатель (RETAINER, Temperature switch) | нет в наличии, поставок нет |
| 120 | 0304380 | Шайба, Spark advance (WASHER, Spark advance) | нет в наличии, поставок нет |
| 121 | 0391300 | POWERHEAD Комплект прокладок (POWERHEAD GASKET SET) | нет в наличии, поставок нет |
| 121 | 0439085 | (последний код) GSKT SET, PWHD CV4 | нет в наличии, поставок нет |
| 122 | 0392000 | Выхлоп FILLER BLOCK REPLACEMENT KIT, 112 mod ls (EXHAUST FILLER BLOCK REPLACEMENT KIT, 112 mod ls) | нет в наличии, поставок нет |