Номер на   рисунке | Артикул | Наименование | Кол-во   на складе | Цена | 
|  0436908  | 0436908 | Цилиндр & Картер двигателя в сборе.. Not Shown (CYLINDER & CRANKCASE ASSY.. Not Shown)  | нет в наличии, поставок нет | 
|  0436908  | 0438918 |    (последний код) CYL&CRKC AY                                                                       | нет в наличии, поставок нет | 
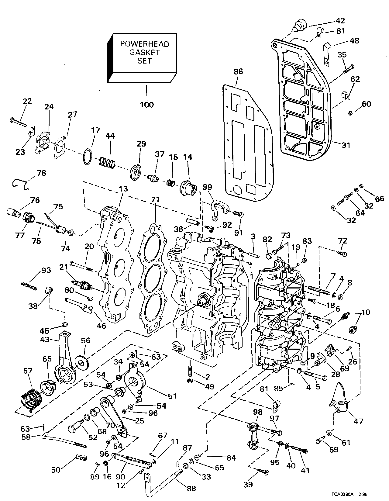
|  1  | 0304178 | Шпонка (DOWEL PIN)  | нет в наличии, поставок нет | 
|  2  | 0314616 | Шпилька, Цилиндр (STUD, Cylinder)  | нет в наличии, поставок нет | 
|  2  | 0324811 |    (последний код) STUD-CYL                                                                          | нет в наличии, поставок нет | 
|  3  | 0305070 | конус Штифт (TAPER PIN)  | нет в наличии, поставок нет | 
|  4  | 0300343 | Шайба, Картер двигателя to Цилиндр (WASHER, Crankcase to cylinder)  | нет в наличии, поставок нет | 
|  4  | 3852041 |    (последний код) WASHER                                                                            | нет в наличии, поставок нет | 
|  5  | 0307776 | Винт, нижний  Главный подшипник (SCREW, Lower main bearing)  | нет в наличии, поставок нет | 
|  6  | 0131794 | Винт, Картер двигателя to Цилиндр (SCREW, Crankcase to cylinder)  | нет в наличии, поставок нет | 
|  6  | 0308963 |    (последний код) SCREW                                                                             | нет в наличии, поставок нет | 
|  7  | 0313538 | Шпилька, Картер двигателя to Цилиндр (STUD, Crankcase to cylinder)  | нет в наличии, поставок нет | 
|  8  | 0320372 | LOCKГайка, Картер двигателя to Цилиндр (LOCKNUT, Crankcase to cylinder)  | нет в наличии, поставок нет | 
|  9  | 0321164 | Заглушка (PLUG)  | нет в наличии, поставок нет | 
|  9  | 0307544 |    (последний код) PLUG                                                                              | нет в наличии, поставок нет | 
|  10  | 0435009 | PULSE LIMITER (PULSE LIMITER)  | нет в наличии, поставок нет | 
|  10  | 3852225 |    (последний код) LIMITER-AY,P                                                                      | нет в наличии, поставок нет | 
|  10  | 0303492 | FITTING, Топливный насос pulse. E70RNLIB Model Only (FITTING, Fuel pump pulse. E70RNLIB Model Only)  | нет в наличии, поставок нет | 
|  11  | 0328702 | Шайба, Штифт to yoke (WASHER, Pin to yoke)  | нет в наличии, поставок нет | 
|  11  | 3852183 |    (последний код) WASHER                                                                            | нет в наличии, поставок нет | 
|  12  | 0318197 | Штифт, Yoke to bellКривошип (PIN, Yoke to bellcrank)  | нет в наличии, поставок нет | 
|  13  | 0339221 | Головка блока цилиндра, 60-70 (CYLINDER HEAD, 60-70)  | нет в наличии, поставок нет | 
|  13  | 0339288 | Головка блока цилиндра, 50EL-50DTL (CYLINDER HEAD, 50EL-50DTL)  | нет в наличии, поставок нет | 
|  13  | 0435977 |    (последний код) KIT AY,CYL HEAD                                                                   | нет в наличии, поставок нет | 
|  14  | 0336178 | Корпус, Термостат (HOUSING, Thermostat)  | нет в наличии, поставок нет | 
|  15  | 0336179 | Пружина (SPRING)  | нет в наличии, поставок нет | 
|  16  | 0328708 | Шайба, Соединитель to Рычаг переключения (WASHER, Link to shift lever)  | нет в наличии, поставок нет | 
|  17  | 0336185 | Шайба (WASHER)  | нет в наличии, поставок нет | 
|  18  | 0306049 | Винт (SCREW)  | нет в наличии, поставок нет | 
|  19  | 0302290 | Шайба с блокировкой (LOCK WASHER)  | нет в наличии, поставок нет | 
|  19  | 0338307 |    (последний код) WASHER,LOCK                                                                       | нет в наличии, поставок нет | 
|  20  | 0322323 | Винт, Головка блока цилиндра (SCREW, Cylinder head)  | нет в наличии, поставок нет | 
|  21  | 0437929 | Свеча зажигания, Champion QL78YC. Radio Noise Sвышеpressor Заглушка (SPARK PLUG, Champion QL78YC. Radio Noise Suppressor Plug)  | нет в наличии, поставок нет | 
|  21  | 0387633 | Свеча зажигания, Champion QL77JC4. Radio Noise Sвышеpressor Заглушка Опции (SPARK PLUG, Champion QL77JC4. Radio Noise Suppressor Plug Optional)  | нет в наличии, поставок нет | 
|  21  | 0502180 |    (последний код) Champion SPARK PLUG QL77JC4 MAR4                                                  | нет в наличии, поставок нет | 
|  21  | 0432424 | Свеча зажигания, Champion QL16V. Radio Noise Sвышеpressor Заглушка Опции (SPARK PLUG, Champion QL16V. Radio Noise Suppressor Plug Optional)  | нет в наличии, поставок нет | 
|  21  | 0502178 |    (последний код) Champion SPARK PLUG QL16V MAR4                                                    | нет в наличии, поставок нет | 
|  21  | 0386941 | Свеча зажигания, Champion L77JC4. Опции (SPARK PLUG, Champion L77JC4. Optional)  | нет в наличии, поставок нет | 
|  21  | 4002080 |    (последний код) SP-PLUG L77J                                                                      | нет в наличии, поставок нет | 
|  22  | 0306049 | Винт, Термостат Крышка (SCREW, Thermostat cover)  | нет в наличии, поставок нет | 
|  23  | 0310439 | Струбцина, Motor Кабели (CLAMP, Motor cable)  | нет в наличии, поставок нет | 
|  23  | 3852088 |    (последний код) CLAMP,"J"                                                                         | нет в наличии, поставок нет | 
|  24  | 0339207 | Крышка термостата и Клапана (COVER, Thermostat and valves)  | нет в наличии, поставок нет | 
|  25  | 0393545 | BELLКривошип, Hub и Штифт в сборе. (BELLCRANK, Hub and pin assy.)  | нет в наличии, поставок нет | 
|  26  | 0317581 | Винт, Рычаг тяги переключения (SCREW, Shift rod lever)  | нет в наличии, поставок нет | 
|  27  | 0329830 | Прокладка крышки термостата (GASKET, Thermostat cover)  | нет в наличии, поставок нет | 
|  28  | 0330935 | Втулка & Тяга KEEPER (BUSHING & ROD KEEPER)  | нет в наличии, поставок нет | 
|  29  | 0435957 | Диафрагма & Cвыше (DIAPHRAGM & CUP)  | нет в наличии, поставок нет | 
|  31  | 0329834 | Выхлопная крышка Коллектор (COVER, Exhaust manifold)  | нет в наличии, поставок нет | 
|  31  | 0343864 |    (последний код) COVER                                                                             | нет в наличии, поставок нет | 
|  32  | 0328701 | Шайба, Заземление Болт (WASHER, Ground bolt)  | нет в наличии, поставок нет | 
|  32  | 3852182 |    (последний код) WASHER,LOCK                                                                       | нет в наличии, поставок нет | 
|  33  | 0202026 | Шайба, Переключательer Рычаг (WASHER, Shifter lever)  | нет в наличии, поставок нет | 
|  34  | 0322631 | Втулка, Соединитель (BUSHING, Link)  | нет в наличии, поставок нет | 
|  35  | 0308743 | Винт, Кожух выхлопной трубы (SCREW, Exhaust cover)  | нет в наличии, поставок нет | 
|  35  | 0342422 |    (последний код) SCREW                                                                             | нет в наличии, поставок нет | 
|  36  | 0911237 | Шланг, Индикатор (HOSE, Indicator)  | нет в наличии, поставок нет | 
|  37  | 0436195 | Термостат в сборе. (THERMOSTAT ASSY.)  | нет в наличии, поставок нет | 
|  38  | 0336456 | Направляющая, Рычаг to Соединитель (GUIDE, Lever to link)  | нет в наличии, поставок нет | 
|  39  | 0332012 | Винт, Idle stop (SCREW, Idle stop)  | нет в наличии, поставок нет | 
|  39  | 0333710 |    (последний код) SCREW                                                                             | нет в наличии, поставок нет | 
|  40  | 0203688 | Гайка, Idle adjustment (NUT, Idle adjustment)  | нет в наличии, поставок нет | 
|  40  | 0328710 |    (последний код) NUT-SCREW-ID                                                                      | нет в наличии, поставок нет | 
|  41  | 0306337 | Винт, W.O.T. stop (SCREW, W.O.T. stop)  | нет в наличии, поставок нет | 
|  41  | 0553142 |    (последний код) SCREW                                                                             | нет в наличии, поставок нет | 
|  42  | 0314021 | Бампер, Выхлопной патрубок (BUMPER, Exhaust manifold)  | нет в наличии, поставок нет | 
|  43  | 0319318 | Рычаг, Spark advance (LEVER, Spark advance)  | нет в наличии, поставок нет | 
|  44  | 0342421 | Пружина (SPRING)  | нет в наличии, поставок нет | 
|  45  | 0395448 | Шарик & SOCKET, Spark Подъемный механизм (BALL & SOCKET, Spark linkage)  | нет в наличии, поставок нет | 
|  45  | 0313703 |    (последний код) BALL/395448                                                                       | нет в наличии, поставок нет | 
|  46  | 0336491 | Соединитель, Dwell (LINK, Dwell)  | нет в наличии, поставок нет | 
|  47  | 0434171 | Кулачок дросселя ASSEMBLY (THROTTLE CAM ASSEMBLY)  | нет в наличии, поставок нет | 
|  48  | 0316487 | Фиксатор, Motor Кабели (RETAINER, Motor cable)  | нет в наличии, поставок нет | 
|  49  | 0315204 | Гайка, Powerhead Шпилька (NUT, Powerhead stud)  | нет в наличии, поставок нет | 
|  49  | 0316355 |    (последний код) NUT                                                                               | нет в наличии, поставок нет | 
|  50  | 0334153 | SHELL, Соединитель to cam (SHELL, Link to cam)  | нет в наличии, поставок нет | 
|  51  | 0387800 | Рычаг дросселя (LEVER, Throttle)  | нет в наличии, поставок нет | 
|  52  | 0318192 | SHOULDER Винт дросселя Рычаг (SHOULDER SCREW, Throttle lever)  | нет в наличии, поставок нет | 
|  53  | 0314002 | Втулка (BUSHING)  | нет в наличии, поставок нет | 
|  54  | 0328737 | Шайба, Направляющаяs (WASHER, Guides)  | нет в наличии, поставок нет | 
|  54  | 0306561 |    (последний код) WASHER                                                                            | нет в наличии, поставок нет | 
|  55  | 0314003 | Втулка, Spark Рычаг (BUSHING, Spark lever)  | нет в наличии, поставок нет | 
|  56  | 0314098 | Шайба, Рычаг дросселя (WASHER, Throttle lever)  | нет в наличии, поставок нет | 
|  57  | 0314094 | Пружина рычага дросселя (SPRING, Throttle lever)  | нет в наличии, поставок нет | 
|  58  | 0336424 | Тяга дросселя Рычаг to cam (LINK, Throttle lever to cam)  | нет в наличии, поставок нет | 
|  59  | 0314136 | Винт дросселя cam (SCREW, Throttle cam)  | нет в наличии, поставок нет | 
|  60  | 0321164 | Заглушка, Крышка (PLUG, Cover)  | нет в наличии, поставок нет | 
|  60  | 0307544 |    (последний код) PLUG                                                                              | нет в наличии, поставок нет | 
|  61  | 0330179 | Шайба, Кулачок дросселя (WASHER, Throttle cam)  | нет в наличии, поставок нет | 
|  61  | 0303304 |    (последний код) WASHER                                                                            | нет в наличии, поставок нет | 
|  62  | 0310439 | Струбцина топливного фильтра (CLAMP, Fuel filter)  | нет в наличии, поставок нет | 
|  62  | 3852088 |    (последний код) CLAMP,"J"                                                                         | нет в наличии, поставок нет | 
|  63  | 0303049 | Шплинт (COTTER PIN)  | нет в наличии, поставок нет | 
|  64  | 0334109 | Болт, Double end (BOLT, Double end)  | нет в наличии, поставок нет | 
|  65  | 0306012 | BOW Шайба, Рычаг переключения (BOW WASHER, Shift lever)  | нет в наличии, поставок нет | 
|  66  | 0328740 | Гайка, Double end Болт (NUT, Double end bolt)  | нет в наличии, поставок нет | 
|  66  | 0306375 |    (последний код) NUT                                                                               | нет в наличии, поставок нет | 
|  67  | 0305650 | Шплинт (COTTER PIN)  | нет в наличии, поставок нет | 
|  67  | 3852052 |    (последний код) PIN,COTTER                                                                        | нет в наличии, поставок нет | 
|  68  | 0908060 | BOW Шайба, Shoulder Винт (BOW WASHER, Shoulder screw)  | нет в наличии, поставок нет | 
|  68  | 0318202 |    (последний код) BOW-WASHER                                                                        | нет в наличии, поставок нет | 
|  69  | 0395588 | Рычаг штока переключения (LEVER, Shift rod)  | нет в наличии, поставок нет | 
|  70  | 0318193 | Втулка, BellКривошип (BUSHING, Bellcrank)  | нет в наличии, поставок нет | 
|  70  | 0317939 |    (последний код) BUSHING                                                                           | нет в наличии, поставок нет | 
|  71  | 0329836 | Прокладка головки блока цилиндра (GASKET, Cylinder head)  | нет в наличии, поставок нет | 
|  72  | 0306049 | Винт, Кронштейн to Картер двигателя (SCREW, Bracket to crankcase)  | нет в наличии, поставок нет | 
|  73  | 0328722 | Винт, Spark advance (SCREW, Spark advance)  | нет в наличии, поставок нет | 
|  74  | 0585023 | температура Переключатель (TEMPERATURE SWITCH)  | нет в наличии, поставок нет | 
|  74  | 0514388 |    (последний код) SWITCH,TEMPERATURE                                                                | нет в наличии, поставок нет | 
|  74  | 0584152 | температура Переключатель. E70RNLIB Model Only (TEMPERATURE SWITCH. E70RNLIB Model Only)  | нет в наличии, поставок нет | 
|  75  | 0511469 | Клемма, Штифт (TERMINAL, Pin)  | нет в наличии, поставок нет | 
|  75  | 3852229 |    (последний код) TERMINAL,PIN                                                                      | нет в наличии, поставок нет | 
|  76  | 0512746 | Коннектор (CONNECTOR)  | нет в наличии, поставок нет | 
|  77  | 0329562 | Крышка, температура Переключатель (COVER, Temperature switch)  | нет в наличии, поставок нет | 
|  78  | 0512741 | Фиксатор (RETAINER)  | нет в наличии, поставок нет | 
|  80  | 0395448 | SOCKET, Подъемный механизм to timer Основание (SOCKET, Linkage to timer base)  | нет в наличии, поставок нет | 
|  80  | 0313703 |    (последний код) BALL/395448                                                                       | нет в наличии, поставок нет | 
|  81  | 0330151 | Струбцина, Leads (CLAMP, Leads)  | нет в наличии, поставок нет | 
|  81  | 3852199 |    (последний код) CLAMP,"J"                                                                         | нет в наличии, поставок нет | 
|  82  | 0314416 | Бампер, Spark advance (BUMPER, Spark advance)  | нет в наличии, поставок нет | 
|  83  | 0328741 | Гайка, Spark advance (NUT, Spark advance)  | нет в наличии, поставок нет | 
|  83  | 0304753 |    (последний код) NUT                                                                               | нет в наличии, поставок нет | 
|  84  | 0318951 | Втулка, Рычаг переключения to Картер двигателя (BUSHING, Shift lever to crankcase)  | нет в наличии, поставок нет | 
|  85  | 0313607 | LUBRICATION FITTING (LUBRICATION FITTING)  | нет в наличии, поставок нет | 
|  85  | 3852121 |    (последний код) FITTING,LUB                                                                       | нет в наличии, поставок нет | 
|  86  | 0329833 | Прокладка выхлопного патрубка (GASKET, Exhaust manifold)  | нет в наличии, поставок нет | 
|  86  | 0343863 |    (последний код) GASKET, EXHST CVR                                                                 | нет в наличии, поставок нет | 
|  87  | 0330941 | Фиксатор Штифт, Рычаг переключения (RETAINER PIN, Shift lever)  | нет в наличии, поставок нет | 
|  88  | 0330940 | Рычаг переключения (SHIFT LEVER)  | нет в наличии, поставок нет | 
|  88  | 0345600 |    (последний код) LEVER,SHIFT                                                                       | нет в наличии, поставок нет | 
|  89  | 0306387 | Шплинт, Соединитель to Рычаг (COTTER PIN, Link to lever)  | нет в наличии, поставок нет | 
|  89  | 0306406 |    (последний код) COTTER PIN                                                                        | нет в наличии, поставок нет | 
|  90  | 0328567 | Соединитель, BellКривошип (LINK, Bellcrank)  | нет в наличии, поставок нет | 
|  91  | 0306322 | Винт (SCREW)  | нет в наличии, поставок нет | 
|  92  | 0321886 | ELBOW (ELBOW)  | нет в наличии, поставок нет | 
|  92  | 0321686 |    (последний код) ELBOW                                                                             | нет в наличии, поставок нет | 
|  93  | 0336447 | Пружина, Dwell Подъемный механизм (SPRING, Dwell linkage)  | нет в наличии, поставок нет | 
|  95  | 0308993 | Пружина, Idle adjustment (SPRING, Idle adjustment)  | нет в наличии, поставок нет | 
|  96  | 0328064 | Гайка, Направляющаяs, Дистанционное управление (NUT, Guides, remote control)  | нет в наличии, поставок нет | 
|  96  | 0554477 |    (последний код) NUT                                                                               | нет в наличии, поставок нет | 
|  97  | 0308751 | Винт, Кронштейн (SCREW, Bracket)  | нет в наличии, поставок нет | 
|  97  | 0331025 |    (последний код) SCREW                                                                             | нет в наличии, поставок нет | 
|  98  | 0316664 | Кронштейн, Idle adjustment (BRACKET, Idle adjustment)  | нет в наличии, поставок нет | 
|  99  | 0333962 | LIFT Кронштейн (LIFT BRACKET)  | нет в наличии, поставок нет | 
|  99  | 0331569 |    (последний код) LIFT-BRACKET                                                                      | нет в наличии, поставок нет | 
|  100  | 0398047 | POWERHEAD Комплект прокладок (POWERHEAD GASKET SET)  | нет в наличии, поставок нет | 
|  100  | 0438904 |    (последний код) GASKET SET, PWHD                                                                  | нет в наличии, поставок нет |