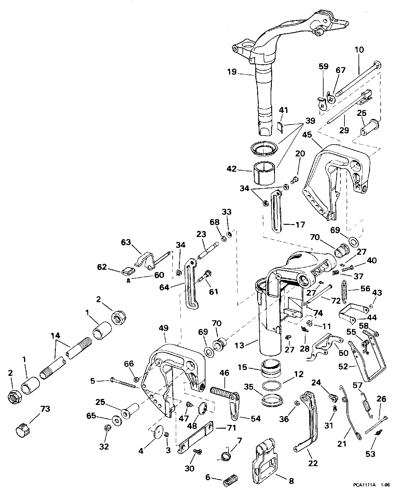
Номер на   рисунке | Артикул | Наименование | Кол-во   на складе | Цена | 
|  1  | 0124346 | Проставка, Трубка. 9.9 REL High Thrust 15 RE (SPACER, Tube. 9.9 REL High Thrust 15 RE)  | нет в наличии, поставок нет | 
|  2  | 0335554 | Блокирующая гайка, tilt Трубка. 9.9 REL High Thrust 15 RE (NUT, Lock, tilt tube. 9.9 REL High Thrust 15 RE)  | нет в наличии, поставок нет | 
|  3  | 0310702 | Гайка, Винт. 9.9 TE High Thrust 9.9 REL High Thrust 15 RE (NUT, Screw. 9.9 TE High Thrust 9.9 REL High Thrust 15 RE)  | нет в наличии, поставок нет | 
|  4  | 0315776 | Шайба, Винт. 9.9 TE High Thrust 9.9 REL High Thrust 15 RE (WASHER, Screw. 9.9 TE High Thrust 9.9 REL High Thrust 15 RE)  | нет в наличии, поставок нет | 
|  5  | 0334427 | Винт, Stern brkt. to transom. 9.9 TE High Thrust 9.9 REL High Thrust 15 RE (SCREW, Stern brkt. to transom. 9.9 TE High Thrust 9.9 REL High Thrust 15 RE)  | нет в наличии, поставок нет | 
|  5  | 0318512 |    (последний код) SCREW                                                                             | нет в наличии, поставок нет | 
|  6  | 0339024 | Проставка, Lift handle. 9.9 Шнур 9.9 TE High Thrust 15 Шнур & TE (SPACER, Lift handle. 9.9 Rope 9.9 TE High Thrust 15 Rope & TE)  | нет в наличии, поставок нет | 
|  7  | 0338297 | Пружина, Lift handle (SPRING, Lift handle)  | нет в наличии, поставок нет | 
|  8  | 0338298 | LIFT HANDLE (LIFT HANDLE)  | 1 шт | 3920 руб. | 
|  10  | 0332960 | TILT Болт, Stern brkt. to sw. brkt.. 9.9 Шнур 9.9 TE High Thrust 15 Шнур & TE (TILT BOLT, Stern brkt. to sw. brkt.. 9.9 Rope 9.9 TE High Thrust 15 Rope & TE)  | нет в наличии, поставок нет | 
|  11  | 0303884 | Шайба, Штифт to sвышеport Кронштейн (WASHER, Pin to support bracket)  | нет в наличии, поставок нет | 
|  12  | 0301917 | Уплотнительное кольцо, нижний , Стержень Трубка (O-RING, Lower, pivot tube)  | нет в наличии, поставок нет | 
|  13  | 0341567 | Поворотный кронштейн (SWIVEL BRACKET)  | нет в наличии, поставок нет | 
|  13  | 0338887 |    (последний код) BRACKET,SWIVEL                                                                    | нет в наличии, поставок нет | 
|  14  | 0321511 | Трубка, Stern brkt. to swivel brkt.. 9.9 REL High Thrust 15 RE (TUBE, Stern brkt. to swivel brkt.. 9.9 REL High Thrust 15 RE)  | нет в наличии, поставок нет | 
|  14  | 0351896 |    (последний код) TUBE, TILT SST                                                                    | нет в наличии, поставок нет | 
|  15  | 0309967 | Втулка, нижний , Стержень Трубка (BUSHING, Lower, pivot tube)  | нет в наличии, поставок нет | 
|  17  | 0328289 | SвышеPORT Кронштейн, Tilt lock, port (SUPPORT BRACKET, Tilt lock, port)  | нет в наличии, поставок нет | 
|  19  | 0436011 | Кронштейн рулевого управления & Стержень Вал (STEERING BRACKET & PIVOT SHAFT)  | нет в наличии, поставок нет | 
|  19  | 0438612 |    (последний код) BRACKET AY,STRG                                                                   | нет в наличии, поставок нет | 
|  20  | 0328290 | Штифт, Sвышеport Кронштейн to Поворотный кронштейн (PIN, Support bracket to swivel bracket)  | нет в наличии, поставок нет | 
|  21  | 0320416 | Провод, Блокировка задней передачи release (WIRE, Reverse lock release)  | нет в наличии, поставок нет | 
|  21  | 0319052 |    (последний код) ROD                                                                               | нет в наличии, поставок нет | 
|  22  | 0338874 | Ручка для переноски (CARRYING HANDLE)  | нет в наличии, поставок нет | 
|  22  | 0331096 |    (последний код) CARRYING HANDLE                                                                   | нет в наличии, поставок нет | 
|  23  | 0328285 | Втулка, Tilt lock Вал to sw. brkt. (BUSHING, Tilt lock shaft to sw. brkt.)  | нет в наличии, поставок нет | 
|  24  | 0319049 | BELLКривошип, Блокировка задней передачи (BELLCRANK, Reverse lock)  | нет в наличии, поставок нет | 
|  25  | 0325914 | Втулка, Кронштейн транца. 9.9 Шнур 9.9 TE High Thrust 15 Шнур & TE (BUSHING, Stern bracket. 9.9 Rope 9.9 TE High Thrust 15 Rope & TE)  | нет в наличии, поставок нет | 
|  25  | 0325016 |    (последний код) BUSHING                                                                           | нет в наличии, поставок нет | 
|  26  | 0326943 | Штифт тяги to locking Рычаг (PIN, Link to locking lever)  | нет в наличии, поставок нет | 
|  27  | 0313607 | FITTING, Lube (FITTING, Lube)  | нет в наличии, поставок нет | 
|  27  | 3852121 |    (последний код) FITTING,LUB                                                                       | нет в наличии, поставок нет | 
|  28  | 0333774 | Зажим, Штифт to sвышеport Кронштейн (CLIP, Pin to support bracket)  | нет в наличии, поставок нет | 
|  29  | 0432453 | TILT Штифт & Ручка в сборе. (TILT PIN & KNOB ASSY.)  | нет в наличии, поставок нет | 
|  29  | 0390441 |    (последний код) KNOB&TILT-PI                                                                      | нет в наличии, поставок нет | 
|  30  | 0308684 | Винт, Пластина to Кронштейн транца (SCREW, Plate to stern bracket)  | нет в наличии, поставок нет | 
|  31  | 0319108 | Винт, BellКривошип (SCREW, Bellcrank)  | нет в наличии, поставок нет | 
|  31  | 0311512 |    (последний код) SCREW                                                                             | нет в наличии, поставок нет | 
|  32  | 0325451 | Гайка, Tilt Болт to swivel brkt.. 9.9 Шнур 9.9 TE High Thrust 15 Шнур & TE (NUT, Tilt bolt to swivel brkt.. 9.9 Rope 9.9 TE High Thrust 15 Rope & TE)  | нет в наличии, поставок нет | 
|  32  | 3852177 |    (последний код) NUT,LOCK                                                                          | нет в наличии, поставок нет | 
|  33  | 0312977 | Пружинная шайба, Tilt lock Втулка (SPRING WASHER, Tilt lock bushing)  | нет в наличии, поставок нет | 
|  34  | 0308052 | Шайба, Tilt lock, Вал Втулка (WASHER, Tilt lock, shaft bushing)  | нет в наличии, поставок нет | 
|  35  | 0309966 | Нижняя упорная шайба swivel brkt. (THRUST WASHER, Lower swivel brkt.)  | нет в наличии, поставок нет | 
|  36  | 0310540 | Шайба, Tilt lock Вал, outer (WASHER, Tilt lock shaft, outer)  | нет в наличии, поставок нет | 
|  37  | 0551113 | Фрикционная пружина adjust. (SPRING, Friction adjust.)  | нет в наличии, поставок нет | 
|  39  | 0397736 | FRICTION BLOCK в сборе. (FRICTION BLOCK ASSY.)  | нет в наличии, поставок нет | 
|  39  | 0388748 |    (последний код) WASHER,SEAL&                                                                      | нет в наличии, поставок нет | 
|  40  | 0321531 | Фрикционный винт adjust. swivel brkt. (SCREW, Friction adjust. swivel brkt.)  | нет в наличии, поставок нет | 
|  41  | 0332662 | Фрикционный блок, Поворотный кронштейн (BLOCK, Friction, swivel bracket)  | нет в наличии, поставок нет | 
|  42  | 0332663 | LINER (LINER)  | нет в наличии, поставок нет | 
|  43  | 0310540 | Шайба, Блокировка задней передачи Штифт (WASHER, Reverse lock pin)  | нет в наличии, поставок нет | 
|  44  | 0319050 | LOCKING Рычаг, Reverse Рычаг. 9.9 Шнур 15 Шнур & TE 15 RE (LOCKING LEVER, Reverse lever. 9.9 Rope 15 Rope & TE 15 RE)  | нет в наличии, поставок нет | 
|  45  | 0341565 | Кронштейн транца, Port (STERN BRACKET, Port)  | нет в наличии, поставок нет | 
|  45  | 0328268 |    (последний код) STERN BRKT-PORT                                                                   | нет в наличии, поставок нет | 
|  46  | 0433674 | Винт струбцины в сборе., Aluminum (CLAMP SCREW ASSY., Aluminum)  | нет в наличии, поставок нет | 
|  46  | 0433675 |    (последний код) KIT-AY,CLAMP                                                                      | нет в наличии, поставок нет | 
|  46  | 0391421 | Винт струбцины в сборе., St. steel. Опции (CLAMP SCREW ASSY., St. steel. Optional)  | нет в наличии, поставок нет | 
|  46  | 0389959 |    (последний код) CLAMPSCREW                                                                        | нет в наличии, поставок нет | 
|  47  | 0321922 | Винт, Пластина (SCREW, Plate)  | нет в наличии, поставок нет | 
|  48  | 0337017 | Пластина, Swivel (PLATE, Swivel)  | нет в наличии, поставок нет | 
|  48  | 0307561 |    (последний код) SWIVEL PLATE                                                                      | нет в наличии, поставок нет | 
|  49  | 0341566 | STERN BRKT., Starboard (STERN BRKT., Starboard)  | нет в наличии, поставок нет | 
|  49  | 0328269 |    (последний код) STERN BRKT-STBD                                                                   | нет в наличии, поставок нет | 
|  50  | 0322949 | Соединитель, Блокировка задней передачи. 9.9 Шнур 15 Шнур & TE (LINK, Reverse lock. 9.9 Rope 15 Rope & TE)  | нет в наличии, поставок нет | 
|  50  | 0319054 |    (последний код) LINK                                                                              | нет в наличии, поставок нет | 
|  50  | 0393204 | Рычаг & Соединитель в сборе.. 9.9 TE High Thrust 9.9 REL High Thrust (LEVER & LINK ASSY.. 9.9 TE High Thrust 9.9 REL High Thrust)  | нет в наличии, поставок нет | 
|  50  | 0173208 |    (последний код) LOCKING-LVR&                                                                      | нет в наличии, поставок нет | 
|  52  | 0338657 | Соединитель, Shallow water drive (LINK, Shallow water drive)  | нет в наличии, поставок нет | 
|  52  | 0320426 |    (последний код) LINK                                                                              | нет в наличии, поставок нет | 
|  53  | 0333774 | Штифт, Соединитель блокировки задней передачи (PIN, Reverse lock link)  | нет в наличии, поставок нет | 
|  54  | 0398001 | REPLACEMENT HANDLE в сборе. (REPLACEMENT HANDLE ASSY.)  | нет в наличии, поставок нет | 
|  55  | 0320427 | Пружина системы движения по мелководью (SPRING, Shallow water drive)  | нет в наличии, поставок нет | 
|  56  | 0338489 | Пружина блокировки задней передачи. 9.9 Шнур 15 Шнур & TE 15 RE (SPRING, Reverse lock. 9.9 Rope 15 Rope & TE 15 RE)  | нет в наличии, поставок нет | 
|  56  | 0340219 | Пружина блокировки задней передачи. 9.9 TE High Thrust 9.9 REL High Thrust (SPRING, Reverse lock. 9.9 TE High Thrust 9.9 REL High Thrust)  | нет в наличии, поставок нет | 
|  57  | 0320428 | Пружина блокировки задней передачи Тяга (SPRING, Reverse lock rod)  | нет в наличии, поставок нет | 
|  58  | 0204293 | Шайба, Штифт Соединитель to Рычаг. 9.9 Шнур 15 Шнур & TE 15 RE (WASHER, Pin link to lever. 9.9 Rope 15 Rope & TE 15 RE)  | нет в наличии, поставок нет | 
|  59  | 0325017 | Шайба, Tilt Болт to swivel brkt.. 9.9 Шнур 9.9 TE High Thrust 15 Шнур & TE (WASHER, Tilt bolt to swivel brkt.. 9.9 Rope 9.9 TE High Thrust 15 Rope & TE)  | нет в наличии, поставок нет | 
|  60  | 0319227 | Винт, Tilt Ручка (SCREW, Tilt knob)  | нет в наличии, поставок нет | 
|  61  | 0319047 | Штифт блокировки наклона to Кронштейн транца (PIN, Tilt lock to stern bracket)  | нет в наличии, поставок нет | 
|  62  | 0328048 | Ручка наклона & Рычаг блокировки задней передачи (KNOB, Tilt & reverse lock lever)  | нет в наличии, поставок нет | 
|  62  | 0319051 |    (последний код) KNOB                                                                              | нет в наличии, поставок нет | 
|  63  | 0437797 | Рычаг & Вал в сборе., Lock (LEVER & SHAFT ASSY., Lock)  | нет в наличии, поставок нет | 
|  64  | 0338563 | TILT LOCK, Starboard (TILT LOCK, Starboard)  | нет в наличии, поставок нет | 
|  64  | 0319134 |    (последний код) TILTLOCK-STB                                                                      | нет в наличии, поставок нет | 
|  65  | 0314099 | Шайба, Tilt Болт to swivel brkt.. 9.9 Шнур 9.9 TE High Thrust 15 Шнур & TE (WASHER, Tilt bolt to swivel brkt.. 9.9 Rope 9.9 TE High Thrust 15 Rope & TE)  | нет в наличии, поставок нет | 
|  66  | 0313022 | LOCKГайка, Штифт (LOCKNUT, Pin)  | нет в наличии, поставок нет | 
|  66  | 3852118 |    (последний код) NUT,LOCK                                                                          | нет в наличии, поставок нет | 
|  67  | 0300364 | Соединитель, Safety Цепь. 9.9 Шнур 9.9 TE High Thrust 15 Шнур & TE (LINK, Safety chain. 9.9 Rope 9.9 TE High Thrust 15 Rope & TE)  | нет в наличии, поставок нет | 
|  68  | 0303884 | Шайба, Tilt Втулка (WASHER, Tilt bushing)  | нет в наличии, поставок нет | 
|  69  | 0319699 | Шайба, Кронштейн транца (WASHER, Stern bracket)  | нет в наличии, поставок нет | 
|  70  | 0319787 | Втулка, Поворотный кронштейн (BUSHING, Swivel bracket)  | нет в наличии, поставок нет | 
|  70  | 0317789 |    (последний код) BUSHING                                                                           | нет в наличии, поставок нет | 
|  71  | 0309738 | Пластина, Кронштейн транца (PLATE, Stern bracket)  | нет в наличии, поставок нет | 
|  72  | 0319055 | Штифт тяги to Поворотный кронштейн (PIN, Link to swivel bracket)  | нет в наличии, поставок нет | 
|  73  | 0317894 | Колпачок, Tilt Трубка. 9.9 REL High Thrust 15 RE (CAP, Tilt tube. 9.9 REL High Thrust 15 RE)  | нет в наличии, поставок нет | 
|  73  | 3852150 |    (последний код) CAP                                                                               | нет в наличии, поставок нет | 
|  74  | 0203949 | Фиксатор, Соединитель (RETAINER, Link)  | нет в наличии, поставок нет | 
|  74  | 0202755 |    (последний код) IDENTICAL 203949                                                                  | нет в наличии, поставок нет |