Номер на   рисунке | Артикул | Наименование | Кол-во   на складе | Цена | 
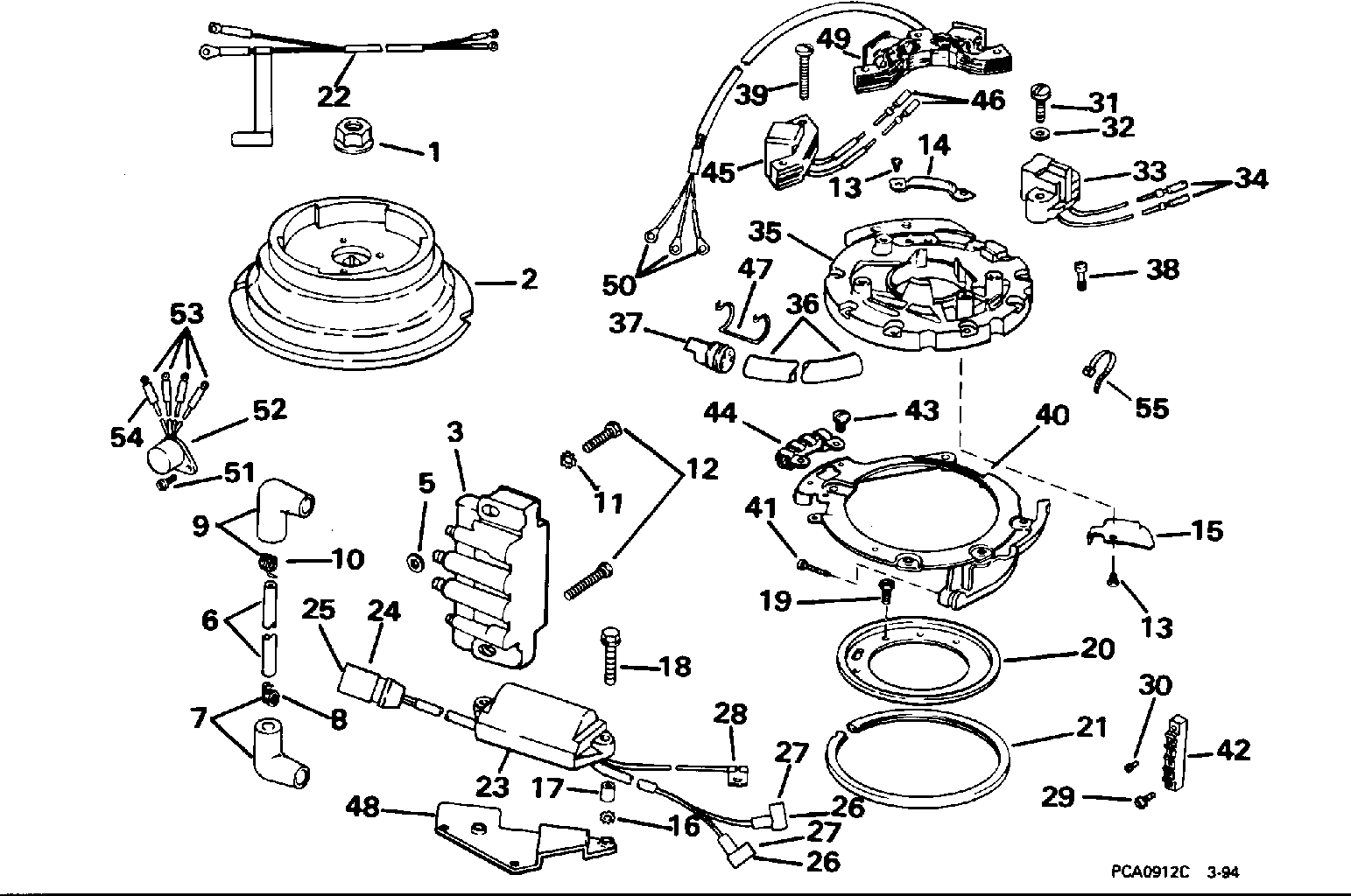
|  1  | 0326016 | Гайка, Маховик (NUT, Flywheel)  | нет в наличии, поставок нет | 
|  2  | 0584222 | Маховик в сборе (FLYWHEEL ASSEMBLY)  | нет в наличии, поставок нет | 
|  2  | 0513745 |    (последний код) FLYWHEEL                                                                          | нет в наличии, поставок нет | 
|  3  | 0583740 | Катушка зажигания в сборе (IGNITION COIL ASSEMBLY)  | нет в наличии, поставок нет | 
|  3  | 0583298 |    (последний код) IGNITION COIL                                                                     | нет в наличии, поставок нет | 
|  5  | 0329176 | Шайба, Fiber, coil mtg. Винт (WASHER, Fiber, coil mtg. screw)  | нет в наличии, поставок нет | 
|  6  | 0582365 | LEAD в сборе., Свеча зажигания (LEAD ASSY., Spark plug)  | нет в наличии, поставок нет | 
|  6  | 0582135 |    (последний код) LEAD                                                                              | нет в наличии, поставок нет | 
|  7  | 0581027 | Крышка & Клемма в сборе., Свеча зажигания (COVER & TERMINAL ASSY., Spark plug)  | нет в наличии, поставок нет | 
|  8  | 0510231 | Клемма, Пружина (TERMINAL, Spring)  | нет в наличии, поставок нет | 
|  9  | 0580339 | Крышка & Клемма в сборе., Coil (COVER & TERMINAL ASSY., Coil)  | нет в наличии, поставок нет | 
|  9  | 0510232 |    (последний код) COVER                                                                             | нет в наличии, поставок нет | 
|  10  | 0510231 | Клемма, Пружина (TERMINAL, Spring)  | нет в наличии, поставок нет | 
|  11  | 0328701 | Шайба с блокировкой, Coil to Заземление (LOCK WASHER, Coil to ground)  | нет в наличии, поставок нет | 
|  11  | 3852182 |    (последний код) WASHER,LOCK                                                                       | нет в наличии, поставок нет | 
|  12  | 0331025 | Винт, Coil assembly (SCREW, Coil assembly)  | нет в наличии, поставок нет | 
|  12  | 0308751 |    (последний код) SCREW                                                                             | нет в наличии, поставок нет | 
|  13  | 0303212 | Винт зажима & Крышка (SCREW, Clamp & cover)  | нет в наличии, поставок нет | 
|  14  | 0511458 | Струбцина, Leads to ign. Пластина в сборе. (CLAMP, Leads to ign. plate assy.)  | нет в наличии, поставок нет | 
|  15  | 0511459 | Крышка, Leads to ign. Пластина в сборе. (COVER, Leads to ign. plate assy.)  | нет в наличии, поставок нет | 
|  16  | 0328701 | Шайба с блокировкой, Power pack (LOCK WASHER, Power pack)  | нет в наличии, поставок нет | 
|  16  | 3852182 |    (последний код) WASHER,LOCK                                                                       | нет в наличии, поставок нет | 
|  17  | 0323144 | Проставка, Power pack (SPACER, Power pack)  | нет в наличии, поставок нет | 
|  18  | 0328726 | Винт, Power pack (SCREW, Power pack)  | нет в наличии, поставок нет | 
|  18  | 0323796 |    (последний код) SCREW                                                                             | нет в наличии, поставок нет | 
|  19  | 0326875 | Винт, Sвышеport Пластина to ccase (SCREW, Support plate to ccase)  | нет в наличии, поставок нет | 
|  19  | 0332070 |    (последний код) SCREW                                                                             | нет в наличии, поставок нет | 
|  20  | 0332063 | Пластина, Sвышеport (PLATE, Support)  | нет в наличии, поставок нет | 
|  20  | 0323398 |    (последний код) SUPPORT-ARM                                                                       | нет в наличии, поставок нет | 
|  21  | 0322435 | Подшипник, Ignition Пластина to sвышеport (BEARING, Ignition plate to support)  | нет в наличии, поставок нет | 
|  21  | 0321085 |    (последний код) BEARING                                                                           | нет в наличии, поставок нет | 
|  22  | 0582976 | Кабель аккумулятора, 6-8 Sail (BATTERY CABLE, 6-8 Sail)  | нет в наличии, поставок нет | 
|  22  | 0173350 |    (последний код) CABLE-AY-BAT                                                                      | нет в наличии, поставок нет | 
|  23  | 0582285 | POWER PACK ASSEMBLY (POWER PACK ASSEMBLY)  | нет в наличии, поставок нет | 
|  23  | 0586800 |    (последний код) KIT AY,PP AY&INSTR                                                                | нет в наличии, поставок нет | 
|  24  | 0512754 | Коннектор, 5-Штифт (CONNECTOR, 5-pin)  | нет в наличии, поставок нет | 
|  25  | 0511469 | Штифт (PIN)  | нет в наличии, поставок нет | 
|  25  | 3852229 |    (последний код) TERMINAL,PIN                                                                      | нет в наличии, поставок нет | 
|  26  | 0512478 | Крышка (COVER)  | нет в наличии, поставок нет | 
|  27  | 0512256 | Клемма (TERMINAL)  | нет в наличии, поставок нет | 
|  28  | 0512131 | Клемма, Кольцо (TERMINAL, Ring)  | нет в наличии, поставок нет | 
|  29  | 0304015 | Винт, Клемма block, 6-8 Sail (SCREW, Terminal block, 6-8 Sail)  | нет в наличии, поставок нет | 
|  29  | 0333677 |    (последний код) SCREW                                                                             | нет в наличии, поставок нет | 
|  30  | 0329182 | Винт, Клемма block, 6-8 Sail (SCREW, Terminal block, 6-8 Sail)  | нет в наличии, поставок нет | 
|  30  | 0327785 |    (последний код) SCREW                                                                             | нет в наличии, поставок нет | 
|  31  | 0319682 | Винт, Датчик to Пластина (SCREW, Sensor to plate)  | нет в наличии, поставок нет | 
|  32  | 0328735 | Шайба, Датчик Винт (WASHER, Sensor screw)  | нет в наличии, поставок нет | 
|  32  | 3852188 |    (последний код) WASHER                                                                            | нет в наличии, поставок нет | 
|  33  | 0583387 | Датчик ASSEMBLY (SENSOR ASSEMBLY)  | нет в наличии, поставок нет | 
|  33  | 0584716 |    (последний код) SENSOR AY,IGN                                                                     | нет в наличии, поставок нет | 
|  34  | 0581656 | SOCKET ASSEMBLY (SOCKET ASSEMBLY)  | нет в наличии, поставок нет | 
|  34  | 3852257 |    (последний код) TERMINAL AY,SCKT                                                                  | нет в наличии, поставок нет | 
|  35  | 0582417 | Пластина & Гильза ASSEMBLY (PLATE & SLEEVE ASSEMBLY)  | нет в наличии, поставок нет | 
|  35  | 0582951 |    (последний код) PLATE&SLEEVE AY                                                                   | нет в наличии, поставок нет | 
|  36  | 0512765 | Гильза (SLEEVE)  | нет в наличии, поставок нет | 
|  37  | 0512753 | Коннектор, 5-socket (CONNECTOR, 5-socket)  | нет в наличии, поставок нет | 
|  37  | 3852243 |    (последний код) CONN,5-SKT-P                                                                      | нет в наличии, поставок нет | 
|  38  | 0511460 | Винт, Ignition Пластина to ret. в сборе. (SCREW, Ignition plate to ret. assy.)  | нет в наличии, поставок нет | 
|  39  | 0337522 | Винт, Coil assembly (SCREW, Coil assembly)  | нет в наличии, поставок нет | 
|  40  | 0434154 | Фиксатор, CAM & Соединитель в сборе. (RETAINER, CAM & LINK ASSY.)  | нет в наличии, поставок нет | 
|  40  | 0439954 |    (последний код) RETAINER,CAM&LNKAY                                                                | нет в наличии, поставок нет | 
|  41  | 0330346 | Винт, Cam folнижний  Рычаг adj. (SCREW, Cam follower lever adj.)  | 1 шт | 710 руб. | 
|  41  | 0324393 |    (последний код) SCREW                                                                             | нет в наличии, поставок нет | 
|  42  | 0511949 | Клемма BLOCK, 6-8 Sail (TERMINAL BLOCK, 6-8 Sail)  | нет в наличии, поставок нет | 
|  43  | 0306014 | Винт, Провод Жгут проводов Фиксатор (SCREW, Wire harness retainer)  | нет в наличии, поставок нет | 
|  44  | 0334245 | Фиксатор, Провод Жгут проводов, 6-8 Sail (RETAINER, Wire harness, 6-8 Sail)  | нет в наличии, поставок нет | 
|  44  | 0332349 |    (последний код) RETAINER                                                                          | нет в наличии, поставок нет | 
|  45  | 0584504 | COIL & LAMINATION в сборе. (COIL & LAMINATION ASSY.)  | нет в наличии, поставок нет | 
|  45  | 5000611 |    (последний код) COIL&LAM AY,CHARGE                                                                | нет в наличии, поставок нет | 
|  46  | 0581656 | SOCKET в сборе. (SOCKET ASSY.)  | нет в наличии, поставок нет | 
|  46  | 3852257 |    (последний код) TERMINAL AY,SCKT                                                                  | нет в наличии, поставок нет | 
|  47  | 0512743 | Фиксатор, 4-Клемма Коннектор (RETAINER, 4-terminal connector)  | нет в наличии, поставок нет | 
|  47  | 3852238 |    (последний код) RETAINER,CON                                                                      | нет в наличии, поставок нет | 
|  48  | 0513923 | Пластина, Power pack Креплениеing (PLATE, Power pack mounting)  | нет в наличии, поставок нет | 
|  49  | 0582930 | Статор в сборе., 6-8 Sail (STATOR ASSY., 6-8 Sail)  | нет в наличии, поставок нет | 
|  49  | 0582632 |    (последний код) STATOR-AY                                                                         | нет в наличии, поставок нет | 
|  50  | 0510780 | Кольцо Клемма (RING TERMINAL)  | нет в наличии, поставок нет | 
|  50  | 3852226 |    (последний код) TERMINAL,RIN                                                                      | нет в наличии, поставок нет | 
|  51  | 0305514 | Винт, Выпрямитель, 6-8 Sail (SCREW, Rectifier, 6-8 Sail)  | нет в наличии, поставок нет | 
|  52  | 0173692 | Выпрямитель в сборе., 6-8 Sail (RECTIFIER ASSY., 6-8 Sail)  | нет в наличии, поставок нет | 
|  53  | 0510780 | Кольцо Клемма (RING TERMINAL)  | нет в наличии, поставок нет | 
|  53  | 3852226 |    (последний код) TERMINAL,RIN                                                                      | нет в наличии, поставок нет | 
|  54  | 0510781 | Трубопровод (TUBING)  | нет в наличии, поставок нет | 
|  55  | 0320107 | Крепёжный хомут, Ignition Пластина leads (TIE STRAP, Ignition plate leads)  | нет в наличии, поставок нет | 
|  55  | 5035626 |    (последний код) BAND,REM CON                                                                      | нет в наличии, поставок нет |