Номер на   рисунке | Артикул | Наименование | Кол-во   на складе | Цена | 
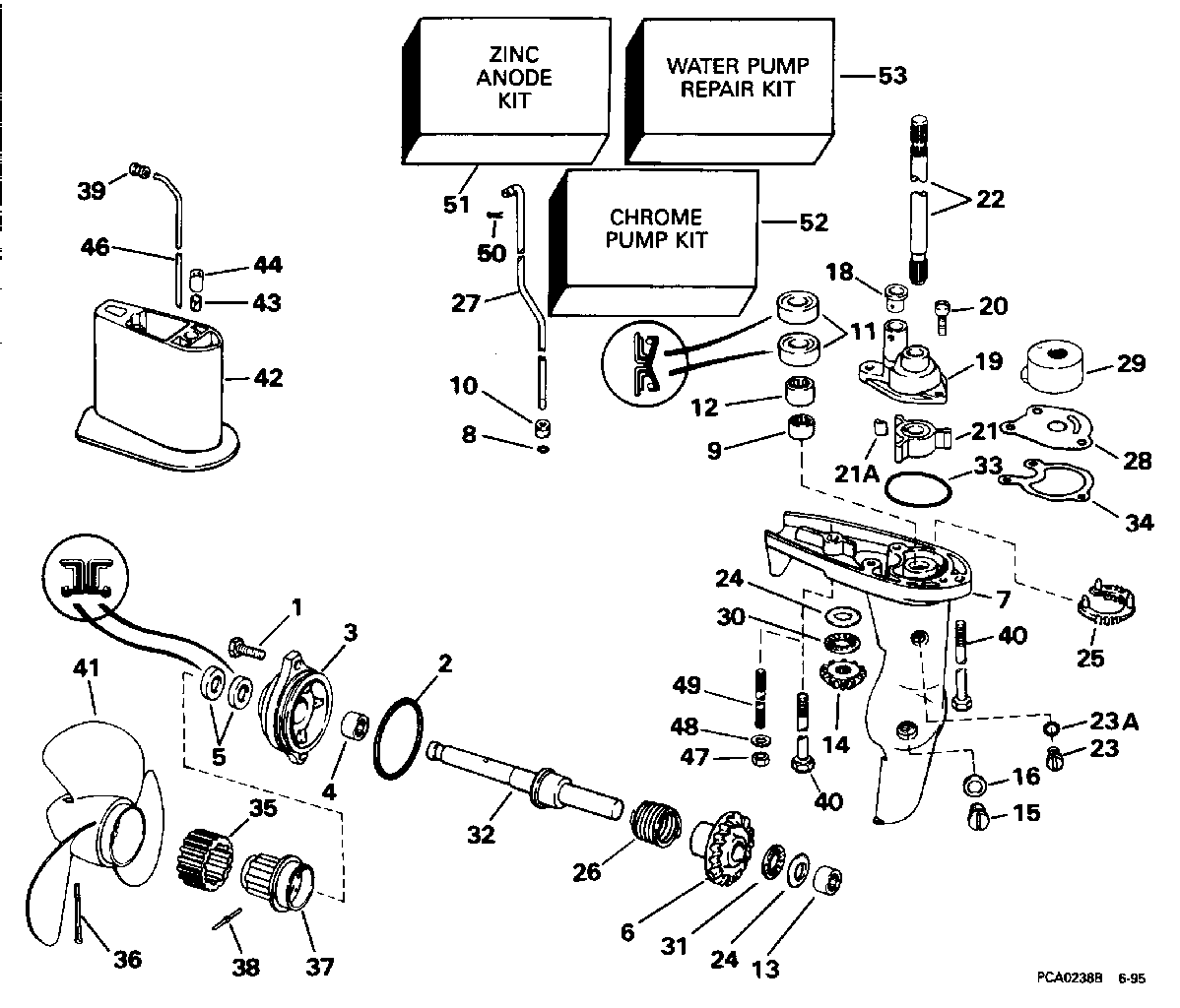
|  0434749  | 0434749 | Редуктор в сборе., Std.. Not Shown (GEARCASE ASSY., Std.. Not Shown)  | нет в наличии, поставок нет | 
|  0434750  | 0434750 | Редуктор в сборе., Long. Not Shown (GEARCASE ASSY., Long. Not Shown)  | нет в наличии, поставок нет | 
|  1  | 0333706 | Винт, Подшипник Корпус to Редуктор (SCREW, Bearing housing to gearcase)  | нет в наличии, поставок нет | 
|  2  | 0302337 | Уплотнительное кольцо, Подшипник Корпус (O-RING, Bearing housing)  | нет в наличии, поставок нет | 
|  2  | 3852044 |    (последний код) O-RING                                                                            | нет в наличии, поставок нет | 
|  3  | 0391171 | Редуктор Подшипник Корпус в сборе. (GEARCASE BEARING HOUSING ASSY.)  | нет в наличии, поставок нет | 
|  4  | 0434694 | Подшипник в сборе. (BEARING ASSY.)  | 7 шт | 930 руб. | 
|  4  | 0679144 |    (последний код) BEARING                                                                           | нет в наличии, поставок нет | 
|  5  | 0335250 | Сальник, Подшипник Корпус (SEAL, Bearing housing)  | 16 шт | 1000 руб. | 
|  6  | 0326210 | дляWARD Шестерни, комплект (FORWARD GEAR ASSY.)  | нет в наличии, поставок нет | 
|  7  | 0394134 | Редуктор в сборе с подшипником. (GEARCASE & BEARING ASSY.)  | нет в наличии, поставок нет | 
|  7  | 0390638 |    (последний код) GEARCASE&BRG AY                                                                   | нет в наличии, поставок нет | 
|  8  | 0321357 | Уплотнительное кольцо, Переключающая тяга (O-RING, Shift rod)  | нет в наличии, поставок нет | 
|  9  | 0325282 | Подшипник в сборе., нижний (BEARING ASSY., Lower)  | 1 шт | 1660 руб. | 
|  10  | 0326207 | Втулка, Переключающая тяга (BUSHING, Shift rod)  | нет в наличии, поставок нет | 
|  11  | 0327031 | Сальник, DriveВал (SEAL, Driveshaft)  | нет в наличии, поставок нет | 
|  11  | 0300599 |    (последний код) SEAL                                                                              | нет в наличии, поставок нет | 
|  12  | 0389574 | Подшипник в сборе. (BEARING ASSY.)  | нет в наличии, поставок нет | 
|  12  | 0391048 |    (последний код) BRG&SLEEVE                                                                        | 1 шт | 4890 руб. | 
|  13  | 0434694 | Подшипник в сборе. (BEARING ASSY.)  | 7 шт | 930 руб. | 
|  13  | 0679144 |    (последний код) BEARING                                                                           | нет в наличии, поставок нет | 
|  14  | 0326211 | Шестерня, DriveВал (PINION, Driveshaft)  | нет в наличии, поставок нет | 
|  15  | 0912625 | Заглушка, Редуктор (PLUG, Gearcase)  | нет в наличии, поставок нет | 
|  15  | 0307551 |    (последний код) DRAIN FILL PLG                                                                    | нет в наличии, поставок нет | 
|  16  | 0311598 | Шайба (WASHER)  | нет в наличии, поставок нет | 
|  16  | 3852105 |    (последний код) WASHER                                                                            | нет в наличии, поставок нет | 
|  18  | 0321129 | Пыльник водяной трубки. Also included in kit 431784 (GROMMET, Water tube. Also included in kit 431784)  | нет в наличии, поставок нет | 
|  19  | 0329091 | Водяной насос Корпус. Also included in kit 431784 (WATER PUMP HOUSING. Also included in kit 431784)  | нет в наличии, поставок нет | 
|  20  | 0321127 | Винт, Водяной насос в сборе. (SCREW, Water pump assy.)  | нет в наличии, поставок нет | 
|  21  | 0433935 | Крыльчатка в сборе., Водяной насос. Also included in kit 431784 (IMPELLER ASSY., Water pump. Also included in kit 431784)  | нет в наличии, поставок нет | 
|  21  | 0396852 |    (последний код) IMPELLER-AY.                                                                      | нет в наличии, поставок нет | 
|  21A  | 0335956 | Ключ, Крыльчатка. Also included in kit 431784 (KEY, Impeller. Also included in kit 431784)  | нет в наличии, поставок нет | 
|  22  | 0437709 | Приводной вал., Std. (DRIVESHAFT ASSY., Std.)  | нет в наличии, поставок нет | 
|  22  | 0434744 |    (последний код) DRIVESHAFT AY,STD                                                                 | нет в наличии, поставок нет | 
|  22  | 0437710 | Приводной вал., Long (DRIVESHAFT ASSY., Long)  | нет в наличии, поставок нет | 
|  23  | 0309243 | Винт, Vent (SCREW, Vent)  | нет в наличии, поставок нет | 
|  23  | 0333800 |    (последний код) SCREW                                                                             | нет в наличии, поставок нет | 
|  23A  | 0336982 | Уплотнительное кольцо, Vent Винт (O-RING, Vent screw)  | нет в наличии, поставок нет | 
|  24  | 0325669 | Упорная шайба (THRUST WASHER)  | нет в наличии, поставок нет | 
|  25  | 0326204 | Водяной экран вход (SCREEN, Water inlet)  | нет в наличии, поставок нет | 
|  26  | 0326205 | Пружина, Сцепление (SPRING, Clutch)  | нет в наличии, поставок нет | 
|  27  | 0327983 | Переключающая тяга, Std. (SHIFT ROD, Std.)  | нет в наличии, поставок нет | 
|  27  | 0326236 |    (последний код) SHIFT-ROD-ST                                                                      | нет в наличии, поставок нет | 
|  27  | 0327982 | Переключающая тяга, Long (SHIFT ROD, Long)  | нет в наличии, поставок нет | 
|  27  | 0326237 |    (последний код) SHIFT-ROD                                                                         | нет в наличии, поставок нет | 
|  28  | 0329092 | Пластина, Корпус. Also included in kit 431784 (PLATE, Housing. Also included in kit 431784)  | нет в наличии, поставок нет | 
|  29  | 0324641 | LINER, Водяной насос. Also included in kit 431784 (LINER, Water pump. Also included in kit 431784)  | нет в наличии, поставок нет | 
|  30  | 0391065 | THRUST Подшипник в сборе. (THRUST BEARING ASSY.)  | нет в наличии, поставок нет | 
|  31  | 0381791 | THRUST Подшипник в сборе. (THRUST BEARING ASSY.)  | 1 шт | 990 руб. | 
|  32  | 0434052 | Вал гребного винта в сборе. (PROPELLER SHAFT ASSY.)  | нет в наличии, поставок нет | 
|  33  | 0330342 | Сальник. Also included in kit 431784 (SEAL. Also included in kit 431784)  | нет в наличии, поставок нет | 
|  34  | 0330447 | Прокладка крыльчатки Корпус. Also included in kit 431784 (GASKET, Impeller housing. Also included in kit 431784)  | нет в наличии, поставок нет | 
|  35  | 0310331 | Кольцо, Prop Сцепление (RING, Prop clutch)  | 1 шт | 1220 руб. | 
|  36  | 0313693 | Шплинт, Гайка гребного винта (COTTER PIN, Propeller nut)  | 3 шт | 70 руб. | 
|  37  | 0398316 | Сцепление HUB, Гребной винт (CLUTCH HUB, Propeller)  | нет в наличии, поставок нет | 
|  37  | 0398731 |    (последний код) CLUTCH-HUB-A                                                                      | нет в наличии, поставок нет | 
|  38  | 0336221 | DRIVE Штифт, Гребной винт (DRIVE PIN, Propeller)  | нет в наличии, поставок нет | 
|  40  | 0333710 | Винт, Редуктор Креплениеing, 15 дюйм, front & rea (SCREW, Gearcase mounting, 15 in., front & rea)  | нет в наличии, поставок нет | 
|  40  | 0332012 |    (последний код) SCREW                                                                             | нет в наличии, поставок нет | 
|  41  | 0318487 | Гребной винт, 7 1 / 2 x 6 (PROPELLER, 7 1/2 x 6)  | нет в наличии, поставок нет | 
|  41  | 0319774 |    (последний код) PROPELLER                                                                         | нет в наличии, поставок нет | 
|  41  | 0319774 | Гребной винт, 7 1 / 2 x 7. Included with Motor (PROPELLER, 7 1/2 x 7. Included with Motor)  | нет в наличии, поставок нет | 
|  41  | 0318487 |    (последний код) PL PROP 4 HP                                                                      | нет в наличии, поставок нет | 
|  41  | 0327677 | Гребной винт, 7 1 / 2 x 6 1 / 2 (PROPELLER, 7 1/2 x 6 1/2)  | нет в наличии, поставок нет | 
|   | 0 | 5 дюйм LONGER PARTS (5 in. LONGER PARTS)  | нет в наличии, поставок нет | 
|  0435540  | 0435540 | Удлинитель KIT. Not Shown (EXTENSION KIT. Not Shown)  | нет в наличии, поставок нет | 
|  8  | 0321357 | Уплотнительное кольцо (O-RING)  | нет в наличии, поставок нет | 
|  18  | 0321129 | Пыльник водяной трубки. Also included in kit 431784 (GROMMET, Water tube. Also included in kit 431784)  | нет в наличии, поставок нет | 
|  22  | 0437710 | DRIVEВал, Long (DRIVESHAFT, Long)  | нет в наличии, поставок нет | 
|  27  | 0327982 | Переключающая тяга, Long (SHIFT ROD, Long)  | нет в наличии, поставок нет | 
|  27  | 0326237 |    (последний код) SHIFT-ROD                                                                         | нет в наличии, поставок нет | 
|  33  | 0330342 | Сальник, Крыльчатка Корпус. Also included in kit 431784 (SEAL, Impeller housing. Also included in kit 431784)  | нет в наличии, поставок нет | 
|  34  | 0330447 | Прокладка крыльчатки Корпус. Also included in kit 431784 (GASKET, Impeller housing. Also included in kit 431784)  | нет в наличии, поставок нет | 
|  39  | 0310258 | Пыльник водяной трубки (GROMMET, Water tube)  | нет в наличии, поставок нет | 
|  40  | 0330666 | Винт, Редуктор Креплениеing, front (SCREW, Gearcase mounting, front)  | нет в наличии, поставок нет | 
|  40  | 0341982 |    (последний код) STUD                                                                              | нет в наличии, поставок нет | 
|  42  | 0394477 | Редуктор EXT. в сборе. (GEARCASE EXT. ASSY.)  | нет в наличии, поставок нет | 
|  42  | 0391666 |    (последний код) EXTENSION                                                                         | нет в наличии, поставок нет | 
|  43  | 0310674 | Втулка, DriveВал (BUSHING, Driveshaft)  | нет в наличии, поставок нет | 
|  44  | 0326742 | Гильза, DriveВал (SLEEVE, Driveshaft)  | нет в наличии, поставок нет | 
|  44  | 0326988 |    (последний код) SLEEVE                                                                            | нет в наличии, поставок нет | 
|  46  | 0327981 | Водяная трубка, Long (WATER TUBE, Long)  | нет в наличии, поставок нет | 
|  46  | 0326233 |    (последний код) W-TUBE                                                                            | нет в наличии, поставок нет | 
|  47  | 0313022 | LOCKГайка (LOCKNUT)  | нет в наличии, поставок нет | 
|  47  | 3852118 |    (последний код) NUT,LOCK                                                                          | нет в наличии, поставок нет | 
|  48  | 0304051 | Шайба шестерниcase (WASHER, Gearcase)  | нет в наличии, поставок нет | 
|  48  | 0328703 |    (последний код) WASHER                                                                            | нет в наличии, поставок нет | 
|  49  | 0341982 | Шпилька, Редуктор to Корпус (STUD, Gearcase to housing)  | нет в наличии, поставок нет | 
|  49  | 0330666 |    (последний код) SCREW,GCASE-EX HSG                                                                | нет в наличии, поставок нет | 
|  50  | 0306376 | Шплинт (COTTER PIN)  | нет в наличии, поставок нет | 
|  50  | 0306370 |    (последний код) COTTER PIN                                                                        | нет в наличии, поставок нет | 
|  0336089  | 0336089 | Прокладка, Цилиндр to Выхлоп hsg.. Not Shown (GASKET, Cylinder to exhaust hsg.. Not Shown)  | нет в наличии, поставок нет | 
|  51  | 0173029 | ZINC Анод KIT (ZINC ANODE KIT)  | нет в наличии, поставок нет | 
|  51  | 0123009 |    (последний код) ANODE                                                                             | нет в наличии, поставок нет | 
|  0304454  | 0304454 | Шайба с блокировкой. Not Shown (LOCK WASHER. Not Shown)  | нет в наличии, поставок нет | 
|  0306643  | 0306643 | Винт. Not Shown (SCREW. Not Shown)  | нет в наличии, поставок нет | 
|  0306643  | 3852066 |    (последний код) SCREW                                                                             | нет в наличии, поставок нет | 
|  52  | 0394113 | Хромированный ремкомплект водяного насоса (CHROME PUMP KIT)  | нет в наличии, поставок нет | 
|  52  | 0391294 |    (последний код) CHROME-PUMP                                                                       | нет в наличии, поставок нет | 
|  53  | 0431784 | Ремкомплект водяного насоса (WATER PUMP REPAIR KIT)  | нет в наличии, поставок нет | 
|  53  | 0431785 |    (последний код) WTR PUMP KIT                                                                      | нет в наличии, поставок нет | 
|  53  | 0431785 | Ремкомплект водяного насоса (Includes Крыльчатка hous ng) (WATER PUMP REPAIR KIT (Includes impeller hous ng))  | нет в наличии, поставок нет | 
|  53  | 0431784 |    (последний код) WATER-PUMP-K                                                                      | нет в наличии, поставок нет |