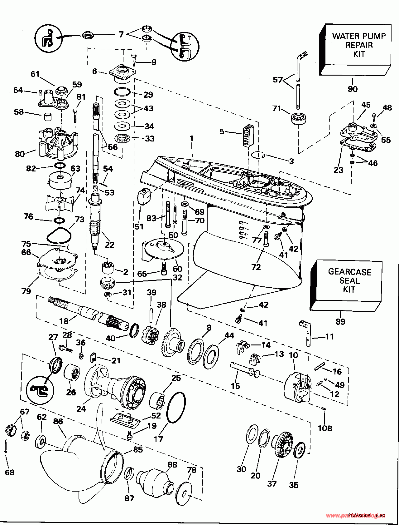
Номер на рисунке | Артикул | Наименование | Кол-во на складе | Цена |
| 0435475 | 0435475 | Редуктор в сборе., комплект. Not Shown (GEARCASE ASSY., Complete. Not Shown) | нет в наличии, поставок нет |
| 0435475 | 5004635 | (последний код) SEE SB 2002-02P | нет в наличии, поставок нет |
| 1 | 0435738 | Редуктор в сборе с подшипником. (GEARCASE & BEARING ASSY.) | нет в наличии, поставок нет |
| 1 | 0439973 | (последний код) CALL TECH SVC/QIPL | нет в наличии, поставок нет |
| 2 | 0387817 | Подшипник, Шестерня (BEARING, Pinion) | нет в наличии, поставок нет |
| 3 | 0338778 | Стопорное кольцо (RETAINING RING) | нет в наличии, поставок нет |
| 5 | 0321123 | Водяной экран Система впуска (SCREEN, Water intake) | нет в наличии, поставок нет |
| 6 | 0435675 | Подшипник Корпус & Сальник. Early PТягаuction Double Сальник (BEARING HOUSING & SEAL. Early Production Double Seal) | нет в наличии, поставок нет |
| 6 | 0439476 | (последний код) DS BRG HSG&SEAL AY | нет в наличии, поставок нет |
| 6 | 0437215 | Подшипник Корпус & Сальник. Late PТягаuction Single Сальник (BEARING HOUSING & SEAL. Late Production Single Seal) | нет в наличии, поставок нет |
| 6 | 0439476 | (последний код) DS BRG HSG&SEAL AY | нет в наличии, поставок нет |
| 7 | 0329922 | Сальник, DriveВал, верхний Contents of Комплект сальников редуктора Early PТягаuction Double Сальник (SEAL, Driveshaft, upper. Contents of Gearcase Seal Kit Early Production Double Seal) | нет в наличии, поставок нет |
| 7 | 0329923 | Сальник, DriveВал, нижний Contents of Комплект сальников редуктора Early PТягаuction Double Сальник (SEAL, Driveshaft, lower. Contents of Gearcase Seal Kit Early Production Double Seal) | нет в наличии, поставок нет |
| 7 | 0341280 | Сальник, DriveВал, нижний Contents of Комплект сальников редуктора Late PТягаuction Single Сальник (SEAL, Driveshaft, lower. Contents of Gearcase Seal Kit Late Production Single Seal) | нет в наличии, поставок нет |
| 8 | 0389042 | THRUST BRG. в сборе., Fwd. Шестерня (THRUST BRG. ASSY., Fwd. gear) | нет в наличии, поставок нет |
| 9 | 0317624 | Винт, Корпус to Редуктор (SCREW, Housing to gearcase) | нет в наличии, поставок нет |
| 10 | 0389455 | Корпус & Подшипник в сборе. (HOUSING & BEARING ASSY.) | нет в наличии, поставок нет |
| 10B | 0331880 | Штифт, Корпус (PIN, Housing) | нет в наличии, поставок нет |
| 11 | 0323946 | DETENT, Переключательer (DETENT, Shifter) | нет в наличии, поставок нет |
| 11 | 0915954 | (последний код) DETENT | нет в наличии, поставок нет |
| 12 | 0911962 | Фиксатор пружины (SPRING, Detent) | нет в наличии, поставок нет |
| 12 | 0915955 | (последний код) SPRING | нет в наличии, поставок нет |
| 13 | 0334163 | CRADLE, Переключательer (CRADLE, Shifter) | 5 шт | 1880 руб. |
| 13 | 0322900 | (последний код) CRADLE-SHIFT | нет в наличии, поставок нет |
| 14 | 0322938 | ПереключательER (SHIFTER) | нет в наличии, поставок нет |
| 15 | 0322941 | Вал (SHAFT) | нет в наличии, поставок нет |
| 16 | 0328825 | Штифт, Рычаг переключения (PIN, Shift lever) | нет в наличии, поставок нет |
| 17 | 0305123 | Уплотнительное кольцо, Вал гребного винта. Contents of Комплект сальников редуктора (O-RING, Propeller shaft. Contents of Gearcase Seal Kit) | нет в наличии, поставок нет |
| 17 | 0321119 | (последний код) O-RING,-DLR | нет в наличии, поставок нет |
| 18 | 0435022 | Вал гребного винта в сборе. (PROPELLER SHAFT ASSY.) | нет в наличии, поставок нет |
| 18 | 5004765 | (последний код) PROPSHAFT AY,SERV | нет в наличии, поставок нет |
| 19 | 0908158 | Винт, Анод (SCREW, Anode) | нет в наличии, поставок нет |
| 19 | 3852050 | (последний код) SCREW | нет в наличии, поставок нет |
| 20 | 0382408 | THRUST Подшипник, Reverse Шестерня (THRUST BEARING, Reverse gear) | нет в наличии, поставок нет |
| 21 | 0333957 | TAB, Фиксатор (TAB, Retainer) | нет в наличии, поставок нет |
| 22 | 0335677 | DRIVEВал, нижний (DRIVESHAFT, Lower) | нет в наличии, поставок нет |
| 22 | 0345905 | (последний код) DRIVESHAFT,LOWER | нет в наличии, поставок нет |
| 23 | 0324670 | Прокладка, Переключающая тяга Крышка. Contents of Комплект сальников редуктора (GASKET, Shift rod cover. Contents of Gearcase Seal Kit) | нет в наличии, поставок нет |
| 23 | 0352165 | (последний код) GASKET | 2 шт | 550 руб. |
| 24 | 0435096 | Подшипник Корпус Сальник в сборе. (BEARING HOUSING SEAL ASSY.) | нет в наличии, поставок нет |
| 24 | 5004257 | (последний код) HSG AY, PROPSHAFT | нет в наличии, поставок нет |
| 25 | 0382407 | Игольчатый подшипник в сборе. (NEEDLE BEARING ASSY.) | 1 шт | 5500 руб. |
| 26 | 0434467 | Игольчатый подшипник в сборе. (NEEDLE BEARING ASSY.) | нет в наличии, поставок нет |
| 27 | 0341281 | Сальник. Contents of Комплект сальников редуктора (SEAL. Contents of Gearcase Seal Kit) | нет в наличии, поставок нет |
| 28 | 0341541 | Винт (SCREW) | нет в наличии, поставок нет |
| 29 | 0314728 | Уплотнительное кольцо, DriveВал Подшипник. Contents of Комплект сальников редуктора (O-RING, Driveshaft bearing. Contents of Gearcase Seal Kit) | нет в наличии, поставок нет |
| 29 | 0354731 | (последний код) O-RING | 1 шт | 850 руб. |
| 30 | 0314731 | THRUST Шайба шестерни заднего хода (THRUST WASHER, Reverse gear) | нет в наличии, поставок нет |
| 31 | 0314730 | Гайка, Шестерня to driveВал (NUT, Pinion to driveshaft) | нет в наличии, поставок нет |
| 32 | 0435020 | Шестерня & Комплект шестерёнок. (GEAR & PINION ASSY.) | нет в наличии, поставок нет |
| 32 | 5004938 | (последний код) GEARSET,V6 FWD&PIN | нет в наличии, поставок нет |
| 33 | 0387656 | THRUST Подшипник, Шестерня (THRUST BEARING, Pinion) | нет в наличии, поставок нет |
| 33 | 0383248 | (последний код) BEARING | нет в наличии, поставок нет |
| 34 | 0327656 | Упорная шайба шестерни Шестерня (THRUST WASHER, Pinion) | нет в наличии, поставок нет |
| 34 | 0314729 | (последний код) THRUST-WASHE | нет в наличии, поставок нет |
| 35 | 0336565 | Упорная шайба (THRUST WASHER) | нет в наличии, поставок нет |
| 36 | 0328743 | Шайба, Винт, tab (WASHER, Screw, tab) | нет в наличии, поставок нет |
| 36 | 3852191 | (последний код) WASHER | нет в наличии, поставок нет |
| 37 | 0336561 | Шестерня обратного хода (GEAR, Reverse) | нет в наличии, поставок нет |
| 38 | 0337774 | Переключатель собачки сцепления (SHIFTER, Clutch dog) | нет в наличии, поставок нет |
| 38 | 0910995 | (последний код) SHIFTER | нет в наличии, поставок нет |
| 39 | 0313448 | Штифт сцепления dog (PIN, Clutch dog) | нет в наличии, поставок нет |
| 40 | 0324369 | Пружина, Сцепление dog Штифт (SPRING, Clutch dog pin) | нет в наличии, поставок нет |
| 40 | 0313454 | (последний код) SPRING | нет в наличии, поставок нет |
| 41 | 0318544 | Заглушка, Fill & drain (PLUG, Fill & drain) | нет в наличии, поставок нет |
| 41 | 0912624 | (последний код) SCREW | нет в наличии, поставок нет |
| 42 | 0311598 | Шайба (WASHER) | нет в наличии, поставок нет |
| 42 | 3852105 | (последний код) WASHER | нет в наличии, поставок нет |
| 43 | 0323362 | Регулировочная шайба, 0.003 дюйм (SHIM, 0.003 in.) | нет в наличии, поставок нет |
| 43 | 0323361 | Регулировочная шайба, 0.004 дюйм (SHIM, 0.004 in.) | нет в наличии, поставок нет |
| 43 | 0314745 | Регулировочная шайба, 0.005 дюйм (SHIM, 0.005 in.) | нет в наличии, поставок нет |
| 44 | 0327669 | Упорная шайба, дляward Шестерня (THRUST WASHER, Forward gear) | нет в наличии, поставок нет |
| 44 | 0324805 | (последний код) THRUST-WASHE | нет в наличии, поставок нет |
| 45 | 0435482 | Крышка & Сальник в сборе. (COVER & SEAL ASSY.) | нет в наличии, поставок нет |
| 45 | 5006241 | (последний код) COVER AY,SHIFT ROD | нет в наличии, поставок нет |
| 46 | 0318372 | Уплотнительное кольцо переключающей тяги, входит в комплект сальников редуктора (O-RING, Shift rod. Contents of Gearcase Seal Kit) | нет в наличии, поставок нет |
| 48 | 0302325 | Винт, Крышка (SCREW, Cover) | нет в наличии, поставок нет |
| 49 | 0160084 | Шарик, Detent (BALL, Detent) | нет в наличии, поставок нет |
| 49 | 3852023 | (последний код) BALL | нет в наличии, поставок нет |
| 50 | 0328096 | Винт, Анод (SCREW, Anode) | нет в наличии, поставок нет |
| 50 | 0327046 | (последний код) SCREW | нет в наличии, поставок нет |
| 51 | 0436745 | Анод (ANODE) | нет в наличии, поставок нет |
| 51 | 0393023 | (последний код) ANODE&INSERT AY | нет в наличии, поставок нет |
| 52 | 0431708 | Анод, Подшипник Корпус (ANODE, Bearing housing) | нет в наличии, поставок нет |
| 52 | 0397111 | (последний код) ANODE-AY | нет в наличии, поставок нет |
| 53 | 0338504 | Фиксатор приводного вала (RETAINER, Driveshaft) | нет в наличии, поставок нет |
| 54 | 0311538 | ROLL Штифт, DriveВал (ROLL PIN, Driveshaft) | нет в наличии, поставок нет |
| 55 | 0328702 | Шайба (WASHER) | нет в наличии, поставок нет |
| 55 | 3852183 | (последний код) WASHER | нет в наличии, поставок нет |
| 56 | 0435765 | Приводной вал., верхний (Incl. #53 & 54) (DRIVESHAFT ASSY., Upper (Incl. #53 & 54)) | нет в наличии, поставок нет |
| 56 | 5007671 | (последний код) UPPER D/S KIT 20" | нет в наличии, поставок нет |
| 57 | 0329864 | Переключающая тяга (SHIFT ROD) | нет в наличии, поставок нет |
| 58 | 0314008 | Пыльник водяной трубки (GROMMET, Water tube) | нет в наличии, поставок нет |
| 59 | 0338893 | Колпак крыльчатки Корпус (COVER, Impeller housing) | нет в наличии, поставок нет |
| 59 | 0321159 | (последний код) COVER-IMP-HS | нет в наличии, поставок нет |
| 60 | 0327640 | Пластина трима, Редуктор (TRIM TAB, Gearcase) | нет в наличии, поставок нет |
| 60 | 0338742 | (последний код) TAB,TRIM-STD | нет в наличии, поставок нет |
| 61 | 0320943 | Пыльник, Крыльчатка Корпус (GROMMET, Impeller housing) | 1 шт | 300 руб. |
| 62 | 0320570 | Проставка гайки гребного винта (SPACER, Propeller nut) | нет в наличии, поставок нет |
| 62 | 3852163 | (последний код) SPACER,PROP | нет в наличии, поставок нет |
| 63 | 0338486 | Cвыше, Крыльчатка. Stainless Steel (CUP, Impeller. Stainless Steel) | нет в наличии, поставок нет |
| 63 | 0338551 | Cвыше, Крыльчатка Корпус. хромированная пластина (CUP, Impeller housing. Chrome Plated) | нет в наличии, поставок нет |
| 64 | 0306643 | Винт, Крышка to Крыльчатка (SCREW, Cover to impeller) | нет в наличии, поставок нет |
| 64 | 3852066 | (последний код) SCREW | нет в наличии, поставок нет |
| 65 | 0313715 | Винт, Пластина трима (SCREW, Trim tab) | нет в наличии, поставок нет |
| 66 | 0338485 | Пластина корпуса крыльчатки. Stainless Steel (PLATE, Impeller housing. Stainless Steel) | нет в наличии, поставок нет |
| 66 | 0338552 | Пластина корпуса крыльчатки. хромированная пластина (PLATE, Impeller housing. Chrome Plated) | нет в наличии, поставок нет |
| 67 | 0398042 | Гайка & KEEPER, Гребной винт (NUT & KEEPER, Propeller) | нет в наличии, поставок нет |
| 67 | 3850984 | (последний код) NUT&KEEPER AY,PROP | нет в наличии, поставок нет |
| 68 | 0306394 | Шплинт, Гайка гребного винта (COTTER PIN, Propeller nut) | нет в наличии, поставок нет |
| 68 | 3852056 | (последний код) PIN,COTTER | нет в наличии, поставок нет |
| 69 | 0330265 | Шайба, Винт, long (WASHER, Screw, long) | нет в наличии, поставок нет |
| 70 | 0331998 | Винт, Редуктор to Корпус (SCREW, Gearcase to housing) | нет в наличии, поставок нет |
| 70 | 0914535 | (последний код) SCREW | нет в наличии, поставок нет |
| 71 | 0321008 | Пыльник, Exh. hsg. to Переключающая тяга (GROMMET, Exh. hsg. to shift rod) | нет в наличии, поставок нет |
| 72 | 0331999 | Винт, Редуктор to Корпус (SCREW, Gearcase to housing) | нет в наличии, поставок нет |
| 72 | 0910457 | (последний код) SCREW | нет в наличии, поставок нет |
| 73 | 0331353 | Сальник, Крыльчатка Корпус Пластина (SEAL, Impeller housing plate) | 1 шт | 790 руб. |
| 74 | 0435821 | Крыльчатка в сборе. (IMPELLER ASSY.) | нет в наличии, поставок нет |
| 74 | 5001593 | (последний код) KIT AY,IMPELLER | нет в наличии, поставок нет |
| 75 | 0331107 | CAM, Крыльчатка (CAM, Impeller) | нет в наличии, поставок нет |
| 76 | 0302035 | Кольцевой сальник (SEAL RING) | нет в наличии, поставок нет |
| 77 | 0330266 | Шайба (WASHER) | нет в наличии, поставок нет |
| 77 | 3852200 | (последний код) WASHER | нет в наличии, поставок нет |
| 78 | 0126870 | Упорная втулка, 3 Blade (THRUST BUSHING, 3 Blade) | нет в наличии, поставок нет |
| 78 | 3852020 | (последний код) BUSHING,THRUST | нет в наличии, поставок нет |
| 78 | 0126869 | Упорная втулка, 4 Blade (THRUST BUSHING, 4 Blade) | нет в наличии, поставок нет |
| 78 | 0128740 | (последний код) BUSHING,THRUST | нет в наличии, поставок нет |
| 79 | 0338484 | Прокладка, Imp. hsg. Пластина. Contents of Комплект сальников редуктора (GASKET, Imp. hsg. plate. Contents of Gearcase Seal Kit) | нет в наличии, поставок нет |
| 79 | 0324701 | (последний код) GASKET,-DRL5 | нет в наличии, поставок нет |
| 80 | 0435990 | Крыльчатка Корпус, Редуктор (IMPELLER HOUSING, Gearcase) | нет в наличии, поставок нет |
| 81 | 0302325 | Винт, Крыльчатка Корпус, 1 дюйм (SCREW, Impeller housing, 1 in.) | нет в наличии, поставок нет |
| 82 | 0331188 | Уплотнительное кольцо (O-RING) | 5 шт | 370 руб. |
| 83 | 0330263 | Винт, Редуктор, rear (SCREW, Gearcase, rear) | нет в наличии, поставок нет |
| 83 | 0914534 | (последний код) SCREW | нет в наличии, поставок нет |
| 85 | 0 | Гребной винт. Refer to OMC SysteMatched Parts & Аксессуары Catalog для Гребной винт Chart (PROPELLER. Refer to OMC SysteMatched Parts & Accessories Catalog for Propeller Chart) | нет в наличии, поставок нет |
| 86 | 0332394 | CONVERGING Кольцо, 3 Blade (CONVERGING RING, 3 Blade) | нет в наличии, поставок нет |
| 86 | 3854241 | (последний код) RING, CONVERGING | нет в наличии, поставок нет |
| 87 | 0313926 | Гильза, Втулка (SLEEVE, Bushing) | нет в наличии, поставок нет |
| 87 | 3850831 | (последний код) SLEEVE-PROP | нет в наличии, поставок нет |
| 88 | 0387157 | Втулка в сборе., Prop., 3 blade, alum. (BUSHING ASSY., Prop., 3 blade, alum.) | нет в наличии, поставок нет |
| 88 | 0175401 | Втулка в сборе., Prop., 3 blade, SST (BUSHING ASSY., Prop., 3 blade, SST) | нет в наличии, поставок нет |
| 88 | 0431730 | Втулка в сборе., Prop., 4 blade (BUSHING ASSY., Prop., 4 blade) | нет в наличии, поставок нет |
| 89 | 0434516 | Комплект сальников редуктора. Early PТягаuction Double Сальник (GEARCASE SEAL KIT. Early Production Double Seal) | нет в наличии, поставок нет |
| 89 | 5006373 | (последний код) KIT AY,SEAL-GC | нет в наличии, поставок нет |
| 89 | 0437753 | Комплект сальников редуктора. Late PТягаuction Single Сальник (GEARCASE SEAL KIT. Late Production Single Seal) | нет в наличии, поставок нет |
| 89 | 5006373 | (последний код) KIT AY,SEAL-GC | нет в наличии, поставок нет |
| 90 | 0434421 | Ремкомплект водяного насоса, Includes Крыльчатка hous ng (WATER PUMP REPAIR KIT, Includes impeller hous ng) | нет в наличии, поставок нет |
| 90 | 5001594 | (последний код) KIT AY,WATER PUMP | нет в наличии, поставок нет |
| 90 | T-5001594 | (не оригинальный аналог) Ремкомплект насоса охлаждения Evinrude-Johnson 5001594 | 2 шт шт | по запросу |