вконтакте

Контактный телефон: +7 (981) 121-46-93, +7 (800) 200-90-76 , Email: parts-katalog@yandex.ru, где купить

 
 

  Логин:

Пароль:

Регистрация

www.partskatalog.ru Все каталоги Запчасти Mercury Запчасти Suzuki Запчасти Tohatsu Запчасти Honda Контакты


Все разделы каталога запчастей на этот двигатель

назад Раздел:   вперёд

вернуться к списку узлов и деталей

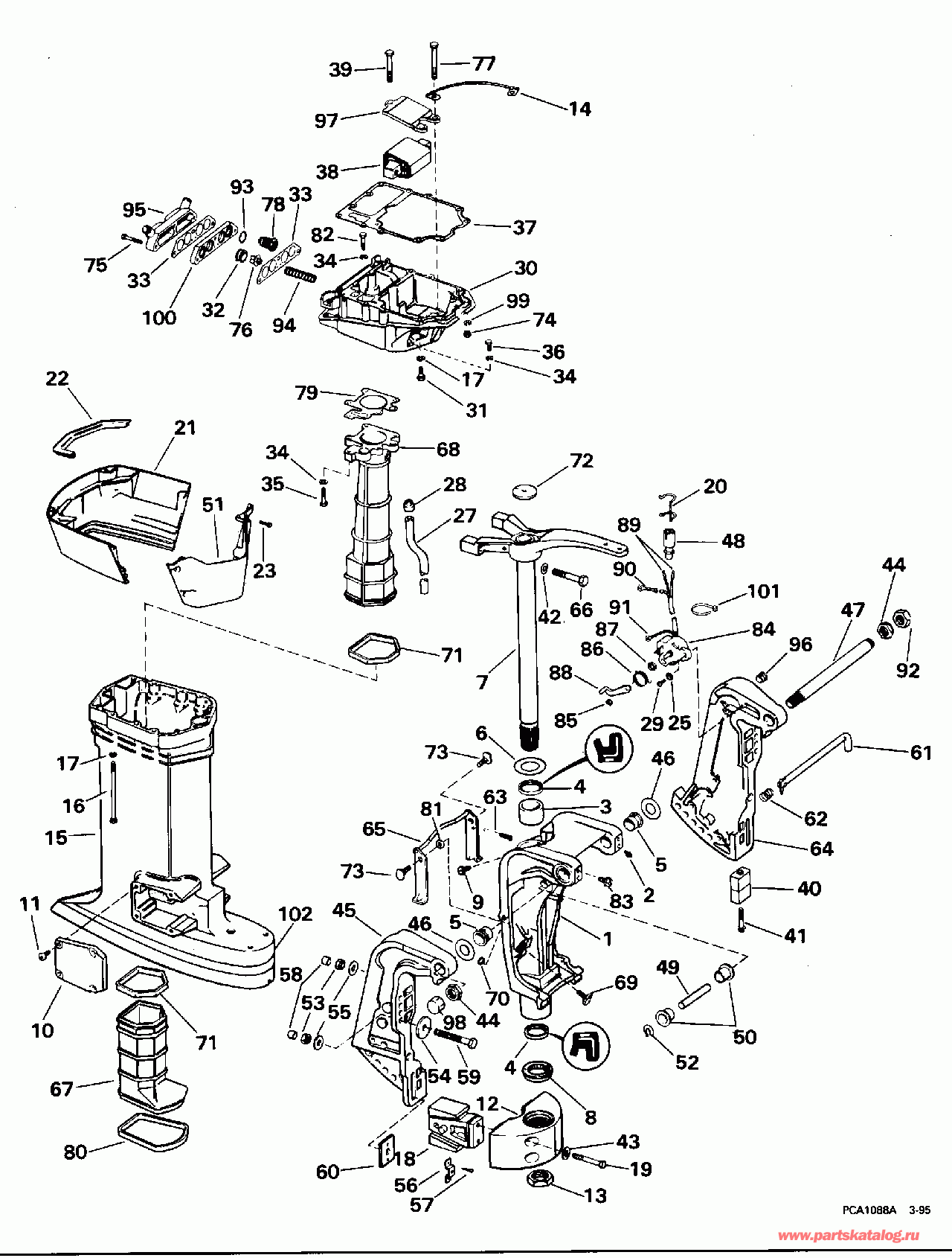
ДЕТАЛИРОВКА ДЛЯ МОДЕЛИ: EVINRUDE E88TSLEOC 1995

MIDSECTION | MIDSECTION;


Лодочный мотор EVINRUDE E88TSLEOC 1995  - dsection

Номер на
рисунке
АртикулНаименованиеКол-во
на складе
Цена
1 0432708

Поворотный кронштейн. 20 дюйм (508 мм) Transom Models Only (SWIVEL BRACKET. 20 in. (508mm) Transom Models Only)

нет в наличии, поставок нет
1 0398935

   (последний код) SWIVEL-BRKT

нет в наличии, поставок нет
1 0432710

Поворотный кронштейн. 25 дюйм (635 мм) Transom Models Only (SWIVEL BRACKET. 25 in. (635mm) Transom Models Only)

нет в наличии, поставок нет
1 0398309

   (последний код) SWIVEL-BRACK

нет в наличии, поставок нет
2 0313607

LUBRICATION FITTING (LUBRICATION FITTING)

нет в наличии, поставок нет
2 3852121

   (последний код) FITTING,LUB

нет в наличии, поставок нет
3 0320962

Втулка (BUSHING)

нет в наличии, поставок нет
4 0320937

Сальник (SEAL)

нет в наличии, поставок нет
5 0321035

Втулка, Поворотный кронштейн (BUSHING, Swivel bracket)

нет в наличии, поставок нет
6 0320866

THRUST Опорная шайба Вал (THRUST WASHER, Pivot shaft)

нет в наличии, поставок нет
7 0392518

Рулевая система Рычаг в сборе.. 20 дюйм (508 мм) Transom Models Only (STEERING ARM ASSY.. 20 in. (508mm) Transom Models Only)

нет в наличии, поставок нет
7 0983289

   (последний код) STEERING ARM

нет в наличии, поставок нет
7 0392519

Рулевая система Рычаг в сборе.. 25 дюйм (635 мм) Transom Models Only (STEERING ARM ASSY.. 25 in. (635mm) Transom Models Only)

нет в наличии, поставок нет
7 0983437

   (последний код) STRG ARM EXT LG

нет в наличии, поставок нет
8 0327696

KEEPER, Стержень Вал (KEEPER, Pivot shaft)

нет в наличии, поставок нет
9 0306014

Винт, Заземление lead (SCREW, Ground lead)

нет в наличии, поставок нет
10 0338741

Крышка, Монтажный кронштейн (левый)ower (COVER, Mount bracket lower)

нет в наличии, поставок нет
10 0337773

   (последний код) COVER,LOWER

нет в наличии, поставок нет
11 0908668

Винт, Крышка (SCREW, Cover)

нет в наличии, поставок нет
11 3852454

   (последний код) SCREW

нет в наличии, поставок нет
12 0339305

Кронштейн, Крепление (BRACKET, Mount)

нет в наличии, поставок нет
12 0340006

   (последний код) BRACKET,MOUN

нет в наличии, поставок нет
13 0320746

Гайка, Монтажный кронштейн (NUT, Mount bracket)

нет в наличии, поставок нет
14 0583967

Заземление LEAD (GROUND LEAD)

нет в наличии, поставок нет
14 0583357

   (последний код) LEAD-AY

нет в наличии, поставок нет
15 0341451

Удлинитель корпуса, Outer. 20 дюйм (508 мм) Transom Models Only (EXHAUST HOUSING, Outer. 20 in. (508mm) Transom Models Only)

нет в наличии, поставок нет
15 0337826

   (последний код) EXHAUST-HOUSING

нет в наличии, поставок нет
15 0435318

Удлинитель корпуса, Outer. 25 дюйм (635 мм) Transom Models Only (EXHAUST HOUSING, Outer. 25 in. (635mm) Transom Models Only)

нет в наличии, поставок нет
15 0398475

   (последний код) EXHAUST-HSG

нет в наличии, поставок нет
16 0328698

Винт, Удлинитель корпуса (SCREW, Exhaust housing)

нет в наличии, поставок нет
17 0301250

Шайба, Удлинитель корпуса (WASHER, Exhaust housing)

нет в наличии, поставок нет
17 0911009

   (последний код) WASHER

нет в наличии, поставок нет
18 0434631

RUBBER Крепление нижнее (RUBBER MOUNT, Lower)

нет в наличии, поставок нет
18 0391709

   (последний код) RUBBER MOUNT

нет в наличии, поставок нет
19 0328078

Винт, Крепление (SCREW, Mount)

нет в наличии, поставок нет
19 0327052

   (последний код) SCREW

нет в наличии, поставок нет
20 0512741

Фиксатор, Sending unit (RETAINER, Sending unit)

нет в наличии, поставок нет
21 0390131

Крышка, Rear (COVER, Rear)

нет в наличии, поставок нет
21 0389274

   (последний код) COVER&INSERT AY

нет в наличии, поставок нет
22 0318258

Сальник, Крышка (SEAL, Cover)

нет в наличии, поставок нет
23 0328694

Винт, Крышкаs (SCREW, Covers)

нет в наличии, поставок нет
23 0911122

   (последний код) SCREW

нет в наличии, поставок нет
25 0328739

Шайба, Sending unit (WASHER, Sending unit)

нет в наличии, поставок нет
25 3852190

   (последний код) WASHER

нет в наличии, поставок нет
27 0323403

Водяная трубка. 20 дюйм (508 мм) Transom Models Only (WATER TUBE. 20 in. (508mm) Transom Models Only)

нет в наличии, поставок нет
27 0323404

Водяная трубка. 25 дюйм (635 мм) Transom Models Only (WATER TUBE. 25 in. (635mm) Transom Models Only)

нет в наличии, поставок нет
28 0305145

Пыльник водяной трубки (GROMMET, Water tube)

нет в наличии, поставок нет
29 0308825

Винт, Sending unit (SCREW, Sending unit)

нет в наличии, поставок нет
29 3852081

   (последний код) SCREW

нет в наличии, поставок нет
30 0331039

ADAPTER, Удлинитель корпуса (ADAPTER, Exhaust housing)

нет в наличии, поставок нет
30 0331037

   (последний код) ADAPTOR

нет в наличии, поставок нет
31 0302860

Винт (SCREW)

нет в наличии, поставок нет
32 0321692

Пыльник (GROMMET)

нет в наличии, поставок нет
33 0332369

Прокладка (GASKET)

нет в наличии, поставок нет
33 0321897

   (последний код) GASKET

нет в наличии, поставок нет
34 0302290

Шайба с блокировкой (LOCK WASHER)

нет в наличии, поставок нет
34 0338307

   (последний код) WASHER,LOCK

нет в наличии, поставок нет
35 0306418

Винт, Inner to outer Корпус (SCREW, Inner to outer housing)

нет в наличии, поставок нет
36 0306409

Винт, Adapter to Корпус, outer (SCREW, Adapter to housing, outer)

нет в наличии, поставок нет
37 0321727

Прокладка, Adapter to powerhead (GASKET, Adapter to powerhead)

нет в наличии, поставок нет
37 0342513

   (последний код) GASKET, PWHD-ADPTR

нет в наличии, поставок нет
38 0395755

Монтажная резинка в сборе., верхний (RUBBER MOUNT ASSY., Upper)

нет в наличии, поставок нет
39 0330930

Винт, верхний Крепление (SCREW, Upper mount)

нет в наличии, поставок нет
39 0335021

   (последний код) SCREW 3/8-16

нет в наличии, поставок нет
40 0433458

Анод, Кронштейн транца (ANODE, Stern bracket)

нет в наличии, поставок нет
40 0398331

   (последний код) ANODE & INSERT AY

нет в наличии, поставок нет
41 0333350

Винт, Анод (SCREW, Anode)

нет в наличии, поставок нет
42 0313169

Шайба с блокировкой, Крепление Винт (LOCK WASHER, Mount screw)

нет в наличии, поставок нет
43 0306314

Шайба с блокировкой, Монтажный кронштейн (LOCK WASHER, Mount bracket)

нет в наличии, поставок нет
44 0335554

Гайка, Tilt Трубка (NUT, Tilt tube)

нет в наличии, поставок нет
45 0333304

Кронштейн транца, Starboard (STERN BRACKET, Starboard)

нет в наличии, поставок нет
45 0331024

   (последний код) STERN-BRACKE

нет в наличии, поставок нет
46 0910992

Упорная шайба, Кронштейн транца (THRUST WASHER, Stern bracket)

нет в наличии, поставок нет
46 0327699

   (последний код) THRUST-WASHE

нет в наличии, поставок нет
47 0335553

TILT Трубка (TILT TUBE)

нет в наличии, поставок нет
48 0512746

Коннектор, Датчик трима (CONNECTOR, Trim sender)

нет в наличии, поставок нет
49 0320792

Штифт, Цилиндр наклона (PIN, Tilt cylinder)

нет в наличии, поставок нет
50 0322481

Втулка, Цилиндр наклона (BUSHING, Tilt cylinder)

нет в наличии, поставок нет
50 0320941

   (последний код) BUSHING

нет в наличии, поставок нет
51 0323800

Выхлопная крышка Передний корпус (COVER, Exhaust housing, front)

нет в наличии, поставок нет
52 0321054

Пружина Зажим (SPRING CLIP)

нет в наличии, поставок нет
53 0313623

Гайка, Кронштейн транца Винт (NUT, Stern bracket screw)

нет в наличии, поставок нет
53 0321861

   (последний код) NUT

нет в наличии, поставок нет
54 0307238

Шайба, Гайка (WASHER, Nut)

нет в наличии, поставок нет
55 0320248

Шайба (WASHER)

нет в наличии, поставок нет
55 0312910

   (последний код) WASHER

нет в наличии, поставок нет
56 0318273

Фиксатор (RETAINER)

нет в наличии, поставок нет
57 0319886

Винт (SCREW)

нет в наличии, поставок нет
58 0318572

Монтажная крышка Винтs (CAP, Mounting screws)

нет в наличии, поставок нет
59 0318573

Винт, Кронштейн to transom, 3 1 / 2 дюйм (89 мм) (SCREW, Bracket to transom, 3 1/2 in. (89mm))

нет в наличии, поставок нет
59 3852153

   (последний код) BOLT

нет в наличии, поставок нет
59 0321577

Винт, Кронштейн to transom, 6 дюйм (152 мм) (SCREW, Bracket to transom, 6 in. (152mm))

нет в наличии, поставок нет
59 0336676

Винт, Кронштейн to transom, 4 3 / 4 дюйм (121 мм) (SCREW, Bracket to transom, 4 3/4 in. (121mm))

нет в наличии, поставок нет
59 0336675

   (последний код) BOLT

нет в наличии, поставок нет
59 0331578

Винт, Кронштейн to transom, 5 дюйм (127 мм) (SCREW, Bracket to transom, 5 in. (127mm))

нет в наличии, поставок нет
60 0318272

Пластина (PLATE)

нет в наличии, поставок нет
61 0436541

Упорный стержень в сборе. (THRUST ROD ASSY.)

нет в наличии, поставок нет
61 0387278

   (последний код) TH-ROD&RETAI

нет в наличии, поставок нет
62 0321053

Пружина, Стержень тяги (SPRING, Thrust rod)

нет в наличии, поставок нет
63 0323142

Пружина, Trail lock (SPRING, Trail lock)

нет в наличии, поставок нет
63 0322394

   (последний код) SPRING

нет в наличии, поставок нет
64 0333303

Кронштейн транца в сборе., Port (STERN BRACKET ASSY., Port)

нет в наличии, поставок нет
64 0331023

   (последний код) STERN-BRACKE

нет в наличии, поставок нет
65 0390442

LOCKING Рычаг, Тяга (LOCKING LEVER, Rod)

нет в наличии, поставок нет
65 5004427

   (последний код) LEVER&ROD AY

нет в наличии, поставок нет
66 0335612

Винт, верхний Крепление (SCREW, Upper mount)

нет в наличии, поставок нет
66 0328692

   (последний код) SCREW

нет в наличии, поставок нет
67 0327796

Удлинитель корпуса, Inner нижний 20 дюйм (508 мм) Transom Models Only (EXHAUST HOUSING, Inner lower. 20 in. (508mm) Transom Models Only)

нет в наличии, поставок нет
67 0320838

   (последний код) HH-EXH-HSG-I

нет в наличии, поставок нет
67 0327797

Удлинитель корпуса, Inner нижний 25 дюйм (635 мм) Transom Models Only (EXHAUST HOUSING, Inner lower. 25 in. (635mm) Transom Models Only)

нет в наличии, поставок нет
67 0320839

   (последний код) EXH-HSG-INR

нет в наличии, поставок нет
68 0329556

Удлинитель корпуса, Inner верхний (EXHAUST HOUSING, Inner upper)

нет в наличии, поставок нет
69 0321499

THRUST PAD (THRUST PAD)

нет в наличии, поставок нет
69 0320816

   (последний код) -THRUST-PAD

нет в наличии, поставок нет
70 0552938

Гайка, Thrust pad (NUT, Thrust pad)

нет в наличии, поставок нет
70 0306319

   (последний код) NUT

нет в наличии, поставок нет
71 0320936

Сальник, Удлинитель корпуса (SEAL, Exhaust housing)

нет в наличии, поставок нет
72 0322302

Сальник, Переключающая тяга (SEAL, Shift rod)

нет в наличии, поставок нет
72 0321361

   (последний код) SEAL

нет в наличии, поставок нет
73 0329109

SHOULDER Винт (SHOULDER SCREW)

нет в наличии, поставок нет
73 0321389

   (последний код) HH-SHOULDER

нет в наличии, поставок нет
74 0306422

Гайка, Powerhead to adapter (NUT, Powerhead to adapter)

нет в наличии, поставок нет
75 0305652

Винт, Термостат Корпус (SCREW, Thermostat housing)

нет в наличии, поставок нет
75 0310743

   (последний код) SCREW

нет в наличии, поставок нет
76 0318395

Сброс клапана (VALVE, Relief)

нет в наличии, поставок нет
77 0330931

Винт, Крепление (SCREW, Mount)

нет в наличии, поставок нет
77 0121250

   (последний код) SCREW

нет в наличии, поставок нет
78 0393659

Термостат (THERMOSTAT)

нет в наличии, поставок нет
78 5005440

   (последний код) THERMOSTAT AY

нет в наличии, поставок нет
79 0323459

Прокладка (GASKET)

нет в наличии, поставок нет
80 0320961

Сальник, Редуктор to Внутренности машинки газ-реверс (SEAL, Gearcase to inner housing)

нет в наличии, поставок нет
81 0552993

Шайба, Винт to Кронштейн (WASHER, Screw to bracket)

нет в наличии, поставок нет
81 0330266

   (последний код) WASHER

нет в наличии, поставок нет
82 0303398

Винт (SCREW)

нет в наличии, поставок нет
82 0330119

   (последний код) SCREW

нет в наличии, поставок нет
83 0328724

Винт, Поворотный кронштейн (SCREW, Swivel bracket)

нет в наличии, поставок нет
83 3852186

   (последний код) SCREW

нет в наличии, поставок нет
84 0583358

SENDING UNIT в сборе. (SENDING UNIT ASSY.)

нет в наличии, поставок нет
84 0582944

   (последний код) SENDING-UNIT

нет в наличии, поставок нет
85 0511527

Фиксатор (RETAINER)

нет в наличии, поставок нет
85 3852232

   (последний код) RETAINER

нет в наличии, поставок нет
86 0511528

Пружина (SPRING)

нет в наличии, поставок нет
87 0320689

Гайка (NUT)

нет в наличии, поставок нет
87 3852164

   (последний код) NUT

нет в наличии, поставок нет
88 0512211

Рычаг (ARM)

нет в наличии, поставок нет
88 0511530

   (последний код) ARM-SENDING

нет в наличии, поставок нет
89 0511469

Штифт, Sending unit (PIN, Sending unit)

нет в наличии, поставок нет
89 3852229

   (последний код) TERMINAL,PIN

нет в наличии, поставок нет
90 0510818

Клемма, Кольцо (TERMINAL, Ring)

нет в наличии, поставок нет
90 3854243

   (последний код) TERMINAL,RIN

нет в наличии, поставок нет
91 0513323

Клемма, Кольцо (TERMINAL, Ring)

нет в наличии, поставок нет
92 0322376

WIPER Гайка, Tilt Трубка to Кабели. Recommended to Prevent Corrosion in Salt Water Usage (WIPER NUT, Tilt tube to cable. Recommended to Prevent Corrosion in Salt Water Usage)

нет в наличии, поставок нет
93 0321932

Прокладка, Термостат (GASKET, Thermostat)

нет в наличии, поставок нет
94 0317245

Пружина давления relief (SPRING, Pressure relief)

нет в наличии, поставок нет
95 0321690

Крышка термостата (COVER, Thermostat)

нет в наличии, поставок нет
96 0321243

Втулка, Кабели (BUSHING, Cable)

нет в наличии, поставок нет
97 0331022

Пластина верхней опоры (PLATE, Upper mount)

нет в наличии, поставок нет
98 0317894

Колпачок, Tilt Трубка (CAP, Tilt tube)

нет в наличии, поставок нет
98 3852150

   (последний код) CAP

нет в наличии, поставок нет
99 0301250

Шайба с блокировкой (LOCK WASHER)

нет в наличии, поставок нет
99 0911009

   (последний код) WASHER

нет в наличии, поставок нет
100 0321693

Клапан Корпус (VALVE BODY)

нет в наличии, поставок нет
101 0320107

Крепёжный хомут (TIE STRAP)

нет в наличии, поставок нет
101 5035626

   (последний код) BAND,REM CON

нет в наличии, поставок нет
102 0342192

Наклейка, Удлинитель корпуса. белый Удлинитель корпусаs Only (DECAL, Exhaust housing. White Exhaust Housings Only)

нет в наличии, поставок нет
evinrude

Время выполнения запроса 1.5885879993439 сек.


 
 

данный сайт носит информационный характер и не является публичной офертой

склад запчастей для водомоторной техники