вконтакте

Контактный телефон: +7 (981) 121-46-93, +7 (800) 200-90-76 , Email: parts-katalog@yandex.ru, где купить

 
 

  Логин:

Пароль:

Регистрация

www.partskatalog.ru Все каталоги Запчасти Mercury Запчасти Suzuki Запчасти Tohatsu Запчасти Honda Контакты



УВАЖАЕМЫЕ КЛИЕНТЫ!
C 31 ОКТЯБРЯ 2025 ПО 10 НОЯБРЯ 2025 ГОДА РАБОТАТЬ НЕ БУДЕМ




Все разделы каталога запчастей на этот двигатель

назад Раздел:   вперёд

вернуться к списку узлов и деталей

ДЕТАЛИРОВКА ДЛЯ МОДЕЛИ: EVINRUDE E48ESLEOS 1995

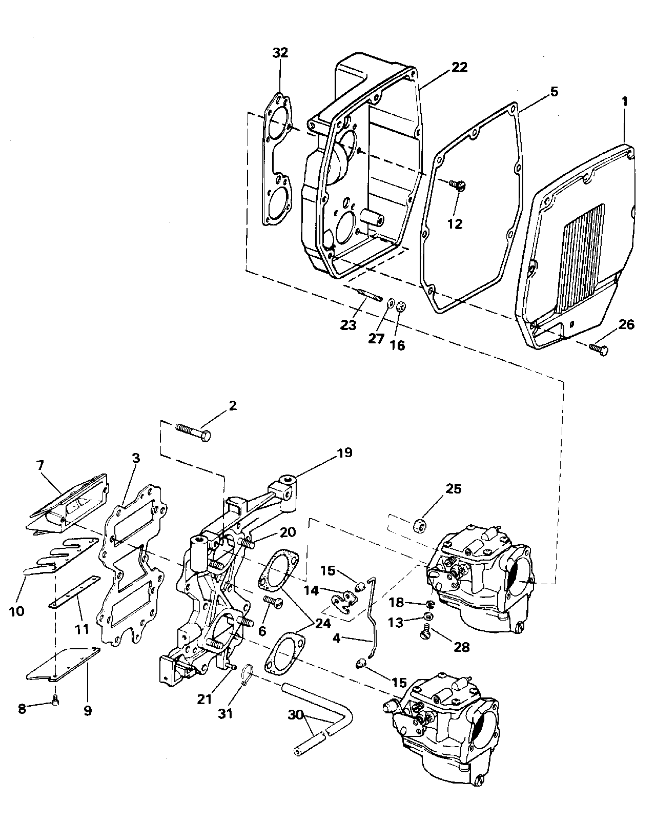
ВПУСКНОЙ КОЛЛЕКТОР | INTAKE MANIFOLD;


Подвесной мотор EVINRUDE E48ESLEOS 1995  - take Manifold - take Коллектор

Номер на
рисунке
АртикулНаименованиеКол-во
на складе
Цена
1 0336856

Крышка, Air Глушитель (COVER, Air silencer)

нет в наличии, поставок нет
2 0306409

Винт, Коллектор to Картер двигателя (SCREW, Manifold to crankcase)

нет в наличии, поставок нет
3 0335633

Прокладка коллектора to Картер двигателя (GASKET, Manifold to crankcase)

нет в наличии, поставок нет
3 0317504

   (последний код) GASKET

нет в наличии, поставок нет
4 0329888

Тяга дросселя adjustment Рычаг (LINK, Throttle adjustment lever)

нет в наличии, поставок нет
4 0321070

   (последний код) LINK

нет в наличии, поставок нет
5 0330909

Прокладка, Основание to Крышка (GASKET, Base to cover)

нет в наличии, поставок нет
6 0306474

Винт, Пластина to Коллектор (SCREW, Plate to manifold)

нет в наличии, поставок нет
7 0389810

LEAF Пластина в сборе. (LEAF PLATE ASSY.)

нет в наличии, поставок нет
7 0387431

   (последний код) LEAF PLATE

нет в наличии, поставок нет
8 0327074

Винт (SCREW)

нет в наличии, поставок нет
8 0307129

   (последний код) SCREW

нет в наличии, поставок нет
9 0323601

LEAF STOP (LEAF STOP)

нет в наличии, поставок нет
10 0308947

LEAF Клапан (LEAF VALVE)

нет в наличии, поставок нет
11 0323412

Регулировочная шайба, Leaf Клапан (SHIM, Leaf valve)

нет в наличии, поставок нет
12 0328694

Винт, Основание to Карбюратор (SCREW, Base to carburetor)

нет в наличии, поставок нет
12 0911122

   (последний код) SCREW

нет в наличии, поставок нет
13 0328735

Шайба, Регулировочный винт (WASHER, Adjusting screw)

нет в наличии, поставок нет
13 3852188

   (последний код) WASHER

нет в наличии, поставок нет
14 0329418

Рычаг дросселя adjustment (LEVER, Throttle adjustment)

нет в наличии, поставок нет
15 0318165

Фиксатор, Дроссель и choke (RETAINER, Throttle and choke)

нет в наличии, поставок нет
16 0338146

LOCKГайка, Air Глушитель (LOCKNUT, Air silencer)

нет в наличии, поставок нет
16 0123603

   (последний код) NUT

нет в наличии, поставок нет
18 0303701

Шайба с блокировкой, Adjustment Рычаг (LOCK WASHER, Adjustment lever)

нет в наличии, поставок нет
19 0391780

Коллектор в сборе. (MANIFOLD ASSY.)

нет в наличии, поставок нет
19 0386687

   (последний код) MANIFOLD

нет в наличии, поставок нет
20 0314497

Шпилька, Карбюратор Креплениеing (STUD, Carburetor mounting)

нет в наличии, поставок нет
21 0325659

Ниппель, Коллектор (NIPPLE, Manifold)

нет в наличии, поставок нет
22 0333522

Основание, Air Глушитель (BASE, Air silencer)

нет в наличии, поставок нет
23 0336855

Шпилька, Air Глушитель Основание (STUD, Air silencer base)

нет в наличии, поставок нет
24 0325092

Прокладка карбюратора (GASKET, Carburetor)

нет в наличии, поставок нет
24 0314477

   (последний код) GASKET

нет в наличии, поставок нет
25 0315204

Гайка, Карбюратор Креплениеing (NUT, Carburetor mounting)

нет в наличии, поставок нет
25 0316355

   (последний код) NUT

нет в наличии, поставок нет
26 0332226

Винт, Крышка to Основание (SCREW, Cover to base)

нет в наличии, поставок нет
26 3852207

   (последний код) SCREW

нет в наличии, поставок нет
27 0328703

Шайба (WASHER)

нет в наличии, поставок нет
27 3852184

   (последний код) WASHER

нет в наличии, поставок нет
28 0328714

Винт дросселя adjustment (SCREW, Throttle adjustment)

нет в наличии, поставок нет
28 0204027

   (последний код) SCREW

нет в наличии, поставок нет
30 0

Шланг, Глушитель to Коллектор, 5 дюйм (127 мм) Use 336317 сокращёная длина (HOSE, Silencer to manifold, 5 in. (127mm). Use 336317 Cut to Length)

нет в наличии, поставок нет
31 0320107

Крепёжный хомут (TIE STRAP)

нет в наличии, поставок нет
31 5035626

   (последний код) BAND,REM CON

нет в наличии, поставок нет
32 0330910

Прокладка, Air Глушитель (GASKET, Air silencer)

нет в наличии, поставок нет
evinrude

Время выполнения запроса 0.50922298431396 сек.


 
 

данный сайт носит информационный характер и не является публичной офертой

склад запчастей для водомоторной техники