вконтакте

Контактный телефон: +7 (981) 121-46-93, +7 (800) 200-90-76 , Email: parts-katalog@yandex.ru, где купить

 
 

  Логин:

Пароль:

Регистрация

www.partskatalog.ru Все каталоги Запчасти Mercury Запчасти Suzuki Запчасти Tohatsu Запчасти Honda Контакты



УВАЖАЕМЫЕ КЛИЕНТЫ!
C 31 ОКТЯБРЯ 2025 ПО 10 НОЯБРЯ 2025 ГОДА РАБОТАТЬ НЕ БУДЕМ




Все разделы каталога запчастей на этот двигатель

назад Раздел:   вперёд

вернуться к списку узлов и деталей

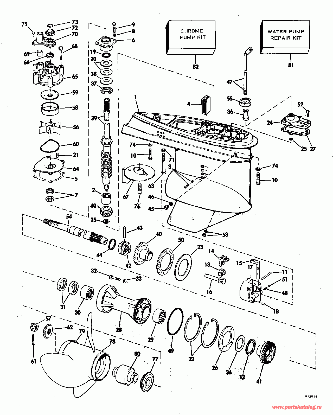
ДЕТАЛИРОВКА ДЛЯ МОДЕЛИ: EVINRUDE E200CXATS 1993

УДЛИНИТЕЛЬ КОРПУСА | EXHAUST HOUSING;


Лодочный мотор EVINRUDE E200CXATS 1993  - haust Housing

Номер на
рисунке
АртикулНаименованиеКол-во
на складе
Цена
1 0910736

Винт, Пластина & deflector. 25 дюйм Transom Models Only 30 дюйм Transom Models Only (SCREW, Plate & deflector. 25 in. Transom Models Only 30 in. Transom Models Only)

нет в наличии, поставок нет
2 0301250

Шайба, Spray deflector. 25 дюйм Transom Models Only 30 дюйм Transom Models Only (WASHER, Spray deflector. 25 in. Transom Models Only 30 in. Transom Models Only)

нет в наличии, поставок нет
2 0911009

   (последний код) WASHER

нет в наличии, поставок нет
3 0338750

SPRAY DEFLECTOR. 25 дюйм Transom Models Only 30 дюйм Transom Models Only (SPRAY DEFLECTOR. 25 in. Transom Models Only 30 in. Transom Models Only)

нет в наличии, поставок нет
3 0345776

   (последний код) DEFLECTOR,SPRAY

нет в наличии, поставок нет
4 0911201

Шайба, Spray Пластина. 25 дюйм Transom Models Only 30 дюйм Transom Models Only (WASHER, Spray plate. 25 in. Transom Models Only 30 in. Transom Models Only)

нет в наличии, поставок нет
5 0338749

SPRAY Пластина. 25 дюйм Transom Models Only 30 дюйм Transom Models Only (SPRAY PLATE. 25 in. Transom Models Only 30 in. Transom Models Only)

нет в наличии, поставок нет
5 0345776

   (последний код) DEFLECTOR,SPRAY

нет в наличии, поставок нет
6 0910741

Винт, Spray Пластина. 25 дюйм Transom Models Only 30 дюйм Transom Models Only (SCREW, Spray plate. 25 in. Transom Models Only 30 in. Transom Models Only)

нет в наличии, поставок нет
6 0313023

   (последний код) SCREW

нет в наличии, поставок нет
7 0338305

Винт, Крышка, short (SCREW, Cover, short)

нет в наличии, поставок нет
7 0124341

   (последний код) SCREW

нет в наличии, поставок нет
8 0301250

Шайба, Винт, mnt. Крышка (WASHER, Screw, mnt. cover)

нет в наличии, поставок нет
8 0911009

   (последний код) WASHER

нет в наличии, поставок нет
9 0333564

Прокладка крышки to water Пластина (GASKET, Cover to water plate)

нет в наличии, поставок нет
10 0338741

Крышка, Монтажный кронштейн (левый)ower (COVER, Mount bracket lower)

нет в наличии, поставок нет
10 0337773

   (последний код) COVER,LOWER

нет в наличии, поставок нет
11 0908668

Винт, Крышка (SCREW, Cover)

нет в наличии, поставок нет
11 3852454

   (последний код) SCREW

нет в наличии, поставок нет
12 0333565

Крышка, Water Пластина (COVER, Water plate)

нет в наличии, поставок нет
13 0302290

LOCK Шайба пластины to adapter (LOCK WASHER, Plate to adapter)

нет в наличии, поставок нет
13 0338307

   (последний код) WASHER,LOCK

нет в наличии, поставок нет
14 0308688

Шайба с блокировкой, Cyl. to adapter (LOCK WASHER, Cyl. to adapter)

нет в наличии, поставок нет
15 0435310

Удлинитель корпуса. 20 дюйм Transom Models Only (EXHAUST HOUSING. 20 in. Transom Models Only)

нет в наличии, поставок нет
15 0435433

   (последний код) HSG&STUD AY,EXH

нет в наличии, поставок нет
15 0435479

Удлинитель корпуса. 25 дюйм Transom Models Only (EXHAUST HOUSING. 25 in. Transom Models Only)

нет в наличии, поставок нет
15 0435130

EXH. HSG.. 30 дюйм Transom Models Only (EXH. HSG.. 30 in. Transom Models Only)

нет в наличии, поставок нет
16 0911042

Винт, Adapter to Цилиндр (SCREW, Adapter to cylinder)

нет в наличии, поставок нет
17 0308688

Шайба, Удлинитель корпуса (WASHER, Exhaust housing)

нет в наличии, поставок нет
18 0434629

RUBBER Крепление нижнее (RUBBER MOUNT, Lower)

нет в наличии, поставок нет
18 0391774

   (последний код) RUBBER MOUNT

нет в наличии, поставок нет
19 0211388

Наклейка, Exh. hsg., Ev., 200 STL (DECAL, Exh. hsg., Ev., 200 STL)

нет в наличии, поставок нет
19 0336386

Наклейка, Exh. hsg., Jo., 200 STL (DECAL, Exh. hsg., Jo., 200 STL)

нет в наличии, поставок нет
19 0333960

Наклейка, Exh. hsg., 185 (DECAL, Exh. hsg., 185)

нет в наличии, поставок нет
19 0212022

Наклейка, Exh. hsg., Ev., стандарт Styling (DECAL, Exh. hsg., Ev.,. Standard Styling)

нет в наличии, поставок нет
19 0212054

Наклейка, Exh. hsg., Ev., Ocean Pro / Ocean Runner Styling (DECAL, Exh. hsg., Ev.,. Ocean Pro/Ocean Runner Styling)

нет в наличии, поставок нет
19 0338445

Наклейка, Exh. hsg., Jo., стандарт Styling (DECAL, Exh. hsg., Jo.,. Standard Styling)

нет в наличии, поставок нет
19 0338687

Наклейка, Exh. hsg., Jo., Ocean Pro / Ocean Runner Styling (DECAL, Exh. hsg., Jo.,. Ocean Pro/Ocean Runner Styling)

нет в наличии, поставок нет
20 0309484

Винт, Цилиндр to adapter, rear (SCREW, Cylinder to adapter, rear)

нет в наличии, поставок нет
20 0959968

   (последний код) SCREW

нет в наличии, поставок нет
21 0320961

Сальник, Редуктор to Внутренности машинки газ-реверс (SEAL, Gearcase to inner housing)

нет в наличии, поставок нет
22 0328584

Крепление, Крышка двигателя (капот) (MOUNT, Engine cover)

нет в наличии, поставок нет
22 0349557

   (последний код) MOUNT

нет в наличии, поставок нет
23 0338306

Винт, Крышка, long (SCREW, Cover, long)

нет в наличии, поставок нет
23 0333165

   (последний код) SCREW

нет в наличии, поставок нет
24 0334118

Сальник, Выхлоп hsg., front (SEAL, Exhaust hsg., front)

нет в наличии, поставок нет
25 0329749

Шайба, Крепление (WASHER, Mount)

нет в наличии, поставок нет
25 0349556

   (последний код) WASHER

нет в наличии, поставок нет
26 0338597

Удлинитель корпуса, Inner, верхний (EXHAUST HOUSING, Inner, upper)

нет в наличии, поставок нет
27 0321016

Водяная трубка. 20 дюйм Transom Models Only (WATER TUBE. 20 in. Transom Models Only)

нет в наличии, поставок нет
27 0346897

   (последний код) TUBE,WATER 20"

нет в наличии, поставок нет
27 0321015

Водяная трубка. 25 дюйм Transom Models Only (WATER TUBE. 25 in. Transom Models Only)

нет в наличии, поставок нет
27 0346898

   (последний код) TUBE,WATER 25"

нет в наличии, поставок нет
27 0338673

Водяная трубка. 30 дюйм Transom Models Only (WATER TUBE. 30 in. Transom Models Only)

нет в наличии, поставок нет
27 0346899

   (последний код) TUBE,WATER 30"

нет в наличии, поставок нет
28 0305145

Пыльник водяной трубки (GROMMET, Water tube)

нет в наличии, поставок нет
29 0333566

Прокладка, Пластина to adapter (GASKET, Plate to adapter)

нет в наличии, поставок нет
29 0343809

   (последний код) GASKET

нет в наличии, поставок нет
30 0435049

ADAPTER, Exh. hsg. (ADAPTER, Exh. hsg.)

нет в наличии, поставок нет
30 0439918

   (последний код) ADAPTOR & STUD AY

нет в наличии, поставок нет
31 0314616

Шпилька, Adapter (STUD, Adapter)

нет в наличии, поставок нет
31 0324811

   (последний код) STUD-CYL

нет в наличии, поставок нет
32 0324814

Винт, Adapter to Внутренности машинки газ-реверс (SCREW, Adapter to inner housing)

нет в наличии, поставок нет
33 0312978

Винт, Пластина to adapter (SCREW, Plate to adapter)

нет в наличии, поставок нет
33 0320289

   (последний код) SCREW

нет в наличии, поставок нет
34 0302290

Шайба с блокировкой (LOCK WASHER)

нет в наличии, поставок нет
34 0338307

   (последний код) WASHER,LOCK

нет в наличии, поставок нет
35 0321164

Заглушка, Adapter (PLUG, Adapter)

нет в наличии, поставок нет
35 0307544

   (последний код) PLUG

нет в наличии, поставок нет
36 0329894

Винт, Adapter to Корпус, outer (SCREW, Adapter to housing, outer)

нет в наличии, поставок нет
36 0302510

   (последний код) SCREW

нет в наличии, поставок нет
37 0333879

Прокладка, Adapter to powerhead (GASKET, Adapter to powerhead)

нет в наличии, поставок нет
37 0331214

   (последний код) GASKET

нет в наличии, поставок нет
38 0432017

Монтажная резинка в сборе (RUBBER MOUNT ASSY)

нет в наличии, поставок нет
38 0396366

   (последний код) UPPER-MOUNT

нет в наличии, поставок нет
39 0330930

Винт, верхний Крепление (SCREW, Upper mount)

нет в наличии, поставок нет
39 0335021

   (последний код) SCREW 3/8-16

нет в наличии, поставок нет
40 0306422

Гайка, Картер двигателя to adapter (NUT, Crankcase to adapter)

нет в наличии, поставок нет
41 0329743

Шпилька, Крышка Крепление (STUD, Cover mount)

нет в наличии, поставок нет
42 0324814

Винт, Inner hsg. to adapter (SCREW, Inner hsg. to adapter)

нет в наличии, поставок нет
43 0330929

Пластина верхней опоры (PLATE, Upper mount)

нет в наличии, поставок нет
44 0302860

Винт, Adapter to Картер двигателя (SCREW, Adapter to crankcase)

нет в наличии, поставок нет
45 0332128

Винт, Удлинитель корпуса (SCREW, Exhaust housing)

нет в наличии, поставок нет
46 0329748

Сальник, Переключающая тяга (SEAL, Shift rod)

нет в наличии, поставок нет
47 0334113

Прокладка, Inner exh. hsg. to water Пластина (GASKET, Inner exh. hsg. to water plate)

нет в наличии, поставок нет
48 0333434

Сальник, Крышка to adapter (SEAL, Cover to adapter)

нет в наличии, поставок нет
48 0328589

   (последний код) SEAL

нет в наличии, поставок нет
49 0316040

Шпилька, Выхлоп hsg. (STUD, Exhaust hsg.)

нет в наличии, поставок нет
49 3852141

   (последний код) STUD

нет в наличии, поставок нет
50 0330931

Винт, верхний Крепление (SCREW, Upper mount)

нет в наличии, поставок нет
50 0121250

   (последний код) SCREW

нет в наличии, поставок нет
51 0306422

Гайка, Powerhead to adapter (NUT, Powerhead to adapter)

нет в наличии, поставок нет
52 0328742

Гайка, Adapter to outer hsg. (NUT, Adapter to outer hsg.)

нет в наличии, поставок нет
52 0308133

   (последний код) NUT

нет в наличии, поставок нет
53 0303398

Винт, Adapter to outer hsg. (SCREW, Adapter to outer hsg.)

нет в наличии, поставок нет
53 0330119

   (последний код) SCREW

нет в наличии, поставок нет
54 0301250

Шайба с блокировкой, Картер двигателя to adapter (LOCK WASHER, Crankcase to adapter)

нет в наличии, поставок нет
54 0911009

   (последний код) WASHER

нет в наличии, поставок нет
55 0320936

Сальник, Удлинитель корпуса (SEAL, Exhaust housing)

нет в наличии, поставок нет
56 0338668

WATER Пластина (WATER PLATE)

нет в наличии, поставок нет
56 0347251

   (последний код) PLATE,WATER

нет в наличии, поставок нет
57 0327796

Выхлоп HSG., Inner, нижний 20 дюйм Transom Models Only (EXHAUST HSG., Inner, lower. 20 in. Transom Models Only)

нет в наличии, поставок нет
57 0320838

   (последний код) HH-EXH-HSG-I

нет в наличии, поставок нет
57 0338664

Выхлоп HSG., Inner, нижний 25 дюйм Transom Models Only 30 дюйм Transom Models Only (EXHAUST HSG., Inner, lower. 25 in. Transom Models Only 30 in. Transom Models Only)

нет в наличии, поставок нет
58 0329241

Шайба, Powerhead to adapter (WASHER, Powerhead to adapter)

нет в наличии, поставок нет
58 3852193

   (последний код) WASHER

нет в наличии, поставок нет
59 0338307

Шайба, Винт (WASHER, Screw)

нет в наличии, поставок нет
59 0302290

   (последний код) LOCKWASHER

нет в наличии, поставок нет
60 0912627

Струбцина, Пыльник to Адаптер (CLAMP, Grommet to adaptor)

нет в наличии, поставок нет
60 3852602

   (последний код) CLAMP

нет в наличии, поставок нет
61 0337782

Пыльник AY (GROMMET AY)

нет в наличии, поставок нет
61 0345586

   (последний код) GROMMET & INSERT

нет в наличии, поставок нет
62 0436726

Заглушка, Overboard Индикатор (PLUG, Overboard indicator)

нет в наличии, поставок нет
62 0338780

   (последний код) NOZZLE,OVERB

нет в наличии, поставок нет
63 0301967

Уплотнительное кольцо, Overboard Индикатор (O-RING, Overboard indicator)

нет в наличии, поставок нет
64 0320107

Крепёжный хомут (TIE STRAP)

нет в наличии, поставок нет
64 5035626

   (последний код) BAND,REM CON

нет в наличии, поставок нет
65 0340383

LINER, Струбцина (LINER, Clamp)

нет в наличии, поставок нет
evinrude

Время выполнения запроса 1.3295609951019 сек.


 
 

данный сайт носит информационный характер и не является публичной офертой

склад запчастей для водомоторной техники