вконтакте

Контактный телефон: +7 (981) 121-46-93, +7 (800) 200-90-76 , Email: parts-katalog@yandex.ru, где купить

 
 

  Логин:

Пароль:

Регистрация

www.partskatalog.ru Все каталоги Запчасти Mercury Запчасти Suzuki Запчасти Tohatsu Запчасти Honda Контакты


Все разделы каталога запчастей на этот двигатель

назад Раздел:   вперёд

вернуться к списку узлов и деталей

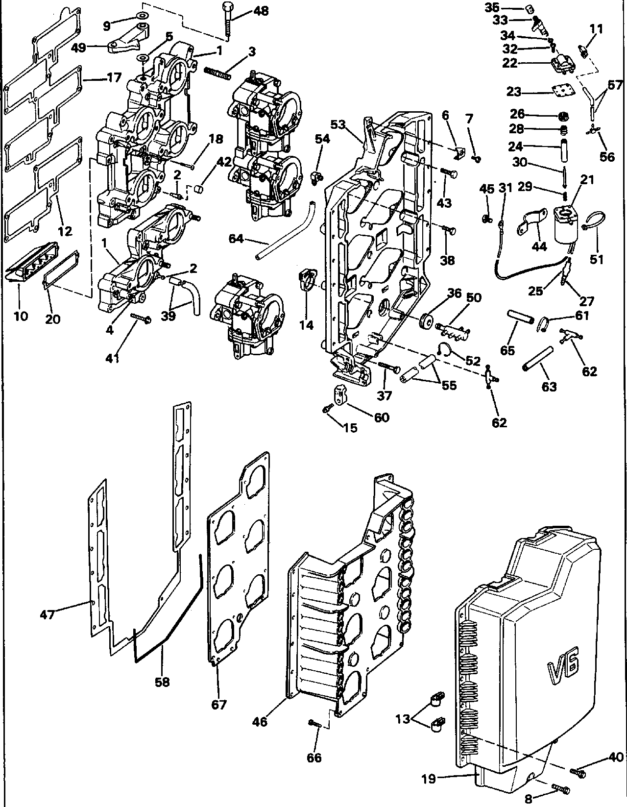
ДЕТАЛИРОВКА ДЛЯ МОДЕЛИ: EVINRUDE E225PXENR 1992

ВПУСКНОЙ КОЛЛЕКТОР | INTAKE MANIFOLD;


Мотор EVINRUDE E225PXENR 1992  - take Коллектор

Номер на
рисунке
АртикулНаименованиеКол-во
на складе
Цена
1 0397497

Впускной коллектор в сборе., верхний (INTAKE MANIFOLD ASSY., Upper)

нет в наличии, поставок нет
1 0397706

   (последний код) INTAKE-MANIF

нет в наличии, поставок нет
1 0397496

Впускной коллектор в сборе., нижний (INTAKE MANIFOLD ASSY., Lower)

нет в наличии, поставок нет
1 0395924

   (последний код) INTAKE-MANIF

нет в наличии, поставок нет
2 0325659

FITTING, Drain (FITTING, Drain)

нет в наличии, поставок нет
3 0310872

Шпилька (STUD)

нет в наличии, поставок нет
4 0328789

FITTING, Primer (FITTING, Primer)

нет в наличии, поставок нет
5 0320744

Шайба, Винт (WASHER, Screw)

нет в наличии, поставок нет
5 0306124

   (последний код) WASHER

нет в наличии, поставок нет
6 0331153

TIMING POINTER, Коллектор (TIMING POINTER, Manifold)

нет в наличии, поставок нет
7 0328696

Винт, Timing pointer (SCREW, Timing pointer)

нет в наличии, поставок нет
8 0331102

Винт, Крышка to Основание, long (SCREW, Cover to base, long)

нет в наличии, поставок нет
8 0329625

   (последний код) WING-SCREW

нет в наличии, поставок нет
9 0303913

Шайба, Кулачок дросселя (WASHER, Throttle cam)

нет в наличии, поставок нет
10 0397336

REED BOX в сборе. (REED BOX ASSY.)

нет в наличии, поставок нет
10 0439042

   (последний код) BOX AY,REED

нет в наличии, поставок нет
11 0325564

TEE, Primer, нижний (TEE, Primer, lower)

нет в наличии, поставок нет
12 0331532

Прокладка, Система впуска, нижний (GASKET, Intake, lower)

нет в наличии, поставок нет
13 0913332

Струбцина масляного шланга to air Глушитель. Models With Power Рулевая система (CLAMP, Oil hose to air silencer. Models With Power Steering)

нет в наличии, поставок нет
14 0322652

Струбцина, Шланг Фиксатор (CLAMP, Hose retainer)

нет в наличии, поставок нет
14 3852170

   (последний код) CLAMP,SNAP

нет в наличии, поставок нет
15 0328725

Винт, Trunnion Крышка (SCREW, Trunnion cover)

нет в наличии, поставок нет
15 3852187

   (последний код) SCREW

нет в наличии, поставок нет
17 0328622

Прокладка коллектора to Картер двигателя (GASKET, Manifold to crankcase)

нет в наличии, поставок нет
18 0332265

Винт, Reed box (SCREW, Reed box)

нет в наличии, поставок нет
19 0331223

Крышка, Air Глушитель (COVER, Air silencer)

нет в наличии, поставок нет
19 0339106

   (последний код) COVER

нет в наличии, поставок нет
20 0332266

Прокладка, Leaf Пластина (GASKET, Leaf plate)

нет в наличии, поставок нет
21 0434762

Соленоид, в сборе., Primer (SOLENOID ASSY., Primer)

нет в наличии, поставок нет
21 5007356

   (последний код) KIT AY,PRMR SOL

нет в наличии, поставок нет
22 0511807

Крышка, Primer solenoid (COVER, Primer solenoid)

нет в наличии, поставок нет
22 0437228

   (последний код) COVER&GASKET AY

нет в наличии, поставок нет
23 0333448

Прокладка, Solenoid (GASKET, Solenoid)

нет в наличии, поставок нет
23 0511810

   (последний код) VALVE-SEAT

нет в наличии, поставок нет
24 0511809

Плунжер (PLUNGER)

нет в наличии, поставок нет
25 0513185

Гильза (SLEEVE)

нет в наличии, поставок нет
25 0512948

   (последний код) SLEEVE

нет в наличии, поставок нет
26 0332365

Фильтр, Клапан Корпус (FILTER, Valve housing)

нет в наличии, поставок нет
26 0511811

   (последний код) FILTER

нет в наличии, поставок нет
27 0512947

Клемма (TERMINAL)

нет в наличии, поставок нет
27 0910462

   (последний код) TERM.-60766-

нет в наличии, поставок нет
28 0511986

Пружина клапана (SPRING, Valve)

нет в наличии, поставок нет
29 0511987

Пружина, Плунжер (SPRING, Plunger)

нет в наличии, поставок нет
30 0333447

Клапан, Плунжер (VALVE, Plunger)

нет в наличии, поставок нет
30 0511988

   (последний код) VALVE

нет в наличии, поставок нет
31 0510818

Клемма (TERMINAL)

нет в наличии, поставок нет
31 3854243

   (последний код) TERMINAL,RIN

нет в наличии, поставок нет
32 0330121

Винт, Крышка to Корпус (SCREW, Cover to housing)

нет в наличии, поставок нет
32 0326186

   (последний код) SCREW

нет в наличии, поставок нет
33 0175158

Ручной клапан (MANUAL VALVE)

нет в наличии, поставок нет
34 0331365

Уплотнительное кольцо, Ручной клапан (O-RING, Manual valve)

нет в наличии, поставок нет
34 0326721

   (последний код) O-RING

нет в наличии, поставок нет
35 0126341

Колпачок (CAP)

нет в наличии, поставок нет
36 0329518

Пыльник, Основание to Шланг (GROMMET, Base to hose)

нет в наличии, поставок нет
36 3852195

   (последний код) GROMMET

нет в наличии, поставок нет
37 0314610

Воздушный винт Глушитель Основание, long (SCREW, Air silencer base, long)

нет в наличии, поставок нет
38 0328694

Воздушный винт Глушитель Основание, верхний (SCREW, Air silencer base, upper)

нет в наличии, поставок нет
38 0911122

   (последний код) SCREW

нет в наличии, поставок нет
39 0329695

Шланг, Air Глушитель drain (HOSE, Air silencer drain)

нет в наличии, поставок нет
40 0909533

Винт, Крышка to Основание (SCREW, Cover to base)

нет в наличии, поставок нет
40 0324429

   (последний код) SCREW,IMP HSG

нет в наличии, поставок нет
41 0307471

Винт, Коллектор, short (SCREW, Manifold, short)

нет в наличии, поставок нет
41 0322906

Винт, Коллектор, long (SCREW, Manifold, long)

нет в наличии, поставок нет
42 0322892

Колпачок, Верхний фиттинг (CAP, Fitting, upper)

нет в наличии, поставок нет
43 0322831

Воздушный винт Глушитель Основание (SCREW, Air silencer base)

нет в наличии, поставок нет
44 0330118

Струбцина, Primer solenoid (CLAMP, Primer solenoid)

нет в наличии, поставок нет
45 0328724

Винт зажима (SCREW, Clamp)

нет в наличии, поставок нет
45 3852186

   (последний код) SCREW

нет в наличии, поставок нет
46 0331596

BAFFLE, Air Корпус глушителя (BAFFLE, Air silencer cover)

нет в наличии, поставок нет
46 0339107

   (последний код) BAFFLE

нет в наличии, поставок нет
47 0331598

Прокладка крышки to Основание (GASKET, Cover to base)

нет в наличии, поставок нет
48 0332353

Винт дросселя cam (SCREW, Throttle cam)

нет в наличии, поставок нет
48 0347338

   (последний код) SCREW,SHOULDER

нет в наличии, поставок нет
49 0333094

Кулачок дросселя (THROTTLE CAM)

нет в наличии, поставок нет
50 0394385

FUEL Коллектор (FUEL MANIFOLD)

нет в наличии, поставок нет
51 0317893

Крепёжный хомут, Primer solenoid (TIE STRAP, Primer solenoid)

нет в наличии, поставок нет
51 3852149

   (последний код) TIE-STRAP

нет в наличии, поставок нет
52 0320107

Крепёжный хомут (TIE STRAP)

нет в наличии, поставок нет
52 5035626

   (последний код) BAND,REM CON

нет в наличии, поставок нет
53 0434894

Основание, Air Глушитель (BASE, Air silencer)

нет в наличии, поставок нет
53 0436176

   (последний код) BASE&NIPPLE

нет в наличии, поставок нет
54 0321598

FITTING, Основание to Картер двигателя (FITTING, Base to crankcase)

нет в наличии, поставок нет
55 0

Шланг, Коллектор to carb. сокращёная длина From 25ft. (7, 6m) Roll, 327228 (HOSE, Manifold to carb. Cut to Length From 25ft. (7,6m) Roll, 327228)

нет в наличии, поставок нет
56 0325569

TEE, Primer Шланг, верхний & middle (TEE, Primer hose, upper & middle)

нет в наличии, поставок нет
57 0

Шланг, Primer. сокращёная длина From 25 фут (7, 6m) Roll, 327229 (HOSE, Primer. Cut to Length From 25 ft. (7,6m) Roll, 327229)

нет в наличии, поставок нет
58 0

Сальник, Крышка to Основание. сокращёная длина From 309044 (SEAL, Cover to base. Cut to Length From 309044)

нет в наличии, поставок нет
60 0329271

Крышка, Trunnion (COVER, Trunnion)

нет в наличии, поставок нет
61 0317893

Крепёжный хомут, Drain Шланг (TIE STRAP, Drain hose)

нет в наличии, поставок нет
61 3852149

   (последний код) TIE-STRAP

нет в наличии, поставок нет
62 0313537

TEE, Fuel (TEE, Fuel)

нет в наличии, поставок нет
63 0

Топливный шланг manf. to верх и низ fuel tee. сокращёная длина From 25ft. (7, 6m) Roll, 327228 (HOSE, Fuel manf. to upper & lower fuel tee. Cut to Length From 25ft. (7,6m) Roll, 327228)

нет в наличии, поставок нет
64 0

Шланг, Air Глушитель to Картер двигателя. сокращёная длина From 25 фут (7, 6m) Roll, 335802 (HOSE, Air silencer to crankcase. Cut to Length From 25 ft. (7,6m) Roll, 335802)

нет в наличии, поставок нет
65 0

Шланг, Tee to carb. сокращёная длина From 25ft. (7, 6m) Roll, 327228 (HOSE, Tee to carb. Cut to Length From 25ft. (7,6m) Roll, 327228)

нет в наличии, поставок нет
66 0330838

Винт, Baffle (SCREW, Baffle)

нет в наличии, поставок нет
66 0329268

   (последний код) SCREW

нет в наличии, поставок нет
67 0331597

Сальник, Baffle to carb (SEAL, Baffle to carb)

нет в наличии, поставок нет
evinrude

Время выполнения запроса 2.2350399494171 сек.


 
 

данный сайт носит информационный характер и не является публичной офертой

склад запчастей для водомоторной техники