вконтакте

Контактный телефон: +7 (981) 121-46-93, +7 (800) 200-90-76 , Email: parts-katalog@yandex.ru, где купить

 
 

  Логин:

Пароль:

Регистрация

www.partskatalog.ru Все каталоги Запчасти Mercury Запчасти Suzuki Запчасти Tohatsu Запчасти Honda Контакты


Все разделы каталога запчастей на этот двигатель

назад Раздел:   вперёд

вернуться к списку узлов и деталей

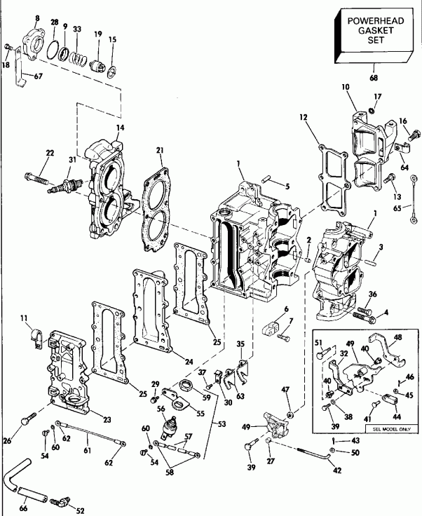
ДЕТАЛИРОВКА ДЛЯ МОДЕЛИ: EVINRUDE E15ELENM 1992

ЦИЛИНДР & КАРТЕР ДВИГАТЕЛЯ | CYLINDER & CRANKCASE;


Подвесной лодочный мотор Эвинруд E15ELENM 1992  - linder & Картер двигателя - linder & Crankcase

Номер на
рисунке
АртикулНаименованиеКол-во
на складе
Цена
1 0396010

Цилиндр & CCASE в сборе. (CYLINDER & CCASE ASSY.)

нет в наличии, поставок нет
1 0393529

   (последний код) CYL,C-CASE&P

нет в наличии, поставок нет
2 0304178

DOWEL, Подшипник (DOWEL, Bearing)

нет в наличии, поставок нет
3 0300402

конус Штифт (TAPER PIN)

нет в наличии, поставок нет
4 0318622

Винт, Цилиндр to Картер двигателя (SCREW, Cylinder to crankcase)

нет в наличии, поставок нет
5 0319627

Шпонка. Electric Start Models Only (DOWEL PIN. Electric Start Models Only)

нет в наличии, поставок нет
5 0315750

   (последний код) DOWEL PIN

нет в наличии, поставок нет
6 0327588

Подшипник Струбцина, Управление Вал (BEARING CLAMP, Control shaft)

нет в наличии, поставок нет
7 0908159

Винт, Подшипник Струбцина (SCREW, Bearing clamp)

нет в наличии, поставок нет
7 0328728

   (последний код) SCREW

нет в наличии, поставок нет
8 0331189

Крышка термостата (COVER, Thermostat)

нет в наличии, поставок нет
9 0331241

ISOLATOR (ISOLATOR)

нет в наличии, поставок нет
10 0319350

BYPASS Крышка. Electric Start Models Only (BYPASS COVER. Electric Start Models Only)

нет в наличии, поставок нет
10 0333733

BYPASS Крышка. Шнур Start Models Only (BYPASS COVER. Rope Start Models Only)

нет в наличии, поставок нет
10 0336637

   (последний код) COVER,BY-PASS

1 шт3280 руб.
11 0330151

Струбцина, Leads to exh. Крышка (CLAMP, Leads to exh. cover)

нет в наличии, поставок нет
11 3852199

   (последний код) CLAMP,"J"

нет в наличии, поставок нет
12 0319332

Прокладка, Bypass Крышка (GASKET, Bypass cover)

нет в наличии, поставок нет
13 0124341

Винт, Bypass Крышка (SCREW, Bypass cover)

нет в наличии, поставок нет
13 0338305

   (последний код) SCREW

нет в наличии, поставок нет
14 0432765

CYL. HEAD & Седло (CYL. HEAD & SEAT)

нет в наличии, поставок нет
14 0432764

   (последний код) CYL-HEAD-AY

нет в наличии, поставок нет
15 0334742

Седло клапана (VALVE SEAT)

нет в наличии, поставок нет
16 0316534

Винт, Bypass Крышка. Electric Start Models Only (SCREW, Bypass cover. Electric Start Models Only)

нет в наличии, поставок нет
16 0908001

   (последний код) SCREW

нет в наличии, поставок нет
16 0332203

Винт, Bypass Крышка. Шнур Start Models Only (SCREW, Bypass cover. Rope Start Models Only)

нет в наличии, поставок нет
17 0328701

LOCKШайба, Stop sw. Заземление. Шнур Start Models Only (LOCKWASHER, Stop sw. ground. Rope Start Models Only)

нет в наличии, поставок нет
17 3852182

   (последний код) WASHER,LOCK

нет в наличии, поставок нет
18 0308742

Винт, Крышка (SCREW, Cover)

нет в наличии, поставок нет
18 3852080

   (последний код) SCREW

нет в наличии, поставок нет
19 0433379

Термостат & Седло в сборе.. Includes Item 15 (THERMOSTAT & SEAT ASSY.. Includes Item 15)

нет в наличии, поставок нет
19 0432759

   (последний код) THERMO.&SEAT

нет в наличии, поставок нет
21 0330818

Прокладка головки блока цилиндра (GASKET, Cylinder head)

нет в наличии, поставок нет
21 0320533

   (последний код) GASKET,CYL HEAD

нет в наличии, поставок нет
22 0319226

Винт, Cyl. head (SCREW, Cyl. head)

нет в наличии, поставок нет
23 0322404

Кожух выхлопной трубы, Outer (EXHAUST COVER, Outer)

нет в наличии, поставок нет
23 0321862

   (последний код) EXH-COVER

нет в наличии, поставок нет
24 0328497

Кожух выхлопной трубы, Inner (EXHAUST COVER, Inner)

нет в наличии, поставок нет
25 0318925

Прокладка кожуха выхлопной трубы (GASKET, Exhaust cover)

нет в наличии, поставок нет
26 0314951

Винт, Кожух выхлопной трубы (SCREW, Exhaust cover)

нет в наличии, поставок нет
27 0323655

Стержень Гайка, Соединитель to Рычаг переключения. Except SEL Models (PIVOT NUT, Link to shift lever. Except SEL Models)

нет в наличии, поставок нет
28 0331188

Уплотнительное кольцо, Крышка (O-RING, Cover)

5 шт370 руб.
29 0315287

Винт, Neutral start Кронштейн. Electric Start Models Only (SCREW, Neutral start bracket. Electric Start Models Only)

нет в наличии, поставок нет
30 0310442

Струбцина, Кабель стартера to detent. Electric Start Models Only (CLAMP, Starter cable to detent. Electric Start Models Only)

нет в наличии, поставок нет
31 0387633

Свеча зажигания, Champion QL77J4. Radio Noise Sвышеpressor Заглушка (SPARK PLUG, Champion QL77J4. Radio Noise Suppressor Plug)

нет в наличии, поставок нет
31 0502180

   (последний код) Champion SPARK PLUG QL77JC4 MAR4

нет в наличии, поставок нет
31 0386941

Свеча зажигания, Champion L77J4. Опции (SPARK PLUG, Champion L77J4. Optional)

нет в наличии, поставок нет
31 4002080

   (последний код) SP-PLUG L77J

нет в наличии, поставок нет
31 0432424

Свеча зажигания, Champion QL16V. Опции (SPARK PLUG, Champion QL16V. Optional)

нет в наличии, поставок нет
31 0502178

   (последний код) Champion SPARK PLUG QL16V MAR4

нет в наличии, поставок нет
31 0433627

Свеча зажигания, Champion L16V. Опции (SPARK PLUG, Champion L16V. Optional)

нет в наличии, поставок нет
31 0502894

   (последний код) Champion SPARK PLUG L16V MAR4 (CS12209)

нет в наличии, поставок нет
32 0123024

Переключатель LOCK STOP. SEL Models Only (SHIFT LOCK STOP. SEL Models Only)

нет в наличии, поставок нет
33 0331186

Пружина, Термостат (SPRING, Thermostat)

нет в наличии, поставок нет
35 0319414

DETENT, Переключатель lock (DETENT, Shift lock)

нет в наличии, поставок нет
36 0306049

Винт, Цилиндр to Картер двигателя (SCREW, Cylinder to crankcase)

нет в наличии, поставок нет
37 0315287

Винт, Переключатель lock detent. Electric Start Models Only (SCREW, Shift lock detent. Electric Start Models Only)

нет в наличии, поставок нет
38 0306413

Шайба, Stop Переключатель lock Рычаг. SEL Models Only (WASHER, Stop shift lock lever. SEL Models Only)

нет в наличии, поставок нет
39 0327768

Винт, Рычаг to Картер двигателя (SCREW, Lever to crankcase)

нет в наличии, поставок нет
39 0323661

   (последний код) SCREW

нет в наличии, поставок нет
39 0302750

Винт, Рычаг to stop. SEL Models Only (SCREW, Lever to stop. SEL Models Only)

нет в наличии, поставок нет
39 0332226

   (последний код) SCREW

нет в наличии, поставок нет
40 0311015

Втулка, Переключательer lock. SEL Models Only (BUSHING, Shifter lock. SEL Models Only)

нет в наличии, поставок нет
40 3852094

   (последний код) BUSHING

нет в наличии, поставок нет
41 0319127

Штифт скобы to lock Рычаг. SEL Models Only (PIN, Clevis to lock lever. SEL Models Only)

нет в наличии, поставок нет
42 0319066

Переключающая тяга Рычаг to lock Рычаг. SEL Models Only (LINK, Shift lever to lock lever. SEL Models Only)

нет в наличии, поставок нет
42 0323656

Переключающая тяга Рычаг to lock Рычаг. Except SEL Models (LINK, Shift lever to lock lever. Except SEL Models)

нет в наличии, поставок нет
43 0305650

Шплинт, Yoke Штифт (COTTER PIN, Yoke pin)

нет в наличии, поставок нет
43 3852052

   (последний код) PIN,COTTER

нет в наличии, поставок нет
44 0318955

CLEVIS, Соединитель to bellКривошип. SEL Models Only (CLEVIS, Link to bellcrank. SEL Models Only)

нет в наличии, поставок нет
45 0300154

Шайба, Штифт clevis. SEL Models Only (WASHER, Pin clevis. SEL Models Only)

нет в наличии, поставок нет
46 0303049

Шпонка Штифт скобы Штифт. SEL Models Only (COTTER PIN, Clevis pin. SEL Models Only)

нет в наличии, поставок нет
47 0306407

Шайба, Переключатель lock assembly (WASHER, Shift lock assembly)

нет в наличии, поставок нет
47 3852059

   (последний код) WASHER

нет в наличии, поставок нет
48 0322407

STOP, Переключатель lock. SEL Models Only (STOP, Shift lock. SEL Models Only)

нет в наличии, поставок нет
49 0387257

Рычаг & HUB в сборе., Переключатель lock. SEL Models Only (LEVER & HUB ASSY., Shift lock. SEL Models Only)

нет в наличии, поставок нет
49 0386387

   (последний код) LEVER

нет в наличии, поставок нет
49 0323657

Рычаг переключения. Except SEL Models (SHIFT LEVER. Except SEL Models)

нет в наличии, поставок нет
50 0300154

Шайба с блокировкойout Соединитель (WASHER, Lockout link)

нет в наличии, поставок нет
51 0319415

Винт, Переключатель lock assembly. SEL Models Only (SCREW, Shift lock assembly. SEL Models Only)

нет в наличии, поставок нет
52 0321886

ELBOW, Индикатор (ELBOW, Indicator)

нет в наличии, поставок нет
52 0321686

   (последний код) ELBOW

нет в наличии, поставок нет
53 0583053

Кронштейн & SW. AY., Neutral start. Electric Start Models Only (BRACKET & SW. AY., Neutral start. Electric Start Models Only)

нет в наличии, поставок нет
54 0314492

Винт. Electric Start Models Only (SCREW. Electric Start Models Only)

нет в наличии, поставок нет
55 0319543

Кронштейн, Neutral start Переключатель. Electric Start Models Only (BRACKET, Neutral start switch. Electric Start Models Only)

нет в наличии, поставок нет
56 0395699

Переключатель нейтрали, в сборе start. Electric Start Models Only (SWITCH ASSY., Neutral start. Electric Start Models Only)

нет в наличии, поставок нет
56 0386457

   (последний код) SWITCH

нет в наличии, поставок нет
57 0583052

LEAD в сборе., Переключатель to Клемма block. Electric Start Models Only (LEAD ASSY., Switch to terminal block. Electric Start Models Only)

нет в наличии, поставок нет
58 0337029

Клемма, Кольцо. Electric Start Models Only (TERMINAL, Ring. Electric Start Models Only)

нет в наличии, поставок нет
59 0319601

Гайка, Neutral start. Electric Start Models Only (NUT, Neutral start. Electric Start Models Only)

нет в наличии, поставок нет
60 0303916

LOCKШайба. Electric Start Models Only (LOCKWASHER. Electric Start Models Only)

нет в наличии, поставок нет
61 0581288

LEAD в сборе., Переключатель to motor. Electric Start Models Only (LEAD ASSY., Switch to motor. Electric Start Models Only)

нет в наличии, поставок нет
62 0337029

Клемма, Кольцо. Electric Start Models Only (TERMINAL, Ring. Electric Start Models Only)

нет в наличии, поставок нет
63 0320890

SвышеPORT, Detent (SUPPORT,Detent)

нет в наличии, поставок нет
64 0310441

Струбцина. Electric Start Models Only (CLAMP. Electric Start Models Only)

нет в наличии, поставок нет
64 0316385

   (последний код) CLAMP

нет в наличии, поставок нет
65 0584472

LEAD в сборе., Exh. Крышка to нижний eng. Крышка (LEAD ASSY., Exh. cover to lower eng. cover)

нет в наличии, поставок нет
66 0329929

Шланг, Ниппель to elbow (HOSE, Nipple to elbow)

нет в наличии, поставок нет
67 0316487

Фиксатор, Свеча зажигания & ign. leads (RETAINER, Spark plug & ign. leads)

нет в наличии, поставок нет
68 0394546

POWERHEAD Комплект прокладок (POWERHEAD GASKET SET)

1 шт4490 руб.
68 0391507

   (последний код) PWHD-GSKT-SE

нет в наличии, поставок нет
evinrude

Время выполнения запроса 1.2505719661713 сек.


 
 

данный сайт носит информационный характер и не является публичной офертой

склад запчастей для водомоторной техники