вконтакте

Контактный телефон: +7 (981) 121-46-93, +7 (800) 200-90-76 , Email: parts-katalog@yandex.ru, где купить

 
 

  Логин:

Пароль:

Регистрация

www.partskatalog.ru Все каталоги Запчасти Mercury Запчасти Suzuki Запчасти Tohatsu Запчасти Honda Контакты



УВАЖАЕМЫЕ КЛИЕНТЫ!
C 31 ОКТЯБРЯ 2025 ПО 10 НОЯБРЯ 2025 ГОДА РАБОТАТЬ НЕ БУДЕМ




Все разделы каталога запчастей на этот двигатель

назад Раздел:   вперёд

вернуться к списку узлов и деталей

ДЕТАЛИРОВКА ДЛЯ МОДЕЛИ: EVINRUDE VE60TLEIB 1991

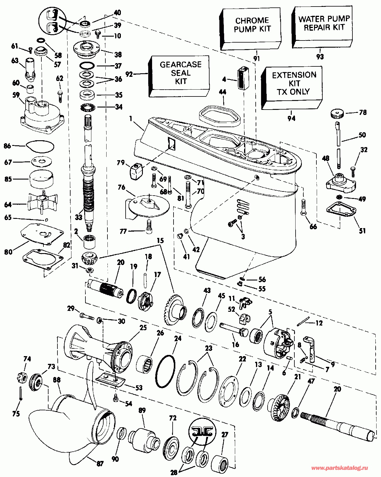
РЕДУКТОР | GEARCASE;


Подвесной мотор EVINRUDE VE60TLEIB 1991  - arcase - arcase

Номер на
рисунке
АртикулНаименованиеКол-во
на складе
Цена
0432624 0432624

Редуктор в сборе., Long. Not Shown (GEARCASE ASSY., Long. Not Shown)

нет в наличии, поставок нет
0434177 0434177

Редуктор в сборе., X-long. Not Shown (GEARCASE ASSY., X-long. Not Shown)

нет в наличии, поставок нет
1 0392478

Редуктор в сборе с подшипником. (GEARCASE & BEARING ASSY.)

нет в наличии, поставок нет
1 5005458

   (последний код) GEARCASE&BRG AY

нет в наличии, поставок нет
2 0382343

Подшипник, Шестерня (BEARING, Pinion)

нет в наличии, поставок нет
3 0324852

Установочный винт, Подшипник (SET SCREW, Bearing)

нет в наличии, поставок нет
0332584 0332584

Сальник. Not Shown (SEAL. Not Shown)

нет в наличии, поставок нет
4 0314175

Водяной экран Система впуска (SCREEN, Water intake)

нет в наличии, поставок нет
5 0436240

Подшипник HOUSE в сборе. (BEARING HOUSE ASSY.)

нет в наличии, поставок нет
5 0391365

   (последний код) BRG HOUSING AY

нет в наличии, поставок нет
6 0331880

Штифт, Корпус to gcase (PIN, Housing to gcase)

нет в наличии, поставок нет
7 0911961

Фиксатор пружины (SPRING, Detent)

нет в наличии, поставок нет
8 0327345

Шарик, Detent (BALL, Detent)

нет в наличии, поставок нет
9 0326670

DETENT, Переключательer (DETENT, Shifter)

нет в наличии, поставок нет
10 0909386

Винт, Hsg. to gcase (SCREW, Hsg. to gcase)

нет в наличии, поставок нет
11 0324037

Рычаг переключателя (LEVER, Shift)

8 шт3700 руб.
12 0320145

Штифт рычага to hsg. (PIN, Lever to hsg.)

нет в наличии, поставок нет
12 0323945

   (последний код) PIN-SHIFTER

нет в наличии, поставок нет
13 0313447

Упорная шайба, Rev. (THRUST WASHER, Rev.)

нет в наличии, поставок нет
14 0382408

THRUST Подшипник, Rev. (THRUST BEARING, Rev.)

нет в наличии, поставок нет
15 0397338

Шестерня и Комплект шестерёнок. (GEAR AND PINION ASSY.)

нет в наличии, поставок нет
15 0389964

   (последний код) GEAR-PINION

нет в наличии, поставок нет
16 0326668

Переключающий валer (SHAFT, Shifter)

нет в наличии, поставок нет
17 0318303

Переключатель собачки сцепления (SHIFTER, Clutch dog)

нет в наличии, поставок нет
18 0313448

Штифт сцепления dog (PIN, Clutch dog)

нет в наличии, поставок нет
19 0324369

Пружина, Сцепление dog Штифт (SPRING, Clutch dog pin)

нет в наличии, поставок нет
19 0313454

   (последний код) SPRING

нет в наличии, поставок нет
20 0387879

Вал гребного винта в сборе. (PROPELLER SHAFT ASSY.)

нет в наличии, поставок нет
20 0439185

   (последний код) SHAFT AY,PROPELLER

нет в наличии, поставок нет
21 0318304

Шестерня обратного хода (GEAR, Reverse)

нет в наличии, поставок нет
22 0313453

Фиксатор Пластина, Подшипник Корпус (RETAINER PLATE, Bearing housing)

нет в наличии, поставок нет
23 0313445

Стопорное кольцо (RETAINING RING)

нет в наличии, поставок нет
24 0313446

Уплотнительное кольцо, Подшипник Корпус (O-RING, Bearing housing)

нет в наличии, поставок нет
25 0434391

Подшипник Корпус в сборе. (BEARING HOUSING ASSY.)

нет в наличии, поставок нет
25 0397188

   (последний код) BRG-HSG ASSY

нет в наличии, поставок нет
26 0382407

Игольчатый подшипник в сборе. (NEEDLE BEARING ASSY.)

1 шт5500 руб.
27 0379504

Игольчатый подшипник в сборе. (NEEDLE BEARING ASSY.)

нет в наличии, поставок нет
28 0330137

Сальник (SEAL)

17 шт3700 руб.
28 0321668

   (последний код) SEAL-CRNKSHF

нет в наличии, поставок нет
28 T-0330137

   (не оригинальный аналог) Сальник редуктора OMC/Johnson/Evinrude 0330137

под заказ штпо запросу
29 0320041

Винт. Hsg. to Редуктор (SCREW. Hsg. to gearcase)

нет в наличии, поставок нет
29 0316564

   (последний код) SCREW BRG HSG

нет в наличии, поставок нет
30 0332584

Сальник (SEAL)

нет в наличии, поставок нет
31 0313339

Гайка, Шестерня to dВал (NUT, Pinion to dshaft)

нет в наличии, поставок нет
32 0302325

Винт, Крышка to Редуктор (SCREW, Cover to gearcase)

нет в наличии, поставок нет
33 0432960

Приводной вал., Long, 20" only (DRIVESHAFT ASSY., Long, 20" only)

нет в наличии, поставок нет
33 0437376

   (последний код) DRIVESHAFT AY,20"

нет в наличии, поставок нет
33 0434175

Приводной вал., 25" only (DRIVESHAFT ASSY., 25" only)

нет в наличии, поставок нет
33 0437379

   (последний код) DRIVESHAFT AY,25"

нет в наличии, поставок нет
34 0385068

THRUST Подшипник в сборе. (THRUST BEARING ASSY.)

1 шт7500 руб.
35 0317230

Упорная шайба (THRUST WASHER)

нет в наличии, поставок нет
36 0323889

Регулировочная шайба, 0.003 дюйм (0, 07 мм) (SHIM, 0.003 in. (0,07mm))

нет в наличии, поставок нет
36 0323890

Регулировочная шайба, 0.004 дюйм (0, 10 мм) (SHIM, 0.004 in. (0,10mm))

нет в наличии, поставок нет
36 0317232

Регулировочная шайба, 0.005 дюйм (0, 12 мм) (SHIM, 0.005 in. (0,12mm))

нет в наличии, поставок нет
37 0313754

Уплотнительное кольцо, Подшипник Корпус (O-RING,Bearing housing)

нет в наличии, поставок нет
38 0385087

Подшипник Корпус в сборе. (BEARING HOUSING ASSY.)

нет в наличии, поставок нет
39 0321466

Сальник, нижний (SEAL, Lower)

нет в наличии, поставок нет
39 0318223

   (последний код) OIL RET 5 PK

нет в наличии, поставок нет
40 0332205

Сальник, верхний (SEAL, Upper)

нет в наличии, поставок нет
41 0307551

Заглушка, Fill & drain, верхний (PLUG, Fill & drain, upper)

нет в наличии, поставок нет
41 0982851

   (последний код) SCREW-PLUG

нет в наличии, поставок нет
42 0333572

Уплотнительное кольцо (O-RING)

нет в наличии, поставок нет
42 3855081

   (последний код) 0-RING

нет в наличии, поставок нет
43 0385043

THRUST Подшипник, дляward (THRUST BEARING, Forward)

нет в наличии, поставок нет
43 3852221

   (последний код) BEARING-AY,T

нет в наличии, поставок нет
44 0324937

Сальник, Gcase to inner exh. hsg. (SEAL, Gcase to inner exh. hsg.)

нет в наличии, поставок нет
44 0313656

   (последний код) SEAL

нет в наличии, поставок нет
45 0324766

Упорная шайба, Fwd. (THRUST WASHER, Fwd.)

нет в наличии, поставок нет
47 0316484

Упорная шайба, Переключательer dog reverse (THRUST WASHER, Shifter dog reverse)

нет в наличии, поставок нет
48 0388651

Крышка в сборе (COVER ASSY.)

нет в наличии, поставок нет
49 0318372

Уплотнительное кольцо, Переключающая тяга (O-RING, Shift rod)

нет в наличии, поставок нет
50 0327337

Переключающая тяга, Long, 20" only (SHIFT ROD, Long, 20" only)

нет в наличии, поставок нет
50 0336454

Переключающая тяга, 25" only (SHIFT ROD, 25" only)

нет в наличии, поставок нет
51 0314082

Прокладка крышки to gcase (GASKET, Cover to gcase)

12 шт650 руб.
51 0320312

   (последний код) GASKET

нет в наличии, поставок нет
52 0334163

CRADLE, Переключательer (CRADLE, Shifter)

5 шт1880 руб.
52 0322900

   (последний код) CRADLE-SHIFT

нет в наличии, поставок нет
53 0431708

Анод, Подшипник hsg. (ANODE, Bearing hsg.)

нет в наличии, поставок нет
53 0397111

   (последний код) ANODE-AY

нет в наличии, поставок нет
54 0908158

Винт, Анод (SCREW, Anode)

нет в наличии, поставок нет
54 3852050

   (последний код) SCREW

нет в наличии, поставок нет
55 0318544

Заглушка, Fill & drain, нижний (PLUG, Fill & drain, lower)

нет в наличии, поставок нет
55 0912624

   (последний код) SCREW

нет в наличии, поставок нет
56 0333572

Уплотнительное кольцо (O-RING)

нет в наличии, поставок нет
56 3855081

   (последний код) 0-RING

нет в наличии, поставок нет
57 0315748

Пыльник, Корпус. Also included in Ремкомплект водяного насоса 432955 (GROMMET, Housing. Also included in Water Pump Repair Kit 432955)

нет в наличии, поставок нет
57 0341732

   (последний код) GROMMET

1 шт160 руб.
58 0310585

Уплотнительное кольцо, DriveВал. Also included in Ремкомплект водяного насосаs 432955 & 432956 (O-RING, Driveshaft. Also included in Water Pump Repair Kits 432955 & 432956)

нет в наличии, поставок нет
59 0391049

Крыльчатка Корпус. Also included in Ремкомплект водяного насоса 432955 (IMPELLER HOUSING. Also included in Water Pump Repair Kit 432955)

нет в наличии, поставок нет
59 0432955

   (последний код) WATERPUMP KIT

нет в наличии, поставок нет
60 0314008

Пыльник водяной трубки. Also included in Ремкомплект водяного насоса 432955 (GROMMET, Water tube. Also included in Water Pump Repair Kit 432955)

нет в наличии, поставок нет
61 0908158

Винт направляющей to hsg.. Also included in Ремкомплект водяного насоса 432955 (SCREW, Guide to hsg.. Also included in Water Pump Repair Kit 432955)

нет в наличии, поставок нет
61 3852050

   (последний код) SCREW

нет в наличии, поставок нет
62 0331979

Винт, Крыльчатка hsg.. Also included in Ремкомплект водяного насоса 432955 (SCREW, Impeller hsg.. Also included in Water Pump Repair Kit 432955)

нет в наличии, поставок нет
63 0319276

Направляющая трубки водяного насоса. Also included in Ремкомплект водяного насоса 432955 (GUIDE, Water tube. Also included in Water Pump Repair Kit 432955)

нет в наличии, поставок нет
64 0432954

Крыльчатка & Ключ в сборе.. Also included in Ремкомплект водяного насоса 432955 (IMPELLER & KEY ASSY.. Also included in Water Pump Repair Kit 432955)

нет в наличии, поставок нет
64 0396725

   (последний код) IMP & KEY AY

1 шт3420 руб.
65 0334897

Ключ, Крыльчатка to driveВал. Also included in Ремкомплект водяного насоса 432955 (KEY, Impeller to driveshaft. Also included in Water Pump Repair Kit 432955)

нет в наличии, поставок нет
66 0308843

Винт, Редуктор to hsg., 20" only (SCREW, Gearcase to hsg., 20" only)

нет в наличии, поставок нет
67 0321940

Пластина корпуса крыльчатки. Also included in Ремкомплект водяного насоса 432955 (PLATE, Impeller housing. Also included in Water Pump Repair Kit 432955)

нет в наличии, поставок нет
68 0306503

Винт, Short, 20" only (SCREW, Short, 20" only)

нет в наличии, поставок нет
68 0316533

   (последний код) SCREW

нет в наличии, поставок нет
69 0306470

LOCKШайба, Long Винт, 20" only (LOCKWASHER, Long screw, 20" only)

нет в наличии, поставок нет
69 3852061

   (последний код) LOCKWASHER

нет в наличии, поставок нет
70 0313697

Винт, Long, 20" only (SCREW, Long, 20" only)

нет в наличии, поставок нет
70 0312697

   (последний код) SCREW

нет в наличии, поставок нет
71 0306314

LOCKШайба, Long Винт, 20" only (LOCKWASHER, Long screw, 20" only)

нет в наличии, поставок нет
72 0318841

Упорная втулка в сборе. (THRUST BUSHING ASSY.)

нет в наличии, поставок нет
72 0127084

   (последний код) BUSHING,THRUST

нет в наличии, поставок нет
73 0315810

Проставка, prop. Гайка (SPACER, prop. nut)

нет в наличии, поставок нет
74 0314503

Гайка гребного винта (NUT, Propeller)

нет в наличии, поставок нет
75 0314502

Шплинт, Prop. Гайка (COTTER PIN, Prop. nut)

нет в наличии, поставок нет
76 0327640

Пластина трима, Редуктор (TRIM TAB, Gearcase)

нет в наличии, поставок нет
76 0338742

   (последний код) TAB,TRIM-STD

нет в наличии, поставок нет
77 0313715

Винт, Пластина трима (SCREW, Trim tab)

нет в наличии, поставок нет
78 0321452

Пыльник (GROMMET)

нет в наличии, поставок нет
78 0318249

   (последний код) GROMMET

нет в наличии, поставок нет
79 0393023

Анод и INSERT (ANODE AND INSERT)

нет в наличии, поставок нет
79 0436745

   (последний код) ANODE&INSERT AY

нет в наличии, поставок нет
80 0319275

Пластина корпуса крыльчатки. Also included in Ремкомплект водяного насоса 432955 (PLATE, Impeller housing. Also included in Water Pump Repair Kit 432955)

нет в наличии, поставок нет
80 0341038

   (последний код) IMP HSG PLATE

нет в наличии, поставок нет
81 0328096

Винт, Анод (SCREW, Anode)

нет в наличии, поставок нет
81 0327046

   (последний код) SCREW

нет в наличии, поставок нет
82 0336530

Прокладка крыльчатки Корпус. Also included in Ремкомплект водяного насоса 432955 (GASKET, Impeller housing. Also included in Water Pump Repair Kit 432955)

2 шт90 руб.
85 0324980

LINER, Крыльчатка Корпус. Also included in Ремкомплект водяного насоса 432955 (LINER, Impeller housing. Also included in Water Pump Repair Kit 432955)

нет в наличии, поставок нет
85 0321941

   (последний код) LINER

нет в наличии, поставок нет
86 0324981

Сальник, Крыльчатка Корпус. Also included in Ремкомплект водяного насосаs 432955 & 432956 (SEAL, Impeller housing. Also included in Water Pump Repair Kits 432955 & 432956)

нет в наличии, поставок нет
87 0383160

Гребной винт, 14 x 9 AL. (PROPELLER, 14 x 9 AL.)

нет в наличии, поставок нет
87 0763300

   (последний код) PROP AL,14 X 9

нет в наличии, поставок нет
87 0382761

Гребной винт, 14 x 11 AL. (PROPELLER, 14 x 11 AL.)

нет в наличии, поставок нет
87 0391668

Гребной винт, 14 x 13 AL. (PROPELLER, 14 x 13 AL.)

нет в наличии, поставок нет
87 0765181

   (последний код) PROP,AL 13.75X13

нет в наличии, поставок нет
87 0391198

Гребной винт, 13 3 / 4 x 15 AL. (PROPELLER, 13 3/4 x 15 AL.)

нет в наличии, поставок нет
87 0765182

   (последний код) PROP AY,AL 13.5X15

нет в наличии, поставок нет
87 0391199

Гребной винт, 13 1 / 4 x 17 AL. (PROPELLER, 13 1/4 x 17 AL.)

нет в наличии, поставок нет
87 0765183

   (последний код) PROP,AL 13.25X17

нет в наличии, поставок нет
87 0390896

Гребной винт, 13 x 19 AL. (PROPELLER, 13 x 19 AL.)

нет в наличии, поставок нет
87 0765184

   (последний код) PROP AY,AL 13.2X19

нет в наличии, поставок нет
87 0389788

Гребной винт, 12 3 / 4 * 21 AL. (PROPELLER, 12 3/4 21 AL.)

нет в наличии, поставок нет
87 0765185

   (последний код) PROP AY,AL 13.2X21

нет в наличии, поставок нет
87 0390895

Гребной винт, 12 3 / 4 * 23 AL. (PROPELLER, 12 3/4 23 AL.)

нет в наличии, поставок нет
87 0177150

   (последний код) PROP AY,12.75 X 23

нет в наличии, поставок нет
87 0392261

Гребной винт, 13 3 / 4 * 13 SST. (PROPELLER, 13 3/4 13 SST.)

нет в наличии, поставок нет
87 0389948

Гребной винт, 13 3 / 4 x 17 SST. (PROPELLER, 13 3/4 x 17 SST.)

нет в наличии, поставок нет
87 0176572

   (последний код) SST V4 13.88X17

нет в наличии, поставок нет
87 0389510

Гребной винт, 13 3 / 4 x 19 SST. (PROPELLER, 13 3/4 x 19 SST.)

нет в наличии, поставок нет
87 0763931

   (последний код) VIPERV4 13.875X19

нет в наличии, поставок нет
87 0389512

Гребной винт, 12 3 / 4 x 21 SST. (PROPELLER, 12 3/4 x 21 SST.)

нет в наличии, поставок нет
87 0384702

   (последний код) SST-V4-21"

нет в наличии, поставок нет
87 0389792

Гребной винт, 13 3 / 4 x 11 SST. (PROPELLER, 13 3/4 x 11 SST.)

нет в наличии, поставок нет
87 0390115

   (последний код) SST-50HP-RED

нет в наличии, поставок нет
87 0389949

Гребной винт, 13 3 / 4 x 15 SST. (PROPELLER, 13 3/4 x 15 SST.)

нет в наличии, поставок нет
87 0763929

   (последний код) VIPER V413.875X15

нет в наличии, поставок нет
87 0175294

Гребной винт, 13 3 / 4 x 11 Triple cвышеped (PROPELLER, 13 3/4 x 11 Triple cupped)

нет в наличии, поставок нет
87 0177202

   (последний код) PROP,AL/13.88X11RH

нет в наличии, поставок нет
88 0332393

CONVERGING Кольцо, Alum. prop (CONVERGING RING, Alum. prop)

нет в наличии, поставок нет
88 0325996

   (последний код) CONVERGING RING

нет в наличии, поставок нет
89 0384977

PROP. Втулка в сборе. (PROP. BUSHING ASSY.)

нет в наличии, поставок нет
90 0313926

Гильза, Втулка (SLEEVE, Bushing)

нет в наличии, поставок нет
90 3850831

   (последний код) SLEEVE-PROP

нет в наличии, поставок нет
91 0389145

Хромированный ремкомплект водяного насоса (CHROME PUMP KIT)

нет в наличии, поставок нет
92 0396349

Комплект сальников редуктора (GEARCASE SEAL KIT)

нет в наличии, поставок нет
92 5000309

   (последний код) KIT AY,SEAL-GRC

нет в наличии, поставок нет
93 0432956

Ремкомплект водяного насоса (WATER PUMP REPAIR KIT)

нет в наличии, поставок нет
93 0432955

   (последний код) WATERPUMP KIT

нет в наличии, поставок нет
93 0432955

Ремкомплект водяного насоса, (includes Крыльчатка Корпус) (WATER PUMP REPAIR KIT, (includes impeller housing))

нет в наличии, поставок нет
93 0438591

   (последний код) KIT ASSY, WATER PUMP

нет в наличии, поставок нет
94 0434176

Удлинитель KIT, TX models only (EXTENSION KIT, TX models only)

нет в наличии, поставок нет
evinrude

Время выполнения запроса 1.8886110782623 сек.


 
 

данный сайт носит информационный характер и не является публичной офертой

склад запчастей для водомоторной техники