вконтакте

Контактный телефон: +7 (981) 121-46-93, +7 (800) 200-90-76 , Email: parts-katalog@yandex.ru, где купить

 
 

  Логин:

Пароль:

Регистрация

www.partskatalog.ru Все каталоги Запчасти Mercury Запчасти Suzuki Запчасти Tohatsu Запчасти Honda Контакты



УВАЖАЕМЫЕ КЛИЕНТЫ!
C 31 ОКТЯБРЯ 2025 ПО 10 НОЯБРЯ 2025 ГОДА РАБОТАТЬ НЕ БУДЕМ




Все разделы каталога запчастей на этот двигатель

назад Раздел:   вперёд

вернуться к списку узлов и деталей

ДЕТАЛИРОВКА ДЛЯ МОДЕЛИ: EVINRUDE E50BELEIA 1991

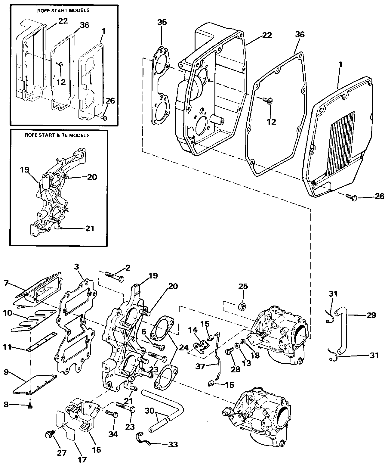
ВПУСКНОЙ КОЛЛЕКТОР | INTAKE MANIFOLD;


Лодочный подвесной мотор Evinrude E50BELEIA 1991  - take Коллектор / take Manifold

Номер на
рисунке
АртикулНаименованиеКол-во
на складе
Цена
1 0330912

Крышка, Air Глушитель - elec. start (COVER, Air silencer - elec. start)

нет в наличии, поставок нет
1 0434695

   (последний код) AIR-SILENC-KIT

нет в наличии, поставок нет
1 0329396

Крышка, Air Глушитель - Шнур start (COVER, Air silencer - rope start)

нет в наличии, поставок нет
1 0320403

   (последний код) COVER

нет в наличии, поставок нет
2 0306409

Винт, Коллектор to Картер двигателя. Electric Start (SCREW, Manifold to crankcase. Electric Start)

нет в наличии, поставок нет
2 0306418

Винт, Коллектор to Картер двигателя. Шнур Start (SCREW, Manifold to crankcase. Rope Start)

нет в наличии, поставок нет
3 0335633

Прокладка коллектора to Картер двигателя (GASKET, Manifold to crankcase)

нет в наличии, поставок нет
3 0317504

   (последний код) GASKET

нет в наличии, поставок нет
6 0306474

Винт, Пластина to Коллектор (SCREW, Plate to manifold)

нет в наличии, поставок нет
7 0395442

LEAF Пластина AY.. 40 Models (LEAF PLATE AY.. 40 Models)

нет в наличии, поставок нет
7 0389810

LEAF Пластина AY.. 50 Models (LEAF PLATE AY.. 50 Models)

нет в наличии, поставок нет
7 0387431

   (последний код) LEAF PLATE

нет в наличии, поставок нет
8 0327074

Винт (SCREW)

нет в наличии, поставок нет
8 0307129

   (последний код) SCREW

нет в наличии, поставок нет
9 0330675

LEAF STOP. 40 Models (LEAF STOP. 40 Models)

нет в наличии, поставок нет
9 0323601

LEAF STOP. 50 Models (LEAF STOP. 50 Models)

нет в наличии, поставок нет
10 0317739

LEAF Клапан. 40 Models (LEAF VALVE. 40 Models)

нет в наличии, поставок нет
10 0329777

   (последний код) LEAF-VALVE-&

нет в наличии, поставок нет
10 0308947

LEAF Клапан. 50 Models (LEAF VALVE. 50 Models)

нет в наличии, поставок нет
11 0323412

Регулировочная шайба, Leaf Клапан (SHIM, Leaf valve)

нет в наличии, поставок нет
12 0328694

Винт, Основание to Карбюратор (SCREW, Base to carburetor)

нет в наличии, поставок нет
12 0911122

   (последний код) SCREW

нет в наличии, поставок нет
13 0328735

Шайба, Регулировочный винт (WASHER, Adjusting screw)

нет в наличии, поставок нет
13 3852188

   (последний код) WASHER

нет в наличии, поставок нет
14 0329418

Рычаг дросселя adjustment (LEVER, Throttle adjustment)

нет в наличии, поставок нет
15 0318165

Фиксатор, Дроссель и choke (RETAINER, Throttle and choke)

нет в наличии, поставок нет
16 0333766

ANCHOR BLOCK. Electric Start (ANCHOR BLOCK. Electric Start)

нет в наличии, поставок нет
17 0334175

Фиксатор, Detent (RETAINER, Detent)

нет в наличии, поставок нет
18 0303701

LOCKШайба, Adjustment Рычаг (LOCKWASHER, Adjustment lever)

нет в наличии, поставок нет
19 0391780

Коллектор в сборе.. Electric Start (MANIFOLD ASSY.. Electric Start)

нет в наличии, поставок нет
19 0386687

   (последний код) MANIFOLD

нет в наличии, поставок нет
19 0433564

Коллектор в сборе.. Шнур Start (MANIFOLD ASSY.. Rope Start)

нет в наличии, поставок нет
19 0433684

   (последний код) MANIFOLD AY

нет в наличии, поставок нет
20 0314497

Шпилька, Карбюратор Креплениеing (STUD, Carburetor mounting)

нет в наличии, поставок нет
21 0325659

Ниппель, Коллектор (NIPPLE, Manifold)

нет в наличии, поставок нет
22 0333522

Основание, Air Глушитель. Electric Start (BASE, Air silencer. Electric Start)

нет в наличии, поставок нет
22 0395361

Основание, Air Глушитель. Шнур Start (BASE, Air silencer. Rope Start)

нет в наличии, поставок нет
22 0431994

   (последний код) BASE&NIPPLE

нет в наличии, поставок нет
23 0306409

Винт, Коллектор to Картер двигателя (SCREW, Manifold to crankcase)

нет в наличии, поставок нет
24 0325092

Прокладка карбюратора (GASKET, Carburetor)

нет в наличии, поставок нет
24 0314477

   (последний код) GASKET

нет в наличии, поставок нет
25 0315204

Гайка, Карбюратор Креплениеing (NUT, Carburetor mounting)

нет в наличии, поставок нет
25 0316355

   (последний код) NUT

нет в наличии, поставок нет
26 0332226

Винт, Крышка to Основание. Electric Start (SCREW, Cover to base. Electric Start)

нет в наличии, поставок нет
26 3852207

   (последний код) SCREW

нет в наличии, поставок нет
26 0329239

Винт, Крышка to Основание. Шнур Start (SCREW, Cover to base. Rope Start)

нет в наличии, поставок нет
27 0308738

Винт, Detent to block (SCREW, Detent to block)

нет в наличии, поставок нет
27 0328724

   (последний код) SCREW

нет в наличии, поставок нет
28 0328714

Винт дросселя adj (SCREW, Throttle adj)

нет в наличии, поставок нет
28 0204027

   (последний код) SCREW

нет в наличии, поставок нет
29 0

Шланг, Carb. to carb., 7 1 / 2 дюйм (191 мм) Use 327228 сокращёная длина (HOSE, Carb. to carb., 7 1/2 in. (191mm). Use 327228 Cut to Length)

нет в наличии, поставок нет
30 0

Шланг, Глушитель to Коллектор, 5 дюйм (127 мм) Use 327228 сокращёная длина (HOSE, Silencer to manifold, 5 in. (127mm). Use 327228 Cut to Length)

нет в наличии, поставок нет
31 0317893

Крепёжный хомут (TIE STRAP)

нет в наличии, поставок нет
31 3852149

   (последний код) TIE-STRAP

нет в наличии, поставок нет
33 0320107

Крепёжный хомут (TIE STRAP)

нет в наличии, поставок нет
33 5035626

   (последний код) BAND,REM CON

нет в наличии, поставок нет
34 0300646

Винт, Anchor block to Коллектор (SCREW, Anchor block to manifold)

нет в наличии, поставок нет
35 0330910

Прокладка, Air Глушитель (GASKET, Air silencer)

нет в наличии, поставок нет
36 0330909

Прокладка, Основание to Крышка. Electric Start (GASKET, Base to cover. Electric Start)

нет в наличии, поставок нет
36 0330698

Прокладка, Основание to Крышка. Шнур Start (GASKET, Base to cover. Rope Start)

нет в наличии, поставок нет
36 0316091

   (последний код) GSKT-BASE

нет в наличии, поставок нет
37 0329888

Тяга дросселя adj. Рычаг (LINK, Throttle adj. lever)

нет в наличии, поставок нет
37 0321070

   (последний код) LINK

нет в наличии, поставок нет
evinrude

Время выполнения запроса 2.3185799121857 сек.


 
 

данный сайт носит информационный характер и не является публичной офертой

склад запчастей для водомоторной техники