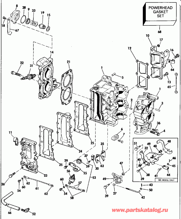
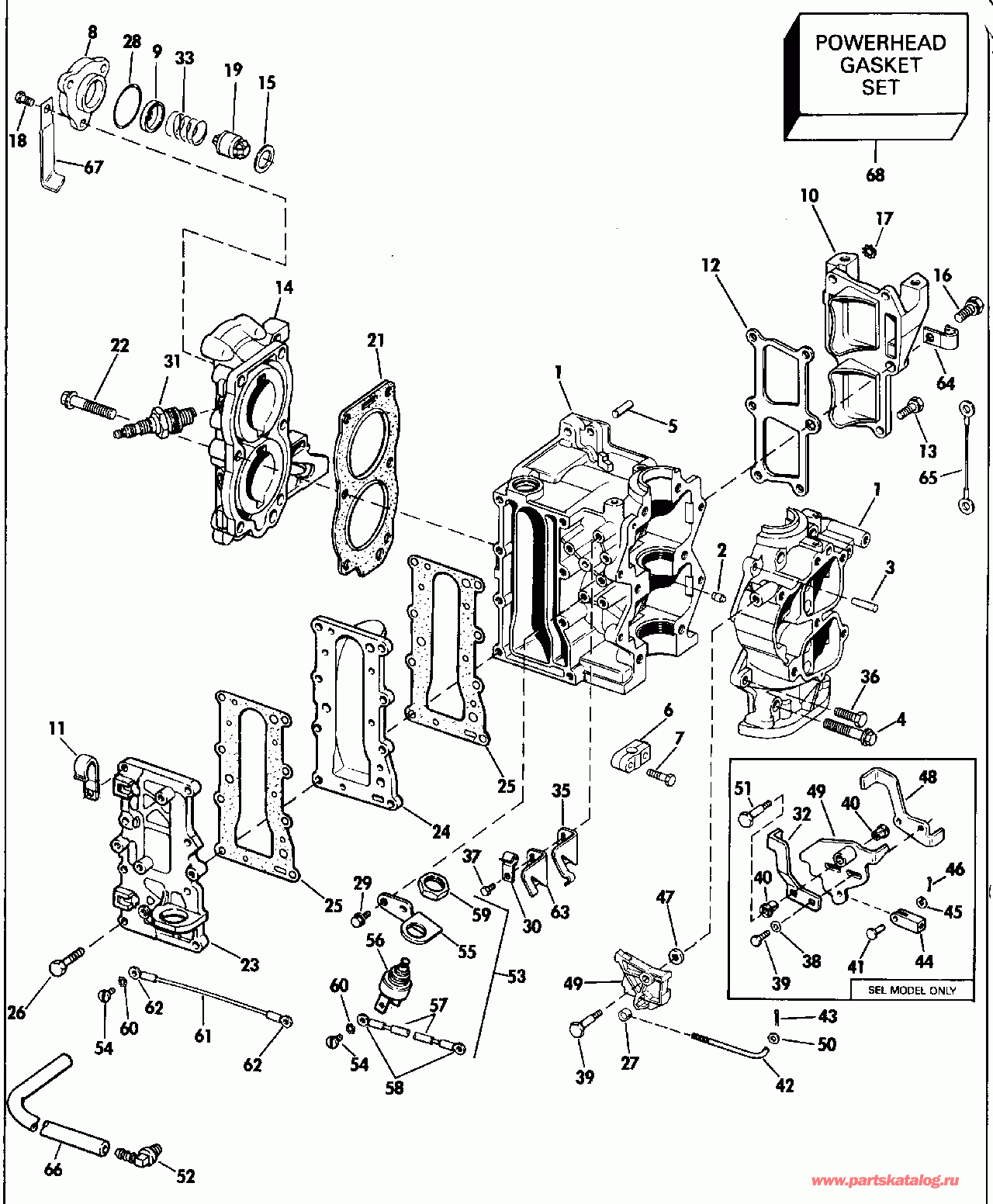
Номер на   рисунке | Артикул | Наименование | Кол-во   на складе | Цена | 
|  1  | 0396010 | Цилиндр & CCASE в сборе. (CYLINDER & CCASE ASSY.)  | нет в наличии, поставок нет | 
|  1  | 0393529 |    (последний код) CYL,C-CASE&P                                                                      | нет в наличии, поставок нет | 
|  2  | 0304178 | DOWEL, Подшипник (DOWEL, Bearing)  | нет в наличии, поставок нет | 
|  3  | 0300402 | конус Штифт (TAPER PIN)  | нет в наличии, поставок нет | 
|  4  | 0318622 | Винт, Цилиндр to Картер двигателя (SCREW, Cylinder to crankcase)  | нет в наличии, поставок нет | 
|  5  | 0319627 | Шпонка. Electric Start Models Only (DOWEL PIN. Electric Start Models Only)  | нет в наличии, поставок нет | 
|  5  | 0315750 |    (последний код) DOWEL PIN                                                                         | нет в наличии, поставок нет | 
|  6  | 0327588 | Подшипник Струбцина, Управление Вал (BEARING CLAMP, Control shaft)  | нет в наличии, поставок нет | 
|  7  | 0908159 | Винт, Подшипник Струбцина (SCREW, Bearing clamp)  | нет в наличии, поставок нет | 
|  7  | 0328728 |    (последний код) SCREW                                                                             | нет в наличии, поставок нет | 
|  8  | 0331189 | Крышка термостата (COVER, Thermostat)  | нет в наличии, поставок нет | 
|  9  | 0331241 | ISOLATOR (ISOLATOR)  | нет в наличии, поставок нет | 
|  10  | 0319350 | BYPASS Крышка. Electric Start Models Only (BYPASS COVER. Electric Start Models Only)  | нет в наличии, поставок нет | 
|  10  | 0333733 | BYPASS Крышка. Шнур Start Models Only (BYPASS COVER. Rope Start Models Only)  | нет в наличии, поставок нет | 
|  10  | 0336637 |    (последний код) COVER,BY-PASS                                                                     | 1 шт | 3280 руб. | 
|  11  | 0330151 | Струбцина, Leads to exh. Крышка (CLAMP, Leads to exh. cover)  | нет в наличии, поставок нет | 
|  11  | 3852199 |    (последний код) CLAMP,"J"                                                                         | нет в наличии, поставок нет | 
|  12  | 0319332 | Прокладка, Bypass Крышка (GASKET, Bypass cover)  | нет в наличии, поставок нет | 
|  13  | 0300646 | Винт, Bypass Крышка (SCREW, Bypass cover)  | нет в наличии, поставок нет | 
|  14  | 0432765 | CYL. HEAD & Седло (CYL. HEAD & SEAT)  | нет в наличии, поставок нет | 
|  14  | 0432764 |    (последний код) CYL-HEAD-AY                                                                       | нет в наличии, поставок нет | 
|  15  | 0334742 | Седло клапана (VALVE SEAT)  | нет в наличии, поставок нет | 
|  16  | 0316534 | Винт, Bypass Крышка. Electric Start Models Only (SCREW, Bypass cover. Electric Start Models Only)  | нет в наличии, поставок нет | 
|  16  | 0908001 |    (последний код) SCREW                                                                             | нет в наличии, поставок нет | 
|  16  | 0332203 | Винт, Bypass Крышка. Шнур Start Models Only (SCREW, Bypass cover. Rope Start Models Only)  | нет в наличии, поставок нет | 
|  17  | 0328701 | LOCKШайба, Stop sw. Заземление. Шнур Start Models Only (LOCKWASHER, Stop sw. ground. Rope Start Models Only)  | нет в наличии, поставок нет | 
|  17  | 3852182 |    (последний код) WASHER,LOCK                                                                       | нет в наличии, поставок нет | 
|  18  | 0308742 | Винт, Крышка (SCREW, Cover)  | нет в наличии, поставок нет | 
|  18  | 3852080 |    (последний код) SCREW                                                                             | нет в наличии, поставок нет | 
|  19  | 0433379 | Термостат & Седло в сборе.. Includes Item 15 (THERMOSTAT & SEAT ASSY.. Includes Item 15)  | нет в наличии, поставок нет | 
|  19  | 0432759 |    (последний код) THERMO.&SEAT                                                                      | нет в наличии, поставок нет | 
|  21  | 0330818 | Прокладка головки блока цилиндра (GASKET, Cylinder head)  | нет в наличии, поставок нет | 
|  21  | 0320533 |    (последний код) GASKET,CYL HEAD                                                                   | нет в наличии, поставок нет | 
|  22  | 0319226 | Винт, Cyl. head (SCREW, Cyl. head)  | нет в наличии, поставок нет | 
|  23  | 0322404 | Кожух выхлопной трубы, Outer (EXHAUST COVER, Outer)  | нет в наличии, поставок нет | 
|  23  | 0321862 |    (последний код) EXH-COVER                                                                         | нет в наличии, поставок нет | 
|  24  | 0328497 | Кожух выхлопной трубы, Inner (EXHAUST COVER, Inner)  | нет в наличии, поставок нет | 
|  25  | 0318925 | Прокладка кожуха выхлопной трубы (GASKET, Exhaust cover)  | нет в наличии, поставок нет | 
|  26  | 0314951 | Винт, Кожух выхлопной трубы (SCREW, Exhaust cover)  | нет в наличии, поставок нет | 
|  27  | 0323655 | Стержень Гайка, Соединитель to Рычаг переключения. Except SEL Models (PIVOT NUT, Link to shift lever. Except SEL Models)  | нет в наличии, поставок нет | 
|  28  | 0331188 | Уплотнительное кольцо, Крышка (O-RING, Cover)  | 5 шт | 370 руб. | 
|  29  | 0315287 | Винт, Neutral start Кронштейн. Electric Start Models Only (SCREW, Neutral start bracket. Electric Start Models Only)  | нет в наличии, поставок нет | 
|  30  | 0310442 | Струбцина, Кабель стартера to detent. Electric Start Models Only (CLAMP, Starter cable to detent. Electric Start Models Only)  | нет в наличии, поставок нет | 
|  31  | 0387633 | Свеча зажигания, Champion QL77J4. Radio Noise Sвышеpressor Заглушка (SPARK PLUG, Champion QL77J4. Radio Noise Suppressor Plug)  | нет в наличии, поставок нет | 
|  31  | 0502180 |    (последний код) Champion SPARK PLUG QL77JC4 MAR4                                                  | нет в наличии, поставок нет | 
|  31  | 0386941 | Свеча зажигания, Champion L77J4. Опции (SPARK PLUG, Champion L77J4. Optional)  | нет в наличии, поставок нет | 
|  31  | 4002080 |    (последний код) SP-PLUG L77J                                                                      | нет в наличии, поставок нет | 
|  31  | 0432424 | Свеча зажигания, Champion QL16V. Опции (SPARK PLUG, Champion QL16V. Optional)  | нет в наличии, поставок нет | 
|  31  | 0502178 |    (последний код) Champion SPARK PLUG QL16V MAR4                                                    | нет в наличии, поставок нет | 
|  31  | 0433627 | Свеча зажигания, Champion L16V. Опции (SPARK PLUG, Champion L16V. Optional)  | нет в наличии, поставок нет | 
|  31  | 0502894 |    (последний код) Champion SPARK PLUG L16V MAR4 (CS12209)                                           | нет в наличии, поставок нет | 
|  32  | 0123024 | Переключатель LOCK STOP. SEL Models Only (SHIFT LOCK STOP. SEL Models Only)  | нет в наличии, поставок нет | 
|  33  | 0331186 | Пружина, Термостат (SPRING, Thermostat)  | нет в наличии, поставок нет | 
|  35  | 0319414 | DETENT, Переключатель lock (DETENT, Shift lock)  | нет в наличии, поставок нет | 
|  36  | 0306049 | Винт, Цилиндр to Картер двигателя (SCREW, Cylinder to crankcase)  | нет в наличии, поставок нет | 
|  37  | 0315287 | Винт, Переключатель lock detent. Electric Start Models Only (SCREW, Shift lock detent. Electric Start Models Only)  | нет в наличии, поставок нет | 
|  38  | 0306413 | Шайба, Stop Переключатель lock Рычаг. SEL Models Only (WASHER, Stop shift lock lever. SEL Models Only)  | нет в наличии, поставок нет | 
|  39  | 0327768 | Винт, Рычаг to Картер двигателя (SCREW, Lever to crankcase)  | нет в наличии, поставок нет | 
|  39  | 0323661 |    (последний код) SCREW                                                                             | нет в наличии, поставок нет | 
|  39  | 0302750 | Винт, Рычаг to stop. SEL Models Only (SCREW, Lever to stop. SEL Models Only)  | нет в наличии, поставок нет | 
|  39  | 0332226 |    (последний код) SCREW                                                                             | нет в наличии, поставок нет | 
|  40  | 0311015 | Втулка, Переключательer lock. SEL Models Only (BUSHING, Shifter lock. SEL Models Only)  | нет в наличии, поставок нет | 
|  40  | 3852094 |    (последний код) BUSHING                                                                           | нет в наличии, поставок нет | 
|  41  | 0319127 | Штифт скобы to lock Рычаг. SEL Models Only (PIN, Clevis to lock lever. SEL Models Only)  | нет в наличии, поставок нет | 
|  42  | 0319066 | Переключающая тяга Рычаг to lock Рычаг. SEL Models Only (LINK, Shift lever to lock lever. SEL Models Only)  | нет в наличии, поставок нет | 
|  42  | 0323656 | Переключающая тяга Рычаг to lock Рычаг. Except SEL Models (LINK, Shift lever to lock lever. Except SEL Models)  | нет в наличии, поставок нет | 
|  43  | 0305650 | Шплинт, Yoke Штифт (COTTER PIN, Yoke pin)  | нет в наличии, поставок нет | 
|  43  | 3852052 |    (последний код) PIN,COTTER                                                                        | нет в наличии, поставок нет | 
|  44  | 0318955 | CLEVIS, Соединитель to bellКривошип. SEL Models Only (CLEVIS, Link to bellcrank. SEL Models Only)  | нет в наличии, поставок нет | 
|  45  | 0300154 | Шайба, Штифт clevis. SEL Models Only (WASHER, Pin clevis. SEL Models Only)  | нет в наличии, поставок нет | 
|  46  | 0305650 | Шпонка Штифт скобы Штифт. SEL Models Only (COTTER PIN, Clevis pin. SEL Models Only)  | нет в наличии, поставок нет | 
|  46  | 3852052 |    (последний код) PIN,COTTER                                                                        | нет в наличии, поставок нет | 
|  47  | 0306407 | Шайба, Переключатель lock assembly (WASHER, Shift lock assembly)  | нет в наличии, поставок нет | 
|  47  | 3852059 |    (последний код) WASHER                                                                            | нет в наличии, поставок нет | 
|  48  | 0322407 | STOP, Переключатель lock. SEL Models Only (STOP, Shift lock. SEL Models Only)  | нет в наличии, поставок нет | 
|  49  | 0387257 | Рычаг & HUB в сборе., Переключатель lock. SEL Models Only (LEVER & HUB ASSY., Shift lock. SEL Models Only)  | нет в наличии, поставок нет | 
|  49  | 0386387 |    (последний код) LEVER                                                                             | нет в наличии, поставок нет | 
|  49  | 0323657 | Рычаг переключения. Except SEL Models (SHIFT LEVER. Except SEL Models)  | нет в наличии, поставок нет | 
|  50  | 0300154 | Шайба с блокировкойout Соединитель (WASHER, Lockout link)  | нет в наличии, поставок нет | 
|  51  | 0319415 | Винт, Переключатель lock assembly. SEL Models Only (SCREW, Shift lock assembly. SEL Models Only)  | нет в наличии, поставок нет | 
|  52  | 0321886 | ELBOW, Индикатор (ELBOW, Indicator)  | нет в наличии, поставок нет | 
|  52  | 0321686 |    (последний код) ELBOW                                                                             | нет в наличии, поставок нет | 
|  53  | 0583053 | Кронштейн & SW. AY., Neutral start. Electric Start Models Only (BRACKET & SW. AY., Neutral start. Electric Start Models Only)  | нет в наличии, поставок нет | 
|  54  | 0314492 | Винт. Electric Start Models Only (SCREW. Electric Start Models Only)  | нет в наличии, поставок нет | 
|  55  | 0319543 | Кронштейн, Neutral start Переключатель. Electric Start Models Only (BRACKET, Neutral start switch. Electric Start Models Only)  | нет в наличии, поставок нет | 
|  56  | 0395699 | Переключатель нейтрали, в сборе start. Electric Start Models Only (SWITCH ASSY., Neutral start. Electric Start Models Only)  | нет в наличии, поставок нет | 
|  56  | 0386457 |    (последний код) SWITCH                                                                            | нет в наличии, поставок нет | 
|  57  | 0583052 | LEAD в сборе., Переключатель to Клемма block. Electric Start Models Only (LEAD ASSY., Switch to terminal block. Electric Start Models Only)  | нет в наличии, поставок нет | 
|  58  | 0337029 | Клемма, Кольцо. Electric Start Models Only (TERMINAL, Ring. Electric Start Models Only)  | нет в наличии, поставок нет | 
|  59  | 0319601 | Гайка, Neutral start. Electric Start Models Only (NUT, Neutral start. Electric Start Models Only)  | нет в наличии, поставок нет | 
|  60  | 0303916 | LOCKШайба. Electric Start Models Only (LOCKWASHER. Electric Start Models Only)  | нет в наличии, поставок нет | 
|  61  | 0581288 | LEAD в сборе., Переключатель to motor. Electric Start Models Only (LEAD ASSY., Switch to motor. Electric Start Models Only)  | нет в наличии, поставок нет | 
|  62  | 0337029 | Клемма, Кольцо. Electric Start Models Only (TERMINAL, Ring. Electric Start Models Only)  | нет в наличии, поставок нет | 
|  63  | 0320890 | SвышеPORT, Detent (SUPPORT, Detent)  | нет в наличии, поставок нет | 
|  64  | 0310441 | Струбцина. Electric Start Models Only (CLAMP. Electric Start Models Only)  | нет в наличии, поставок нет | 
|  64  | 0316385 |    (последний код) CLAMP                                                                             | нет в наличии, поставок нет | 
|  65  | 0376349 | LEAD в сборе., Exh. Крышка to нижний  eng. Крышка (LEAD ASSY., Exh. cover to lower eng. cover)  | нет в наличии, поставок нет | 
|  66  | 0321887 | Шланг, Ниппель to elbow (HOSE, Nipple to elbow)  | нет в наличии, поставок нет | 
|  67  | 0316487 | Фиксатор, Свеча зажигания & ign. leads (RETAINER, Spark plug & ign. leads)  | нет в наличии, поставок нет | 
|  68  | 0394546 | POWERHEAD Комплект прокладок (POWERHEAD GASKET SET)  | 1 шт | 4490 руб. | 
|  68  | 0391507 |    (последний код) PWHD-GSKT-SE                                                                      | нет в наличии, поставок нет |