вконтакте

Контактный телефон: +7 (981) 121-46-93, +7 (800) 200-90-76 , Email: parts-katalog@yandex.ru, где купить

 
 

  Логин:

Пароль:

Регистрация

www.partskatalog.ru Все каталоги Запчасти Mercury Запчасти Suzuki Запчасти Tohatsu Запчасти Honda Контакты



УВАЖАЕМЫЕ КЛИЕНТЫ!
C 31 ОКТЯБРЯ 2025 ПО 10 НОЯБРЯ 2025 ГОДА РАБОТАТЬ НЕ БУДЕМ




Все разделы каталога запчастей на этот двигатель

назад Раздел:   вперёд

вернуться к списку узлов и деталей

ДЕТАЛИРОВКА ДЛЯ МОДЕЛИ: EVINRUDE E4RLEIA 1991

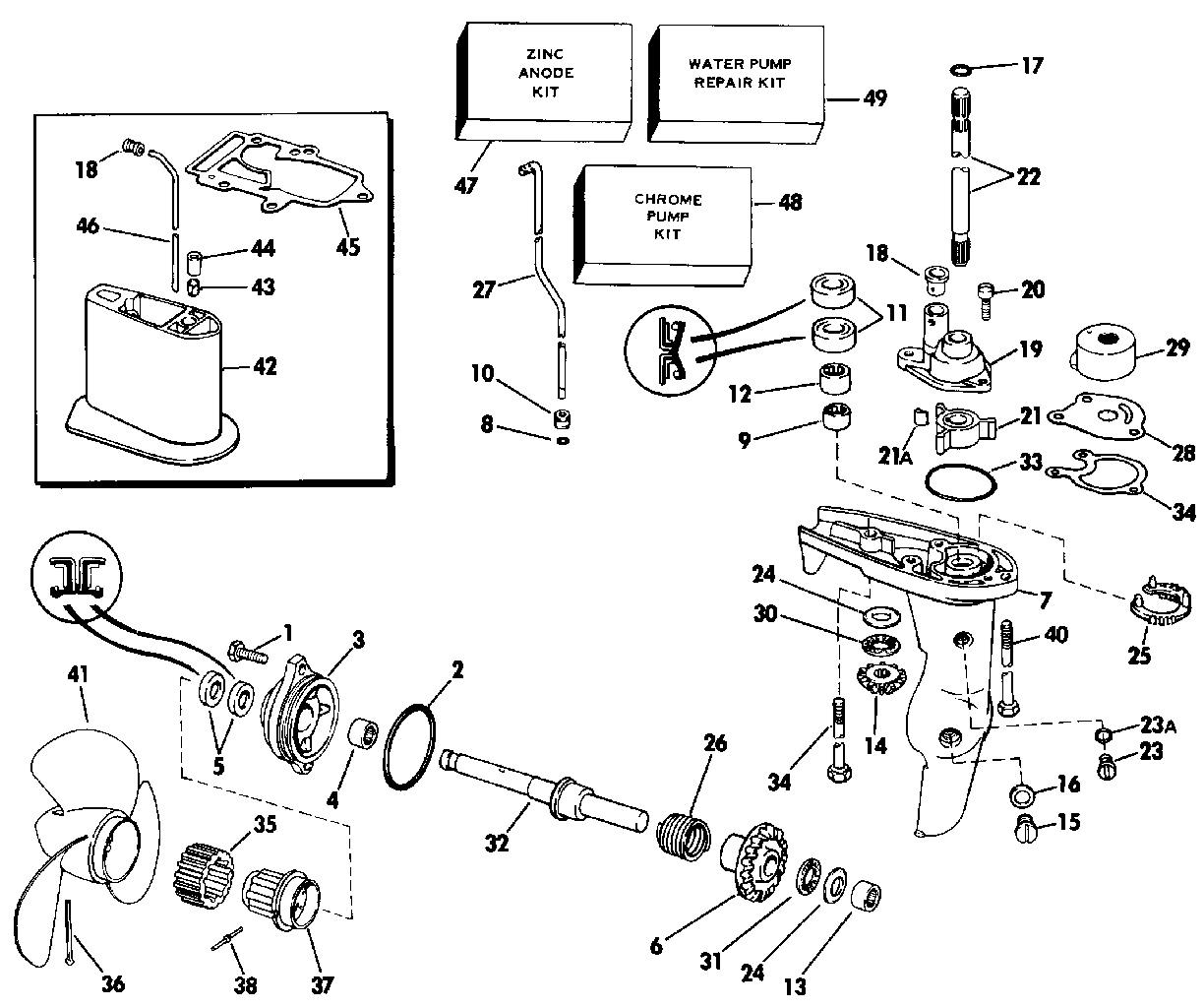
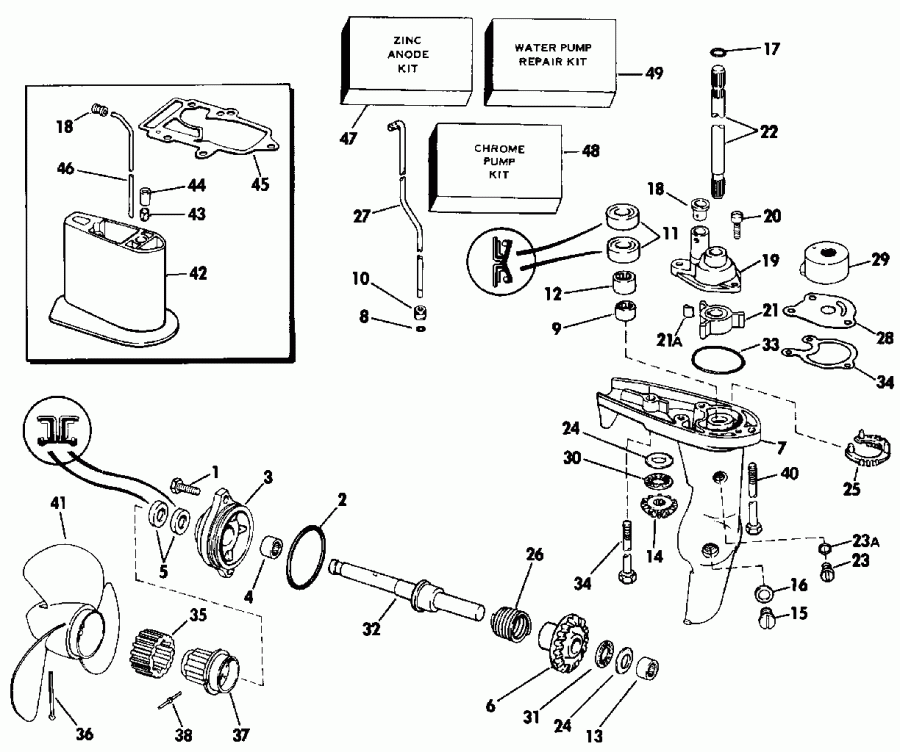
РЕДУКТОР | GEARCASE;


 EVINRUDE E4RLEIA 1991  - arcase

Номер на
рисунке
АртикулНаименованиеКол-во
на складе
Цена
0434128 0434128

Редуктор в сборе., Std.. Not Shown (GEARCASE ASSY., Std.. Not Shown)

нет в наличии, поставок нет
0434129 0434129

Редуктор в сборе., Long. Not Shown (GEARCASE ASSY., Long. Not Shown)

нет в наличии, поставок нет
1 0333706

Винт, Подшипник Корпус to Редуктор (SCREW, Bearing housing to gearcase)

нет в наличии, поставок нет
2 0302337

Уплотнительное кольцо, Подшипник Корпус (O-RING, Bearing housing)

нет в наличии, поставок нет
2 3852044

   (последний код) O-RING

нет в наличии, поставок нет
3 0391171

Редуктор Подшипник Корпус в сборе. (GEARCASE BEARING HOUSING ASSY.)

нет в наличии, поставок нет
4 0434694

Подшипник в сборе. (BEARING ASSY.)

7 шт930 руб.
4 0679144

   (последний код) BEARING

нет в наличии, поставок нет
5 0335250

Сальник, Подшипник Корпус (SEAL, Bearing housing)

16 шт1000 руб.
6 0326210

дляWARD Шестерни, комплект (FORWARD GEAR ASSY.)

нет в наличии, поставок нет
7 0394134

Редуктор в сборе с подшипником. (GEARCASE & BEARING ASSY.)

нет в наличии, поставок нет
7 0390638

   (последний код) GEARCASE&BRG AY

нет в наличии, поставок нет
8 0321357

Уплотнительное кольцо, Переключающая тяга. 5 дюйм LONGER PARTS (O-RING, Shift rod. 5 in. LONGER PARTS)

нет в наличии, поставок нет
9 0325282

Подшипник в сборе., нижний (BEARING ASSY., Lower)

1 шт1660 руб.
10 0326207

Втулка, Переключающая тяга (BUSHING, Shift rod)

нет в наличии, поставок нет
11 0327031

Сальник, DriveВал (SEAL, Driveshaft)

нет в наличии, поставок нет
11 0300599

   (последний код) SEAL

нет в наличии, поставок нет
12 0389574

Подшипник в сборе. (BEARING ASSY.)

нет в наличии, поставок нет
12 0391048

   (последний код) BRG&SLEEVE

1 шт4890 руб.
13 0434694

Подшипник в сборе. (BEARING ASSY.)

7 шт930 руб.
13 0679144

   (последний код) BEARING

нет в наличии, поставок нет
14 0326211

Шестерня, DriveВал (PINION, Driveshaft)

нет в наличии, поставок нет
15 0912625

Заглушка, Редуктор (PLUG, Gearcase)

нет в наличии, поставок нет
15 0307551

   (последний код) DRAIN FILL PLG

нет в наличии, поставок нет
16 0333572

Уплотнительное кольцо (O-RING)

нет в наличии, поставок нет
16 3855081

   (последний код) 0-RING

нет в наличии, поставок нет
17 0303191

Уплотнительное кольцо, DriveВал. Also included in Ремкомплект водяного насоса 431785 (O-RING, Driveshaft. Also included in Water Pump Repair Kit 431785)

нет в наличии, поставок нет
18 0321129

Пыльник водяной трубки. 5 дюйм LONGER PARTS (GROMMET, Water tube. 5 in. LONGER PARTS)

нет в наличии, поставок нет
19 0329091

Водяной насос HSG.. Also included in Ремкомплект водяного насоса 431785 (WATER PUMP HSG.. Also included in Water Pump Repair Kit 431785)

нет в наличии, поставок нет
20 0321127

Винт, Водяной насос в сборе.. Also included in Ремкомплект водяного насоса 431785 (SCREW, Water pump assy.. Also included in Water Pump Repair Kit 431785)

нет в наличии, поставок нет
21 0433935

Крыльчатка в сборе., Водяной насос. Also included in Ремкомплект водяного насоса 431785 (IMPELLER ASSY., Water pump. Also included in Water Pump Repair Kit 431785)

нет в наличии, поставок нет
21 0396852

   (последний код) IMPELLER-AY.

нет в наличии, поставок нет
21A 0335956

Ключ, Крыльчатка (KEY, Impeller)

нет в наличии, поставок нет
22 0391594

Приводной вал., Std. (DRIVESHAFT ASSY., Std.)

нет в наличии, поставок нет
22 0326234

   (последний код) DR/SHAFT

нет в наличии, поставок нет
22 0391595

Приводной вал., Long. 5 дюйм LONGER PARTS (DRIVESHAFT ASSY., Long. 5 in. LONGER PARTS)

нет в наличии, поставок нет
22 0326235

   (последний код) DR/SHAFT

нет в наличии, поставок нет
23 0309243

Винт, Vent (SCREW, Vent)

нет в наличии, поставок нет
23 0333800

   (последний код) SCREW

нет в наличии, поставок нет
23A 0336982

Уплотнительное кольцо, Vent Винт (O-RING, Vent screw)

нет в наличии, поставок нет
24 0325669

Упорная шайба (THRUST WASHER)

нет в наличии, поставок нет
25 0326204

Водяной экран вход (SCREEN, Water inlet)

нет в наличии, поставок нет
26 0326205

Пружина, Сцепление (SPRING, Clutch)

нет в наличии, поставок нет
27 0327983

Переключающая тяга, Std. (SHIFT ROD, Std.)

нет в наличии, поставок нет
27 0326236

   (последний код) SHIFT-ROD-ST

нет в наличии, поставок нет
27 0327982

Переключающая тяга, Long. 5 дюйм LONGER PARTS (SHIFT ROD, Long. 5 in. LONGER PARTS)

нет в наличии, поставок нет
27 0326237

   (последний код) SHIFT-ROD

нет в наличии, поставок нет
28 0329092

Пластина, Корпус. Also included in Ремкомплект водяного насоса 431785 (PLATE, Housing. Also included in Water Pump Repair Kit 431785)

нет в наличии, поставок нет
29 0324641

LINER, Водяной насос. Also included in Ремкомплект водяного насоса 431785 (LINER, Water pump. Also included in Water Pump Repair Kit 431785)

нет в наличии, поставок нет
30 0391065

THRUST Подшипник в сборе. (THRUST BEARING ASSY.)

нет в наличии, поставок нет
31 0381791

THRUST Подшипник в сборе. (THRUST BEARING ASSY.)

1 шт990 руб.
32 0434052

Вал гребного винта в сборе. (PROPELLER SHAFT ASSY.)

нет в наличии, поставок нет
33 0330342

Сальник. Also included in Ремкомплект водяного насоса 431785 (SEAL. Also included in Water Pump Repair Kit 431785)

нет в наличии, поставок нет
34 0330447

Прокладка крыльчатки Корпус. Also included in Ремкомплект водяного насоса 431785 (GASKET, Impeller housing. Also included in Water Pump Repair Kit 431785)

нет в наличии, поставок нет
35 0310331

Кольцо, Prop Сцепление (RING, Prop clutch)

1 шт1220 руб.
36 0313693

Шплинт, Гайка гребного винта (COTTER PIN, Propeller nut)

3 шт70 руб.
37 0398316

Сцепление HUB, Гребной винт (CLUTCH HUB, Propeller)

нет в наличии, поставок нет
37 0398731

   (последний код) CLUTCH-HUB-A

нет в наличии, поставок нет
38 0336221

DRIVE Штифт, Гребной винт (DRIVE PIN, Propeller)

нет в наличии, поставок нет
40 0333710

Винт, Редуктор Креплениеing (SCREW, Gearcase mounting)

нет в наличии, поставок нет
40 0332012

   (последний код) SCREW

нет в наличии, поставок нет
41 0318487

Гребной винт, 7 1 / 2 x 6 (PROPELLER, 7 1/2 x 6)

нет в наличии, поставок нет
41 0319774

   (последний код) PROPELLER

нет в наличии, поставок нет
41 0319774

Гребной винт, 7 1 / 2 x 7 (PROPELLER, 7 1/2 x 7)

нет в наличии, поставок нет
41 0318487

   (последний код) PL PROP 4 HP

нет в наличии, поставок нет
41 0327677

Гребной винт, 7 1 / 2 x 6 1 / 2 (PROPELLER, 7 1/2 x 6 1/2)

нет в наличии, поставок нет
0391736 0391736

Удлинитель KIT - 5 дюйм. Not Shown 5 дюйм LONGER PARTS (EXTENSION KIT - 5 in.. Not Shown 5 in. LONGER PARTS)

нет в наличии, поставок нет
8 0321357

Уплотнительное кольцо, Переключающая тяга. 5 дюйм LONGER PARTS (O-RING, Shift rod. 5 in. LONGER PARTS)

нет в наличии, поставок нет
0306376 0306376

Шплинт. Not Shown 5 дюйм LONGER PARTS (COTTER PIN. Not Shown 5 in. LONGER PARTS)

нет в наличии, поставок нет
0306376 0306370

   (последний код) COTTER PIN

нет в наличии, поставок нет
18 0321129

Пыльник водяной трубки. 5 дюйм LONGER PARTS (GROMMET, Water tube. 5 in. LONGER PARTS)

нет в наличии, поставок нет
22 0391595

DRIVEВал, Long. 5 дюйм LONGER PARTS (DRIVESHAFT, Long. 5 in. LONGER PARTS)

нет в наличии, поставок нет
22 0326235

   (последний код) DR/SHAFT

нет в наличии, поставок нет
27 0327982

Переключающая тяга, Long. 5 дюйм LONGER PARTS (SHIFT ROD, Long. 5 in. LONGER PARTS)

нет в наличии, поставок нет
27 0326237

   (последний код) SHIFT-ROD

нет в наличии, поставок нет
34 0330666

Винт, Редуктор Креплениеing. 5 дюйм LONGER PARTS (SCREW, Gearcase mounting. 5 in. LONGER PARTS)

нет в наличии, поставок нет
34 0341982

   (последний код) STUD

нет в наличии, поставок нет
39 0303191

Уплотнительное кольцо, DriveВал. 5 дюйм LONGER PARTS Also included in Ремкомплект водяного насоса 431785 (O-RING, Driveshaft. 5 in. LONGER PARTS Also included in Water Pump Repair Kit 431785)

нет в наличии, поставок нет
42 0394477

Редуктор EXT. в сборе.. 5 дюйм LONGER PARTS (GEARCASE EXT. ASSY.. 5 in. LONGER PARTS)

нет в наличии, поставок нет
42 0391666

   (последний код) EXTENSION

нет в наличии, поставок нет
43 0310674

Втулка, DriveВал. 5 дюйм LONGER PARTS (BUSHING, Driveshaft. 5 in. LONGER PARTS)

нет в наличии, поставок нет
44 0326742

Гильза, DriveВал. 5 дюйм LONGER PARTS (SLEEVE, Driveshaft. 5 in. LONGER PARTS)

нет в наличии, поставок нет
44 0326988

   (последний код) SLEEVE

нет в наличии, поставок нет
45 0336089

Прокладка, Корпус to Цилиндр. 5 дюйм LONGER PARTS (GASKET, Housing to cylinder. 5 in. LONGER PARTS)

нет в наличии, поставок нет
46 0327981

Водяная трубка, Long. 5 дюйм LONGER PARTS (WATER TUBE, Long. 5 in. LONGER PARTS)

нет в наличии, поставок нет
46 0326233

   (последний код) W-TUBE

нет в наличии, поставок нет
47 0173029

ZINC Анод KIT (ZINC ANODE KIT)

нет в наличии, поставок нет
47 0123009

   (последний код) ANODE

нет в наличии, поставок нет
0304454 0304454

LOCKШайба. Not Shown (LOCKWASHER. Not Shown)

нет в наличии, поставок нет
0306643 0306643

Винт. Not Shown (SCREW. Not Shown)

нет в наличии, поставок нет
0306643 3852066

   (последний код) SCREW

нет в наличии, поставок нет
48 0394113

Хромированный ремкомплект водяного насоса (CHROME PUMP KIT)

нет в наличии, поставок нет
48 0391294

   (последний код) CHROME-PUMP

нет в наличии, поставок нет
49 0431784

Ремкомплект водяного насоса (WATER PUMP REPAIR KIT)

нет в наличии, поставок нет
49 0431785

   (последний код) WTR PUMP KIT

нет в наличии, поставок нет
49 0431785

Ремкомплект водяного насоса (Inc. Крыльчатка hsg.) (WATER PUMP REPAIR KIT (Inc. impeller hsg.))

нет в наличии, поставок нет
49 0431784

   (последний код) WATER-PUMP-K

нет в наличии, поставок нет
evinrude

Время выполнения запроса 4.60364985466 сек.


 
 

данный сайт носит информационный характер и не является публичной офертой

склад запчастей для водомоторной техники