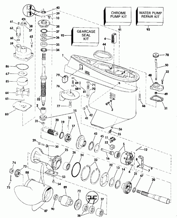
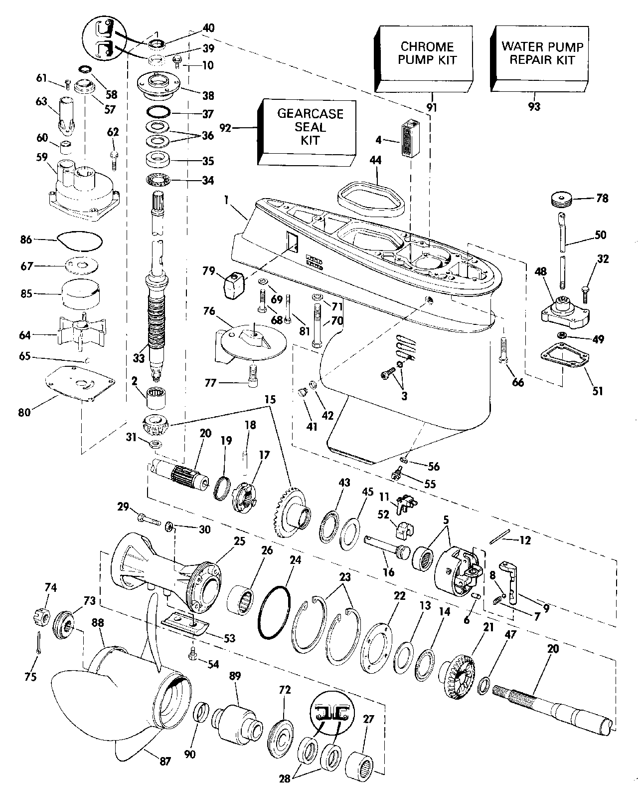
Номер на   рисунке | Артикул | Наименование | Кол-во   на складе | Цена | 
|  0432624  | 0432624 | Редуктор в сборе., Long. Not Shown (GEARCASE ASSY., Long. Not Shown)  | нет в наличии, поставок нет | 
|  1  | 0392478 | Редуктор в сборе с подшипником. (GEARCASE & BEARING ASSY.)  | нет в наличии, поставок нет | 
|  1  | 5005458 |    (последний код) GEARCASE&BRG AY                                                                   | нет в наличии, поставок нет | 
|  2  | 0382343 | Подшипник, Шестерня (BEARING, Pinion)  | нет в наличии, поставок нет | 
|  3  | 0324852 | Установочный винт, Подшипник (SET SCREW, Bearing)  | нет в наличии, поставок нет | 
|  0332584  | 0332584 | Сальник. Not Shown (SEAL. Not Shown)  | нет в наличии, поставок нет | 
|  4  | 0314175 | Водяной экран Система впуска (SCREEN, Water intake)  | нет в наличии, поставок нет | 
|  5  | 0391880 | Подшипник Корпус в сборе. (BEARING HOUSING ASSY.)  | нет в наличии, поставок нет | 
|  6  | 0331880 | Штифт, Корпус to gcase (PIN, Housing to gcase)  | нет в наличии, поставок нет | 
|  7  | 0326666 | Фиксатор пружины (SPRING, Detent)  | нет в наличии, поставок нет | 
|  8  | 0327345 | Шарик, Detent (BALL, Detent)  | нет в наличии, поставок нет | 
|  9  | 0326670 | DETENT, Переключательer (DETENT, Shifter)  | нет в наличии, поставок нет | 
|  10  | 0909386 | Винт, Hsg. to gcase (SCREW, Hsg. to gcase)  | нет в наличии, поставок нет | 
|  11  | 0324037 | Рычаг переключателя (LEVER, Shift)  | 8 шт | 3700 руб. | 
|  12  | 0320145 | Штифт рычага to hsg. (PIN, Lever to hsg.)  | нет в наличии, поставок нет | 
|  12  | 0323945 |    (последний код) PIN-SHIFTER                                                                       | нет в наличии, поставок нет | 
|  13  | 0313447 | Упорная шайба, Rev. (THRUST WASHER, Rev.)  | нет в наличии, поставок нет | 
|  14  | 0382408 | THRUST Подшипник, Rev. (THRUST BEARING, Rev.)  | нет в наличии, поставок нет | 
|  15  | 0397338 | Шестерня и Комплект шестерёнок. (GEAR AND PINION ASSY.)  | нет в наличии, поставок нет | 
|  15  | 0389964 |    (последний код) GEAR-PINION                                                                       | нет в наличии, поставок нет | 
|  16  | 0326668 | Переключающий валer (SHAFT, Shifter)  | нет в наличии, поставок нет | 
|  17  | 0318303 | Переключатель собачки сцепления (SHIFTER, Clutch dog)  | нет в наличии, поставок нет | 
|  18  | 0313448 | Штифт сцепления dog (PIN, Clutch dog)  | нет в наличии, поставок нет | 
|  19  | 0324369 | Пружина, Сцепление dog Штифт (SPRING, Clutch dog pin)  | нет в наличии, поставок нет | 
|  19  | 0313454 |    (последний код) SPRING                                                                            | нет в наличии, поставок нет | 
|  20  | 0387879 | Вал гребного винта в сборе. (PROPELLER SHAFT ASSY.)  | нет в наличии, поставок нет | 
|  20  | 0439185 |    (последний код) SHAFT AY,PROPELLER                                                                | нет в наличии, поставок нет | 
|  21  | 0318304 | Шестерня обратного хода (GEAR, Reverse)  | нет в наличии, поставок нет | 
|  22  | 0313453 | Фиксатор Пластина, Подшипник Корпус (RETAINER PLATE, Bearing housing)  | нет в наличии, поставок нет | 
|  23  | 0313445 | Стопорное кольцо (RETAINING RING)  | нет в наличии, поставок нет | 
|  24  | 0313446 | Уплотнительное кольцо, Подшипник Корпус (O-RING, bearing housing)  | нет в наличии, поставок нет | 
|  25  | 0397188 | Подшипник Корпус в сборе. (BEARING HOUSING ASSY.)  | нет в наличии, поставок нет | 
|  25  | 0434391 |    (последний код) P-SHFT BRG HSG AY                                                                 | нет в наличии, поставок нет | 
|  26  | 0382407 | Игольчатый подшипник в сборе. (NEEDLE BEARING ASSY.)  | 1 шт | 5500 руб. | 
|  27  | 0379504 | Игольчатый подшипник в сборе. (NEEDLE BEARING ASSY.)  | нет в наличии, поставок нет | 
|  28  | 0330137 | Сальник (SEAL)  | 17 шт | 3700 руб. | 
|  28  | 0321668 |    (последний код) SEAL-CRNKSHF                                                                      | нет в наличии, поставок нет | 
|  28  | T-0330137 |    (не оригинальный аналог) Сальник редуктора OMC/Johnson/Evinrude 0330137  | под заказ шт | по запросу | 
|  29  | 0320041 | Винт, Hsg. to Редуктор (SCREW, Hsg. to gearcase)  | нет в наличии, поставок нет | 
|  29  | 0316564 |    (последний код) SCREW BRG HSG                                                                     | нет в наличии, поставок нет | 
|  30  | 0332584 | Сальник (SEAL)  | нет в наличии, поставок нет | 
|  31  | 0313339 | Гайка, Шестерня to dВал (NUT, Pinion to dshaft)  | нет в наличии, поставок нет | 
|  32  | 0302325 | Винт, Крышка to Редуктор (SCREW, Cover to gearcase)  | нет в наличии, поставок нет | 
|  33  | 0432960 | Приводной вал., Long (DRIVESHAFT ASSY., Long)  | нет в наличии, поставок нет | 
|  33  | 0437376 |    (последний код) DRIVESHAFT AY,20"                                                                 | нет в наличии, поставок нет | 
|  34  | 0385068 | THRUST Подшипник в сборе. (THRUST BEARING ASSY.)  | 1 шт | 7500 руб. | 
|  35  | 0317230 | Упорная шайба (THRUST WASHER)  | нет в наличии, поставок нет | 
|  36  | 0323889 | Регулировочная шайба, 0.003 дюйм (0.07 мм) (SHIM, 0.003 in. (0.07mm))  | нет в наличии, поставок нет | 
|  36  | 0323890 | Регулировочная шайба, 0.004 дюйм (0, 10 мм) (SHIM, 0.004 in. (0,10mm))  | нет в наличии, поставок нет | 
|  36  | 0317232 | Регулировочная шайба, 0.005" дюйм (0, 12 мм) (SHIM, 0.005" in. (0,12mm))  | нет в наличии, поставок нет | 
|  37  | 0313754 | Уплотнительное кольцо, Подшипник Корпус (O-RING, Bearing housing)  | нет в наличии, поставок нет | 
|  38  | 0385087 | Подшипник Корпус в сборе. (BEARING HOUSING ASSY.)  | нет в наличии, поставок нет | 
|  39  | 0321466 | Сальник, нижний (SEAL, lower)  | нет в наличии, поставок нет | 
|  39  | 0318223 |    (последний код) OIL RET 5 PK                                                                      | нет в наличии, поставок нет | 
|  40  | 0332205 | Сальник, верхний (SEAL, Upper)  | нет в наличии, поставок нет | 
|  41  | 0307551 | Заглушка, Fill & drain, верхний (PLUG, Fill & drain, upper)  | нет в наличии, поставок нет | 
|  41  | 0982851 |    (последний код) SCREW-PLUG                                                                        | нет в наличии, поставок нет | 
|  42  | 0333572 | Уплотнительное кольцо (O-RING)  | нет в наличии, поставок нет | 
|  42  | 3855081 |    (последний код) 0-RING                                                                            | нет в наличии, поставок нет | 
|  43  | 0385043 | THRUST Подшипник, дляward (THRUST BEARING, Forward)  | нет в наличии, поставок нет | 
|  43  | 3852221 |    (последний код) BEARING-AY,T                                                                      | нет в наличии, поставок нет | 
|  44  | 0324937 | Сальник, Gcase to inner exh. hsg. (SEAL, Gcase to inner exh. hsg.)  | нет в наличии, поставок нет | 
|  44  | 0313656 |    (последний код) SEAL                                                                              | нет в наличии, поставок нет | 
|  45  | 0324766 | Упорная шайба, Fwd. (THRUST WASHER, Fwd.)  | нет в наличии, поставок нет | 
|  47  | 0316484 | Упорная шайба, Переключательer dog reverse (THRUST WASHER, Shifter dog reverse)  | нет в наличии, поставок нет | 
|  48  | 0388651 | Крышка в сборе (COVER ASSY.)  | нет в наличии, поставок нет | 
|  49  | 0318372 | Уплотнительное кольцо, Переключающая тяга (O-RING, Shift rod)  | нет в наличии, поставок нет | 
|  50  | 0327337 | Переключающая тяга, Long (SHIFT ROD, Long)  | нет в наличии, поставок нет | 
|  51  | 0314082 | Прокладка крышки to gcase (GASKET, Cover to gcase)  | 12 шт | 650 руб. | 
|  51  | 0320312 |    (последний код) GASKET                                                                            | нет в наличии, поставок нет | 
|  52  | 0334163 | CRADLE, Переключательer (CRADLE, Shifter)  | 5 шт | 1880 руб. | 
|  52  | 0322900 |    (последний код) CRADLE-SHIFT                                                                      | нет в наличии, поставок нет | 
|  53  | 0431708 | Анод, Подшипник hsg. (ANODE, Bearing hsg.)  | нет в наличии, поставок нет | 
|  53  | 0397111 |    (последний код) ANODE-AY                                                                          | нет в наличии, поставок нет | 
|  54  | 0332320 | Винт, Анод (SCREW, Anode)  | нет в наличии, поставок нет | 
|  55  | 0318544 | Заглушка, Fill & drain, нижний (PLUG, Fill & drain, lOWER)  | нет в наличии, поставок нет | 
|  55  | 0912624 |    (последний код) SCREW                                                                             | нет в наличии, поставок нет | 
|  56  | 0333572 | Уплотнительное кольцо (O-RING)  | нет в наличии, поставок нет | 
|  56  | 3855081 |    (последний код) 0-RING                                                                            | нет в наличии, поставок нет | 
|  57  | 0315748 | Пыльник, Корпус. Also included in Ремкомплект водяного насоса 432955 (GROMMET, Housing. Also included in Water Pump Repair Kit 432955)  | нет в наличии, поставок нет | 
|  57  | 0341732 |    (последний код) GROMMET                                                                           | 1 шт | 160 руб. | 
|  58  | 0310585 | Уплотнительное кольцо, DriveВал. Also included in Ремкомплект водяного насосаs 432955 & 432956 (O-RING, Driveshaft. Also included in Water Pump Repair Kits 432955 & 432956)  | нет в наличии, поставок нет | 
|  59  | 0391049 | Крыльчатка Корпус. Also included in Ремкомплект водяного насоса 432955 (IMPELLER HOUSING. Also included in Water Pump Repair Kit 432955)  | нет в наличии, поставок нет | 
|  59  | 0432955 |    (последний код) WATERPUMP KIT                                                                     | нет в наличии, поставок нет | 
|  60  | 0314008 | Пыльник водяной трубки. Also included in Ремкомплект водяного насоса 432955 (GROMMET, Water tube. Also included in Water Pump Repair Kit 432955)  | нет в наличии, поставок нет | 
|  61  | 0908158 | Винт направляющей to hsg.. Also included in Ремкомплект водяного насоса 432955 (SCREW, Guide to hsg.. Also included in Water Pump Repair Kit 432955)  | нет в наличии, поставок нет | 
|  61  | 3852050 |    (последний код) SCREW                                                                             | нет в наличии, поставок нет | 
|  62  | 0331979 | Винт, Крыльчатка hsg.. Also included in Ремкомплект водяного насоса 432955 (SCREW, Impeller hsg.. Also included in Water Pump Repair Kit 432955)  | нет в наличии, поставок нет | 
|  63  | 0319276 | Направляющая трубки водяного насоса. Also included in Ремкомплект водяного насоса 432955 (GUIDE, Water tube. Also included in Water Pump Repair Kit 432955)  | нет в наличии, поставок нет | 
|  64  | 0432954 | Крыльчатка & Ключ в сборе.. Also included in Ремкомплект водяного насоса 432955 (IMPELLER & KEY ASSY.. Also included in Water Pump Repair Kit 432955)  | нет в наличии, поставок нет | 
|  64  | 0396725 |    (последний код) IMP & KEY AY                                                                      | 1 шт | 3420 руб. | 
|  65  | 0334897 | Ключ, Крыльчатка to driveВал. Also included in Ремкомплект водяного насоса 432955 (KEY, Impeller to driveshaft. Also included in Water Pump Repair Kit 432955)  | нет в наличии, поставок нет | 
|  66  | 0308843 | Винт, Редуктор to hsg. (SCREW, Gearcase to hsg.)  | нет в наличии, поставок нет | 
|  67  | 0321940 | Пластина корпуса крыльчатки. Also included in Ремкомплект водяного насоса 432955 (PLATE, Impeller housing. Also included in Water Pump Repair Kit 432955)  | нет в наличии, поставок нет | 
|  68  | 0306503 | Винт, Short (SCREW, Short)  | нет в наличии, поставок нет | 
|  68  | 0316533 |    (последний код) SCREW                                                                             | нет в наличии, поставок нет | 
|  69  | 0306470 | LOCKШайба, Short Винт (LOCKWASHER, Short screw)  | нет в наличии, поставок нет | 
|  69  | 3852061 |    (последний код) LOCKWASHER                                                                        | нет в наличии, поставок нет | 
|  70  | 0313697 | Винт, Long (SCREW, Long)  | нет в наличии, поставок нет | 
|  70  | 0312697 |    (последний код) SCREW                                                                             | нет в наличии, поставок нет | 
|  71  | 0306314 | LOCKШайба, Long Винт (LOCKWASHER, Long screw)  | нет в наличии, поставок нет | 
|  72  | 0318841 | Упорная втулка в сборе. (THRUST BUSHING ASSY.)  | нет в наличии, поставок нет | 
|  72  | 0127084 |    (последний код) BUSHING,THRUST                                                                    | нет в наличии, поставок нет | 
|  73  | 0315810 | Проставка, Prop. Гайка (SPACER, Prop. nut)  | нет в наличии, поставок нет | 
|  74  | 0314503 | Гайка гребного винта (NUT, Propeller)  | нет в наличии, поставок нет | 
|  75  | 0314502 | Шплинт, Prop. Гайка (COTTER PIN, Prop. nut)  | нет в наличии, поставок нет | 
|  76  | 0327640 | Пластина трима, Редуктор (TRIM TAB, Gearcase)  | нет в наличии, поставок нет | 
|  76  | 0338742 |    (последний код) TAB,TRIM-STD                                                                      | нет в наличии, поставок нет | 
|  77  | 0313715 | Винт, Пластина трима (SCREW, Trim tab)  | нет в наличии, поставок нет | 
|  78  | 0321452 | Пыльник (GROMMET)  | нет в наличии, поставок нет | 
|  78  | 0318249 |    (последний код) GROMMET                                                                           | нет в наличии, поставок нет | 
|  79  | 0393023 | Анод и INSERT (ANODE AND INSERT)  | нет в наличии, поставок нет | 
|  79  | 0436745 |    (последний код) ANODE&INSERT AY                                                                   | нет в наличии, поставок нет | 
|  80  | 0319275 | Пластина корпуса крыльчатки. Also included in Ремкомплект водяного насоса 432955 (PLATE, Impeller housing. Also included in Water Pump Repair Kit 432955)  | нет в наличии, поставок нет | 
|  80  | 0341038 |    (последний код) IMP HSG PLATE                                                                     | нет в наличии, поставок нет | 
|  81  | 0328096 | Винт, Анод (SCREW, Anode)  | нет в наличии, поставок нет | 
|  81  | 0327046 |    (последний код) SCREW                                                                             | нет в наличии, поставок нет | 
|  85  | 0324980 | LINER, Крыльчатка Корпус. Also included in Ремкомплект водяного насоса 432955 (LINER, Impeller housing. Also included in Water Pump Repair Kit 432955)  | нет в наличии, поставок нет | 
|  85  | 0321941 |    (последний код) LINER                                                                             | нет в наличии, поставок нет | 
|  86  | 0324981 | Сальник, Крыльчатка Корпус. Also included in Ремкомплект водяного насосаs 432955 & 432956 (SEAL, Impeller housing. Also included in Water Pump Repair Kits 432955 & 432956)  | нет в наличии, поставок нет | 
|  87  | 0383160 | Гребной винт, 14 * 9 AL. (PROPELLER, 14  9 AL.)  | нет в наличии, поставок нет | 
|  87  | 0763300 |    (последний код) PROP AL,14 X 9                                                                    | нет в наличии, поставок нет | 
|  87  | 0382761 | Гребной винт, 14 * 11 AL. (PROPELLER, 14  11 AL.)  | нет в наличии, поставок нет | 
|  87  | 0391668 | Гребной винт, 14 * 13 AL. (PROPELLER, 14  13 AL.)  | нет в наличии, поставок нет | 
|  87  | 0765181 |    (последний код) PROP,AL 13.75X13                                                                  | нет в наличии, поставок нет | 
|  87  | 0391198 | Гребной винт, 13 3 / 4 * 15 AL. (PROPELLER, 13 3/4  15 AL.)  | нет в наличии, поставок нет | 
|  87  | 0765182 |    (последний код) PROP AY,AL 13.5X15                                                                | нет в наличии, поставок нет | 
|  87  | 0391199 | Гребной винт, 13 1 / 4 * 17 AL. (PROPELLER, 13 1/4  17 AL.)  | нет в наличии, поставок нет | 
|  87  | 0765183 |    (последний код) PROP,AL 13.25X17                                                                  | нет в наличии, поставок нет | 
|  87  | 0390896 | Гребной винт, 13 * 19 AL. (PROPELLER, 13  19 AL.)  | нет в наличии, поставок нет | 
|  87  | 0765184 |    (последний код) PROP AY,AL 13.2X19                                                                | нет в наличии, поставок нет | 
|  87  | 0389788 | Гребной винт, 12 3 / 4 * 21 AL (PROPELLER, 12 3/4  21 AL)  | нет в наличии, поставок нет | 
|  87  | 0765185 |    (последний код) PROP AY,AL 13.2X21                                                                | нет в наличии, поставок нет | 
|  87  | 0390895 | Гребной винт, 12 3 / 4 * 23 AL (PROPELLER, 12 3/4  23 AL)  | нет в наличии, поставок нет | 
|  87  | 0177150 |    (последний код) PROP AY,12.75 X 23                                                                | нет в наличии, поставок нет | 
|  87  | 0392261 | Гребной винт, 13 3 / 4 * 13 SST (PROPELLER, 13 3/4  13 SST)  | нет в наличии, поставок нет | 
|  87  | 0389948 | Гребной винт, 13 3 / 4 * 17 SST (PROPELLER, 13 3/4  17 SST)  | нет в наличии, поставок нет | 
|  87  | 0176572 |    (последний код) SST V4  13.88X17                                                                  | нет в наличии, поставок нет | 
|  87  | 0389510 | Гребной винт, 13 * 19 SST (PROPELLER, 13  19 SST)  | нет в наличии, поставок нет | 
|  87  | 0763931 |    (последний код) VIPERV4 13.875X19                                                                 | нет в наличии, поставок нет | 
|  87  | 0389512 | Гребной винт, 12 3 / 4 * 21 SST (PROPELLER, 12 3/4  21 SST)  | нет в наличии, поставок нет | 
|  87  | 0384702 |    (последний код) SST-V4-21"                                                                        | нет в наличии, поставок нет | 
|  87  | 0389792 | Гребной винт, 13 3 / 4 * 11 SST (PROPELLER, 13 3/4  11 SST)  | нет в наличии, поставок нет | 
|  87  | 0390115 |    (последний код) SST-50HP-RED                                                                      | нет в наличии, поставок нет | 
|  87  | 0389949 | Гребной винт, 13 3 / 4 * 15 SST (PROPELLER, 13 3/4  15 SST)  | нет в наличии, поставок нет | 
|  87  | 0763929 |    (последний код) VIPER V413.875X15                                                                 | нет в наличии, поставок нет | 
|  88  | 0332393 | CONVERGING Кольцо, Alum. prop. (CONVERGING RING, Alum. prop.)  | нет в наличии, поставок нет | 
|  88  | 0325996 |    (последний код) CONVERGING RING                                                                   | нет в наличии, поставок нет | 
|  89  | 0384977 | PROP, Втулка в сборе. (PROP, BUSHING ASSY.)  | нет в наличии, поставок нет | 
|  90  | 0313926 | Гильза, Втулка (SLEEVE, Bushing)  | нет в наличии, поставок нет | 
|  90  | 3850831 |    (последний код) SLEEVE-PROP                                                                       | нет в наличии, поставок нет | 
|  91  | 0389145 | Хромированный ремкомплект водяного насоса (CHROME PUMP KIT)  | нет в наличии, поставок нет | 
|  92  | 0396349 | Комплект сальников редуктора (GEARCASE SEAL KIT)  | нет в наличии, поставок нет | 
|  92  | 5000309 |    (последний код) KIT AY,SEAL-GRC                                                                   | нет в наличии, поставок нет | 
|  93  | 0432956 | Ремкомплект водяного насоса (WATER PUMP REPAIR KIT)  | нет в наличии, поставок нет | 
|  93  | 0432955 |    (последний код) WATERPUMP KIT                                                                     | нет в наличии, поставок нет | 
|  93  | 0432955 | Ремкомплект водяного насоса, (includes Крыльчатка Корпус) (WATER PUMP REPAIR KIT, (includes impeller housing))  | нет в наличии, поставок нет | 
|  93  | 0438591 |    (последний код) KIT ASSY, WATER PUMP                                                              | нет в наличии, поставок нет |