Номер на рисунке | Артикул | Наименование | Кол-во на складе | Цена |
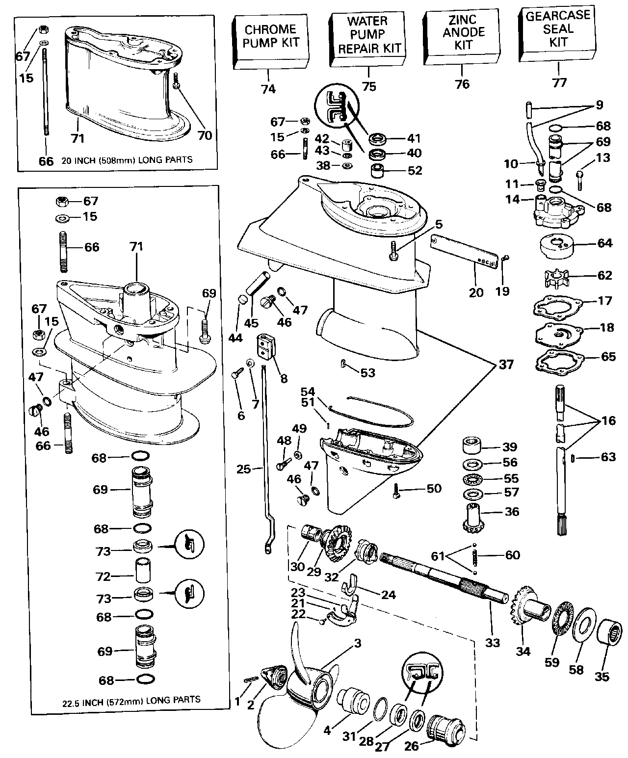
| 1 | 0306394 | Шплинт, Гайка гребного винта (COTTER PIN, Propeller nut) | нет в наличии, поставок нет |
| 1 | 3852056 | (последний код) PIN,COTTER | нет в наличии, поставок нет |
| 2 | 0390294 | Гайка гребного винта (NUT, Propeller) | нет в наличии, поставок нет |
| 2 | 0388881 | (последний код) PROP- NUT | нет в наличии, поставок нет |
| 3 | 0389067 | Гребной винт, 9 1 / 4 x 7 AL (PROPELLER, 9 1/4 x 7 AL) | нет в наличии, поставок нет |
| 3 | 0389068 | Гребной винт, 9 x 9 AL (PROPELLER, 9 x 9 AL) | нет в наличии, поставок нет |
| 3 | 0763585 | (последний код) PROP,AL 9X9 3BLD | нет в наличии, поставок нет |
| 3 | 0389069 | Гребной винт, 9 x 10 AL (PROPELLER, 9 x 10 AL) | нет в наличии, поставок нет |
| 3 | 0388883 | Гребной винт, 9 1 / 4 x 11 AL (PROPELLER, 9 1/4 x 11 AL) | нет в наличии, поставок нет |
| 3 | 0389321 | Гребной винт, 9 1 / 4 x 12 SST (PROPELLER, 9 1/4 x 12 SST) | нет в наличии, поставок нет |
| 3 | 0390112 | (последний код) PROPELLER | нет в наличии, поставок нет |
| 3 | 0389944 | Гребной винт, 9 1 / 4 x 12 AL (PROPELLER, 9 1/4 x 12 AL) | нет в наличии, поставок нет |
| 3 | 0763590 | (последний код) PROP AY,AL 9.25X12 | нет в наличии, поставок нет |
| 3 | 0395232 | Гребной винт, 9 x 13 AL (PROPELLER, 9 x 13 AL) | нет в наличии, поставок нет |
| 4 | 0398127 | PROP. Втулка в сборе.. Use Only with Гребной винт P / N 389067 (PROP. BUSHING ASSY.. Use Only with Propeller P/N 389067) | нет в наличии, поставок нет |
| 4 | 0389281 | (последний код) PROP HUB 25 HP | нет в наличии, поставок нет |
| 4 | 0389281 | PROP Втулка в сборе. (PROP BUSHING ASSY.) | нет в наличии, поставок нет |
| 4 | 0398127 | (последний код) BUSHING-AY-P | нет в наличии, поставок нет |
| 5 | 0328333 | Винт, Редуктор to Корпус (SCREW, Gearcase to housing) | нет в наличии, поставок нет |
| 6 | 0304024 | Винт, Коннектор. 20 дюйм (508 мм) Long Models Only (SCREW, Connector. 20 in. (508mm) Long Models Only) | нет в наличии, поставок нет |
| 6 | 0323636 | (последний код) SCREW | нет в наличии, поставок нет |
| 7 | 0301551 | LOCKШайба. 20 дюйм (508 мм) Long Models Only (LOCKWASHER. 20 in. (508mm) Long Models Only) | нет в наличии, поставок нет |
| 8 | 0303794 | Коннектор переключающей тяги (CONNECTOR, Shift rod) | нет в наличии, поставок нет |
| 9 | 0395339 | Водяная трубка & Шайба. 15 дюйм (381 мм) Std. Models Only (WATER TUBE & WASHER. 15 In. (381mm) Std. Models Only) | нет в наличии, поставок нет |
| 10 | 0330658 | Шайба. 20 дюйм (508 мм) Long Models Only (WASHER. 20 in. (508mm) Long Models Only) | нет в наличии, поставок нет |
| 11 | 0302497 | Нижний пыльник трубки водяного насоса. Also included in Ремкомплект водяного насоса 395270 (GROMMET, Water tube, lower. Also included in Water Pump Repair Kit 395270) | 2 шт | 250 руб. |
| 13 | 0331025 | Винт, Крыльчатка Корпус. Also included in Ремкомплект водяного насоса 395270 (SCREW, Impeller housing. Also included in Water Pump Repair Kit 395270) | нет в наличии, поставок нет |
| 13 | 0308751 | (последний код) SCREW | нет в наличии, поставок нет |
| 14 | 0330560 | Корпус крыльчатки (HOUSING, Impeller) | нет в наличии, поставок нет |
| 14 | 0389644 | (последний код) IMP-HSG-SEAL | нет в наличии, поставок нет |
| 15 | 0312687 | Шайба шестерниcase to Корпус. 20 дюйм (508 мм) Long Models Only (WASHER, Gearcase to housing. 20 in. (508mm) Long Models Only) | нет в наличии, поставок нет |
| 16 | 0329237 | DRIVEВал, стандарт (DRIVESHAFT, Standard) | нет в наличии, поставок нет |
| 16 | 0341650 | (последний код) DRIVESHAFT AY,15" | нет в наличии, поставок нет |
| 17 | 0329390 | Прокладка крыльчатки Корпус. Also included in Ремкомплект водяного насоса 395270 (GASKET, Impeller housing. Also included in Water Pump Repair Kit 395270) | нет в наличии, поставок нет |
| 17 | 0324446 | (последний код) GASKET-IMPEL | нет в наличии, поставок нет |
| 18 | 0324564 | Пластина корпуса крыльчатки. хромированная пластина Also included in Ремкомплект водяного насоса 395270 (PLATE, Impeller housing. Chrome Plated Also included in Water Pump Repair Kit 395270) | нет в наличии, поставок нет |
| 18 | 0329391 | Пластина корпуса крыльчатки. Stainless Steel Also included in Ремкомплект водяного насоса 395270 (PLATE, Impeller housing. Stainless Steel Also included in Water Pump Repair Kit 395270) | нет в наличии, поставок нет |
| 18 | 0324447 | (последний код) PLATE-IMPELL | нет в наличии, поставок нет |
| 0432811 | 0432811 | Редуктор в сборе., Comp.. для Сервис use 432812 Редуктор & original Переключающая тяга - 303098. (GEARCASE ASSY., Comp.. For service use 432812 gearcase & original shift rod - 303098.) | нет в наличии, поставок нет |
| 0432811 | 0398156 | (последний код) G-CASE-25HP | нет в наличии, поставок нет |
| 0432812 | 0432812 | Редуктор в сборе., Comp.. Not Shown 20 дюйм (508 мм) Long Models Only Does Not Include DriveВал (GEARCASE ASSY., Comp.. Not Shown 20 in. (508mm) Long Models Only Does Not Include Driveshaft) | нет в наличии, поставок нет |
| 0432813 | 0432813 | Редуктор в сборе., Comp.. Not Shown Does Not Include DriveВал (GEARCASE ASSY., Comp.. Not Shown Does Not Include Driveshaft) | нет в наличии, поставок нет |
| 19 | 0303587 | Винт, By-pass Крышка (SCREW, By-pass cover) | нет в наличии, поставок нет |
| 19 | 0302509 | (последний код) SCREW | нет в наличии, поставок нет |
| 20 | 0302505 | Крышка, Water by-pass (COVER, Water by-pass) | нет в наличии, поставок нет |
| 21 | 0306376 | Шплинт, Переключающая тяга Штифт (COTTER PIN, Shift rod pin) | нет в наличии, поставок нет |
| 21 | 0306370 | (последний код) COTTER PIN | нет в наличии, поставок нет |
| 22 | 0302504 | Штифт рычага to Переключающая тяга (PIN, Lever to shift rod) | нет в наличии, поставок нет |
| 23 | 0375755 | Рычаг & Штифт в сборе., Переключательer (LEVER & PIN ASSY., Shifter) | нет в наличии, поставок нет |
| 24 | 0325014 | CRADLE (CRADLE) | нет в наличии, поставок нет |
| 25 | 0303098 | Переключающая тяга, нижний 15 дюйм (381 мм) Std. Models Only (SHIFT ROD, Lower. 15 In. (381mm) Std. Models Only) | нет в наличии, поставок нет |
| 26 | 0389045 | Редуктор HEAD в сборе (GEARCASE HEAD ASSY) | нет в наличии, поставок нет |
| 26 | 0388077 | (последний код) GCASE-HD&SHI | нет в наличии, поставок нет |
| 27 | 0321459 | Сальник, prop. Вал, inner (SEAL, Oil, prop. shaft, inner) | 10 шт | 1980 руб. |
| 27 | 0315882 | (последний код) -OIL-RETAINE | нет в наличии, поставок нет |
| 28 | 0321787 | Сальник, prop. Вал, outer (SEAL, Oil, prop. shaft, outer) | нет в наличии, поставок нет |
| 29 | 0325258 | Шестерня обратного хода (GEAR, Reverse) | нет в наличии, поставок нет |
| 30 | 0303997 | Втулка, Reverse Шестерня (BUSHING, Reverse gear) | нет в наличии, поставок нет |
| 31 | 0321921 | Уплотнительное кольцо, Редуктор head (O-RING, Gearcase head) | нет в наличии, поставок нет |
| 32 | 0325263 | Переключатель собачки сцепления (SHIFTER, Clutch dog) | нет в наличии, поставок нет |
| 33 | 0323294 | Вал гребного винта (SHAFT, Propeller) | нет в наличии, поставок нет |
| 33 | 0344231 | (последний код) SHAFT,PROPELLER | нет в наличии, поставок нет |
| 34 | 0390295 | Шестерня & Втулка в сборе., дляward (GEAR & BUSHING ASSY., Forward) | нет в наличии, поставок нет |
| 34 | 0325257 | (последний код) GEAR | нет в наличии, поставок нет |
| 35 | 0389472 | Подшипник, дляward Шестерня (BEARING, Forward gear) | нет в наличии, поставок нет |
| 36 | 0324457 | Шестерня, driveВал (GEAR, Pinion, driveshaft) | нет в наличии, поставок нет |
| 37 | 0432810 | Редуктор AY., верх и низ (GEARCASE AY., Upper & lower) | нет в наличии, поставок нет |
| 37 | 0398139 | (последний код) G-CASE,BRG,P | нет в наличии, поставок нет |
| 38 | 0304764 | Прокладка, Втулка (GASKET, Bushing) | нет в наличии, поставок нет |
| 39 | 0376856 | Подшипник в сборе., Шестерня (BEARING ASSY., Pinion) | нет в наличии, поставок нет |
| 40 | 0321459 | Сальник, driveВал, inner (SEAL, Oil, driveshaft, inner) | 10 шт | 1980 руб. |
| 40 | 0315882 | (последний код) -OIL-RETAINE | нет в наличии, поставок нет |
| 41 | 0330327 | Сальник, driveВал, outer (SEAL, Oil, driveshaft, outer) | нет в наличии, поставок нет |
| 42 | 0304765 | Втулка, Переключающая тяга (BUSHING, Shift rod) | нет в наличии, поставок нет |
| 43 | 0301877 | Уплотнительное кольцо, Переключающая тяга (O-RING, Shift rod) | нет в наличии, поставок нет |
| 44 | 0300314 | Заглушка, Система впуска screen (PLUG, Intake screen) | нет в наличии, поставок нет |
| 45 | 0302757 | Водяной экран Система впуска (SCREEN, Water intake) | нет в наличии, поставок нет |
| 46 | 0307551 | Винт, Fill & drain Заглушка (SCREW, Fill & drain plug) | нет в наличии, поставок нет |
| 46 | 0982851 | (последний код) SCREW-PLUG | нет в наличии, поставок нет |
| 47 | 0333572 | Уплотнительное кольцо (O-RING) | нет в наличии, поставок нет |
| 47 | 3855081 | (последний код) 0-RING | нет в наличии, поставок нет |
| 48 | 0308376 | Стержень Штифт в сборе. (PIVOT PIN ASSY.) | нет в наличии, поставок нет |
| 48 | 0303358 | (последний код) PIVOT-PIN | нет в наличии, поставок нет |
| 49 | 0332584 | Шайба, Кольцевой сальник (WASHER, Seal ring) | нет в наличии, поставок нет |
| 50 | 0330562 | Винт, Редуктор (SCREW, Gearcase) | нет в наличии, поставок нет |
| 50 | 0317969 | (последний код) SCREW | нет в наличии, поставок нет |
| 51 | 0300611 | Шпонка (PIN, Dowel) | нет в наличии, поставок нет |
| 52 | 0386071 | Подшипник, DriveВал (BEARING, Driveshaft) | нет в наличии, поставок нет |
| 53 | 0317728 | MAGNET, Редуктор (MAGNET, Gearcase) | нет в наличии, поставок нет |
| 54 | 0 | Сальник, Редуктор. Cut From 309044 - 50ft. (15, 2m) Roll, Cutting Length - 12 7 / 8 дюйм (327 мм) (SEAL, Gearcase. Cut From 309044 - 50ft. (15,2m) Roll, Cutting Length - 12 7/8 in. (327mm)) | нет в наличии, поставок нет |
| 55 | 0388027 | THRUST Подшипник в сборе., Шестерня (THRUST BEARING ASSY., Pinion) | нет в наличии, поставок нет |
| 56 | 0319667 | Упорная шайба шестерни Шестерня, верхний (THRUST WASHER, Pinion, upper) | нет в наличии, поставок нет |
| 57 | 0322688 | Упорная шайба шестерни Шестерня, нижний (THRUST WASHER, Pinion, lower) | нет в наличии, поставок нет |
| 58 | 0324459 | Упорная шайба, дляward Шестерня (THRUST WASHER, Forward gear) | нет в наличии, поставок нет |
| 59 | 0389470 | THRUST Подшипник, дляward Шестерня (THRUST BEARING, Forward gear) | нет в наличии, поставок нет |
| 60 | 0316505 | Фиксатор пружины (SPRING, Detent) | нет в наличии, поставок нет |
| 61 | 0316506 | Шарик, Prop. Вал detent (BALL, Prop. shaft detent) | нет в наличии, поставок нет |
| 62 | 0395289 | Крыльчатка водяного насоса. Also included in Ремкомплект водяного насоса 395270 (IMPELLER, Water pump. Also included in Water Pump Repair Kit 395270) | 2 шт | 2060 руб. |
| 62 | 0395265 | (последний код) IMP AY | 2 шт | 1580 руб. |
| 63 | 0330619 | Ключ, Крыльчатка. Also included in Ремкомплект водяного насоса 395270 (KEY, Impeller. Also included in Water Pump Repair Kit 395270) | нет в наличии, поставок нет |
| 63 | 0344470 | (последний код) KEY,IMPELLER-BLK | нет в наличии, поставок нет |
| 64 | 0328773 | Cвыше, Крыльчатка Корпус. хромированная пластина Also included in Ремкомплект водяного насоса 395270 (CUP, Impeller housing. Chrome Plated Also included in Water Pump Repair Kit 395270) | нет в наличии, поставок нет |
| 64 | 0323537 | (последний код) CUP | нет в наличии, поставок нет |
| 64 | 0328751 | Cвыше, Крыльчатка Корпус. Stainless Steel Also included in Ремкомплект водяного насоса 395270 (CUP, Impeller housing. Stainless Steel Also included in Water Pump Repair Kit 395270) | нет в наличии, поставок нет |
| 64 | 0323008 | (последний код) CUP,IMPELLER HSG | нет в наличии, поставок нет |
| 65 | 0324449 | Прокладка крыльчатки hsg. Пластина. Also included in Ремкомплект водяного насосаs 395270 & 395721 (GASKET, Impeller hsg. plate. Also included in Water Pump Repair Kits 395270 & 395721) | нет в наличии, поставок нет |
| 66 | 0330060 | Шпилька (STUD) | нет в наличии, поставок нет |
| 66 | 0321926 | (последний код) STUD-GCASE-E | нет в наличии, поставок нет |
| 67 | 0552938 | Гайка, Шпилька. 20 дюйм (508 мм) Long Models Only (NUT, Stud. 20 in. (508mm) Long Models Only) | нет в наличии, поставок нет |
| 67 | 0306319 | (последний код) NUT | нет в наличии, поставок нет |
| 68 | 0301967 | Уплотнительное кольцо, Проставка. 20 дюйм (508 мм) Long Models Only Also included in Ремкомплект водяного насоса 395270 (O-RING, Spacer. 20 in. (508mm) Long Models Only Also included in Water Pump Repair Kit 395270) | нет в наличии, поставок нет |
| 69 | 0324453 | Проставка, Exh. hsg. to imp. hsg (SPACER, Exh. hsg. to imp. hsg) | нет в наличии, поставок нет |
| 69 | 0313519 | (последний код) SPACER | нет в наличии, поставок нет |
| 15 | 0312687 | Шайба, Шпилька. 20 дюйм (508 мм) Long Models Only (WASHER, Stud. 20 in. (508mm) Long Models Only) | нет в наличии, поставок нет |
| 25 | 0303257 | Переключающая тяга, нижний , long. 20 дюйм (508 мм) Long Models Only (SHIFT ROD, Lower, long. 20 in. (508mm) Long Models Only) | нет в наличии, поставок нет |
| 0396262 | 0396262 | Удлинитель KIT в сборе.. Not Shown 20 дюйм (508 мм) Long Models Only (EXTENSION KIT ASSY.. Not Shown 20 in. (508mm) Long Models Only) | нет в наличии, поставок нет |
| 6 | 0304024 | Винт, Коннектор. 20 дюйм (508 мм) Long Models Only (SCREW, Connector. 20 in. (508mm) Long Models Only) | нет в наличии, поставок нет |
| 6 | 0323636 | (последний код) SCREW | нет в наличии, поставок нет |
| 7 | 0301551 | LOCKШайба. 20 дюйм (508 мм) Long Models Only (LOCKWASHER. 20 in. (508mm) Long Models Only) | нет в наличии, поставок нет |
| 8 | 0304081 | Коннектор переключающей тяги. 20 дюйм (508 мм) Long Models Only (CONNECTOR, Shift rod. 20 in. (508mm) Long Models Only) | нет в наличии, поставок нет |
| 9 | 0395340 | Водяная трубка. 20 дюйм (508 мм) Long Models Only (WATER TUBE. 20 in. (508mm) Long Models Only) | нет в наличии, поставок нет |
| 10 | 0330658 | Шайба. 20 дюйм (508 мм) Long Models Only (WASHER. 20 in. (508mm) Long Models Only) | нет в наличии, поставок нет |
| 16 | 0329257 | DRIVEВал, Long. 20 дюйм (508 мм) Long Models Only (DRIVESHAFT, Long. 20 in. (508mm) Long Models Only) | нет в наличии, поставок нет |
| 16 | 0341649 | (последний код) DRIVESHAFT AY,20" | нет в наличии, поставок нет |
| 66 | 0330558 | Шпилька, Корпус to Редуктор. 20 дюйм (508 мм) Long Models Only (STUD, Housing to gearcase. 20 in. (508mm) Long Models Only) | нет в наличии, поставок нет |
| 66 | 0321925 | (последний код) STUD-GCASE-T | нет в наличии, поставок нет |
| 68 | 0301967 | Уплотнительное кольцо, Проставка. 20 дюйм (508 мм) Long Models Only Also included in Ремкомплект водяного насоса 395270 (O-RING, Spacer. 20 in. (508mm) Long Models Only Also included in Water Pump Repair Kit 395270) | нет в наличии, поставок нет |
| 69 | 0324455 | Проставка, Exh. hsg. to imp. hsg. 20 дюйм (508 мм) Long Models Only (SPACER, Exh. hsg. to imp. hsg. 20 in. (508mm) Long Models Only) | нет в наличии, поставок нет |
| 69 | 0313524 | (последний код) SPACER | нет в наличии, поставок нет |
| 70 | 0328333 | Винт, Удлинитель. 20 дюйм (508 мм) Long Models Only (SCREW, Extension. 20 in. (508mm) Long Models Only) | нет в наличии, поставок нет |
| 71 | 0328336 | Удлинитель, Редуктор. 20 дюйм (508 мм) Long Models Only (EXTENSION, Gearcase. 20 in. (508mm) Long Models Only) | нет в наличии, поставок нет |
| 71 | 0328499 | (последний код) EXTENSION-G- | нет в наличии, поставок нет |
| 0325974 | 0325974 | RUBBER Верхнее крепление. Not Shown 20 дюйм (508 мм) Long Models Only (RUBBER MOUNT, UPPER. Not Shown 20 in. (508mm) Long Models Only) | нет в наличии, поставок нет |
| 0325974 | 0332810 | (последний код) RUBBER MOUNT | нет в наличии, поставок нет |
| 0325975 | 0325975 | RUBBER Крепление нижнее. Not Shown 20 дюйм (508 мм) Long Models Only (RUBBER MOUNT, Lower. Not Shown 20 in. (508mm) Long Models Only) | нет в наличии, поставок нет |
| 67 | 0552938 | Гайка, Шпилька. 20 дюйм (508 мм) Long Models Only (NUT, Stud. 20 in. (508mm) Long Models Only) | нет в наличии, поставок нет |
| 67 | 0306319 | (последний код) NUT | нет в наличии, поставок нет |
| 74 | 0394392 | Хромированный ремкомплект водяного насоса (CHROME PUMP KIT) | нет в наличии, поставок нет |
| 74 | 0389612 | (последний код) CUP-&-PLATE | нет в наличии, поставок нет |
| 75 | 0395271 | Ремкомплект водяного насоса (WATER PUMP REPAIR KIT) | нет в наличии, поставок нет |
| 75 | 0395270 | (последний код) KIT AY, WTR PUMP | нет в наличии, поставок нет |
| 75 | 0395270 | Ремкомплект водяного насоса, (Includes Крыльчатка Корпус) (WATER PUMP REPAIR KIT, (Includes impeller housing)) | нет в наличии, поставок нет |
| 75 | 0395271 | (последний код) WATERPUMP KIT | нет в наличии, поставок нет |
| 76 | 0173029 | ZINC Анод KIT (ZINC ANODE KIT) | нет в наличии, поставок нет |
| 76 | 0123009 | (последний код) ANODE | нет в наличии, поставок нет |
| 0304454 | 0304454 | LOCKМонтажная шайба. Not Shown (LOCKWASHER, Mounting. Not Shown) | нет в наличии, поставок нет |
| 0306643 | 0306643 | Винт крепления анода. Not Shown (SCREW, Anode mounting. Not Shown) | нет в наличии, поставок нет |
| 0306643 | 3852066 | (последний код) SCREW | нет в наличии, поставок нет |
| 0332226 | 0332226 | Винт крепления анода. Not Shown Опции (SCREW, Anode mounting. Not Shown Optional) | нет в наличии, поставок нет |
| 0332226 | 3852207 | (последний код) SCREW | нет в наличии, поставок нет |
| 77 | 0396352 | Комплект сальников редуктора (GEARCASE SEAL KIT) | нет в наличии, поставок нет |