вконтакте

Контактный телефон: +7 (981) 121-46-93, +7 (800) 200-90-76 , Email: parts-katalog@yandex.ru, где купить

 
 

  Логин:

Пароль:

Регистрация

www.partskatalog.ru Все каталоги Запчасти Mercury Запчасти Suzuki Запчасти Tohatsu Запчасти Honda Контакты



УВАЖАЕМЫЕ КЛИЕНТЫ!
C 31 ОКТЯБРЯ 2025 ПО 10 НОЯБРЯ 2025 ГОДА РАБОТАТЬ НЕ БУДЕМ




Выбрать другую модель

назад Раздел:   вперёд

вернуться к списку узлов и деталей

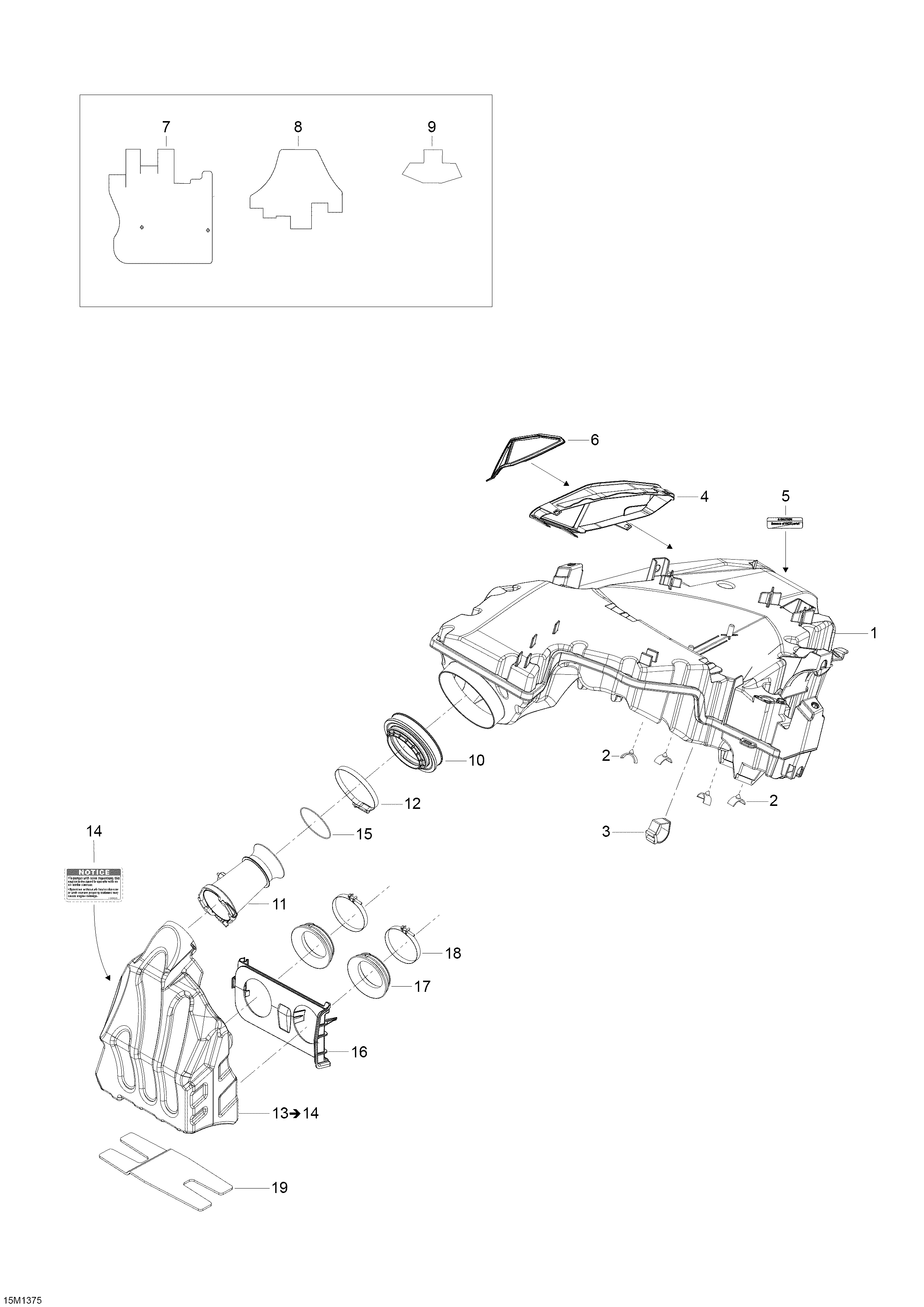
ДЕТАЛИРОВКА ДЛЯ МОДЕЛИ: SKIDOO Skandic WT 600HOETEC XU, 2013

Раздел: Air Система впуска System | Air Intake System


снегоход  Skandic WT 600HOETEC XU, 2013 раздел - Air Intake System

Номер на
рисунке
АртикулНаименованиеКол-во
на складе
Цена
1 508000690

Secondaire Chamber в сборе (Secondaire Chamber Assy)

под заказ9270 руб.
1 508000790

CHAMBER ASS Y

под заказ13820 руб.
2 508000537

Стопор (Stopper)

под заказ529 руб.
3 508000532

Velcro Strip (Velcro Strip)

под заказ731 руб.
3 508000820

BANDE VELCRO *VELCRO-STRIP

под заказ650 руб.
4 508000756

Адаптер (Adaptor)

под заказ1550 руб.
4 508000569

ADAPTER

под заказ1420 руб.
5 516004651

Caution Наклейки, Air Система впуска (Caution Label, Air Intake)

под заказпо запросу
6 508000609

Воздушный фильтр (Air Filter)

под заказ2850 руб.
7 508000675

Heat Shield (Heat Shield)

под заказ670 руб.
7 508000604

FEUILLE REFLECT*SHEET-REFLECT

под заказпо запросу
8 508000676

Heat Shield (Heat Shield)

под заказ670 руб.
9 508000677

Heat Shield (Heat Shield)

под заказ529 руб.
10508000548

Boot (Boot)

под заказ1640 руб.
11508000662

Flute (Flute)

под заказ978 руб.
11508000542

FLUTE *FLUTE

под заказ610 руб.
12514052983

Norma Шестерня Струбцина (Norma Gear Clamp)

под заказ1150 руб.
13508000660

Primary Chamber в сборе. Includes 13 To 14 (Primary Chamber Assy. Includes 13 To 14)

под заказ5930 руб.
13508000681

CHAMBRE ASS. *CHAMBER ASS Y

под заказ4550 руб.
14516005876

Notice Наклейка, Air Впуск глушителя (Notice Decal, Air Intake Silencer)

под заказ72 руб.
15293300140

OКольцо (ORing)

под заказ146 руб.
16508000613

Пластина Adapter (Plate Adapter)

под заказ1380 руб.
16508000605

PLAQUE ADAPT. *ADAPTER PLATE

под заказпо запросу
17508000614

Air Система впуска Adapter (Air Intake Adapter)

под заказ1380 руб.
17508000573

ADAP.ADMISSION *ADAP-AIR INTAK

под заказпо запросу
17SM-07186

     (не оригинальная запчасть) Впускной патрубок BRP SM-07186

под заказ1 340 руб.
18508000346

Gemi Струбцина (Gemi Clamp)

под заказ1000 руб.
18508000162

BRIDE *CLAMP

под заказ790 руб.
18SM-07187

     (не оригинальная запчасть) Впускной патрубок BRP SM-07187

под заказ920 руб.
19508000739

Insulated Foam (Insulated Foam)

под заказ601 руб.
ski-doo

Время выполнения запроса 1.832713842392 сек.


 
 

данный сайт носит информационный характер и не является публичной офертой

склад запчастей для водомоторной техники