вконтакте

Контактный телефон: +7 (981) 121-46-93, +7 (800) 200-90-76 , Email: parts-katalog@yandex.ru, где купить

 
 

  Логин:

Пароль:

Регистрация

www.partskatalog.ru Все каталоги Запчасти Mercury Запчасти Suzuki Запчасти Tohatsu Запчасти Honda Контакты



УВАЖАЕМЫЕ КЛИЕНТЫ!
C 31 ОКТЯБРЯ 2025 ПО 10 НОЯБРЯ 2025 ГОДА РАБОТАТЬ НЕ БУДЕМ




Выбрать другую модель

назад Раздел:   вперёд

вернуться к списку узлов и деталей

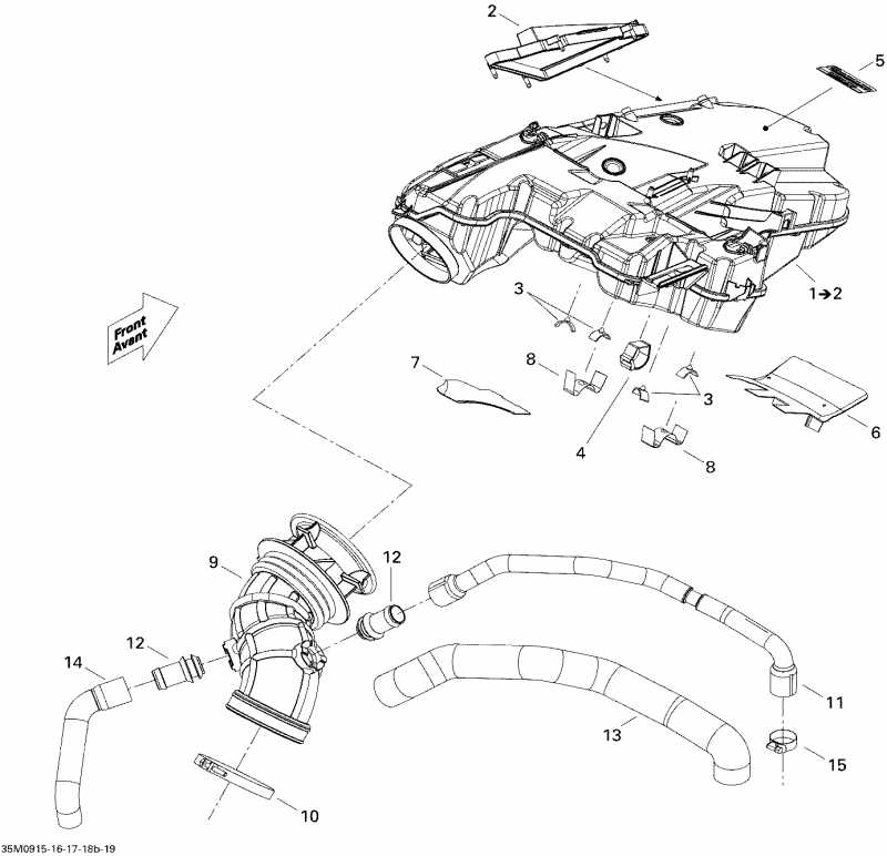
ДЕТАЛИРОВКА ДЛЯ МОДЕЛИ: SKIDOO GTX LE 1200 4-TEC, 2009

Раздел: Air Система впуска System 1200 | Air Intake System 1200


snowmobile ski-doo модель GTX LE 1200 4-TEC, 2009 - Air Система впуска System 1200

Номер на
рисунке
АртикулНаименованиеКол-во
на складе
Цена
1 508000544

Secondary Chamber в сборе. Includes 1 to 2 (Secondary Chamber Assy. Includes 1 to 2)

под заказ8510 руб.
1 508000694

CHAMBRE SECOND.*CHAMBER

под заказ9270 руб.
2 508000546

Воздушный фильтр (Air Filter)

под заказ2850 руб.
3 508000537

Стопор (Stopper)

под заказ529 руб.
4 508000532

Strip Velcro (Strip Velcro)

под заказ731 руб.
4 508000820

BANDE VELCRO *VELCRO-STRIP

под заказ650 руб.
5 516002965

Наклейка - предупреждение, Hot Parts (Warning Decal, Hot Parts)

под заказпо запросу
5 516004566

ETIQUETTE *LABEL

под заказ630 руб.
6 508000604

Reflective Sheet (Reflective Sheet)

под заказпо запросу
7 508000622

Reflective Sheet (Reflective Sheet)

под заказ670 руб.
8 508000618

Reflective Sheet (Reflective Sheet)

под заказ147 руб.
9 508000549

Система впуска Шланг (Intake Hose)

под заказ2780 руб.
10508000346

Gemi Струбцина (Gemi Clamp)

под заказ1000 руб.
10508000162

BRIDE *CLAMP

под заказ790 руб.
10SM-07187

     (не оригинальная запчасть) Впускной патрубок BRP SM-07187

под заказ920 руб.
11508000615

Vent Шланг (Vent Hose)

под заказ2140 руб.
12273000234

Сапун (Breather)

под заказ1290 руб.
12273000195

RENIFLARD *BREATHER

под заказпо запросу
13508000630

Insulating Трубка (Insulating Tube)

под заказ1110 руб.
14508000616

дляmed Шланг (Formed Hose)

под заказ1380 руб.
15293650172

Tridon Струбцина (Tridon Clamp)

под заказ284 руб.
15293650130

BRIDE SERRAGE*HOSE CLAMP

под заказ230 руб.
ski-doo

Время выполнения запроса 1.8921539783478 сек.


 
 

данный сайт носит информационный характер и не является публичной офертой

склад запчастей для водомоторной техники