вконтакте

Контактный телефон: +7 (981) 121-46-93, +7 (800) 200-90-76 , Email: parts-katalog@yandex.ru, где купить

 
 

  Логин:

Пароль:

Регистрация

www.partskatalog.ru Все каталоги Запчасти Mercury Запчасти Suzuki Запчасти Tohatsu Запчасти Honda Контакты


Выбрать другую модель

назад Раздел:   вперёд

вернуться к списку узлов и деталей

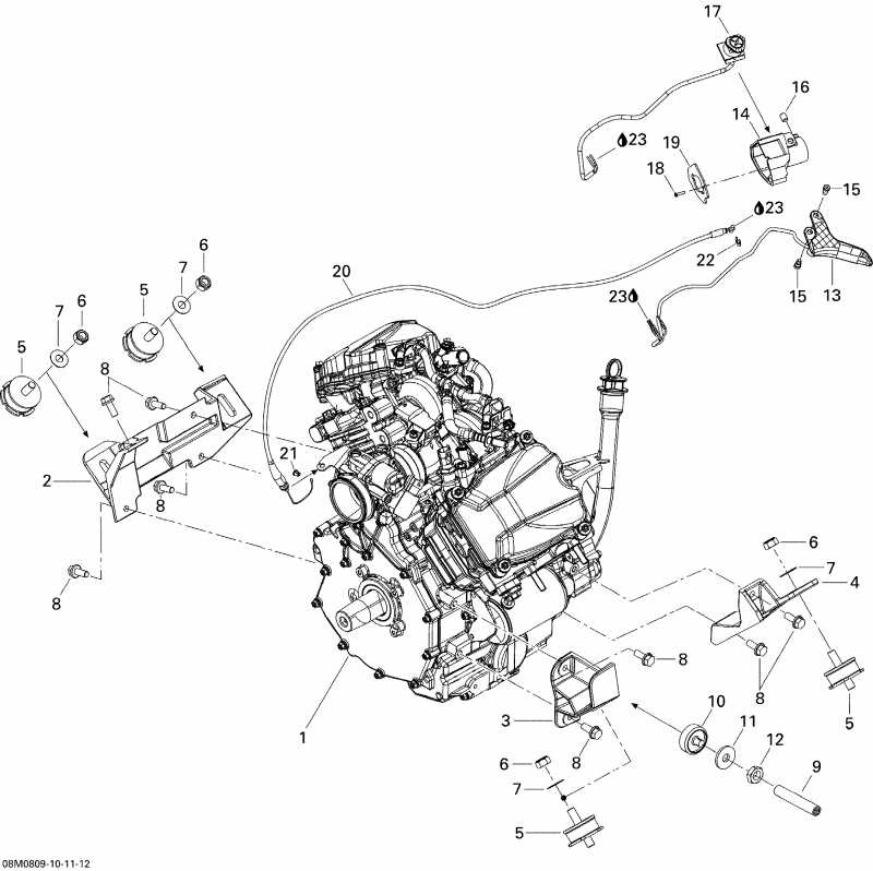
ДЕТАЛИРОВКА ДЛЯ МОДЕЛИ: SKIDOO Legend Touring V800, 2008

Раздел: Двигатель и Двигатель Sвышеport | Engine And Engine Support


снегоход  Legend Touring V800, 2008 - Двигатель и Двигатель Sвышеport

Номер на
рисунке
АртикулНаименованиеКол-во
на складе
Цена
1 400800315

Двигатель V810 (Engine V810)

под заказпо запросу
2 512060076

Front Двигатель Sвышеport (Front Engine Support)

под заказ12420 руб.
3 512060077

Двигатель Sвышеport, PTO Side (Engine Support, PTO Side)

под заказ8360 руб.
4 512060078

Двигатель Sвышеport, Магнето Side (Engine Support, Magneto Side)

под заказ7560 руб.
5 512059960

Монтажная резинка (Rubber Mount)

под заказ2000 руб.
6 232500416

Эластичная гайка со стопором M10 (Elastic Stop Nut M10)

под заказ284 руб.
6 732610018

NUT-STOP ELASTIC DIN.985

под заказ230 руб.
7 250200032

Шайба (Washer)

под заказ572 руб.
8 207582044

Hex. Фланецd Винт M8 X 20, Scotch Рукоятка (Hex. Flanged Screw M8 X 20, Scotch Grip)

под заказ284 руб.
9 250500007

Стопор Винт (Stopper Screw)

под заказ2210 руб.
10512059610

Стопор (Stopper)

под заказ1300 руб.
11512059057

Шайба (Washer)

под заказ106 руб.
115147306

WASHER (512059057)

под заказ120 руб.
12232170411

Hex. Jam Гайка M14 (Hex. Jam Nut M14)

под заказ284 руб.
12228371042

NUT-JAM HEXAGONAL DIN.439B

под заказ230 руб.
13512060302

Дроссель Handle в сборе (Throttle Handle Assy)

под заказ4090 руб.
13512060484

MANETTE ASS. *HANDLE-ASSY

под заказ5710 руб.
13SM-08261

     (не оригинальная запчасть) Курок газа с подогревом BRP SM-08261

под заказ4 450 руб.
14512060200

Дроссель Handle Корпус (Throttle Handle Housing)

под заказ2090 руб.
14512059295

LOGEMENT ACC. *HOUSING-THROTT

под заказ1930 руб.
15732601143

Фланецd Винт (Flanged Screw)

под заказ253 руб.
15732601055

SCREW-SHOULDER

под заказ240 руб.
16414440800

Установочный винт M8 X 10 (Set Screw M8 X 10)

под заказ290 руб.
16114144408

SCREW

под заказ220 руб.
17515176690

Kill Переключатель (Kill Switch)

под заказпо запросу
17515177061

Kill Switch

под заказ5510 руб.
17SM-01572

     (не оригинальная запчасть) Кнопка выключения двигателя BRP SM-01572

под заказ3 390 руб.
18250000265

Torx Винт M2.9 X 12 (Torx Screw M2.9 X 12)

под заказ859 руб.
19512060390

Пластина (Plate)

под заказ670 руб.
20512060125

Тросик дросселя (Throttle Cable)

под заказ4070 руб.
21707000434

Кабели Направляющая (Cable Guide)

под заказ1000 руб.
22414274500

Стопорное кольцо (Circlip)

под заказ138 руб.
23293550004

Dielectric Смазка, 150 g (Dielectric Grease, 150 g)

под заказ4740 руб.
23747018002

GRAISSE *GREASE

под заказ3710 руб.
ski-doo

Время выполнения запроса 1.44331407547 сек.


 
 

данный сайт носит информационный характер и не является публичной офертой

склад запчастей для водомоторной техники