вконтакте

Контактный телефон: +7 (981) 121-46-93, +7 (800) 200-90-76 , Email: parts-katalog@yandex.ru, где купить

 
 

  Логин:

Пароль:

Регистрация

www.partskatalog.ru Все каталоги Запчасти Mercury Запчасти Suzuki Запчасти Tohatsu Запчасти Honda Контакты


Выбрать другую модель

назад Раздел:   вперёд

вернуться к списку узлов и деталей

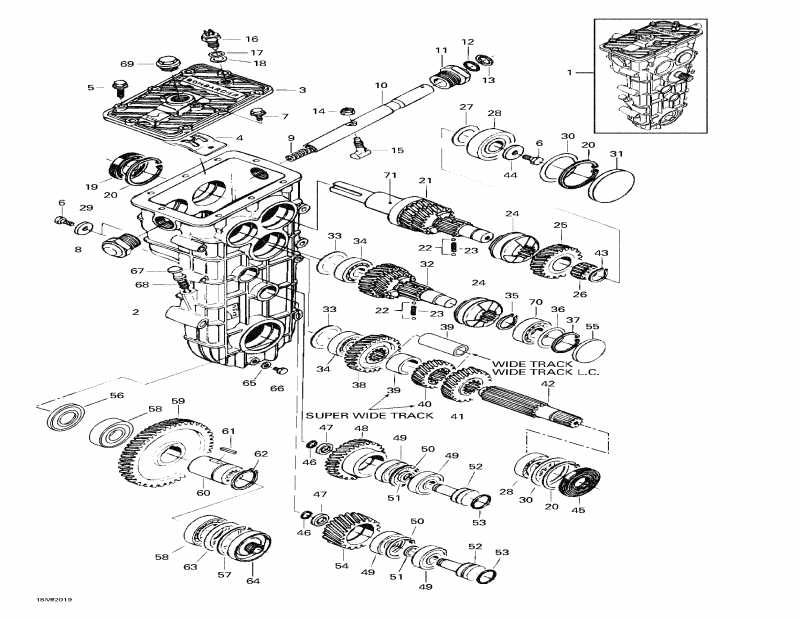
ДЕТАЛИРОВКА ДЛЯ МОДЕЛИ: SKIDOO Skandic Wide Track, 2000

Раздел: Трансмиссия | Transmission


снегоход Ski Doo модификация Skandic Wide Track, 2000 - Transmission

Номер на
рисунке
АртикулНаименованиеКол-во
на складе
Цена
1 M870156074

Трансмиссия в сборе. Includes 1 - 70. Skandic WT. (Transmission Assy. Includes 1 - 70. Skandic WT.)

под заказпо запросу
1 M870156145

Трансмиссия в сборе. Includes 1 - 71. Skandic SWT. (Transmission Assy. Includes 1 - 71. Skandic SWT.)

под заказпо запросу
1 M870156100

Трансмиссия в сборе. Includes 1 - 70. Skandic WT LC. (Transmission Assy. Includes 1 - 70. Skandic WT LC.)

под заказпо запросу
2 M875156138

Цепьcase (Chaincase)

под заказпо запросу
3 M875156043

Крышка (Cover)

под заказпо запросу
4 M875156075

H-Scheme (H-Scheme)

под заказпо запросу
5 M537001402

Винт (Screw)

под заказпо запросу
6 207182044

Шестигранный винт M8 x 20 (Hex. Screw M8 x 20)

под заказ284 руб.
6 702000412

VIS *SCREW

под заказ230 руб.
7 M534801362

Винт (Screw)

под заказпо запросу
8 M875156076

Гильза Гайка (Sleeve Nut)

под заказпо запросу
9 M875156078

Пружина (Spring)

под заказпо запросу
10M875156072

Вал (Shaft)

под заказпо запросу
11M875156077

Гильза Гайка (Sleeve Nut)

под заказпо запросу
12M614601523

Уплотнительное кольцо (O-Ring)

под заказпо запросу
13M614102031

Кольцо Lock (Ring Lock)

под заказпо запросу
14M510611002

Гайка (Nut)

под заказ372 руб.
15M875156073

Штифт (Pin)

под заказпо запросу
16M654100224

Датчик (Sender)

под заказпо запросу
17M617391218

Регулировочная шайба (Shim)

под заказпо запросу
18M615581216

Сальникing Кольцо (Sealing Ring)

под заказпо запросу
19M614103562

Сальник (Oil Seal)

под заказпо запросу
20M617330062

Кольцо Lock (Ring Lock)

под заказпо запросу
21M875156063

Вал. Skandic WT. Skandic WT LC. (Shaft. Skandic WT. Skandic WT LC.)

под заказпо запросу
M875156155

Вал. Skandic SWT. (Shaft. Skandic SWT.)

под заказпо запросу
22M616810064

Шарик (Ball)

под заказпо запросу
23M875156105

Пружина (Spring)

под заказпо запросу
24M875156005

Wheel Сцепление (Wheel Clutch)

под заказпо запросу
25M875156052

Цепное колесо ЗВЕЗДОЧКА (27 Tooth) Skandic WT. (Sprocket (27 Tooth). Skandic WT.)

под заказпо запросу
M875156135

Цепное колесо ЗВЕЗДОЧКА (29 Tooth) Skandic SWT. (Sprocket (29 Tooth). Skandic SWT.)

под заказпо запросу
M875156115

Цепное колесо ЗВЕЗДОЧКА (28 Tooth) Skandic WT LC. (Sprocket (28 Tooth). Skandic WT LC.)

под заказпо запросу
26M611002529

Игольчатый подшипник (Needle Bearing)

под заказпо запросу
27M616092542

Шайба (Washer)

под заказ3040 руб.
28M610063050

Шариковый подшипник (Ball Bearing)

под заказпо запросу
286305C3E D 5

     (не оригинальная запчасть) Подшипник 6305C3E (6305C3E D 5)

под заказ1 950 руб.
29M875156099

Шайба (Washer)

под заказпо запросу
30M617395065

Регулировочная шайба (Shim)

под заказпо запросу
31M614100062

Заглушка (Plug)

под заказпо запросу
32M875156068

Reverse Вал (Reverse Shaft)

под заказпо запросу
33M875152953

Заглушка (Plug)

под заказпо запросу
34M610063044

Шариковый подшипник (Ball Bearing)

под заказпо запросу
346304C3E D 5

     (не оригинальная запчасть) Подшипник 6304C3E (6304C3E D 5)

под заказ500 руб.
35M617450028

Стопорное кольцо (Circlip)

под заказпо запросу
36M617394252

Регулировочная шайба (Shim)

под заказпо запросу
37M31002

Стопорное кольцо (Circlip)

под заказпо запросу
38M875156054

Цепное колесо ЗВЕЗДОЧКА (34 Tooth) (Sprocket (34 Tooth))

под заказпо запросу
39M875156087

Гильза. Skandic WT. Skandic WT LC. (Sleeve. Skandic WT. Skandic WT LC.)

под заказ4310 руб.
M875156088

Гильза. Skandic SWT. (Sleeve. Skandic SWT.)

под заказ4170 руб.
40M875156060

Цепное колесо ЗВЕЗДОЧКА (24 Tooth) Skandic SWT. (Sprocket (24 Tooth). Skandic SWT.)

под заказпо запросу
40156060-24

     (не оригинальная запчасть) Шестерня КПП снегохода BRP 156060-24

под заказ13 500 руб.
41M875156051

Цепное колесо ЗВЕЗДОЧКА (29 Tooth) Skandic WT. Skandic WT LC. (Sprocket (29 Tooth). Skandic WT. Skandic WT LC.)

под заказпо запросу
41156051-29

     (не оригинальная запчасть) Шестерня КПП снегохода BRP 156051-29

под заказ13 500 руб.
M875156136

Цепное колесо ЗВЕЗДОЧКА (27 Tooth) Skandic SWT. (Sprocket (27 Tooth). Skandic SWT.)

под заказпо запросу
156136-27

     (не оригинальная запчасть) Шестерня КПП снегохода BRP 156136-27

под заказ13 500 руб.
42M875156069

Вал (Shaft)

под заказпо запросу
43M617450025

Стопорное кольцо (Circlip)

под заказпо запросу
44M875156112

Шайба (Washer)

под заказ787 руб.
45M614102562

Сальник (Oil Seal)

под заказпо запросу
46M614601224

Уплотнительное кольцо (O-Ring)

под заказпо запросу
47M875156094

Кольцо (Ring)

под заказпо запросу
48M875156050

Цепное колесо ЗВЕЗДОЧКА (28 Tooth) Skandic WT. Skandic WT LC. (Sprocket (28 Tooth). Skandic WT. Skandic WT LC.)

под заказпо запросу
48283155WT

     (не оригинальная запчасть) Комплект шестерней КПП 283155WT

под заказ42 000 руб.
M875156059

Цепное колесо ЗВЕЗДОЧКА (33 Tooth) Skandic SWT. (Sprocket (33 Tooth). Skandic SWT.)

под заказпо запросу
332659SWT

     (не оригинальная запчасть) Комплект шестерней КПП 332659SWT

под заказ42 000 руб.
49M610063035

Шариковый подшипник (Ball Bearing)

под заказпо запросу
50M617330047

Стопорное кольцо (Circlip)

под заказпо запросу
51M875147205

Шайба (Washer)

под заказпо запросу
52M875147204

Вал (Shaft)

под заказпо запросу
53M614602431

Уплотнительное кольцо (O-Ring)

под заказпо запросу
54M875156049

Цепное колесо ЗВЕЗДОЧКА (31 Tooth) Skandic WT. Skandic WT LC. (Sprocket (31 Tooth). Skandic WT. Skandic WT LC.)

под заказпо запросу
54283155WT

     (не оригинальная запчасть) Комплект шестерней КПП 283155WT

под заказ42 000 руб.
M875156058

Цепное колесо ЗВЕЗДОЧКА (26 Tooth) Skandic SWT. (Sprocket (26 Tooth). Skandic SWT.)

под заказпо запросу
332659SWT

     (не оригинальная запчасть) Комплект шестерней КПП 332659SWT

под заказ42 000 руб.
55M614100052

Заглушка (Plug)

под заказпо запросу
56M2652101

Сальник (Oil Seal)

под заказ797 руб.
57M617330068

Стопорное кольцо (Circlip)

под заказпо запросу
58M610060080

Шариковый подшипник (Ball Bearing)

под заказпо запросу
586008C3E 5

     (не оригинальная запчасть) Подшипник 6008C3E (6008C3E 5)

под заказ880 руб.
58SM-03163

     (не оригинальная запчасть) Комплект подшипников КПП BRP SM-03163

под заказ2 330 руб.
59M875156048

Цепное колесо ЗВЕЗДОЧКА (55 Tooth) Skandic WT. (Sprocket (55 Tooth). Skandic WT.)

под заказпо запросу
59283155WT

     (не оригинальная запчасть) Комплект шестерней КПП 283155WT

под заказ42 000 руб.
M875156057

Цепное колесо ЗВЕЗДОЧКА (59 Tooth) Skandic SWT. (Sprocket (59 Tooth). Skandic SWT.)

под заказпо запросу
332659SWT

     (не оригинальная запчасть) Комплект шестерней КПП 332659SWT

под заказ42 000 руб.
M875156114

Цепное колесо ЗВЕЗДОЧКА (53 Tooth) Skandic WT LC. (Sprocket (53 Tooth). Skandic WT LC.)

под заказпо запросу
283153WTLC

     (не оригинальная запчасть) Комплект шестерней КПП 283153WTLC

под заказ42 000 руб.
283155WT

     (не оригинальная запчасть) Комплект шестерней КПП 283155WT

под заказ42 000 руб.
60M875136962

нижний Вал (Lower Shaft)

под заказпо запросу
61M603345070

Ключ (Key)

под заказпо запросу
62M617300040

Стопорное кольцо (Circlip)

под заказ391 руб.
63M617395568

Регулировочная шайба (Shim)

под заказпо запросу
64M875156104

Заглушка (Plug)

под заказпо запросу
65M615580812

Кольцо Прокладка (Ring Gasket)

под заказпо запросу
66M528801342

Заглушка (Plug)

под заказ250 руб.
67M875156097

Filler Колпачок (Filler Cap)

под заказпо запросу
68M614600725

Уплотнительное кольцо (O-Ring)

под заказпо запросу
69M875156098

Заглушка (Plug)

под заказпо запросу
70M610063040

Шариковый подшипник (Ball Bearing)

под заказпо запросу
706304C3E D 5

     (не оригинальная запчасть) Подшипник 6304C3E (6304C3E D 5)

под заказ500 руб.
71M875156153

Гильза. Skandic SWT. (Sleeve. Skandic SWT.)

под заказ11830 руб.
ski-doo

Время выполнения запроса 1.6890139579773 сек.


 
 

данный сайт носит информационный характер и не является публичной офертой

склад запчастей для водомоторной техники