вконтакте

Контактный телефон: +7 (981) 121-46-93, +7 (800) 200-90-76 , Email: parts-katalog@yandex.ru, где купить

 
 

  Логин:

Пароль:

Регистрация

www.partskatalog.ru Все каталоги Запчасти Mercury Запчасти Suzuki Запчасти Tohatsu Запчасти Honda Контакты


Выбрать другую модель

назад Раздел:   вперёд

вернуться к списку узлов и деталей

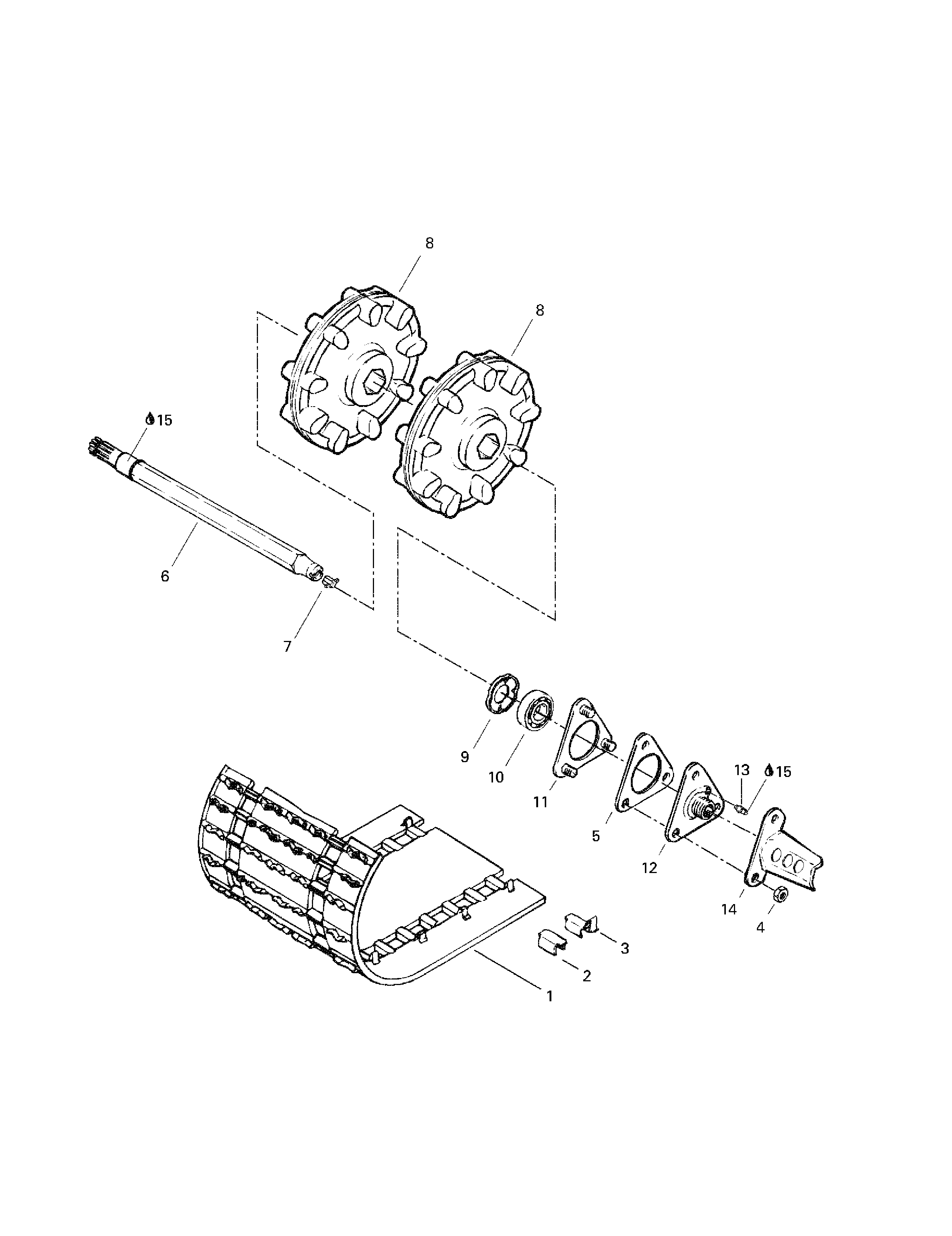
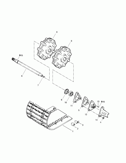
ДЕТАЛИРОВКА ДЛЯ МОДЕЛИ: SKIDOO Skandic 380/500, 1998

Раздел: Drive Axle и Track | Drive Axle And Track


снегоход SkiDoo модель Skandic 380/500, 1998 - Drive Axle и Track

Номер на
рисунке
АртикулНаименованиеКол-во
на складе
Цена
1 570211500

Track (136) Includes 1 - 3. (Track (136). Includes 1 - 3.)

под заказпо запросу
2 500003300

Cleat (Cleat)

под заказпо запросу
3 500003400

Направляющая Cleat (Guide Cleat)

под заказ135 руб.
3 415129528

GUIDE *CLIP

под заказ230 руб.
4 228581045

Hex. Эластичная гайка со стопором M8 (Hex. Elastic Stop Nut M8)

под заказ106 руб.
4 232581414

NUT-STOP ELASTIC DIN.985

под заказ140 руб.
5 501022200

Проставка-Корпус (Spacer-Housing)

под заказпо запросу
6 501025100

Drive Axle (Drive Axle)

под заказпо запросу
7 572010100

Speedo Drive Insert (Speedo Drive Insert)

под заказ234 руб.
8 414882600

Цепное колесо ЗВЕЗДОЧКА (9 Tooth) (Sprocket (9 Tooth))

под заказ3810 руб.
9 501017400

Шариковый подшипник Защита (Ball Bearing Protector)

под заказ670 руб.
10405404400

Шариковый подшипник 6205 (Ball Bearing 6205)

под заказ1260 руб.
10504152006

ROULEMENT BILLE*BEARING-BALL

под заказ1370 руб.
10SM-03168

     (не оригинальная запчасть) Комплект подшипников BRP SM-03168

под заказ2 050 руб.
10SM-03209

     (не оригинальная запчасть) Ремкомплект трансмиссии снегохода BRP SM-03209

под заказ2 710 руб.
11501017800

Фиксатор Кольцо (Retainer Ring)

под заказпо запросу
12501017500

Шариковый подшипник Корпус. Includes 12 - 13. (Ball Bearing Housing. Includes 12 - 13.)

под заказпо запросу
1231061

BALL BEARING HOUSING 501017500

под заказпо запросу
13408200700

Смазочный фиттинг (Grease Fitting)

под заказ311 руб.
14517243600

Кабели Защита (Cable Protector)

под заказпо запросу
15413706100

Lithium Смазка, 400gr (Lithium Grease, 400gr)

под заказпо запросу
15219700417

GRAISE SYNTHETI*GREASE-SYNTHE.

под заказ7860 руб.
ski-doo

Время выполнения запроса 2.3714828491211 сек.


 
 

данный сайт носит информационный характер и не является публичной офертой

склад запчастей для водомоторной техники