вконтакте

Контактный телефон: +7 (981) 121-46-93, +7 (800) 200-90-76 , Email: parts-katalog@yandex.ru, где купить

 
 

  Логин:

Пароль:

Регистрация

www.partskatalog.ru Все каталоги Запчасти Mercury Запчасти Suzuki Запчасти Tohatsu Запчасти Honda Контакты


Выбрать другую модель

назад Раздел:   вперёд

вернуться к списку узлов и деталей

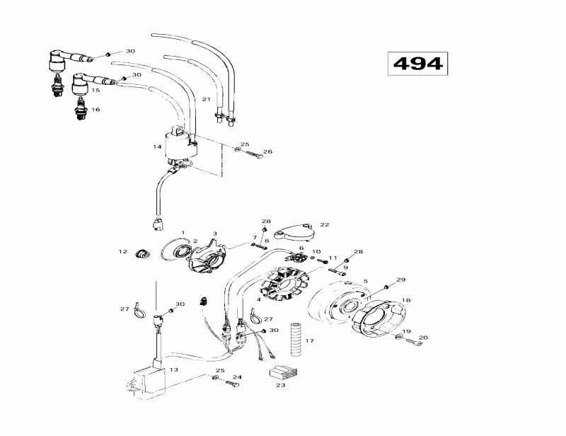
ДЕТАЛИРОВКА ДЛЯ МОДЕЛИ: SKIDOO Formula Z, 1997

Раздел: Магнето 12v 220w (494) | Magneto 12v 220w (494)


BRP SkiDoo Formula Z, 1997 раздел - Magneto 12v 220w (494)

Номер на
рисунке
АртикулНаименованиеКол-во
на складе
Цена
1 420850430

Уплотнительное кольцо. дляmula 500. дляmula 500 Deluxe. (O-Ring. Formula 500. Formula 500 Deluxe.)

под заказ1000 руб.
1 850430

O-RING 75-2,5(USE 420850430)

под заказ790 руб.
2 420930695

Сальник-Oil. дляmula 500. дляmula 500 Deluxe. (Seal-Oil. Formula 500. Formula 500 Deluxe.)

под заказ2710 руб.
2 930695

OIL-SEAL (USE 420930695)

под заказ2150 руб.
3 420810265

Якорь Пластина. дляmula 500. дляmula 500 Deluxe. (Armature Plate. Formula 500. Formula 500 Deluxe.)

под заказпо запросу
4 410920200

Магнето в сборе 12V 220W. Includes 4 - 6. дляmula 500. дляmula 500 Deluxe. (Magneto Assy 12V 220W. Includes 4 - 6. Formula 500. Formula 500 Deluxe.)

под заказпо запросу
4 410919000

Статор в сборе. дляmula 500. дляmula 500 Deluxe. (Stator Assy. Formula 500. Formula 500 Deluxe.)

под заказпо запросу
4 420886581

PLAQUE REACTEUR*PLATE-STATOR A

под заказпо запросу
5 410920300

Магнето Маховик. дляmula 500. дляmula 500 Deluxe. (Magneto Flywheel. Formula 500. Formula 500 Deluxe.)

под заказпо запросу
6 410916700

Pick выше в сборе. дляmula 500. дляmula 500 Deluxe. (Pick Up Assy. Formula 500. Formula 500 Deluxe.)

под заказ3490 руб.
6 420965647

CAPTEUR ASS. *PICKUP-ASSY.

под заказпо запросу
7 420945750

Шайба с блокировкой 5 mm. дляmula 500. дляmula 500 Deluxe. (Lock Washer 5 mm. Formula 500. Formula 500 Deluxe.)

под заказ138 руб.
7 402402400

RONDELLE-FREIN *WASHER-LOCK

под заказ110 руб.
8 420941540

Allen Винт M5 x 20. дляmula 500. дляmula 500 Deluxe. (Allen Screw M5 x 20. Formula 500. Formula 500 Deluxe.)

под заказ170 руб.
8 941540

ALLEN SCREW (USE420941540)

под заказ140 руб.
9 420840886

Allen Винт M6 x 30. дляmula 500. дляmula 500 Deluxe. (Allen Screw M6 x 30. Formula 500. Formula 500 Deluxe.)

под заказ284 руб.
9 290840886

VIS ALLEN *SCREW-SOCKET

под заказ230 руб.
10420827800

Шайба 5.5 mm. дляmula 500. дляmula 500 Deluxe. (Washer 5.5 mm. Formula 500. Formula 500 Deluxe.)

под заказ284 руб.
10290827800

RONDELLE *WASHER

под заказ230 руб.
11420840511

Allen Винт M5 x 16. дляmula 500. дляmula 500 Deluxe. (Allen Screw M5 x 16. Formula 500. Formula 500 Deluxe.)

под заказ154 руб.
12420960288

Кабели Crommet. дляmula 500. дляmula 500 Deluxe. (Cable Crommet. Formula 500. Formula 500 Deluxe.)

под заказпо запросу
12960288

LAPIVIENTI -94(USE420960288)

под заказпо запросу
13410918900

Amplifier-Box. дляmula 500. дляmula 500 Deluxe. (Amplifier-Box. Formula 500. Formula 500 Deluxe.)

под заказпо запросу
14410920500

Катушка зажигания. дляmula 500. дляmula 500 Deluxe. (Ignition Coil. Formula 500. Formula 500 Deluxe.)

под заказ14160 руб.
15414569200

Свеча зажигания Защита дляmula 500. дляmula 500 Deluxe. (Spark Plug Protector. Formula 500. Formula 500 Deluxe.)

под заказ617 руб.
15983409

SHIELDED SPARK PLUG CONNECTOR

под заказ610 руб.
16414961100

Свеча зажигания (NGK BR9ES) дляmula 500. дляmula 500 Deluxe. (Spark Plug (NGK BR9ES). Formula 500. Formula 500 Deluxe.)

под заказ166 руб.
16414567000

BOUGIE BR9ES *PLUG-SPARK

под заказ170 руб.
17410904000

Трубопровод Helical. дляmula 500. дляmula 500 Deluxe. (Tubing Helical. Formula 500. Formula 500 Deluxe.)

под заказпо запросу
18420852416

Starting Шкив. дляmula 500. дляmula 500 Deluxe. (Starting Pulley. Formula 500. Formula 500 Deluxe.)

под заказ1420 руб.
18420852590

PULL-STARTING

под заказ2140 руб.
19420945752

Шайба с блокировкой 8 mm. дляmula 500. дляmula 500 Deluxe. (Lock Washer 8 mm. Formula 500. Formula 500 Deluxe.)

под заказ118 руб.
19402001600

RONDELLE-FREIN *WASHER-LOCK#8

под заказ110 руб.
20420841520

Allen Винт M8 x 12. дляmula 500. дляmula 500 Deluxe. (Allen Screw M8 x 12. Formula 500. Formula 500 Deluxe.)

под заказ122 руб.
21278002198

Свеча зажигания Кабели. дляmula 500. дляmula 500 Deluxe. (Spark Plug Cable. Formula 500. Formula 500 Deluxe.)

под заказ1290 руб.
21420965529

CABLE IGNITION *CABLE-IGNI.690

под заказпо запросу
22420810700

Pick-выше Крышка. дляmula 500. дляmula 500 Deluxe. (Pick-Up Cover. Formula 500. Formula 500 Deluxe.)

под заказ1130 руб.
23409204900

Female Корпус. дляmula 500. дляmula 500 Deluxe. (Female Housing. Formula 500. Formula 500 Deluxe.)

под заказ471 руб.
24222061665

Шестигранный винт M6 x 16. дляmula 500. дляmula 500 Deluxe. (Hex. Screw M6 x 16. Formula 500. Formula 500 Deluxe.)

под заказпо запросу
24702000778

VIS *BOLT

под заказпо запросу
25224761110

Шайба с блокировкой 6 mm. дляmula 500. дляmula 500 Deluxe. (Lock Washer 6 mm. Formula 500. Formula 500 Deluxe.)

под заказ102 руб.
25234161471

WASHER-LOCK BLACK DIN.127B

под заказ130 руб.
26222062065

Шестигранный винт M6 x 20. дляmula 500. дляmula 500 Deluxe. (Hex. Screw M6 x 20. Formula 500. Formula 500 Deluxe.)

под заказпо запросу
26702000083

VIS *SCREW

под заказпо запросу
27414115200

Tie-Rap. дляmula 500. дляmula 500 Deluxe. (Tie-Rap. Formula 500. Formula 500 Deluxe.)

под заказ130 руб.
27414587300

TIE RAP *TIE-RAP

под заказ110 руб.
28413703000

Loctite 242, 10 cc. дляmula 500. дляmula 500 Deluxe. (Loctite 242, 10 cc. Formula 500. Formula 500 Deluxe.)

под заказ1680 руб.
28293800060

LOCTITE 243 *LOCTITE-243

под заказ2150 руб.
29420899788

Loctite 648, 5 gr. дляmula 500. дляmula 500 Deluxe. (Loctite 648, 5 gr. Formula 500. Formula 500 Deluxe.)

под заказпо запросу
29899788

LOCTITE 648, VUHREA 5 G

под заказпо запросу
30413706100

Lithium Смазка, 400 gr. дляmula 500. дляmula 500 Deluxe. (Lithium Grease, 400 gr. Formula 500. Formula 500 Deluxe.)

под заказпо запросу
30219700417

GRAISE SYNTHETI*GREASE-SYNTHE.

под заказ7860 руб.
ski-doo

Время выполнения запроса 2.6696388721466 сек.


 
 

данный сайт носит информационный характер и не является публичной офертой

склад запчастей для водомоторной техники