вконтакте

Контактный телефон: +7 (981) 121-46-93, +7 (800) 200-90-76 , Email: parts-katalog@yandex.ru, где купить

 
 

  Логин:

Пароль:

Регистрация

www.partskatalog.ru Все каталоги Запчасти Mercury Запчасти Suzuki Запчасти Tohatsu Запчасти Honda Контакты


Выбрать другую модель

назад Раздел:   вперёд

вернуться к списку узлов и деталей

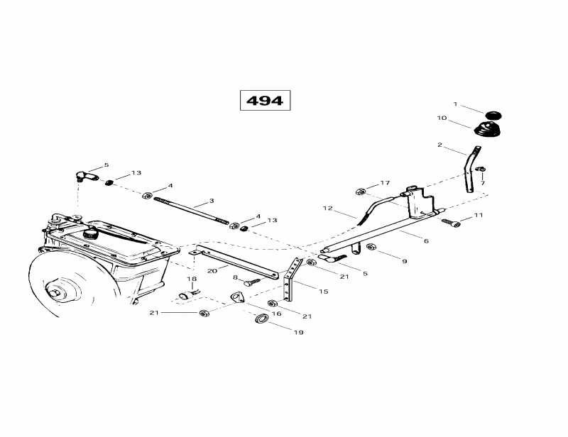
ДЕТАЛИРОВКА ДЛЯ МОДЕЛИ: SKIDOO Skandic Super Wide Track, 1997

Раздел: Трансмиссия 3 (494) | Transmission 3 (494)


снегоход  модификация Skandic Super Wide Track, 1997 - Трансмиссия 3 (494)

Номер на
рисунке
АртикулНаименованиеКол-во
на складе
Цена
1 M28235

Рычаг Переключательer Шарик. Skandic Wide Track LC. (Arm Shifter Ball. Skandic Wide Track LC.)

под заказпо запросу
2 M5395988

Рычаг-Переключательer. Skandic Wide Track LC. (Arm-Shifter. Skandic Wide Track LC.)

под заказпо запросу
3 M549891

Tie Тяга. Skandic Wide Track LC. (Tie Rod. Skandic Wide Track LC.)

под заказпо запросу
4 228081045

Гайка M8. Skandic Wide Track LC. (Nut M8. Skandic Wide Track LC.)

под заказ102 руб.
4 232081414

NUT-HEXAGONAL DIN.934

под заказ130 руб.
5 M21002

Шаровое соединение. Skandic Wide Track LC. (Ball Joint. Skandic Wide Track LC.)

под заказпо запросу
6 M5340498

Трансмиссия Рычаг. Skandic Wide Track LC. (Transmission Lever. Skandic Wide Track LC.)

под заказпо запросу
7 M24007

Провод Lock. Skandic Wide Track LC. (Wire Lock. Skandic Wide Track LC.)

под заказпо запросу
8 222061665

Шестигранный винт M6 x 16. Skandic Wide Track LC. (Hex. Screw M6 x 16. Skandic Wide Track LC.)

под заказпо запросу
8 702000778

VIS *BOLT

под заказпо запросу
9 228581045

Эластичная гайка со стопором M8. Skandic Wide Track LC. (Elastic Stop Nut M8. Skandic Wide Track LC.)

под заказ106 руб.
9 232581414

NUT-STOP ELASTIC DIN.985

под заказ140 руб.
10M544354

Переключательer Boot. Skandic Wide Track LC. (Shifter Boot. Skandic Wide Track LC.)

под заказпо запросу
11M40147

Allen Винт M4 x 25. Skandic Wide Track LC. (Allen Screw M4 x 25. Skandic Wide Track LC.)

под заказпо запросу
12M539748

Переключательer Кабели. Skandic Wide Track LC. (Shifter Cable. Skandic Wide Track LC.)

под заказпо запросу
13M27025

Провод Держатель. Skandic Wide Track LC. (Wire Holder. Skandic Wide Track LC.)

под заказпо запросу
15M5340523

Sвышеport. Skandic Wide Track LC. (Support. Skandic Wide Track LC.)

под заказпо запросу
16M5341835

Sвышеport. Skandic Wide Track LC. (Support. Skandic Wide Track LC.)

под заказпо запросу
17228541045

Эластичная гайка со стопором M4. Skandic Wide Track LC. (Elastic Stop Nut M4. Skandic Wide Track LC.)

под заказпо запросу
17702000761

ECROU *NUT

под заказпо запросу
18414805102

Backвыше AlРычаг. Skandic Wide Track LC. (Backup Alarm. Skandic Wide Track LC.)

под заказ5800 руб.
18414805100

ALARME DC *ALARM-DC

под заказ5320 руб.
19414805101

пластиковый Гайка. Skandic Wide Track LC. (Plastic Nut. Skandic Wide Track LC.)

под заказ428 руб.
20M5341669

Кронштейн. Skandic Wide Track LC. (Bracket. Skandic Wide Track LC.)

под заказпо запросу
21M33200

Гайка. Skandic Wide Track LC. (Nut. Skandic Wide Track LC.)

под заказпо запросу
ski-doo

Время выполнения запроса 1.2762959003448 сек.


 
 

данный сайт носит информационный характер и не является публичной офертой

склад запчастей для водомоторной техники