вконтакте

Контактный телефон: +7 (981) 121-46-93, +7 (800) 200-90-76 , Email: parts-katalog@yandex.ru, где купить

 
 

  Логин:

Пароль:

Регистрация

www.partskatalog.ru Все каталоги Запчасти Mercury Запчасти Suzuki Запчасти Tohatsu Запчасти Honda Контакты



УВАЖАЕМЫЕ КЛИЕНТЫ!
C 19 ДЕКАБРЯ 2025 ПО 02 МАРТА 2026 ГОДА ОТДЕЛ ЗАПЧАСТЕЙ И СЕРВИС РАБОТАТЬ НЕ БУДУТ
ПРОДАЖА ЛОДОЧНЫХ МОТОРОВ В ШТАТНОМ РЕЖИМЕ
ОБ ИЗМЕНЕНИЯХ В ГРАФИКЕ РАБОТЫ ЧИТАЙТЕ НА САЙТА




Выбрать другую модель

назад Раздел:   вперёд

вернуться к списку узлов и деталей

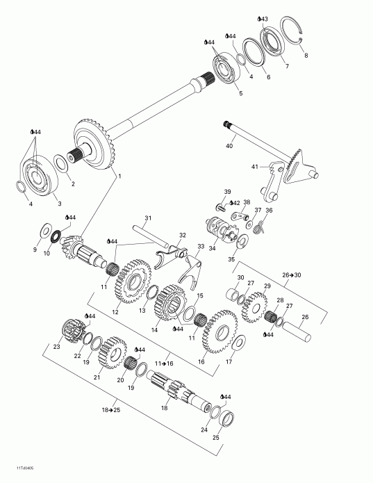
ДЕТАЛИРОВКА ДЛЯ МОДЕЛИ: BRP ATV Quest XT, 2004

Раздел: Шестерня Переключатель | Gear Shift


Квадроцикл BRP модификация Quest XT, 2004 - Gear Shift

Номер на
рисунке
АртикулНаименованиеКол-во
на складе
Цена
1 420296530

Коническая шестерня в сборе (Bevel Gear Assy)

под заказ94600 руб.
1 711296530

(последний код) Коническая шестерня в сборе (Bevel Gear Assy)

под заказ69100 руб.
2 420281300

Упорная шайба Set (Thrust Washer Set)

под заказ9170 руб.
2 711281300

(последний код) Упорная шайба Set (Thrust Washer Set)

под заказ6770 руб.
3 420632280

Шариковый подшипник (Ball Bearing)

под заказ8510 руб.
3 711632280

(последний код) Шариковый подшипник (Ball Bearing)

под заказ4940 руб.
4 420430370

Уплотнительное кольцо (O-Ring)

под заказ200 руб.
5 420932825

Шариковый подшипник (Ball Bearing)

под заказ2140 руб.
5 711932826

(последний код) Шариковый подшипник (Ball Bearing)

под заказ1960 руб.
6 420247250

DistancУплотнительное кольцо (Distance Ring)

под заказ860 руб.
7 420650682

Сальник (Oil Seal)

под заказ900 руб.
8 420445070

Стопорное кольцо (Retaining Ring)

под заказ840 руб.
8 711445070

(последний код) Стопорное кольцо (Retaining Ring)

под заказ590 руб.
9 420281304

Упорная шайба Set (Mag Side) (Thrust Washer Set (Mag Side))

под заказпо запросу
9 711281304

(последний код) Упорная шайба Set (Mag Side) (Thrust Washer Set (Mag Side))

под заказпо запросу
10 420632300

Игольчатый подшипник (Needle Bearing)

под заказ1280 руб.
10 711632300

(последний код) Игольчатый подшипник (Needle Bearing)

под заказ950 руб.
11 420281282

Шестерняwheel Set. Includes 11 - 16. (Gearwheel Set. Includes 11 - 16.)

под заказ35600 руб.
11 420281283

(последний код) Шестерняwheel Set. Includes 11 - 16. (Gearwheel Set. Includes 11 - 16.)

под заказ45500 руб.
11 420632070

Игольчатый подшипник (Needle Bearing)

под заказ1280 руб.
11 711632070

(последний код) Игольчатый подшипник (Needle Bearing)

под заказ950 руб.
12 XXX

Шестерня Шестерня (33 teeth) (Pinion Gear (33 teeth))

13 420245850

Стопорное кольцо (Retaining Ring)

под заказ290 руб.
13 711245850

(последний код) Стопорное кольцо (Retaining Ring)

под заказ680 руб.
14 XXX

Шестерня Шестерня (27 teeth) (Pinion Gear (27 teeth))

15 XXX

Упорная шайба (Thrust Washer)

16 XXX

Шестерня Шестерня (34 teeth) (Pinion Gear (34 teeth))

17 420281302

Упорная шайба Set (Thrust Washer Set)

под заказ8640 руб.
17 711281302

(последний код) Упорная шайба Set (Thrust Washer Set)

под заказ6410 руб.
18 420220978

CounterВал в сборе (11 Teeth) Includes 18 - 25. (Countershaft Assy (11 Teeth). Includes 18 - 25.)

под заказ32400 руб.
18 420220979

(последний код) CounterВал в сборе (11 Teeth) Includes 18 - 25. (Countershaft Assy (11 Teeth). Includes 18 - 25.)

под заказ41500 руб.
18 XXX

CounterВал (11 teeth) (Countershaft (11 teeth))

19 XXX

Упорная шайба (Thrust Washer)

20 420632070

Игольчатый подшипник (Needle Bearing)

под заказ1280 руб.
20 711632070

(последний код) Игольчатый подшипник (Needle Bearing)

под заказ950 руб.
21 XXX

Шестерня Шестерня (22 teeth) (Pinion Gear (22 teeth))

22 420445300

Стопорное кольцо (Circlip)

под заказ430 руб.
23 XXX

Переключатель Шестерня (16 teeth) (Shift Gear (16 teeth))

24 420630040

Уплотнительное кольцо (O-Ring)

под заказ720 руб.
24 711630040

(последний код) Уплотнительное кольцо (O-Ring)

под заказ560 руб.
25 420247110

DistancУплотнительное кольцо (Distance Ring)

под заказпо запросу
25 420247114

(последний код) DistancУплотнительное кольцо (Distance Ring)

под заказпо запросу
26 420229605

Idle Шестерня Вал. Includes 26 - 30. (Idle Gear Shaft. Includes 26 - 30.)

под заказ14090 руб.
26 711229605

(последний код) Idle Шестерня Вал. Includes 26 - 30. (Idle Gear Shaft. Includes 26 - 30.)

под заказ11020 руб.
26 420229600

иголка Штифт (Needle Pin)

под заказ2380 руб.
26 711229600

(последний код) иголка Штифт (Needle Pin)

под заказ2020 руб.
27 420944190

Упорная шайба (Thrust Washer)

под заказ860 руб.
27 711944190

(последний код) Упорная шайба (Thrust Washer)

под заказ680 руб.
28 420432030

иголка Cage (Needle Cage)

под заказпо запросу
28 711432030

(последний код) иголка Cage (Needle Cage)

под заказпо запросу
29 420635310

Внутреняя шестерня (23 teeth) (Internal Gear (23 teeth))

под заказ9210 руб.
29 711635310

(последний код) Внутреняя шестерня (23 teeth) (Internal Gear (23 teeth))

под заказ7200 руб.
30 420247120

Distance Гильза (Distance Sleeve)

под заказ2010 руб.
30 711247120

(последний код) Distance Гильза (Distance Sleeve)

под заказ1570 руб.
31 420229540

Штифт (Pin)

под заказ1330 руб.
31 711229540

(последний код) Штифт (Pin)

под заказ1350 руб.
32 420257180

Переключатель дляk (Shift Fork)

под заказ10190 руб.
32 711257180

(последний код) Переключатель дляk (Shift Fork)

под заказ7970 руб.
33 420257230

Переключатель дляk (Shift Fork)

под заказ8930 руб.
33 711257230

(последний код) Переключатель дляk (Shift Fork)

под заказ6990 руб.
34 420257175

Переключатель Drum (Shift Drum)

под заказ12700 руб.
34 711257175

(последний код) Переключатель Drum (Shift Drum)

под заказпо запросу
35 420227567

Isolating Шайба (Isolating Washer)

под заказ430 руб.
35 711227567

(последний код) Isolating Шайба (Isolating Washer)

под заказ340 руб.
36 420239561

Index Пружина (Index Spring)

под заказ460 руб.
36 711239561

(последний код) Index Пружина (Index Spring)

под заказпо запросу
37 420227710

Втулка (Bushing)

под заказ460 руб.
37 711227716

(последний код) Втулка (Bushing)

под заказ680 руб.
38 703500189

Трансмиссия Ремонтный комплект (Transmission Repair Kit)

под заказ4020 руб.
38 711248375

(последний код) Трансмиссия Ремонтный комплект (Transmission Repair Kit)

под заказ3150 руб.
39 420241526

Torx Винт M6 x 16 (Torx Screw M6 x 16)

под заказ740 руб.
39 711241526

(последний код) Torx Винт M6 x 16 (Torx Screw M6 x 16)

под заказ680 руб.
40 420220806

Переключающий вал (Shift Shaft)

под заказ9170 руб.
40 711220806

(последний код) Переключающий вал (Shift Shaft)

под заказ6660 руб.
41 420257156

Lock Рычаг (Lock Lever)

под заказ5890 руб.
41 711257156

(последний код) Lock Рычаг (Lock Lever)

под заказ4610 руб.
420257158

Lock Рычаг (Lock Lever)

под заказ5890 руб.
711257158

(последний код) Lock Рычаг (Lock Lever)

под заказ4610 руб.
42 293800060

Loctite 243, 10 ml (Loctite 243, 10 ml)

под заказ2150 руб.
42 420897651

(последний код) Loctite 243, 10 ml (Loctite 243, 10 ml)

под заказпо запросу
43 293550030

Смазка, Sвышеer Lube (Grease, Super Lube)

под заказ2870 руб.
43 293550014

(последний код) Смазка, Sвышеer Lube (Grease, Super Lube)

под заказ2250 руб.
44 293600039

Моторное масло 4 strokes. 5W40, 12 x 1 л (Engine Oil 4 strokes. 5W40, 12 x 1 liter)

под заказ510 руб.
44 293600121

(последний код) Моторное масло 4 strokes. 5W40, 12 x 1 л (Engine Oil 4 strokes. 5W40, 12 x 1 liter)

31 шт550 руб.
900 руб.
brp atv

Время выполнения запроса 3.4446392059326 сек.


 
 

данный сайт носит информационный характер и не является публичной офертой

склад запчастей для водомоторной техники