вконтакте

Контактный телефон: +7 (981) 121-46-93, +7 (800) 200-90-76 , Email: parts-katalog@yandex.ru, где купить

 
 

  Логин:

Пароль:

Регистрация

www.partskatalog.ru Все каталоги Запчасти Mercury Запчасти Suzuki Запчасти Tohatsu Запчасти Honda Контакты


Выбрать другую модель

назад Раздел:   вперёд

вернуться к списку узлов и деталей

ДЕТАЛИРОВКА ДЛЯ МОДЕЛИ: BRP ATV Traxter XL, 7458, 2002

Раздел: Рама и Luggage Racks | Frame And Luggage Racks


Квадроцикл BRP модель Traxter XL, 7458, 2002 - Рама и Luggage Racks

Номер на
рисунке
АртикулНаименованиеКол-во
на складе
Цена
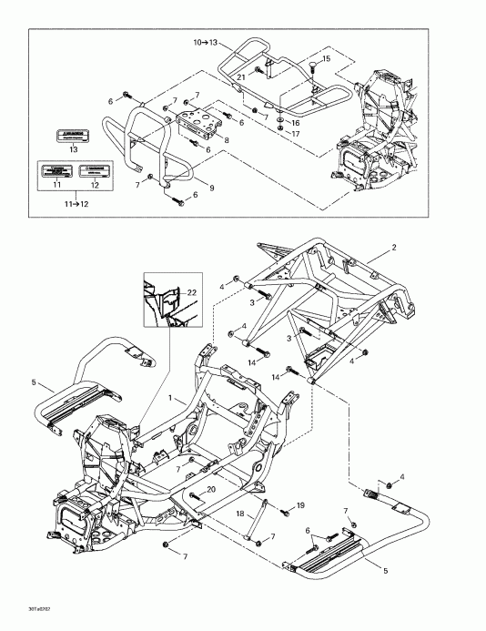
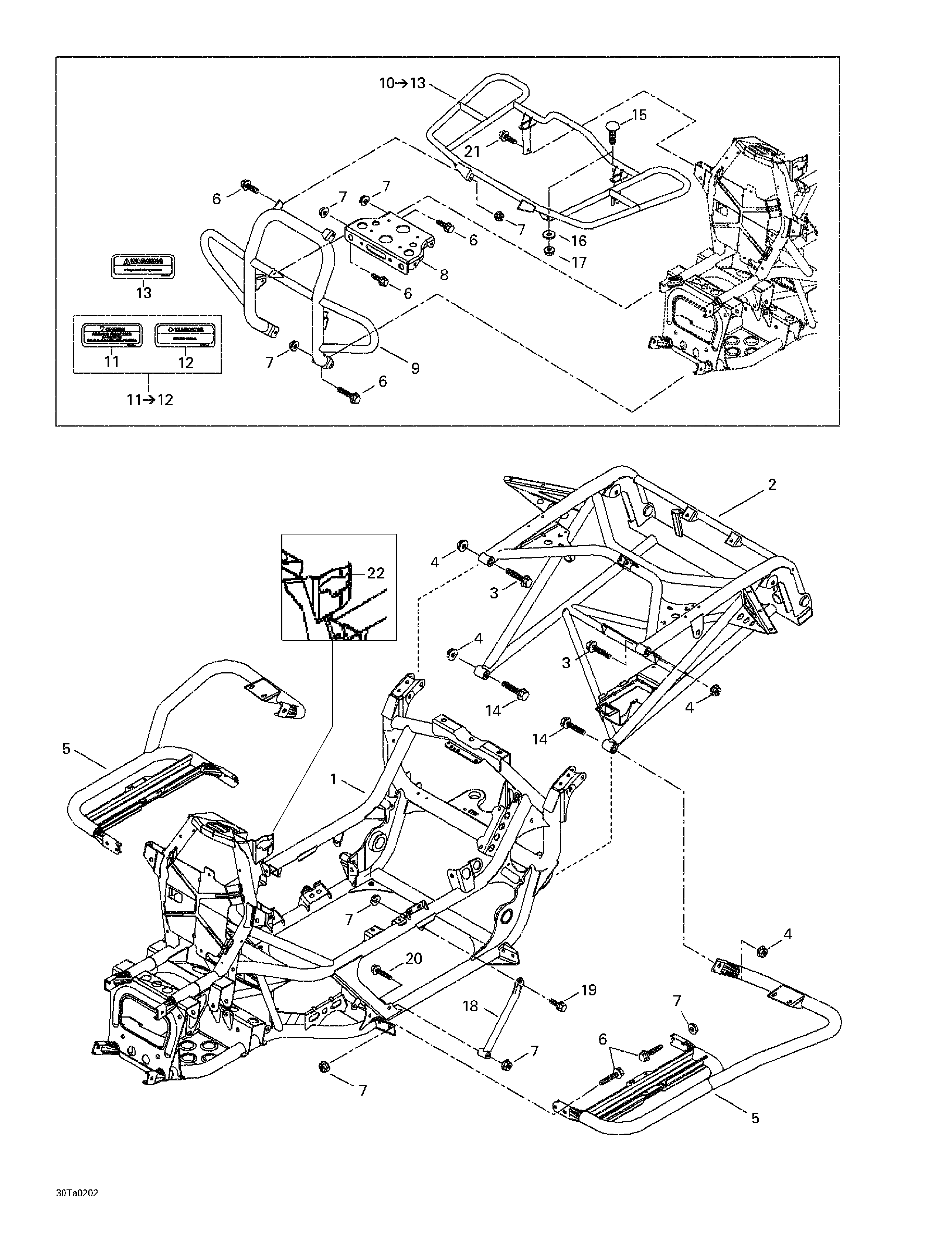
1 705200448

Рама (чёрный) (Frame (Black))

под заказ134600 руб.
2 705200285

Рама Extention (чёрный) (Frame Extention (Black))

под заказ74100 руб.
2 705200567

(последний код) Рама Extention (чёрный) (Frame Extention (Black))

под заказ94800 руб.
3 207605544

Винт Hex. Фланецd M10 x 55 (Screw Hex. Flanged M10 x 55)

под заказ290 руб.
3 V9600010055

(последний код)

под заказпо запросу
4 233201414

Elastic Фланецd Гайка M10 (Elastic Flanged Nut M10)

под заказ280 руб.
4 228701045

(последний код) Elastic Фланецd Гайка M10 (Elastic Flanged Nut M10)

под заказ220 руб.
5 705200329

Footrest LH (Grey) (Footrest LH (Grey))

под заказ9120 руб.
705200331

Footrest RH (Grey) (Footrest RH (Grey))

под заказ8110 руб.
6 207682044

Hex. Фланецd Винт M8 x 20 (Hex. Flanged Screw M8 x 20)

под заказ290 руб.
6 732601285

(последний код) Hex. Фланецd Винт M8 x 20 (Hex. Flanged Screw M8 x 20)

под заказ230 руб.
7 233281414

Elastic Фланецd Гайка M8 (Elastic Flanged Nut M8)

под заказ290 руб.
7 M33201

(последний код)

под заказпо запросу
8 705200196

Winch Latch (чёрный) (Winch Latch (Black))

под заказ2300 руб.
8 705200068

(последний код) Winch Latch (чёрный) (Winch Latch (Black))

под заказ1800 руб.
9 705000001

Front Бампер (Grey) (Front Bumper (Grey))

под заказ16580 руб.
9 705000591

(последний код) Front Бампер (Grey) (Front Bumper (Grey))

под заказ18560 руб.
10 703500053

Front Luggage Rack в сборе. Includes 10 - 13. (Front Luggage Rack Assy. Includes 10 - 13.)

под заказ12010 руб.
10 703500452

(последний код) Front Luggage Rack в сборе. Includes 10 - 13. (Front Luggage Rack Assy. Includes 10 - 13.)

под заказ15350 руб.
11 704900037

Front Cargo Warning Наклейки. Includes 11 - 12. (Front Cargo Warning Labels. Includes 11 - 12.)

под заказ120 руб.
11 XXX

Warning Наклейки (Max Front Load) (Warning Label (Max Front Load))

12 XXX

Warning Наклейки (Do Not Sit Here) (Warning Label (Do Not Sit Here))

13 704900038

Warning Наклейки (Крышка Соединитель) (Warning Label (Cover Attachment))

под заказ120 руб.
14 250000065

Винт Hex. Фланецd M10 x 60 (Screw Hex. Flanged M10 x 60)

под заказпо запросу
15 250000035

Carriage Болт M6 x 25 (Carriage Bolt M6 x 25)

под заказ290 руб.
16 224060201

плоский Шайба (Flat Washer)

под заказ280 руб.
16 224060200

(последний код) плоский Шайба (Flat Washer)

под заказ220 руб.
17 233261414

Elastic Фланецd Гайка M6 (Elastic Flanged Nut M6)

под заказ290 руб.
17 M33200

(последний код)

под заказпо запросу
18 705200143

Removable Brace (Removable Brace)

под заказ4100 руб.
19 207682044

Винт Hex. Фланецd M8 x 20 (Screw Hex. Flanged M8 x 20)

под заказ290 руб.
19 732601285

(последний код) Винт Hex. Фланецd M8 x 20 (Screw Hex. Flanged M8 x 20)

под заказ230 руб.
20 207685044

Винт Hex. Фланецd M8 x 50 (Screw Hex. Flanged M8 x 50)

под заказ290 руб.
21 207582044

Винт Hex. Фланецd M8 x 20 (Scotch Рукоятка) (Screw Hex. Flanged M8 x 20 (Scotch Grip))

под заказ290 руб.
22 705200351

Переключатель Patern (Shift Patern)

под заказ2010 руб.
brp atv

Время выполнения запроса 1.1310918331146 сек.


 
 

данный сайт носит информационный характер и не является публичной офертой

склад запчастей для водомоторной техники