вконтакте

Контактный телефон: +7 (981) 121-46-93, +7 (800) 200-90-76 , Email: parts-katalog@yandex.ru, где купить

 
 

  Логин:

Пароль:

Регистрация

www.partskatalog.ru Все каталоги Запчасти Mercury Запчасти Suzuki Запчасти Tohatsu Запчасти Honda Контакты



УВАЖАЕМЫЕ КЛИЕНТЫ!
C 19 ДЕКАБРЯ 2025 ПО 02 МАРТА 2026 ГОДА ОТДЕЛ ЗАПЧАСТЕЙ И СЕРВИС РАБОТАТЬ НЕ БУДУТ
ПРОДАЖА ЛОДОЧНЫХ МОТОРОВ В ШТАТНОМ РЕЖИМЕ
ОБ ИЗМЕНЕНИЯХ В ГРАФИКЕ РАБОТЫ ЧИТАЙТЕ НА САЙТА




Вернуться к началу выбора


Мощность Вашего двигателя: 2 л.с.

Год выпуска: 2001 год

Тип двигателя: 1278

Модификация двигателя: Evinrude E2WRSIR Commercial, Rope Start, Tiller,

   Выберите раздел

найти расходники на лодочные моторы Evinrude


Выберите раздел

Якорь Пластина & Coil Assembly (Armature Plate & Coil Assembly)

Якорь Пластина & Coil Assembly (Armature Plate & Coil Assembly)

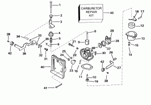
Карбюратор (Carburetor)

Карбюратор (Carburetor)

Цилиндр & Картер двигателя, Язычковый клапан (Cylinder & Crankcase, Reed Valve)

Цилиндр & Картер двигателя, Язычковый клапан (Cylinder & Crankcase, Reed Valve)

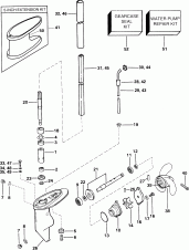
Редуктор - 2wr (Gearcase - 2wr)

Редуктор - 2wr (Gearcase - 2wr)

Редуктор - 3wr (Gearcase - 3wr)

Редуктор - 3wr (Gearcase - 3wr)

Литература (Literature)

Литература (Literature)

Midsection (Midsection)

Midsection (Midsection)

Motor Крышка - Johnson / evinrude & Intergral Топливный бак (Motor Cover - Johnson/evinrude & Intergral Fuel Tank)

Motor Крышка - Johnson / evinrude & Intergral Топливный бак (Motor Cover - Johnson/evinrude & Intergral Fuel Tank)

Краска (Paint)

Краска (Paint)

Поршень & Коленвал (Piston & Crankshaft)

Поршень & Коленвал (Piston & Crankshaft)

Барабанный стартер в сборе (Recoil Starter Assembly)

Барабанный стартер в сборе (Recoil Starter Assembly)

Stern & Поворотный кронштейн (Stern & Swivel Bracket)

Stern & Поворотный кронштейн (Stern & Swivel Bracket)

evinrude

Время выполнения запроса 0.24126696586609 сек.


 
 

данный сайт носит информационный характер и не является публичной офертой

склад запчастей для водомоторной техники