вконтакте

Контактный телефон: +7 (981) 121-46-93, +7 (800) 200-90-76 , Email: parts-katalog@yandex.ru, где купить

 
 

  Логин:

Пароль:

Регистрация

www.partskatalog.ru Все каталоги Запчасти Mercury Запчасти Suzuki Запчасти Tohatsu Запчасти Honda Контакты



УВАЖАЕМЫЕ КЛИЕНТЫ!
C 31 ОКТЯБРЯ 2025 ПО 10 НОЯБРЯ 2025 ГОДА РАБОТАТЬ НЕ БУДЕМ




Вернуться к началу выбора


Мощность Вашего двигателя: 140 л.с.

Год выпуска: 1993 год

Тип двигателя: 1523

Модификация двигателя: Evinrude E140TLETC 1993

   Выберите раздел

найти расходники на лодочные моторы Evinrude


Выберите раздел

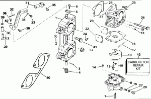
Карбюратор и Подъемный механизм -

Карбюратор и Подъемный механизм - "s" Suffix Models (Carburetor And Linkage - "s" Suffix Models)

Карбюратор и Подъемный механизм -

Карбюратор и Подъемный механизм - "f" Suffix Models (Carburetor And Linkage - "f" Suffix Models)

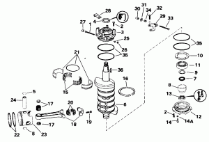
Коленвал & Поршень (Crankshaft & Piston)

Коленвал & Поршень (Crankshaft & Piston)

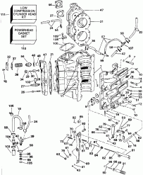
Цилиндр & Картер двигателя -

Цилиндр & Картер двигателя - "f" Suffix Modelsls (Cylinder & Crankcase - "f" Suffix Modelsls)

Цилиндр & Картер двигателя -

Цилиндр & Картер двигателя - "s" Suffix Modelsls (Cylinder & Crankcase - "s" Suffix Modelsls)

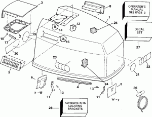
Крышка двигателя (капот) - 125 Esx (Engine Cover - 125 Esx)

Крышка двигателя (капот) - 125 Esx (Engine Cover - 125 Esx)

Крышка двигателя (капот) - Evinrude 120-140 Models (Engine Cover - Evinrude 120-140 Models)

Крышка двигателя (капот) - Evinrude 120-140 Models (Engine Cover - Evinrude 120-140 Models)

Крышка двигателя (капот) - Johnson 120-140 Models (Engine Cover - Johnson 120-140 Models)

Крышка двигателя (капот) - Johnson 120-140 Models (Engine Cover - Johnson 120-140 Models)

Удлинитель корпуса (Exhaust Housing)

Удлинитель корпуса (Exhaust Housing)

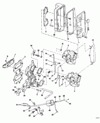
Топливный насос (Fuel Pump)

Топливный насос (Fuel Pump)

Топливный бак With Gauge (Fuel Tank With Gauge)

Топливный бак With Gauge (Fuel Tank With Gauge)

Топливный бак Without Gauge (Fuel Tank Without Gauge)

Топливный бак Without Gauge (Fuel Tank Without Gauge)

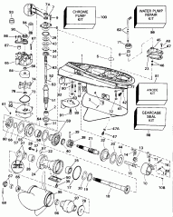
Редуктор - 120tl & 140tl 120tx & 125esx

Редуктор - 120tl & 140tl 120tx & 125esx "s" Suffix Only (Gearcase - 120tl & 140tl 120tx & 125esx "s" Suffix Only)

Редуктор - 140cx обратное вращение (Gearcase - 140cx Counter Rotation)

Редуктор - 140cx обратное вращение (Gearcase - 140cx Counter Rotation)

Редуктор - 140tx Std Rotation 120tx & 125esx

Редуктор - 140tx Std Rotation 120tx & 125esx "f" Suffix (Gearcase - 140tx Std Rotation 120tx & 125esx "f" Suffix)

Ignition System & Двигатель стартера (Ignition System & Starter Motor)

Ignition System & Двигатель стартера (Ignition System & Starter Motor)

Впускной коллектор -

Впускной коллектор - "s" Suffix Models (Intake Manifold - "s" Suffix Models)

Впускной коллектор -

Впускной коллектор - "f" Suffix Models (Intake Manifold - "f" Suffix Models)

Литература (Literature)

Литература (Literature)

Нижняя крышка двигателя (Lower Engine Cover)

Нижняя крышка двигателя (Lower Engine Cover)

Midsection (Midsection)

Midsection (Midsection)

Масляный бак Kit - 1.8 галлон (Oil Tank Kit - 1.8 Gallon)

Масляный бак Kit - 1.8 галлон (Oil Tank Kit - 1.8 Gallon)

Краска (Paint)

Краска (Paint)

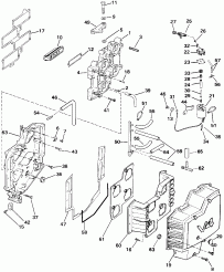
Механизированный дифферент наклона Электрика (Power Trim/tilt Electrical)

Механизированный дифферент наклона Электрика (Power Trim/tilt Electrical)

Механизированный дифферент наклона Hydraulic Assembly (Power Trim/tilt Hydraulic Assembly)

Механизированный дифферент наклона Hydraulic Assembly (Power Trim/tilt Hydraulic Assembly)

Рулевая система Соединитель Kit (Steering Link Kit)

Рулевая система Соединитель Kit (Steering Link Kit)

evinrude

Время выполнения запроса 0.30004096031189 сек.


 
 

данный сайт носит информационный характер и не является публичной офертой

склад запчастей для водомоторной техники