вконтакте

Контактный телефон: +7 (981) 121-46-93, +7 (800) 200-90-76 , Email: parts-katalog@yandex.ru, где купить

 
 

  Логин:

Пароль:

Регистрация

www.partskatalog.ru Все каталоги Запчасти Mercury Запчасти Suzuki Запчасти Tohatsu Запчасти Honda Контакты



УВАЖАЕМЫЕ КЛИЕНТЫ!
C 31 ОКТЯБРЯ 2025 ПО 10 НОЯБРЯ 2025 ГОДА РАБОТАТЬ НЕ БУДЕМ




Все разделы каталога запчастей на этот двигатель

назад Раздел:   вперёд

вернуться к списку узлов и деталей

ДЕТАЛИРОВКА ДЛЯ МОДЕЛИ: EVINRUDE E140TLETC 1993

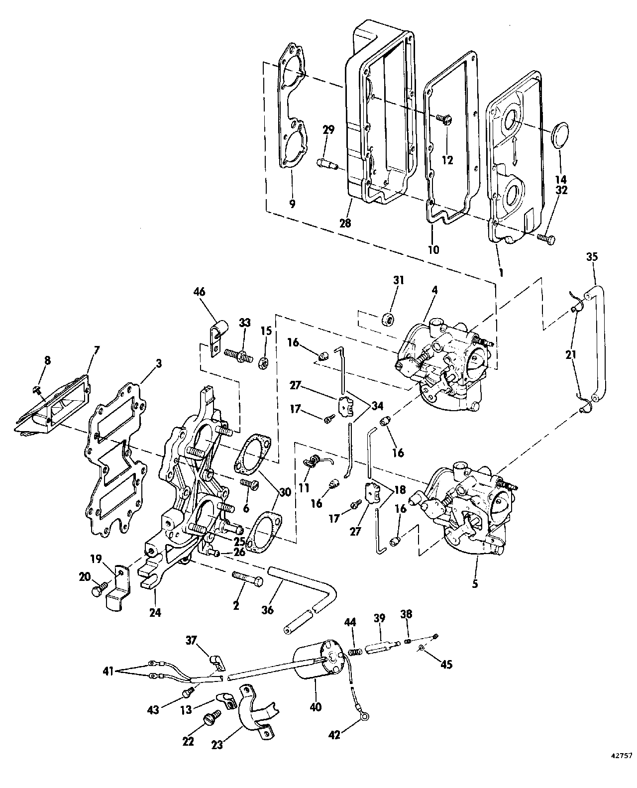
ВПУСКНОЙ КОЛЛЕКТОР - "S" SUFFIX MODELS | INTAKE MANIFOLD - "S" SUFFIX MODELS;


 EVINRUDE E140TLETC 1993  -

Номер на
рисунке
АртикулНаименованиеКол-во
на складе
Цена
1 0394322

Впускной коллектор в сборе.. 120, 125ESX Models Only (INTAKE MANIFOLD ASSY.. 120, 125ESX Models Only)

нет в наличии, поставок нет
1 0397497

Впускной коллектор в сборе.. 140 Models Only (INTAKE MANIFOLD ASSY.. 140 Models Only)

нет в наличии, поставок нет
1 0397706

   (последний код) INTAKE-MANIF

нет в наличии, поставок нет
2 0325659

FITTING, Drain (FITTING, Drain)

нет в наличии, поставок нет
3 0310872

Шпилька (STUD)

нет в наличии, поставок нет
4 0328789

FITTING, Primer (FITTING, Primer)

нет в наличии, поставок нет
5 0320744

Шайба, Шпилька (WASHER, Stud)

нет в наличии, поставок нет
5 0306124

   (последний код) WASHER

нет в наличии, поставок нет
6 0331153

TIMING POINTER, Коллектор (TIMING POINTER, Manifold)

нет в наличии, поставок нет
7 0328696

Винт, Timing pointer (SCREW, Timing pointer)

нет в наличии, поставок нет
8 0331102

Винт, Крышка to Основание, long (SCREW, Cover to base, long)

нет в наличии, поставок нет
8 0329625

   (последний код) WING-SCREW

нет в наличии, поставок нет
9 0303913

Шайба, Кулачок дросселя (WASHER, Throttle cam)

нет в наличии, поставок нет
10 0396201

REED BOX в сборе.. 120, 125ESX Models Only (REED BOX ASSY.. 120, 125ESX Models Only)

нет в наличии, поставок нет
10 0396072

   (последний код) REED BOX

нет в наличии, поставок нет
10 0397336

REED BOX в сборе.. 140 Models Only (REED BOX ASSY.. 140 Models Only)

нет в наличии, поставок нет
10 0439042

   (последний код) BOX AY,REED

нет в наличии, поставок нет
11 0332353

Винт дросселя cam (SCREW, Throttle cam)

нет в наличии, поставок нет
11 0347338

   (последний код) SCREW,SHOULDER

нет в наличии, поставок нет
12 0331058

SPIRAL Трубка (SPIRAL TUBE)

нет в наличии, поставок нет
13 0328701

Шайба, Заземление, solenoid (WASHER, Ground, solenoid)

нет в наличии, поставок нет
13 3852182

   (последний код) WASHER,LOCK

нет в наличии, поставок нет
14 0339278

Струбцина, Шланг Фиксатор (CLAMP, Hose retainer)

нет в наличии, поставок нет
15 0328725

Винт, Trunnion Крышка (SCREW, Trunnion cover)

нет в наличии, поставок нет
15 3852187

   (последний код) SCREW

нет в наличии, поставок нет
16 0330838

Винт, Baffle (SCREW, Baffle)

нет в наличии, поставок нет
16 0329268

   (последний код) SCREW

нет в наличии, поставок нет
17 0328622

Прокладка коллектора to Картер двигателя (GASKET, Manifold to crankcase)

нет в наличии, поставок нет
18 0321707

Винт, Reed box. 120, 125ESX Models Only (SCREW, Reed box. 120, 125ESX Models Only)

нет в наличии, поставок нет
18 0332265

Винт, Reed box. 140 Models Only (SCREW, Reed box. 140 Models Only)

нет в наличии, поставок нет
19 0333267

Крышка, Air Глушитель (COVER, Air silencer)

нет в наличии, поставок нет
19 0436279

   (последний код) COVER&PLUG AY

нет в наличии, поставок нет
20 0328626

Прокладка, Leaf Пластина. 120, 125ESX Models Only (GASKET, Leaf plate. 120, 125ESX Models Only)

нет в наличии, поставок нет
20 0332266

Прокладка, Leaf Пластина. 140 Models Only (GASKET, Leaf plate. 140 Models Only)

нет в наличии, поставок нет
21 0435948

Соленоид, в сборе., Primer (SOLENOID ASSY., Primer)

нет в наличии, поставок нет
21 5007355

   (последний код) KIT AY,PRMR SOL

нет в наличии, поставок нет
22 0511807

Крышка, Primer solenoid (COVER, Primer solenoid)

нет в наличии, поставок нет
22 0437228

   (последний код) COVER&GASKET AY

нет в наличии, поставок нет
23 0333448

Прокладка, Solenoid (GASKET, Solenoid)

нет в наличии, поставок нет
23 0511810

   (последний код) VALVE-SEAT

нет в наличии, поставок нет
24 0511809

Плунжер (PLUNGER)

нет в наличии, поставок нет
25 0175158

Ручной клапан (MANUAL VALVE)

нет в наличии, поставок нет
26 0331365

Уплотнительное кольцо (O-RING)

нет в наличии, поставок нет
26 0326721

   (последний код) O-RING

нет в наличии, поставок нет
27 0126341

Клапан Колпачок (VALVE CAP)

нет в наличии, поставок нет
28 0511986

Пружина клапана (SPRING, Valve)

нет в наличии, поставок нет
29 0511987

Пружина, Плунжер (SPRING, Plunger)

нет в наличии, поставок нет
30 0333447

Клапан, Плунжер (VALVE, Plunger)

нет в наличии, поставок нет
30 0511988

   (последний код) VALVE

нет в наличии, поставок нет
31 0510818

Клемма (TERMINAL)

нет в наличии, поставок нет
31 3854243

   (последний код) TERMINAL,RIN

нет в наличии, поставок нет
32 0330121

Винт, Крышка to Корпус (SCREW, Cover to housing)

нет в наличии, поставок нет
32 0326186

   (последний код) SCREW

нет в наличии, поставок нет
33 0332365

Фильтр, Клапан Корпус (FILTER, Valve housing)

нет в наличии, поставок нет
33 0511811

   (последний код) FILTER

нет в наличии, поставок нет
34 0512947

Клемма (TERMINAL)

нет в наличии, поставок нет
34 0910462

   (последний код) TERM.-60766-

нет в наличии, поставок нет
35 0513185

Гильза (SLEEVE)

нет в наличии, поставок нет
35 0512948

   (последний код) SLEEVE

нет в наличии, поставок нет
36 0329518

Пыльник, Основание to Шланг (GROMMET, Base to hose)

нет в наличии, поставок нет
36 3852195

   (последний код) GROMMET

нет в наличии, поставок нет
37 0314610

Воздушный винт Глушитель Основание, long (SCREW, Air silencer base, long)

нет в наличии, поставок нет
38 0328694

Воздушный винт Глушитель Основание, верхний (SCREW, Air silencer base, upper)

нет в наличии, поставок нет
38 0911122

   (последний код) SCREW

нет в наличии, поставок нет
39 0329695

Шланг, Air Глушитель drain (HOSE, Air silencer drain)

нет в наличии, поставок нет
40 0909533

Винт, Крышка to Основание (SCREW, Cover to base)

нет в наличии, поставок нет
40 0324429

   (последний код) SCREW,IMP HSG

нет в наличии, поставок нет
41 0307471

Винт, Коллектор, 120, 125ESX (SCREW, Manifold, 120, 125ESX)

нет в наличии, поставок нет
41 0307471

Винт, Коллектор, short, 140 (SCREW, Manifold, short, 140)

нет в наличии, поставок нет
41 0322906

Винт, Коллектор, long, 140 (SCREW, Manifold, long, 140)

нет в наличии, поставок нет
42 0329271

Крышка, Trunnion (COVER, Trunnion)

нет в наличии, поставок нет
43 0322831

Воздушный винт Глушитель Основание (SCREW, Air silencer base)

нет в наличии, поставок нет
44 0330118

Струбцина, Primer solenoid (CLAMP, Primer solenoid)

нет в наличии, поставок нет
45 0328724

Винт зажима (SCREW, Clamp)

нет в наличии, поставок нет
45 3852186

   (последний код) SCREW

нет в наличии, поставок нет
46 0

Шланг, Vent, 21 дюйм. сокращёная длина From 25 фут (7, 6m) Roll, 327229 (HOSE, Vent, 21 in.. Cut to Length From 25 ft. (7,6m) Roll, 327229)

нет в наличии, поставок нет
47 0331101

Прокладка крышки to Основание (GASKET, Cover to base)

нет в наличии, поставок нет
49 0333094

Кулачок дросселя (THROTTLE CAM)

нет в наличии, поставок нет
50 0435982

FUEL Коллектор (FUEL MANIFOLD)

нет в наличии, поставок нет
51 0317893

Крепёжный хомут, Primer solenoid (TIE STRAP, Primer solenoid)

нет в наличии, поставок нет
51 3852149

   (последний код) TIE-STRAP

нет в наличии, поставок нет
52 0320107

Крепёжный хомут (TIE STRAP)

нет в наличии, поставок нет
52 5035626

   (последний код) BAND,REM CON

нет в наличии, поставок нет
53 0432950

Основание, Air Глушитель (BASE, Air silencer)

нет в наличии, поставок нет
53 0334703

   (последний код) BASE-AIR-SIL

нет в наличии, поставок нет
54 0317121

FITTING, Vent (FITTING, Vent)

нет в наличии, поставок нет
55 0331526

Шланг, Коллектор to #1 carb. (HOSE, Manifold to #1 carb.)

нет в наличии, поставок нет
55 0325881

   (последний код) HOSE

нет в наличии, поставок нет
55 0

Шланг, Коллектор to #2 carb., 5 1 / 2 дюйм. сокращёная длина From 25 фут (7, 6m) Roll, 327228 (HOSE, Manifold to #2 carb., 5 1/2 in.. Cut to Length From 25 ft. (7,6m) Roll, 327228)

нет в наличии, поставок нет
55 0339266

Шланг, Коллектор to #3 carb. (HOSE, Manifold to #3 carb.)

нет в наличии, поставок нет
55 0

Шланг, Коллектор to #4 carb., 4 дюйм. сокращёная длина From 25 фут (7, 6m) Roll, 327228 (HOSE, Manifold to #4 carb., 4 in.. Cut to Length From 25 ft. (7,6m) Roll, 327228)

нет в наличии, поставок нет
55 0339267

Шланг, Коллектор to tee (HOSE, Manifold to tee)

нет в наличии, поставок нет
56 0325569

TEE, Primer Шланг (TEE, Primer hose)

нет в наличии, поставок нет
57 0

Шланг, Primer to верхний tee, 8 дюйм. сокращёная длина From 25 фут (7, 6m) Roll, 327229 (HOSE, Primer to upper tee, 8 in.. Cut to Length From 25 ft. (7,6m) Roll, 327229)

нет в наличии, поставок нет
57 0

Шланг, верхний tee to #1, 1 дюйм. сокращёная длина From 25 фут (7, 6m) Roll, 327229 (HOSE, Upper tee to #1, 1 in.. Cut to Length From 25 ft. (7,6m) Roll, 327229)

нет в наличии, поставок нет
57 0

Шланг, верхний tee to #2, 1 1 / 2 дюйм. сокращёная длина From 25 фут (7, 6m) Roll, 327229 (HOSE, Upper tee to #2, 1 1/2 in.. Cut to Length From 25 ft. (7,6m) Roll, 327229)

нет в наличии, поставок нет
57 0

Шланг, нижний tee to #3, 9 дюйм. сокращёная длина From 25 фут (7, 6m) Roll, 327229 (HOSE, Lower tee to #3, 9 in.. Cut to Length From 25 ft. (7,6m) Roll, 327229)

нет в наличии, поставок нет
57 0

Шланг, нижний tee to #4, 9 дюйм. сокращёная длина From 25 фут (7, 6m) Roll, 327229 (HOSE, Lower tee to #4, 9 in.. Cut to Length From 25 ft. (7,6m) Roll, 327229)

нет в наличии, поставок нет
58 0

Сальник, Крышка to Основание. сокращёная длина From 309044 (SEAL, Cover to base. Cut to Length From 309044)

нет в наличии, поставок нет
60 0331097

BAFFLE, Air Корпус глушителя (BAFFLE, Air silencer cover)

нет в наличии, поставок нет
60 0339109

   (последний код) BAFFLE

нет в наличии, поставок нет
61 0331098

Сальник, Baffle to carb. (SEAL, Baffle to carb.)

нет в наличии, поставок нет
evinrude

Время выполнения запроса 2.4682939052582 сек.


 
 

данный сайт носит информационный характер и не является публичной офертой

склад запчастей для водомоторной техники