вконтакте

Контактный телефон: +7 (981) 121-46-93, +7 (800) 200-90-76 , Email: parts-katalog@yandex.ru, где купить

 
 

  Логин:

Пароль:

Регистрация

www.partskatalog.ru Все каталоги Запчасти Mercury Запчасти Suzuki Запчасти Tohatsu Запчасти Honda Контакты



УВАЖАЕМЫЕ КЛИЕНТЫ!
C 19 ДЕКАБРЯ 2025 ПО 02 МАРТА 2026 ГОДА ОТДЕЛ ЗАПЧАСТЕЙ И СЕРВИС РАБОТАТЬ НЕ БУДУТ
ПРОДАЖА ЛОДОЧНЫХ МОТОРОВ В ШТАТНОМ РЕЖИМЕ
ОБ ИЗМЕНЕНИЯХ В ГРАФИКЕ РАБОТЫ ЧИТАЙТЕ НА САЙТА




Все разделы каталога запчастей на этот двигатель

назад Раздел:   вперёд

вернуться к списку узлов и деталей

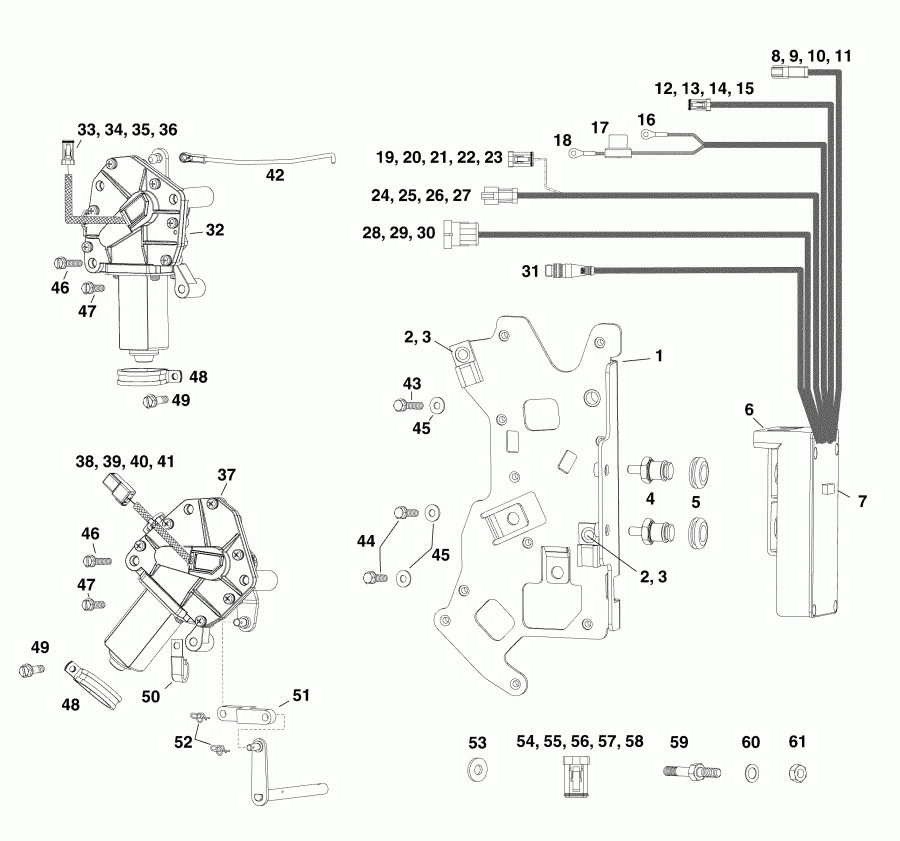
ДЕТАЛИРОВКА ДЛЯ МОДЕЛИ: EVINRUDE DE150PXAAC

04-4 ELECTRONIC ПЕРЕКЛЮЧАТЕЛЬ И ДРОССЕЛЬ | 04-4 ELECTRONIC SHIFT AND THROTTLE;


Лодочный подвесной мотор EVINRUDE DE150PXAAC  - electronic Shift And Throttle

Номер на
рисунке
АртикулНаименованиеКол-во
на складе
Цена
1 5008043

Пластина, Пускатель Креплениеing (PLATE, Actuator mounting)

нет в наличии, поставок нет
2 3011694

*Зажим, Коннектор (CLIP, Connector)

нет в наличии, поставок нет
3 0351756

*Заклёпка (RIVET)

нет в наличии, поставок нет
4 0344848

*Шпилька, ESM Креплениеing (STUD, ESM Mounting)

нет в наличии, поставок нет
5 0329518

*Пыльник, ESM Креплениеing (GROMMET, ESM mounting)

нет в наличии, поставок нет
5 3852195

   (последний код) GROMMET

нет в наличии, поставок нет
6 0587114

MODULE, Electronic servo (ESM) (MODULE, Electronic servo (ESM))

нет в наличии, поставок нет
6 0587088

   (последний код) ESM AY

нет в наличии, поставок нет
7 0764915

*Заглушка, Двигатель Ident. - 0 (1st Двигатель) (PLUG, Engine Ident. - 0 (1st engine))

нет в наличии, поставок нет
7 0764916

*Заглушка, Двигатель Ident. - 1 (2nd Двигатель) (PLUG, Engine Ident. - 1 (2nd engine))

нет в наличии, поставок нет
7 0764917

*Заглушка, Двигатель Ident. - 2 (3rd Двигатель) (PLUG, Engine Ident. - 2 (3rd engine))

нет в наличии, поставок нет
7 0764918

*Заглушка, Двигатель Ident. - 3 (4th Двигатель) (PLUG, Engine Ident. - 3 (4th engine))

нет в наличии, поставок нет
7 0764919

*Заглушка, Двигатель Ident. - 4 (5th Двигатель) (PLUG, Engine Ident. - 4 (5th engine))

нет в наличии, поставок нет
8 3011701

*Коннектор дросселя Пускатель (CONNECTOR, Throttle actuator)

нет в наличии, поставок нет
9 3011702

*LOCKWEDGE, 6-Штифт (LOCKWEDGE, 6-Pin)

нет в наличии, поставок нет
10 3011703

*Клемма, Штифт (TERMINAL, Pin)

нет в наличии, поставок нет
11 0514858

*Сальник, Заглушка (SEAL, Plug)

нет в наличии, поставок нет
12 3011704

*Коннектор, Переключатель Пускатель (CONNECTOR, Shift actuator)

нет в наличии, поставок нет
13 3011705

*LOCKWEDGE, 6 Socket Заглушка (LOCKWEDGE, 6 Socket plug)

нет в наличии, поставок нет
14 3011706

*Клемма, Socket (TERMINAL, Socket)

нет в наличии, поставок нет
15 0514858

*Сальник, Заглушка (SEAL, Plug)

нет в наличии, поставок нет
16 0600138

*Клемма Кольцо, Заземление. 0.250 дюйм (6.3 мм) (TERMINAL RING, Ground. 0.250 in. (6.3 mm))

нет в наличии, поставок нет
17 3011729

*Предохранитель, ATM 30 (FUSE, ATM 30)

нет в наличии, поставок нет
18 0204053

*Клемма, Кольцо, +12V. 0.312 дюйм (7.9 мм) (TERMINAL, Ring, +12V. 0.312 in. (7.9mm))

нет в наличии, поставок нет
18 3852037

   (последний код) TERMINAL,RIN

нет в наличии, поставок нет
19 0514685

*Коннектор, Trim & Tilt (CONNECTOR, Trim & Tilt)

нет в наличии, поставок нет
20 0514789

**Сальник, 3-Socket (SEAL, 3-Socket)

нет в наличии, поставок нет
21 0514680

*Клемма, Socket (TERMINAL, Socket)

нет в наличии, поставок нет
22 0514681

*LOCKWEDGE, 3 Socket Заглушка (LOCKWEDGE, 3 Socket plug)

нет в наличии, поставок нет
23 0514690

*Сальник, Заглушка (SEAL, Plug)

нет в наличии, поставок нет
24 0514688

*Коннектор, Двигатель Жгут проводов (CONNECTOR, Engine harness)

нет в наличии, поставок нет
25 0514684

*LOCKWEDGE, 6-Штифт (LOCKWEDGE, 6-Pin)

нет в наличии, поставок нет
26 0514679

*Клемма, Штифт (TERMINAL, Pin)

нет в наличии, поставок нет
27 0514690

*Сальник, Заглушка (SEAL, Plug)

нет в наличии, поставок нет
28 3011421

*Коннектор, EMM (CONNECTOR, EMM)

нет в наличии, поставок нет
29 3011148

*CONTACT, Male - tab (CONTACT, Male - tab)

нет в наличии, поставок нет
30 3011149

*Сальник провода (SEAL, Wire)

нет в наличии, поставок нет
31 N/A

*Коннектор, Network (CONNECTOR, Network)

нет в наличии, поставок нет
32 0587112

Пускатель Assembly, Дроссель (ACTUATOR Assembly, Throttle)

нет в наличии, поставок нет
33 3011704

*Коннектор, 6 Socket Заглушка (CONNECTOR, 6 Socket plug)

нет в наличии, поставок нет
34 3011705

*LOCKWEDGE, 6 Socket Заглушка (LOCKWEDGE, 6 Socket plug)

нет в наличии, поставок нет
35 3011706

*Клемма, Socket (TERMINAL, Socket)

нет в наличии, поставок нет
36 0514858

*Сальник, Заглушка (SEAL, Plug)

нет в наличии, поставок нет
37 0587113

Пускатель Assembly, Переключатель (ACTUATOR Assembly, Shift)

нет в наличии, поставок нет
38 3011701

*Коннектор, 6-Штифт (CONNECTOR, 6-Pin)

нет в наличии, поставок нет
39 3011702

*LOCKWEDGE, 6-Штифт (LOCKWEDGE, 6-Pin)

нет в наличии, поставок нет
40 3011703

*Клемма, Штифт (TERMINAL, Pin)

нет в наличии, поставок нет
41 0514858

*Сальник, Заглушка (SEAL, Plug)

нет в наличии, поставок нет
0765369

KIT, Installation Hardware (KIT, Installation Hardware)

нет в наличии, поставок нет
42 5008044

*Тяга дросселя Пускатель to tps (LINK, Throttle actuator to tps)

нет в наличии, поставок нет
43 0330930

*Винт, Пластина - 3 / 8-16 x 1 (25.4 мм) (SCREW, Plate - 3/8-16 x 1 (25.4 mm))

нет в наличии, поставок нет
43 0335021

   (последний код) SCREW 3/8-16

нет в наличии, поставок нет
44 0319590

*Винт, Пластина - 3 / 8-16 x 75 (19 мм) (SCREW, Plate - 3/8-16 x .75 (19 mm))

нет в наличии, поставок нет
44 3855227

   (последний код) SCREW

нет в наличии, поставок нет
45 0301161

*Шайба, Пускатель Пластина Винт (WASHER, Actuator plate screw)

нет в наличии, поставок нет
46 0333976

*Винт, Пускатель - 1 / 4-20 x 2.5 (63.5 мм) (SCREW, Actuator - 1/4-20 x 2.5 (63.5 mm))

нет в наличии, поставок нет
47 0353064

*Винт, Пускатель - 1 / 4-20 x 1.5 (38 мм) (SCREW, Actuator - 1/4-20 x 1.5 (38 mm))

нет в наличии, поставок нет
48 0354154

*Струбцина, Пускатель sвышеport (CLAMP, Actuator support)

нет в наличии, поставок нет
49 0328744

*Винт зажима - 1 / 4-20 x 75 (19 мм) (SCREW, Clamp - 1/4-20 x .75 (19 mm))

нет в наличии, поставок нет
49 0308741

   (последний код) SCREW

нет в наличии, поставок нет
50 0310439

*Струбцина, Переключатель Пускатель Кабель аккумулятора sвышеport (CLAMP, Shift actuator battery cable support)

нет в наличии, поставок нет
50 3852088

   (последний код) CLAMP,"J"

нет в наличии, поставок нет
51 0354919

*Переключающая тяга Пускатель to Рычаг (LINK, Shift actuator to lever)

нет в наличии, поставок нет
52 0333774

*Зажим, Пускатель to Переключатель Соединитель (CLIP, Actuator to shift link)

нет в наличии, поставок нет
53 0354046

*Шайба, Copper crush (WASHER, Copper crush)

нет в наличии, поставок нет
54 0586076

*Сальник Assembly, SystemCheck Коннектор (SEAL Assembly, SystemCheck connector)

нет в наличии, поставок нет
55 0514687

**Коннектор, 6 Socket Заглушка (CONNECTOR, 6 Socket plug)

нет в наличии, поставок нет
56 0514790

**Сальник, 6-Socket (SEAL, 6-Socket)

нет в наличии, поставок нет
57 0514683

**LOCKWEDGE, 6 Socket Заглушка (LOCKWEDGE, 6 Socket plug)

нет в наличии, поставок нет
58 0514690

**Сальник, Заглушка (SEAL, Plug)

нет в наличии, поставок нет
59 0341512

*Болт, Double-ended (BOLT, Double-ended)

нет в наличии, поставок нет
60 0328701

*Шайба с блокировкой (WASHER, Lock)

нет в наличии, поставок нет
60 3852182

   (последний код) WASHER,LOCK

нет в наличии, поставок нет
61 0328740

*Гайка (NUT)

нет в наличии, поставок нет
61 0306375

   (последний код) NUT

нет в наличии, поставок нет
NS 0320107

*Крепёжный хомут (TIE STRAP)

нет в наличии, поставок нет
NS 5035626

   (последний код) BAND,REM CON

нет в наличии, поставок нет
evinrude

Время выполнения запроса 1.1410460472107 сек.


 
 

данный сайт носит информационный характер и не является публичной офертой

склад запчастей для водомоторной техники