вконтакте

Контактный телефон: +7 (981) 121-46-93, +7 (800) 200-90-76 , Email: parts-katalog@yandex.ru, где купить

 
 

  Логин:

Пароль:

Регистрация

www.partskatalog.ru Все каталоги Запчасти Mercury Запчасти Suzuki Запчасти Tohatsu Запчасти Honda Контакты



УВАЖАЕМЫЕ КЛИЕНТЫ!
C 19 ДЕКАБРЯ 2025 ПО 02 МАРТА 2026 ГОДА ОТДЕЛ ЗАПЧАСТЕЙ И СЕРВИС РАБОТАТЬ НЕ БУДУТ
ПРОДАЖА ЛОДОЧНЫХ МОТОРОВ В ШТАТНОМ РЕЖИМЕ
ОБ ИЗМЕНЕНИЯХ В ГРАФИКЕ РАБОТЫ ЧИТАЙТЕ НА САЙТА




Все разделы каталога запчастей на этот двигатель

назад Раздел:   вперёд

вернуться к списку узлов и деталей

ДЕТАЛИРОВКА ДЛЯ МОДЕЛИ: EVINRUDE E115FSLSDS

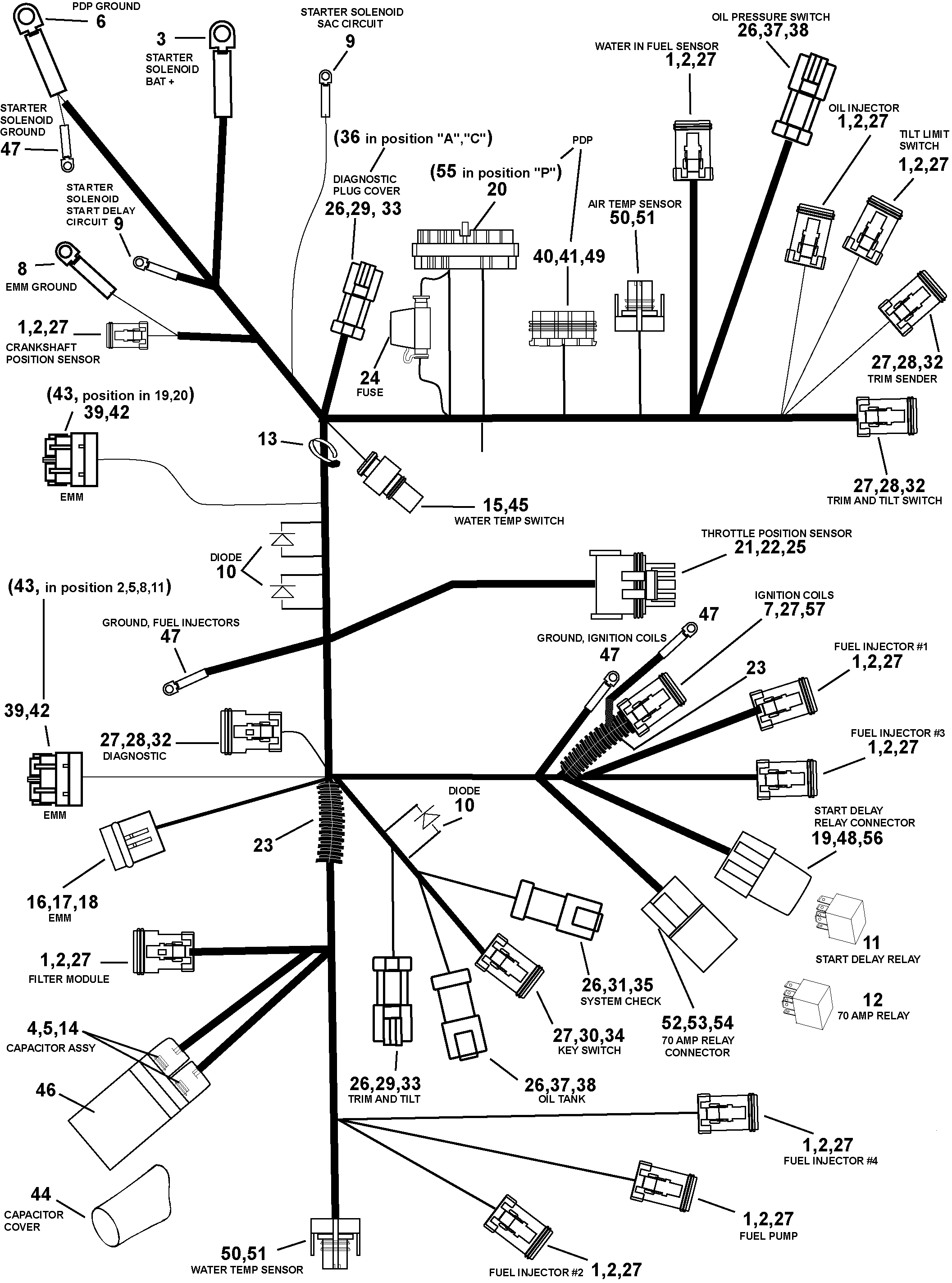
ДВИГАТЕЛЬ ЭЛЕКТРИКА - ЖГУТ ПРОВОДОВ ASSEMBLY | ENGINE ELECTRICAL HARNESS ASSEMBLY;


Лодочный подвесной мотор Эвинруд E115FSLSDS  - gine Электрика - жгут проводов Assembly

Номер на
рисунке
АртикулНаименованиеКол-во
на складе
Цена
0586716

Двигатель Жгут проводов в сборе (ENGINE HARNESS Assy)

нет в наличии, поставок нет
1 0127287

*LOCKWEDGE - 2 Socket (LOCKWEDGE - 2 Socket)

нет в наличии, поставок нет
2 0176295

*Коннектор - 2 Socket. (Includes P / N 514788 Сальник.) (CONNECTOR - 2 Socket. (Includes P/N 514788 Seal.))

нет в наличии, поставок нет
3 0204053

*Клемма, Кольцо, Solenoid Bat + (TERMINAL, Ring, Solenoid Bat +)

нет в наличии, поставок нет
3 3852037

   (последний код) TERMINAL,RIN

нет в наличии, поставок нет
4 0327283

*Шайба с блокировкой, Колпачокacitor Винт (WASHER, Lock, Capacitor screw)

нет в наличии, поставок нет
5 0332067

*Винт, Колпачокacitor leads (SCREW, Capacitor leads)

нет в наличии, поставок нет
6 0204363

*Клемма, Кольцо, PDP Заземление (TERMINAL, Ring, PDP Ground)

нет в наличии, поставок нет
6 3852038

   (последний код) TERMINAL,RIN

нет в наличии, поставок нет
7 0176529

*Коннектор, 4 Socket. (Includes P / N 514769 Сальник.) (CONNECTOR, 4 Socket. (Includes P/N 514769 Seal.))

нет в наличии, поставок нет
8 0510818

*Клемма, Кольцо, EMM Заземление (TERMINAL, Ring, EMM ground)

нет в наличии, поставок нет
8 3854243

   (последний код) TERMINAL,RIN

нет в наличии, поставок нет
9 0511829

*Клемма, Кольцо, SAC Circuit (TERMINAL, Ring, SAC Circuit)

нет в наличии, поставок нет
9 3852233

   (последний код) TERMINAL,RIN

нет в наличии, поставок нет
10 0583898

*DIODE KIT (DIODE KIT)

нет в наличии, поставок нет
10 3852258

   (последний код) KIT-AY,DIODE

нет в наличии, поставок нет
11 0586224

*Реле, Start Delay (RELAY, Start Delay)

1 шт2730 руб.
11 3857533

   (последний код) RELAY AY

нет в наличии, поставок нет
12 0586397

*Реле, 70 AMP (RELAY, 70 AMP)

нет в наличии, поставок нет
13 0320107

*Крепёжный хомут, Жгут проводов to cyl в сборе, stbd (TIE STRAP, Harness to cyl assy, stbd)

нет в наличии, поставок нет
13 5035626

   (последний код) BAND,REM CON

нет в наличии, поставок нет
14 0512550

*Клемма, Кольцо, Колпачокacitor (TERMINAL, Ring, Capacitor)

нет в наличии, поставок нет
14 3852235

   (последний код) TERMINAL,RIN

нет в наличии, поставок нет
15 0513356

*Коннектор - 1 Socket, Water temp (CONNECTOR - 1 Socket, Water temp)

нет в наличии, поставок нет
16 0513664

*Коннектор - 2 Коннектор, EMM. (Includes P / N 911729 Уплотнительное кольцо.) (CONNECTOR - 2 Connector, EMM. (Includes P/N 911729 O-Ring.))

нет в наличии, поставок нет
16 3852250

   (последний код) CONN,2-CONT

нет в наличии, поставок нет
17 0513665

*Заглушка, Коннектор Сальник (PLUG, Connector seal)

нет в наличии, поставок нет
17 3852251

   (последний код) PLUG,CONN SEAL

нет в наличии, поставок нет
18 0513667

*Клемма, Внешняя розетка (TERMINAL, Receptacle)

нет в наличии, поставок нет
18 3852253

   (последний код) TERMINAL,RCP

нет в наличии, поставок нет
19 0511866

*Коннектор - 5 Клемма male (CONNECTOR - 5 Terminal male)

нет в наличии, поставок нет
20 0513439

*Клемма, Socket (TERMINAL, Socket)

нет в наличии, поставок нет
21 0513773

*Клемма, Штифт (TERMINAL, Pin)

нет в наличии, поставок нет
22 0514485

**Сальник (SEAL)

нет в наличии, поставок нет
23 3010608

*Трубопровод, Convoluted. (сокращёная длина from bulk roll.) (TUBING, Convoluted. (Cut to length from bulk roll.))

нет в наличии, поставок нет
24 0514768

*Предохранитель, 20 AMP (FUSE, 20 AMP)

нет в наличии, поставок нет
25 0514591

*Коннектор - 3 Штифт. (Includes P / N 3010398 Сальник.) (CONNECTOR - 3 Pin. (Includes P/N 3010398 Seal.))

нет в наличии, поставок нет
26 0514679

*Клемма, Штифт (TERMINAL, Pin)

нет в наличии, поставок нет
27 0514680

*Клемма, Socket (TERMINAL, Socket)

нет в наличии, поставок нет
28 0514681

*LOCK WEDGE - 3 Socket (LOCK WEDGE - 3 Socket)

нет в наличии, поставок нет
29 0514682

*LOCK WEDGE - 3 Штифт (LOCK WEDGE - 3 Pin)

нет в наличии, поставок нет
30 0514683

*LOCK WEDGE - 6 Socket (LOCK WEDGE - 6 Socket)

нет в наличии, поставок нет
31 0514684

*LOCK WEDGE - 6 Штифт (LOCK WEDGE - 6 Pin)

нет в наличии, поставок нет
32 0514685

*Коннектор - 3 Socket. (Includes P / N 514789 Сальник.) (CONNECTOR - 3 Socket. (Includes P/N 514789 Seal.))

нет в наличии, поставок нет
33 0514686

*Коннектор - 3 Штифт (CONNECTOR - 3 Pin)

нет в наличии, поставок нет
34 0514687

*Коннектор - 6 Socket. (Includes P / N 514790 Сальник.) (CONNECTOR - 6 Socket. (Includes P/N 514790 Seal.))

нет в наличии, поставок нет
35 0514688

*Коннектор - 6 Штифт (CONNECTOR - 6 Pin)

нет в наличии, поставок нет
36 0514690

*Заглушка, Сальникing (PLUG, Sealing)

нет в наличии, поставок нет
37 0514696

*Коннектор - 2 Штифт (CONNECTOR - 2 Pin)

нет в наличии, поставок нет
38 0514697

*LOCK, WEDGE - 2 Штифт (LOCK, WEDGE - 2 Pin)

нет в наличии, поставок нет
39 0514740

*Коннектор - 24 Socket (CONNECTOR - 24 Socket)

нет в наличии, поставок нет
40 0514823

*Клемма (TERMINAL)

нет в наличии, поставок нет
41 0514824

*Коннектор - 4 Socket (CONNECTOR - 4 Socket)

нет в наличии, поставок нет
42 0514856

*Клемма (TERMINAL)

нет в наличии, поставок нет
43 0514858

*Заглушка, Сальникing (PLUG, Sealing)

нет в наличии, поставок нет
44 0514889

*Крышка, Колпачокacitor (COVER, Capacitor)

нет в наличии, поставок нет
44 0351001

   (последний код) COVER

нет в наличии, поставок нет
45 0581656

*Клемма в сборе, Socket (TERMINAL Assy, Socket)

нет в наличии, поставок нет
45 3852257

   (последний код) TERMINAL AY,SCKT

нет в наличии, поставок нет
46 3010206

*КолпачокACITOR (CAPACITOR)

нет в наличии, поставок нет
46 0586192

   (последний код) CAPACITOR AY

нет в наличии, поставок нет
47 0600138

*Клемма, Кольцо, Заземление (TERMINAL, Ring, Ground)

нет в наличии, поставок нет
48 0513166

*Клемма, Внешняя розетка (TERMINAL, Receptacle)

нет в наличии, поставок нет
48 3852246

   (последний код) TERMINAL,RCP

нет в наличии, поставок нет
49 3010023

*Сальник, Клемма (SEAL, Terminal)

нет в наличии, поставок нет
50 3010124

*Коннектор, 2 Штифт (CONNECTOR, 2 Pin)

нет в наличии, поставок нет
51 3010125

*Клемма Socket (TERMINAL Socket)

нет в наличии, поставок нет
52 3010126

*Коннектор, Реле (CONNECTOR, Relay)

нет в наличии, поставок нет
52 3010061

   (последний код) CONNECTOR,RE

нет в наличии, поставок нет
53 3010128

*Клемма, Внешняя розетка (TERMINAL, Receptacle)

нет в наличии, поставок нет
53 3010060

   (последний код) TERMINAL,RECPTL1/4

нет в наличии, поставок нет
54 3010129

*Клемма, Внешняя розетка (TERMINAL, Receptacle)

нет в наличии, поставок нет
54 3010055

   (последний код) TERMINAL,RECPTL3/8

нет в наличии, поставок нет
55 0914672

*Заглушка (PLUG)

нет в наличии, поставок нет
56 0513167

*Клемма, Внешняя розетка (TERMINAL, Receptacle)

нет в наличии, поставок нет
56 3852247

   (последний код) TERMINAL,RCP

нет в наличии, поставок нет
57 0127484

*LOCK, WEDGE - 4 Socket (LOCK,WEDGE - 4 Socket)

нет в наличии, поставок нет
evinrude

Время выполнения запроса 2.1850340366364 сек.


 
 

данный сайт носит информационный характер и не является публичной офертой

склад запчастей для водомоторной техники