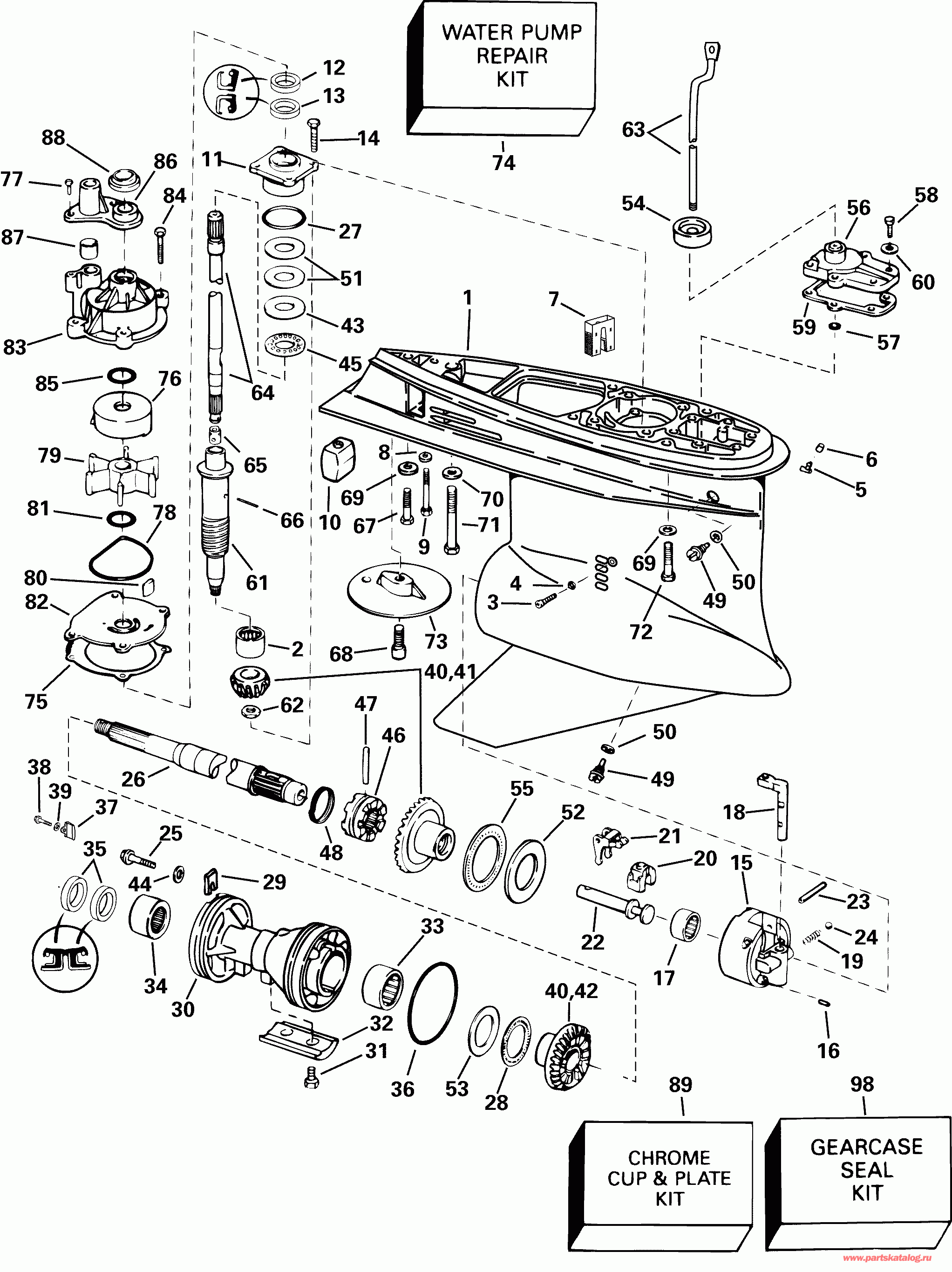
Номер на рисунке | Артикул | Наименование | Кол-во на складе | Цена |
| | 5005553 | Редуктор в сборе, комплект - голубой (GEARCASE Assy, Complete - Blue) | нет в наличии, поставок нет |
| | 5007657 | (последний код) GCASE AY,LGTNG BLU | нет в наличии, поставок нет |
| 1 | 5004912 | *Редуктор в сборе с подшипником (GEARCASE & BEARING Assy) | нет в наличии, поставок нет |
| 1 | 5007655 | (последний код) GEARCASE & BRG AY | нет в наличии, поставок нет |
| 2 | 0387817 | **Подшипник, Шестерня (BEARING, Pinion) | нет в наличии, поставок нет |
| 3 | 0324852 | **RETAINING Винт (RETAINING SCREW) | нет в наличии, поставок нет |
| 4 | 0332584 | ***Сальник, Шестерня brg Винт. Contents of Комплект сальников редуктора (SEAL, Pinion brg screw. Contents of GEARCASE SEAL KIT) | нет в наличии, поставок нет |
| 5 | 0336535 | **FITTING, Pitot Трубка (FITTING, Pitot tube) | 7 шт | 470 руб. |
| 6 | 0305749 | **Колпачок, Pitot Трубка fitting (CAP, Pitot tube fitting) | нет в наличии, поставок нет |
| 7 | 0350039 | **Водяной экран вход (SCREEN, Water inlet) | нет в наличии, поставок нет |
| 8 | 0307161 | **Блокирующая шайба анода (LOCK WASHER, Anode) | нет в наличии, поставок нет |
| 9 | 0341219 | **Винт, Анод (SCREW, Anode) | нет в наличии, поставок нет |
| 10 | 0436745 | **Анод, Редуктор (ANODE, Gearcase) | нет в наличии, поставок нет |
| 10 | 0393023 | (последний код) ANODE&INSERT AY | нет в наличии, поставок нет |
| 11 | 0439476 | *Подшипник HSG в сборе, Корпус вала передачи (BEARING HSG Assy, Drive shaft) | нет в наличии, поставок нет |
| 11 | 0438963 | (последний код) HOUSING AY,BEARING | нет в наличии, поставок нет |
| 12 | 0329922 | **Сальник, верхний Contents of Комплект сальников редуктора (SEAL, Upper. Contents of GEARCASE SEAL KIT) | нет в наличии, поставок нет |
| 13 | 0329923 | **Сальник, нижний Contents of Комплект сальников редуктора (SEAL, Lower. Contents of GEARCASE SEAL KIT) | нет в наличии, поставок нет |
| 14 | 0317624 | *Винт, Корпус to Редуктор (SCREW, Housing to gearcase) | нет в наличии, поставок нет |
| 15 | 0389455 | *Подшипник HSG в сборе, Fwd Шестерня (BEARING HSG Assy, Fwd gear) | нет в наличии, поставок нет |
| 16 | 0331880 | **Штифт, Корпус (PIN, Housing) | нет в наличии, поставок нет |
| 17 | 0389039 | **Подшипник, Fwd Шестерня (BEARING, Fwd gear) | нет в наличии, поставок нет |
| 17 | 3852223 | (последний код) BEARING-AY,N | нет в наличии, поставок нет |
| 18 | 0915954 | *DETENT, Переключательer (DETENT, Shifter) | нет в наличии, поставок нет |
| 18 | 0323946 | (последний код) DETENT | нет в наличии, поставок нет |
| 19 | 0911962 | *Фиксатор пружины (SPRING, Detent) | нет в наличии, поставок нет |
| 19 | 0915955 | (последний код) SPRING | нет в наличии, поставок нет |
| 20 | 0334163 | *CRADLE, Переключательer (CRADLE, Shifter) | 5 шт | 1880 руб. |
| 20 | 0322900 | (последний код) CRADLE-SHIFT | нет в наличии, поставок нет |
| 21 | 0322938 | *Рычаг переключателя (LEVER, Shift) | нет в наличии, поставок нет |
| 22 | 0322941 | *Переключающий вал (SHAFT, Shift) | нет в наличии, поставок нет |
| 23 | 0328825 | *Штифт, Рычаг переключения (PIN, Shift lever) | нет в наличии, поставок нет |
| 24 | 0160084 | *Шарик, Detent (BALL, Detent) | нет в наличии, поставок нет |
| 24 | 3852023 | (последний код) BALL | нет в наличии, поставок нет |
| 25 | 0350271 | *Винт, Фиксатор tab (SCREW, Retainer tab) | нет в наличии, поставок нет |
| 25 | 0341541 | (последний код) SCREW | нет в наличии, поставок нет |
| 26 | 5004765 | *Вал гребного винта (PROPELLER SHAFT) | нет в наличии, поставок нет |
| 26 | 0436740 | (последний код) SHAFT AY,PROPELLER | нет в наличии, поставок нет |
| 27 | 0314728 | *Уплотнительное кольцо, DriveВал Подшипник hsg. Contents of Комплект сальников редуктора (O-RING, Driveshaft bearing hsg. Contents of GEARCASE SEAL KIT) | нет в наличии, поставок нет |
| 27 | 0354731 | (последний код) O-RING | 1 шт | 850 руб. |
| 28 | 0382408 | *THRUST Подшипник, Reverse Шестерня (THRUST BEARING, Reverse gear) | нет в наличии, поставок нет |
| 29 | 0333957 | *TAB, Фиксатор (TAB, Retainer) | нет в наличии, поставок нет |
| 30 | 5004257 | *Подшипник HSG в сборе, Вал гребного винта (BEARING HSG Assy, Propshaft) | нет в наличии, поставок нет |
| 30 | 5000605 | (последний код) HSG AY, PROPSHAFT | нет в наличии, поставок нет |
| 31 | 0908158 | **Винт, Анод (SCREW, Anode) | нет в наличии, поставок нет |
| 31 | 3852050 | (последний код) SCREW | нет в наличии, поставок нет |
| 32 | 0431708 | **Анод, Подшипник Корпус (ANODE, Bearing housing) | нет в наличии, поставок нет |
| 32 | 0397111 | (последний код) ANODE-AY | нет в наличии, поставок нет |
| 33 | 0382407 | **Игольчатый подшипник в сборе, Front (NEEDLE BEARING Assy, Front) | 1 шт | 5500 руб. |
| 34 | 0436752 | **Игольчатый подшипник в сборе, Rear (NEEDLE BEARING Assy, Rear) | нет в наличии, поставок нет |
| 35 | 0334950 | **Сальник, Prop Вал. Contents of Комплект сальников редуктора (SEAL, Prop shaft. Contents of GEARCASE SEAL KIT) | нет в наличии, поставок нет |
| 36 | 0305123 | **Уплотнительное кольцо, Корпус вала гребного винта. Contents of Комплект сальников редуктора (O-RING, Propeller shaft housing. Contents of GEARCASE SEAL KIT) | нет в наличии, поставок нет |
| 36 | 0321119 | (последний код) O-RING,-DLR | нет в наличии, поставок нет |
| 37 | 0349001 | **WEDGE, Вал гребного винта hsg to GC (WEDGE, Propshaft hsg to GC) | нет в наличии, поставок нет |
| 37 | 0345999 | (последний код) WEDGE | нет в наличии, поставок нет |
| 38 | 0916070 | **Винт, Wedge (SCREW, Wedge) | нет в наличии, поставок нет |
| 38 | 3853661 | (последний код) SCREW | нет в наличии, поставок нет |
| 39 | 0345998 | **Шайба, Wedge Винт (WASHER, Wedge screw) | нет в наличии, поставок нет |
| 40 | 5004218 | *Шестерня SET, Fwd, Rev, Шестерня (GEAR SET, Fwd, Rev, Pinion) | нет в наличии, поставок нет |
| 40 | 5001547 | (последний код) GEARSET | нет в наличии, поставок нет |
| 42 | 0336561 | **Шестерня обратного хода (GEAR, Reverse) | нет в наличии, поставок нет |
| 43 | 0327656 | *Упорная шайба приводного валаt (THRUST WASHER, Driveshaft) | нет в наличии, поставок нет |
| 43 | 0314729 | (последний код) THRUST-WASHE | нет в наличии, поставок нет |
| 44 | 0328743 | *Шайба, Tab Винт (WASHER, Tab screw) | нет в наличии, поставок нет |
| 44 | 3852191 | (последний код) WASHER | нет в наличии, поставок нет |
| 45 | 0387656 | *THRUST Подшипник, DriveВал (THRUST BEARING, Driveshaft) | нет в наличии, поставок нет |
| 45 | 0383248 | (последний код) BEARING | нет в наличии, поставок нет |
| 46 | 0337774 | *Переключатель собачки сцепления (SHIFTER, Clutch dog) | нет в наличии, поставок нет |
| 46 | 0910995 | (последний код) SHIFTER | нет в наличии, поставок нет |
| 47 | 0313448 | *Штифт сцепления dog (PIN, Clutch dog) | нет в наличии, поставок нет |
| 48 | 0324369 | *Пружина, Сцепление dog Штифт (SPRING, Clutch dog pin) | нет в наличии, поставок нет |
| 48 | 0313454 | (последний код) SPRING | нет в наличии, поставок нет |
| 49 | 0318544 | *Винт, Fill & drain. Contents of Комплект сальников редуктора (SCREW, Fill & drain. Contents of GEARCASE SEAL KIT) | нет в наличии, поставок нет |
| 49 | 0912624 | (последний код) SCREW | нет в наличии, поставок нет |
| 50 | 0311598 | **Сальник, Fill & Дренажный винт (SEAL, Fill & drain screw) | нет в наличии, поставок нет |
| 50 | 3852105 | (последний код) WASHER | нет в наличии, поставок нет |
| 51 | 0323362 | *Регулировочная шайба, 0.003 дюйм (0, 07 мм) (SHIM, 0.003 in. (0,07mm)) | нет в наличии, поставок нет |
| 51 | 0323361 | *Регулировочная шайба, 0.004 дюйм (0, 10 мм) (SHIM, 0.004 in. (0,10mm)) | нет в наличии, поставок нет |
| 51 | 0314745 | *Регулировочная шайба, 0.005 дюйм (0, 12 мм) (SHIM, 0.005 in. (0,12mm)) | нет в наличии, поставок нет |
| 52 | 0327669 | *Упорная шайба, дляward Шестерня (THRUST WASHER, Forward gear) | нет в наличии, поставок нет |
| 52 | 0324805 | (последний код) THRUST-WASHE | нет в наличии, поставок нет |
| 53 | 0314731 | *THRUST Шайба шестерни заднего хода (THRUST WASHER, Reverse gear) | нет в наличии, поставок нет |
| 54 | 0321008 | *Пыльник, Exh hsg to Переключающая тяга (GROMMET, Exh hsg to shift rod) | нет в наличии, поставок нет |
| 55 | 0389042 | *THRUST BRG, Fwd Шестерня (THRUST BRG, Fwd gear) | нет в наличии, поставок нет |
| 56 | 5006241 | *Крышка & Сальник в сборе, Переключающая тяга. New для 2005 (COVER & SEAL Assy, Shift rod. New for 2005) | нет в наличии, поставок нет |
| 56 | 5004598 | (последний код) COVER & SEAL AY | нет в наличии, поставок нет |
| 57 | 0318372 | **Уплотнительное кольцо переключающей тяги, входит в комплект сальников редуктора (O-RING, Shift rod. Contents of GEARCASE SEAL KIT) | нет в наличии, поставок нет |
| 58 | 0302325 | *Винт крышки переключающей тяги (SCREW, Shift rod cover) | нет в наличии, поставок нет |
| 59 | 0352165 | *Прокладка, Переключающая тяга Крышка. New для 2005, Contents of Комплект сальников редуктора (GASKET, Shift rod cover. New for 2005, Contents of GEARCASE SEAL KIT) | 2 шт | 550 руб. |
| 59 | 0324670 | (последний код) GASKET, DLR 5-PK | нет в наличии, поставок нет |
| 60 | 0328702 | *Шайба, Переключающая тяга Крышка Винт (WASHER, Shift rod cover screw) | нет в наличии, поставок нет |
| 60 | 3852183 | (последний код) WASHER | нет в наличии, поставок нет |
| 61 | 0345905 | *DRIVEВал, нижний (DRIVESHAFT, Lower) | нет в наличии, поставок нет |
| 61 | 0335677 | (последний код) DRIVESHAFT,L | нет в наличии, поставок нет |
| 62 | 0314730 | *Гайка, Шестерня to driveВал (NUT, Pinion to driveshaft) | нет в наличии, поставок нет |
| 63 | 0342994 | Переключающая тяга (SHIFT ROD) | нет в наличии, поставок нет |
| 64 | 5000615 | Приводной вал, верхний (DRIVESHAFT Assy, Upper) | нет в наличии, поставок нет |
| 64 | 0436234 | (последний код) KIT,UPPER D/S-20" | нет в наличии, поставок нет |
| 65 | 0338504 | *Фиксатор приводного вала (RETAINER, Driveshaft) | нет в наличии, поставок нет |
| 66 | 0311538 | *ROLL Штифт, DriveВал (ROLL PIN, Driveshaft) | нет в наличии, поставок нет |
| 67 | 0330263 | Винт, Креплениеing, 3 / 8 дюйм X 3.50 дюйм (SCREW, Mounting, 3/8 in. X 3.50 in.) | нет в наличии, поставок нет |
| 67 | 0914534 | (последний код) SCREW | нет в наличии, поставок нет |
| 68 | 0313715 | Винт, Пластина трима Крышка (SCREW, Trim tab cover) | нет в наличии, поставок нет |
| 69 | 0330266 | Монтажная шайба Винт, 3 / 8 дюйм (WASHER, Mounting screw, 3/8 in.) | нет в наличии, поставок нет |
| 69 | 3852200 | (последний код) WASHER | нет в наличии, поставок нет |
| 70 | 0330265 | Монтажная шайба Винт, 7 / 16 дюйм (WASHER, Mounting screw, 7/16 in.) | нет в наличии, поставок нет |
| 71 | 0331998 | Винт, Креплениеing, 7 / 16 дюйм X 3.50 дюйм (SCREW, Mounting, 7/16 in. X 3.50 in.) | нет в наличии, поставок нет |
| 71 | 0914535 | (последний код) SCREW | нет в наличии, поставок нет |
| 72 | 0331999 | Винт, Креплениеing, 3 / 8 дюйм X 1.75 дюйм (SCREW, Mounting, 3/8 in. X 1.75 in.) | нет в наличии, поставок нет |
| 72 | 0910457 | (последний код) SCREW | нет в наличии, поставок нет |
| 73 | 0336284 | Крышка, Пластина трима opening (COVER, Trim tab opening) | нет в наличии, поставок нет |
| 74 | 5001595 | Ремкомплект водяного насоса (WATER PUMP REPAIR KIT) | нет в наличии, поставок нет |
| 74 | 0435929 | (последний код) KIT AY,WATER PUMP | нет в наличии, поставок нет |
| 75 | 0338484 | *Прокладка крыльчатки Пластина. Contents of Комплект сальников редуктора (GASKET, Impeller plate. Contents of GEARCASE SEAL KIT) | нет в наличии, поставок нет |
| 75 | 0324701 | (последний код) GASKET,-DRL5 | нет в наличии, поставок нет |
| 76 | 0338486 | *Cвыше, Крыльчатка- (Stainless) (CUP, Impeller-(Stainless)) | нет в наличии, поставок нет |
| 77 | 0306643 | *Винт, Крышка to Крыльчатка hsg (SCREW, Cover to impeller hsg) | нет в наличии, поставок нет |
| 77 | 3852066 | (последний код) SCREW | нет в наличии, поставок нет |
| 78 | 0331353 | *Сальник, Крыльчатка Корпус Пластина (SEAL, Impeller housing plate) | 1 шт | 790 руб. |
| 79 | 5001593 | *Крыльчатка в сборе (IMPELLER Assy) | нет в наличии, поставок нет |
| 79 | 0435821 | (последний код) KIT AY,IMPELLER | нет в наличии, поставок нет |
| 80 | 0331107 | *Ключ, Крыльчатка (KEY, Impeller) | нет в наличии, поставок нет |
| 81 | 0302035 | *Уплотнительное кольцо между крыльчаткой и пластиной (O-RING, Impeller to plate) | нет в наличии, поставок нет |
| 82 | 0338485 | *Пластина корпуса крыльчатки- (Stainless) (PLATE, Impeller hsg-(Stainless)) | нет в наличии, поставок нет |
| 83 | 0435959 | *Крыльчатка Корпус (IMPELLER HOUSING) | нет в наличии, поставок нет |
| 84 | 0302325 | *Винт, Крыльчатка Корпус (SCREW, Impeller housing) | нет в наличии, поставок нет |
| 85 | 0331188 | *Уплотнительное кольцо, Cвыше to Корпус (O-RING, Cup to housing) | 5 шт | 370 руб. |
| 86 | 0338893 | *Колпак крыльчатки Корпус (COVER, Impeller housing) | нет в наличии, поставок нет |
| 86 | 0321159 | (последний код) COVER-IMP-HS | нет в наличии, поставок нет |
| 87 | 0314008 | *Пыльник водяной трубки to Крышка (GROMMET, Water tube to cover) | нет в наличии, поставок нет |
| 88 | 0320943 | *Пыльник, Помпа to exh hsg (GROMMET, Pump to exh hsg) | 1 шт | 300 руб. |
| 89 | 0435526 | CHROME Cвыше & Пластина KIT (CHROME CUP & PLATE KIT) | нет в наличии, поставок нет |
| 89 | 0395059 | (последний код) CHROME PUMP KIT | нет в наличии, поставок нет |
| 90 | 0338551 | *Cвыше, Крыльчатка- (Chrome) Not shown (CUP, Impeller-(Chrome). Not shown) | нет в наличии, поставок нет |
| | 0338552 | *Пластина корпуса крыльчатки- (Chrome) Not shown (PLATE, Impeller hsg-(Chrome). Not shown) | нет в наличии, поставок нет |
| 98 | 5000411 | Комплект сальников редуктора (GEARCASE SEAL KIT) | нет в наличии, поставок нет |
| 98 | 5006373 | (последний код) KIT AY,SEAL-GC | нет в наличии, поставок нет |