вконтакте

Контактный телефон: +7 (981) 121-46-93, +7 (800) 200-90-76 , Email: parts-katalog@yandex.ru, где купить

 
 

  Логин:

Пароль:

Регистрация

www.partskatalog.ru Все каталоги Запчасти Mercury Запчасти Suzuki Запчасти Tohatsu Запчасти Honda Контакты



УВАЖАЕМЫЕ КЛИЕНТЫ!
C 19 ДЕКАБРЯ 2025 ПО 02 МАРТА 2026 ГОДА ОТДЕЛ ЗАПЧАСТЕЙ И СЕРВИС РАБОТАТЬ НЕ БУДУТ
ПРОДАЖА ЛОДОЧНЫХ МОТОРОВ В ШТАТНОМ РЕЖИМЕ
ОБ ИЗМЕНЕНИЯХ В ГРАФИКЕ РАБОТЫ ЧИТАЙТЕ НА САЙТА




Все разделы каталога запчастей на этот двигатель

назад Раздел:   вперёд

вернуться к списку узлов и деталей

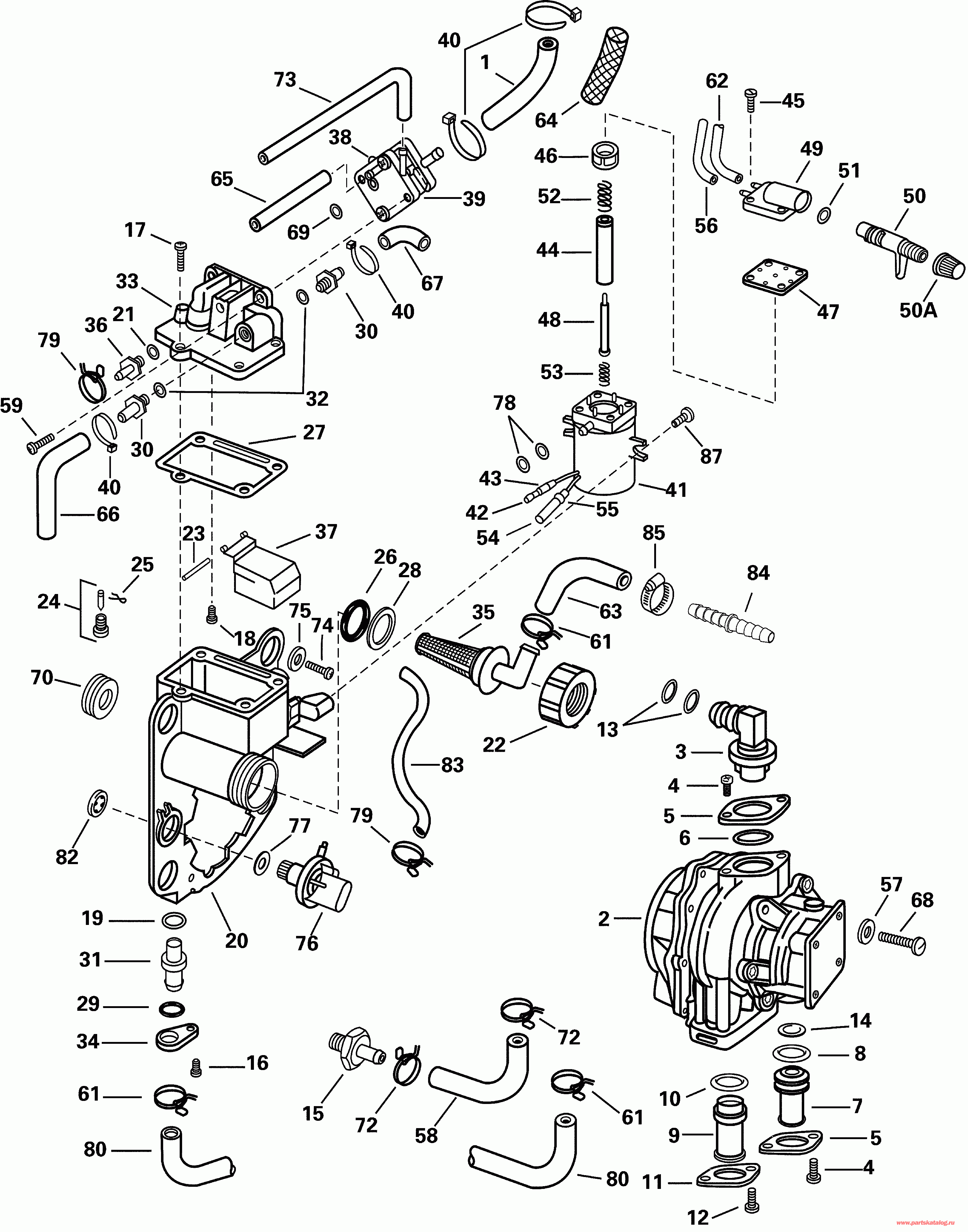
ДЕТАЛИРОВКА ДЛЯ МОДЕЛИ: EVINRUDE E150WPLSIF commercial, elec start, TNT,

FUEL КРОНШТЕЙН & COMPONENTS | FUEL BRACKET & COMPONENTS;


Мотор Evinrude E150WPLSIF commercial, elec start, TNT,   - el Bracket & Components - el Кронштейн & Components

Номер на
рисунке
АртикулНаименованиеКол-во
на складе
Цена
1 0336318

Шланг, Pulse, vapor Помпа to ccase Крышка (HOSE, Pulse, vapor pump to ccase cover)

нет в наличии, поставок нет
2 0438402

Топливный насос в сборе. (FUEL PUMP ASSY.)

нет в наличии, поставок нет
2 5007422

   (последний код) KIT,PREMIX PMP&LMT

нет в наличии, поставок нет
3 0345238

*FITTING, Fuel выход (FITTING, Fuel outlet)

нет в наличии, поставок нет
3 0343163

   (последний код) NIPPLE,OUTLET

нет в наличии, поставок нет
4 0124549

*Винт, Фиксатор (SCREW, Retainer)

нет в наличии, поставок нет
5 0343172

*Фиксатор, Fitting (RETAINER, Fitting)

нет в наличии, поставок нет
6 0335230

*Уплотнительное кольцо, выход fitting (O-RING, Outlet fitting)

нет в наличии, поставок нет
7 0343852

*FITTING, Fuel вход (FITTING, Fuel inlet)

нет в наличии, поставок нет
8 0124378

*Уплотнительное кольцо, вход fitting (O-RING, Inlet fitting)

нет в наличии, поставок нет
8 3852011

   (последний код) O-RING

нет в наличии, поставок нет
9 0340186

*FITTING, Pulse (FITTING, Pulse)

нет в наличии, поставок нет
10 0125203

*Уплотнительное кольцо, Pulse fitting (O-RING, Pulse fitting)

нет в наличии, поставок нет
11 0340201

*Фиксатор, Pulse fitting (RETAINER, Pulse fitting)

нет в наличии, поставок нет
12 0125212

*Винт, Фиксатор (SCREW, Retainer)

нет в наличии, поставок нет
13 0335230

*Уплотнительное кольцо, Fitting to Кронштейн (O-RING, Fitting to bracket)

нет в наличии, поставок нет
14 0124943

*Обратный клапан (CHECK VALVE)

нет в наличии, поставок нет
15 0435009

*PULSE LIMITER (PULSE LIMITER)

нет в наличии, поставок нет
15 3852225

   (последний код) LIMITER-AY,P

нет в наличии, поставок нет
0436695

Пароотделитель в сборе.. (Not Shown.) (VAPOR SEPARATOR ASSY.. (Not Shown.))

нет в наличии, поставок нет
16 0326164

*Винт, Ниппель Фиксатор to Кронштейн (SCREW, Nipple retainer to bracket)

нет в наличии, поставок нет
17 0328649

*Винт, Крышка (SCREW, Cover)

нет в наличии, поставок нет
17 0337541

   (последний код) SCREW

нет в наличии, поставок нет
18 0326164

*Винт, Hinge Штифт to separator (SCREW, Hinge pin to separator)

нет в наличии, поставок нет
19 0333639

*Уплотнительное кольцо, Vapor sep. Ниппель to brkt. (O-RING, Vapor sep. nipple to brkt.)

нет в наличии, поставок нет
20 0335240

*Кронштейн, Fuel components (BRACKET, Fuel components)

нет в наличии, поставок нет
21 0332437

*Уплотнительное кольцо, Vapor sep. vacuum Ниппель (O-RING, Vapor sep. vacuum nipple)

нет в наличии, поставок нет
22 0335112

*Гайка, Топливный фильтр (NUT, Fuel filter)

нет в наличии, поставок нет
23 0336650

*Штифт, Vapor Поплавок в сборе. (PIN, Vapor float assy.)

нет в наличии, поставок нет
24 0396521

*Клапан поплавка в сборе., Пароотделитель (FLOAT VALVE ASSY., Vapor separator)

нет в наличии, поставок нет
24 0678882

   (последний код) VALVE-&-SEAT

нет в наличии, поставок нет
25 0336842

**Пружина Зажим (SPRING CLIP)

нет в наличии, поставок нет
25 0603145

   (последний код) CLIP

нет в наличии, поставок нет
26 0124369

*Уплотнительное кольцо, Фильтр to Пароотделитель (O-RING, Filter to vapor separator)

нет в наличии, поставок нет
27 0335236

*Сальник, Пароотделитель to Кронштейн (SEAL, Vapor separator to bracket)

нет в наличии, поставок нет
28 0327270

*Прокладка, Топливный фильтр (GASKET, Fuel filter)

нет в наличии, поставок нет
28 0329716

   (последний код) GASKET

нет в наличии, поставок нет
29 0331365

*Уплотнительное кольцо, Пароотделитель (O-RING, Vapor separator)

нет в наличии, поставок нет
29 0326721

   (последний код) O-RING

нет в наличии, поставок нет
30 0343576

*Ниппель, Fuel выход (NIPPLE, Fuel outlet)

нет в наличии, поставок нет
30 0335233

   (последний код) NIPPLE

нет в наличии, поставок нет
31 0335234

*Ниппель, Пароотделитель выход (NIPPLE, Vapor separator outlet)

нет в наличии, поставок нет
32 0305739

*Уплотнительное кольцо, Ниппель, Крышка to Коллектор (O-RING, Nipple, cover to manifold)

нет в наличии, поставок нет
32 0900224

   (последний код) O RING

нет в наличии, поставок нет
33 0335385

*Крышка пароотделителя (COVER, Vapor separator)

нет в наличии, поставок нет
34 0335685

*Фиксатор, выход Ниппель to Кронштейн (RETAINER, Outlet nipple to bracket)

нет в наличии, поставок нет
35 0433190

*Топливный фильтр в сборе. (FUEL FILTER ASSY.)

нет в наличии, поставок нет
36 0326467

*Ниппель, Vapor sep., vacuum pick-выше (NIPPLE, Vapor sep., vacuum pick-up)

нет в наличии, поставок нет
36 0335235

   (последний код) NIPPLE

нет в наличии, поставок нет
37 0433410

*Поплавок & Рычаг в сборе., Vapor sep. (FLOAT & ARM ASSY., Vapor sep.)

нет в наличии, поставок нет
38 0433352

Помпа в сборе., Vapor (PUMP ASSY., Vapor)

нет в наличии, поставок нет
39 0331307

*Диафрагма, Main (DIAPHRAGM, Main)

1 шт360 руб.
39 0312617

   (последний код) DIAPHRAGM

1 шт280 руб.
40 0320107

Крепёжный хомут (TIE STRAP)

нет в наличии, поставок нет
40 5035626

   (последний код) BAND,REM CON

нет в наличии, поставок нет
41 0437232

Соленоид, в сборе., Primer (SOLENOID ASSY., Primer)

нет в наличии, поставок нет
41 0433374

   (последний код) SOLENOID AY,PRIMER

нет в наличии, поставок нет
42 0512947

*Клемма, Bullet (TERMINAL, Bullet)

нет в наличии, поставок нет
42 0910462

   (последний код) TERM.-60766-

нет в наличии, поставок нет
43 0513185

*Гильза (SLEEVE)

нет в наличии, поставок нет
43 0512948

   (последний код) SLEEVE

нет в наличии, поставок нет
44 0511809

*Плунжер (PLUNGER)

нет в наличии, поставок нет
45 0330121

*Винт, Крышка to Корпус (SCREW, Cover to housing)

нет в наличии, поставок нет
45 0326186

   (последний код) SCREW

нет в наличии, поставок нет
46 0332365

*Фильтр, Клапан Корпус (FILTER, Valve housing)

нет в наличии, поставок нет
46 0511811

   (последний код) FILTER

нет в наличии, поставок нет
47 0341297

*Прокладка, Корпус (GASKET, Housing)

нет в наличии, поставок нет
48 0333447

*Клапан, Плунжер (VALVE, Plunger)

нет в наличии, поставок нет
48 0511988

   (последний код) VALVE

нет в наличии, поставок нет
49 0341071

*Крышка, Solenoid (COVER, Solenoid)

нет в наличии, поставок нет
50 0175158

*Клапан в сборе., Maintenance (VALVE ASSY., Maintenance)

нет в наличии, поставок нет
50A 0126341

**Колпачок Клапан (CAP VALVE)

нет в наличии, поставок нет
51 0331365

**Уплотнительное кольцо, Клапан (O-RING, Valve)

нет в наличии, поставок нет
51 0326721

   (последний код) O-RING

нет в наличии, поставок нет
52 0511986

*Пружина клапана (SPRING, Valve)

нет в наличии, поставок нет
53 0511987

*Пружина, Плунжер (SPRING, Plunger)

нет в наличии, поставок нет
54 0512876

*Клемма, Socket (TERMINAL, Socket)

нет в наличии, поставок нет
54 3852244

   (последний код) TERMINAL,SOC

нет в наличии, поставок нет
55 0513186

*Гильза (SLEEVE)

нет в наличии, поставок нет
55 3852248

   (последний код) SLEEVE,SKT-B

нет в наличии, поставок нет
56 0

Шланг, Primer solenoid to stbd. primer Ниппель, 14 дюйм (356 мм) сокращёная длина from PN 327229 (HOSE, Primer solenoid to stbd. primer nipple, 14 in. (356mm). Cut to length from PN 327229)

нет в наличии, поставок нет
57 0328735

Шайба, Винт, Помпа to Кронштейн (WASHER, Screw, pump to bracket)

нет в наличии, поставок нет
57 3852188

   (последний код) WASHER

нет в наличии, поставок нет
58 0333407

Шланг, Pulse (HOSE, Pulse)

нет в наличии, поставок нет
58 0326597

   (последний код) HOSE

нет в наличии, поставок нет
59 0335229

Винт, Vapor Помпа to Крышка (SCREW, Vapor pump to cover)

нет в наличии, поставок нет
59 0337540

   (последний код) SCREW

нет в наличии, поставок нет
61 0339279

Струбцина топливного шланга (CLAMP, Fuel hose)

нет в наличии, поставок нет
62 0

Шланг, Primer solenoid to port primer Ниппельs, 10 1 / 2 дюйм (267 мм) сокращёная длина from PN 327229 (HOSE, Primer solenoid to port primer nipples, 10 1/2 in. (267mm). Cut to length from PN 327229)

нет в наличии, поставок нет
63 0349010

Топливный шланг Коннектор to Фильтр (HOSE, Fuel connector to filter)

нет в наличии, поставок нет
64 0513816

Гильза, Pulse Шланг (SLEEVE, Pulse hose)

нет в наличии, поставок нет
65 0

Шланг, Vapor Помпа to нижний brg. vent Ниппель, 17 дюйм (432 мм) сокращёная длина from PN 340848 (HOSE, Vapor pump to lower brg. vent nipple, 17 in. (432mm). Cut to length from PN 340848)

нет в наличии, поставок нет
66 0336131

Шланг, Кронштейн to stbd. Коллектор (HOSE, Bracket to stbd. manifold)

нет в наличии, поставок нет
67 0336132

Шланг, Кронштейн to port Коллектор (HOSE, Bracket to port manifold)

нет в наличии, поставок нет
68 0328649

Винт, Помпа to Кронштейн (SCREW, Pump to bracket)

нет в наличии, поставок нет
68 0337541

   (последний код) SCREW

нет в наличии, поставок нет
69 0332437

Уплотнительное кольцо, Vapor Помпа to sep. Крышка (O-RING, Vapor pump to sep. cover)

нет в наличии, поставок нет
70 0329518

Пыльник, Кронштейн to powerhead (GROMMET, Bracket to powerhead)

нет в наличии, поставок нет
70 3852195

   (последний код) GROMMET

нет в наличии, поставок нет
71 0339277

Струбцина (CLAMP)

нет в наличии, поставок нет
72 0339278

Струбцина (CLAMP)

нет в наличии, поставок нет
73 0

Шланг, Vapor Помпа to tee, 7 дюйм (178 мм) сокращёная длина from PN 335738 (HOSE, Vapor pump to tee, 7 in. (178mm). Cut to length from PN 335738)

нет в наличии, поставок нет
74 0325402

Винт, Кронштейн to Крышка картера, в сборе (SCREW, Bracket to crankcase cover)

нет в наличии, поставок нет
75 0336316

Шайба, Винт, Кронштейн to Крышка (WASHER, Screw, bracket to cover)

нет в наличии, поставок нет
76 0438081

VACUUM Переключатель в сборе. (VACUUM SWITCH ASSY.)

нет в наличии, поставок нет
76 0437805

   (последний код) SWITCH&CONN

нет в наличии, поставок нет
77 0909678

Уплотнительное кольцо, Vacuum Переключатель (O-RING, Vacuum switch)

нет в наличии, поставок нет
78 0335231

Уплотнительное кольцо, Primer solenoid to Кронштейн (O-RING, Primer solenoid to bracket)

нет в наличии, поставок нет
79 0339276

Струбцина (CLAMP)

нет в наличии, поставок нет
80 0334132

Шланг, Vapor sep. tp Помпа в сборе. (HOSE, Vapor sep. tp pump assy.)

нет в наличии, поставок нет
81 0315656

Винт, Primer solenoid to Кронштейн (SCREW, Primer solenoid to bracket)

нет в наличии, поставок нет
82 0328169

Гайка, Vacuum Переключатель (NUT, Vacuum switch)

нет в наличии, поставок нет
83 0

Шланг, Vapor sep. to vacuum Переключатель, 5 1 / 2 дюйм (140 мм) сокращёная длина from PN 327228 (HOSE, Vapor sep. to vacuum switch, 5 1/2 in. (140mm). Cut to length from PN 327228)

нет в наличии, поставок нет
84 0348939

Топливный коннектор (CONNECTOR, Fuel)

нет в наличии, поставок нет
85 0980863

Винт Струбцина, Fuel (SCREW CLAMP, Fuel)

нет в наличии, поставок нет
evinrude

Время выполнения запроса 1.5582549571991 сек.


 
 

данный сайт носит информационный характер и не является публичной офертой

склад запчастей для водомоторной техники