| |
Все разделы каталога запчастей на этот двигатель
вернуться к списку узлов и деталей ДЕТАЛИРОВКА ДЛЯ МОДЕЛИ: EVINRUDE E25TEL4SIC 4-Stroke, Elec. Start, Tiller
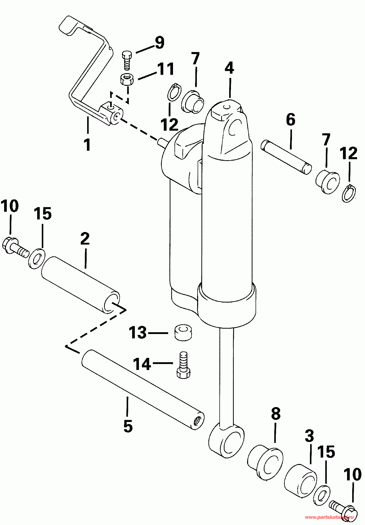
TILT ASSIST ЦИЛИНДР | TILT ASSIST CYLINDER;
Номер на рисунке | Артикул | Наименование | Кол-во на складе | Цена |
| 1 | 5032067 | Освобождающий рычаг (LEVER, Release) | нет в наличии, поставок нет |
| 2 | 5032070 | Проставка, Tilt Вал, stbd. (SPACER, Tilt shaft, stbd.) | нет в наличии, поставок нет |
| 3 | 5032071 | Проставка, Tilt Вал, port (SPACER, Tilt shaft, port) | нет в наличии, поставок нет |
| 4 | 5032072 | TILT ASSIST Цилиндр AY (TILT ASSIST CYLINDER AY) | нет в наличии, поставок нет |
| 5 | 5032665 | Вал наклона Тяга, нижний (SHAFT, Tilt rod, lower) | нет в наличии, поставок нет |
| 6 | 5032074 | Вал наклона Цилиндр, верхний (SHAFT, Tilt cylinder, upper) | нет в наличии, поставок нет |
| 7 | 5032075 | Втулка, Tilt Вал, верхний (BUSHING, Tilt shaft, upper) | нет в наличии, поставок нет |
| 8 | 5032076 | Втулка, Tilt Тяга, нижний (BUSHING, Tilt rod, lower) | нет в наличии, поставок нет |
| 9 | 5031117 | Болт, Release Рычаг (BOLT, Release lever) | нет в наличии, поставок нет |
| 10 | 5032668 | Болт, Tilt Тяга Вал (BOLT, Tilt rod shaft) | нет в наличии, поставок нет |
| 11 | 5030051 | Гайка, Release Рычаг (NUT, Release lever) | нет в наличии, поставок нет |
| 12 | 5031276 | Стопорное кольцо (RETAINING RING) | нет в наличии, поставок нет |
| 13 | 5031705 | Анод (ANODE) | нет в наличии, поставок нет |
| 14 | 5030413 | Болт, Анод (BOLT, Anode) | нет в наличии, поставок нет |
| 15 | 5031224 | Шайба (WASHER) | нет в наличии, поставок нет |

Время выполнения запроса 1.8381650447845 сек.
|
|