вконтакте

Контактный телефон: +7 (981) 121-46-93, +7 (800) 200-90-76 , Email: parts-katalog@yandex.ru, где купить

 
 

  Логин:

Пароль:

Регистрация

www.partskatalog.ru Все каталоги Запчасти Mercury Запчасти Suzuki Запчасти Tohatsu Запчасти Honda Контакты



УВАЖАЕМЫЕ КЛИЕНТЫ!
C 31 ОКТЯБРЯ 2025 ПО 10 НОЯБРЯ 2025 ГОДА РАБОТАТЬ НЕ БУДЕМ




Все разделы каталога запчастей на этот двигатель

назад Раздел:   вперёд

вернуться к списку узлов и деталей

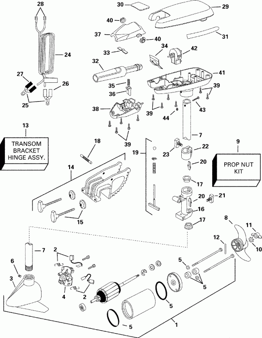
ДЕТАЛИРОВКА ДЛЯ МОДЕЛИ: EVINRUDE P/N 773167 SeaQuest 74HP 2000

SCOUT 40 H | SCOUT 40 H;


Мотор Evinrude P/N 773167 SeaQuest 74HP 2000  - out 40 H

Номер на
рисунке
АртикулНаименованиеКол-во
на складе
Цена
1 0128092

MOTOR ASSEMBLY (MOTOR ASSEMBLY)

нет в наличии, поставок нет
2 0128026

*Щётка & Пружина KIT (BRUSH & SPRING KIT)

нет в наличии, поставок нет
3 0128346

*SPEED COIL & Корпус (SPEED COIL & HOUSING)

нет в наличии, поставок нет
4 0127913

*Щётка Пластина в сборе. (BRUSH PLATE ASSY.)

нет в наличии, поставок нет
5 0128028

*MOTOR Комплект сальников (MOTOR SEAL KIT)

нет в наличии, поставок нет
6 0128091

Винт, Set (SCREW, Set)

нет в наличии, поставок нет
6 0128240

   (последний код) SCREW, SET

нет в наличии, поставок нет
7 0128201

Трубка, 36 дюйм (TUBE, 36 in.)

нет в наличии, поставок нет
8 0772775

Гребной винт (PROPELLER)

нет в наличии, поставок нет
8 0127917

   (последний код) KIT,PROPELLER

нет в наличии, поставок нет
9 0772777

PROP Гайка KIT (PROP NUT KIT)

нет в наличии, поставок нет
10 0127938

*LOCKШайба (LOCKWASHER)

нет в наличии, поставок нет
11 0127939

*PROP Гайка (PROP NUT)

нет в наличии, поставок нет
12 0127950

*DRIVE Штифт (DRIVE PIN)

нет в наличии, поставок нет
13 0128043

Кронштейн & HINGE в сборе. (BRACKET & HINGE ASSY.)

нет в наличии, поставок нет
14 0128010

*Кронштейн & СтрубцинаВинтS (BRACKET & CLAMPSCREWS)

нет в наличии, поставок нет
15 0128019

**СтрубцинаВинт в сборе. (CLAMPSCREW ASSY.)

нет в наличии, поставок нет
16 0127924

*HINGE, Machined (HINGE, Machined)

нет в наличии, поставок нет
17 0127936

*Втулка, Hinge (BUSHING, Hinge)

нет в наличии, поставок нет
18 0128197

*Штифт, Стержень (PIN, Pivot)

нет в наличии, поставок нет
19 0128023

*T-BAR & Пружина KIT (T-BAR & SPRING KIT)

нет в наличии, поставок нет
20 0127932

*BLOCK, Tension (BLOCK, Tension)

нет в наличии, поставок нет
21 0127922

*Винт, Tension (SCREW, Tension)

нет в наличии, поставок нет
22 0128086

Воротник, Depth (COLLAR, Depth)

нет в наличии, поставок нет
23 0127921

Винт (SCREW)

нет в наличии, поставок нет
24 0128087

Кабель аккумулятора (BATTERY CABLE)

нет в наличии, поставок нет
25 0127920

*BATTERY Зажим (BATTERY CLIP)

нет в наличии, поставок нет
25 0128199

   (последний код) SLEEVE,BLACK

нет в наличии, поставок нет
26 0128198

*Гильза, красный (SLEEVE, Red)

нет в наличии, поставок нет
26 0127920

   (последний код) BATTERY CLIP,AY

нет в наличии, поставок нет
27 0128199

Гильза, чёрный (SLEEVE, Black)

нет в наличии, поставок нет
27 0127920

   (последний код) BATTERY CLIP,AY

нет в наличии, поставок нет
28 0128279

*Клемма (TERMINAL)

нет в наличии, поставок нет
28 0128161

   (последний код) TERMINAL,RING S

нет в наличии, поставок нет
29 0128179

*Крышка, Управление box (COVER, Control box)

нет в наличии, поставок нет
30 0128202

Наклейка, Крышка (DECAL, Cover)

нет в наличии, поставок нет
31 0128114

Наклейка, Side (DECAL, Side)

нет в наличии, поставок нет
32 0128181

HANDLE в сборе. (HANDLE ASSY.)

нет в наличии, поставок нет
33 0127986

Фиксатор пружины (SPRING, Detent)

нет в наличии, поставок нет
34 0128182

Пружина наклона detent (SPRING, Tilt detent)

нет в наличии, поставок нет
35 0128183

Пружина, Release (SPRING, Release)

нет в наличии, поставок нет
36 0128184

RELEASE BUTTON (RELEASE BUTTON)

нет в наличии, поставок нет
37 0128185

HANDLE, верхний (HANDLE, Upper)

нет в наличии, поставок нет
38 0128186

HANDLE, нижний (HANDLE, Lower)

нет в наличии, поставок нет
39 0127989

Винт, Крышка (SCREW, Cover)

нет в наличии, поставок нет
40 0127940

Подшипник, Handle (BEARING, Handle)

нет в наличии, поставок нет
41 0128200

Управление BOX, пластиковый (CONTROL BOX, Plastic)

нет в наличии, поставок нет
42 0127945

Переключатель, 5 Speed (SWITCH, 5 Speed)

нет в наличии, поставок нет
43 0128068

Винт (SCREW)

нет в наличии, поставок нет
44 0128069

Гайка (NUT)

нет в наличии, поставок нет
evinrude

Время выполнения запроса 3.1438908576965 сек.


 
 

данный сайт носит информационный характер и не является публичной офертой

склад запчастей для водомоторной техники