вконтакте

Контактный телефон: +7 (981) 121-46-93, +7 (800) 200-90-76 , Email: parts-katalog@yandex.ru, где купить

 
 

  Логин:

Пароль:

Регистрация

www.partskatalog.ru Все каталоги Запчасти Mercury Запчасти Suzuki Запчасти Tohatsu Запчасти Honda Контакты



УВАЖАЕМЫЕ КЛИЕНТЫ!
C 19 ДЕКАБРЯ 2025 ПО 02 МАРТА 2026 ГОДА ОТДЕЛ ЗАПЧАСТЕЙ И СЕРВИС РАБОТАТЬ НЕ БУДУТ
ПРОДАЖА ЛОДОЧНЫХ МОТОРОВ В ШТАТНОМ РЕЖИМЕ
ОБ ИЗМЕНЕНИЯХ В ГРАФИКЕ РАБОТЫ ЧИТАЙТЕ НА САЙТА




Все разделы каталога запчастей на этот двигатель

назад Раздел:   вперёд

вернуться к списку узлов и деталей

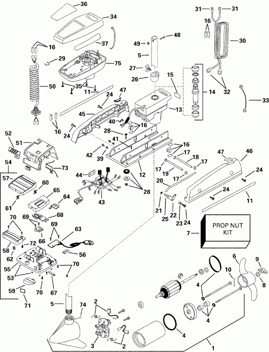
ДЕТАЛИРОВКА ДЛЯ МОДЕЛИ: EVINRUDE P/N 773170 Intruder 44F* 2000

EFC 54 F | EFC 54 F;


Подвесной мотор Evinrude P/N 773170 Intruder 44F* 2000  - c 54 F - c 54 F

Номер на
рисунке
АртикулНаименованиеКол-во
на складе
Цена
1 0128237

MOTOR ASSEMBLY (MOTOR ASSEMBLY)

нет в наличии, поставок нет
2 0128026

*Щётка & Пружина KIT (BRUSH & SPRING KIT)

нет в наличии, поставок нет
3 0127913

*Щётка Пластина в сборе. (BRUSH PLATE ASSY.)

нет в наличии, поставок нет
4 0128028

*MOTOR Комплект сальников (MOTOR SEAL KIT)

нет в наличии, поставок нет
5 0128242

Трубка, 54 дюйм (TUBE, 54 in.)

нет в наличии, поставок нет
6 0772775

Гребной винт (PROPELLER)

нет в наличии, поставок нет
6 0127917

   (последний код) KIT,PROPELLER

нет в наличии, поставок нет
7 0772777

PROP Гайка KIT (PROP NUT KIT)

нет в наличии, поставок нет
8 0127938

*LOCKШайба (LOCKWASHER)

нет в наличии, поставок нет
9 0127939

*PROP Гайка (PROP NUT)

нет в наличии, поставок нет
10 0127950

*DRIVE Штифт (DRIVE PIN)

нет в наличии, поставок нет
11 0127910

Наклейка, Motor rest (DECAL, Motor rest)

нет в наличии, поставок нет
11 0127995

   (последний код) DECAL

нет в наличии, поставок нет
12 0127980

Основание, Machined (BASE, Machined)

нет в наличии, поставок нет
13 0128020

DRIVE Корпус (DRIVE Housing)

нет в наличии, поставок нет
13 0127979

   (последний код) DRIVE HOUSING,ALUM

нет в наличии, поставок нет
14 0128021

*Гильза & Втулка KIT (SLEEVE & BUSHING KIT)

нет в наличии, поставок нет
15 0128255

Наклейка, Основание в сборе. (DECAL, Base assy.)

нет в наличии, поставок нет
16 0128025

Стержень PAD KIT (PIVOT PAD KIT)

нет в наличии, поставок нет
17 0128256

Гайка, Speed (NUT, Speed)

нет в наличии, поставок нет
18 0128257

Штифт, Latch (PIN, Latch)

нет в наличии, поставок нет
19 0128258

Штифт, Стержень (PIN, Pivot)

нет в наличии, поставок нет
20 0128259

Тяга, Release (ROD, Release)

нет в наличии, поставок нет
21 0128260

Пружина, Release (SPRING, Release)

нет в наличии, поставок нет
22 0128261

Освобождающий рычаг (LEVER, Release)

нет в наличии, поставок нет
23 0128262

Проставка, Release (SPACER, Release)

нет в наличии, поставок нет
24 0128263

Винт (SCREW)

нет в наличии, поставок нет
24 0128102

   (последний код) SCREW

нет в наличии, поставок нет
25 0128277

RELEASE Ручка (RELEASE KNOB)

нет в наличии, поставок нет
26 0127912

Воротник, Depth (COLLAR, Depth)

нет в наличии, поставок нет
27 0127921

Винт (SCREW)

нет в наличии, поставок нет
28 0128111

КреплениеING HARDWARE (MOUNTING HARDWARE)

нет в наличии, поставок нет
29 0128278

Струбцина, Кольцо (CLAMP, RING)

нет в наличии, поставок нет
30 0127948

Кабель аккумулятора (BATTERY CABLE)

нет в наличии, поставок нет
31 0128161

*Клемма, Кольцо (TERMINAL, Ring)

нет в наличии, поставок нет
31 0128322

   (последний код) TERMINAL, RING

нет в наличии, поставок нет
32 0128279

*Клемма (TERMINAL)

нет в наличии, поставок нет
32 0128161

   (последний код) TERMINAL,RING S

нет в наличии, поставок нет
33 0128280

Коннектор Кабели, 24V (CONNECTOR CABLE,24V)

нет в наличии, поставок нет
34 0128281

Крышка, Управление box, верхний (COVER, Control box, Upper)

нет в наличии, поставок нет
35 0128008

Винт (SCREW)

нет в наличии, поставок нет
36 0128287

Наклейка, Крышка (DECAL, Cover)

нет в наличии, поставок нет
37 0128114

Наклейка, Side (DECAL, Side)

нет в наличии, поставок нет
38 0127973

Наклейка, Oval (DECAL, Oval)

нет в наличии, поставок нет
38 0127909

   (последний код) DECAL

нет в наличии, поставок нет
39 0128293

Шайба, Изолятор (WASHER, Insulator)

нет в наличии, поставок нет
40 0128294

STRAIN RELIEF, Drive Корпус (STRAIN RELIEF, Drive housing)

нет в наличии, поставок нет
41 0128295

Винт (SCREW)

нет в наличии, поставок нет
42 0128296

Винт (SCREW)

нет в наличии, поставок нет
43 0128298

Управление BOARD (CONTROL BOARD)

нет в наличии, поставок нет
44 0127993

*INSULATING PAD (INSULATING PAD)

нет в наличии, поставок нет
45 0128036

Крышка, Port (COVER, Port)

нет в наличии, поставок нет
46 0128032

Крышка, Starboard (COVER, Starboard)

нет в наличии, поставок нет
47 0128353

*REST PAD (REST PAD)

нет в наличии, поставок нет
48 0128068

Винт (SCREW)

нет в наличии, поставок нет
49 0128069

Гайка (NUT)

нет в наличии, поставок нет
50 0128305

COIL CORD (COIL CORD)

нет в наличии, поставок нет
51 0128307

Крышка, Speed Управление (COVER, Speed control)

нет в наличии, поставок нет
52 0127996

Наклейка, Battery (DECAL, Battery)

нет в наличии, поставок нет
53 0128311

RUBBER Бампер KIT (RUBBER BUMPER KIT)

нет в наличии, поставок нет
54 0128015

FOOT PEDAL в сборе. (FOOT PEDAL ASSY.)

нет в наличии, поставок нет
55 0128326

*Основание, Foot pedal (BASE, Foot pedal)

нет в наличии, поставок нет
56 0128327

*WEAR Пластина (WEAR PLATE)

нет в наличии, поставок нет
57 0128328

*FOOT PEDAL, верхний (FOOT PEDAL, Upper)

нет в наличии, поставок нет
58 0128329

*FOOT PEDAL, нижний (FOOT PEDAL, Lower)

нет в наличии, поставок нет
59 0128330

*Рычаг, Momentary (LEVER, Momentary)

нет в наличии, поставок нет
60 0128331

*Пружина, Long верхний (SPRING, Long upper)

нет в наличии, поставок нет
61 0128332

*Пружина, Short верхний (SPRING, Short upper)

нет в наличии, поставок нет
62 0128333

*Пружина, нижний pedal (SPRING, Lower pedal)

нет в наличии, поставок нет
63 0127990

*Управление BOARD (CONTROL BOARD)

нет в наличии, поставок нет
64 0128299

*Ручка, Speed selector (KNOB, Speed selector)

нет в наличии, поставок нет
65 0128334

*Корпус, Speed select (HOUSING, Speed select)

нет в наличии, поставок нет
66 0128335

*Пускатель BOARD (ACTUATOR BOARD)

нет в наличии, поставок нет
67 0128336

*Пускатель, Momentary (ACTUATOR, Momentary)

нет в наличии, поставок нет
68 0128337

*Пускатель, Рулевая система (ACTUATOR, Steering)

нет в наличии, поставок нет
69 0127981

*Винт (SCREW)

нет в наличии, поставок нет
70 0128008

*Винт (SCREW)

нет в наличии, поставок нет
71 0128338

*Наклейка (DECAL)

нет в наличии, поставок нет
72 0128339

*Бампер, Пускатель (BUMPER, Actuator)

нет в наличии, поставок нет
73 0128300

BATTERY Прибор (BATTERY METER)

нет в наличии, поставок нет
74 0128091

Винт, Set (SCREW, Set)

нет в наличии, поставок нет
74 0128240

   (последний код) SCREW, SET

нет в наличии, поставок нет
75 0128034

Управление BOX, нижний (CONTROL BOX, Lower)

нет в наличии, поставок нет
evinrude

Время выполнения запроса 3.0315370559692 сек.


 
 

данный сайт носит информационный характер и не является публичной офертой

склад запчастей для водомоторной техники