вконтакте

Контактный телефон: +7 (981) 121-46-93, +7 (800) 200-90-76 , Email: parts-katalog@yandex.ru, где купить

 
 

  Логин:

Пароль:

Регистрация

www.partskatalog.ru Все каталоги Запчасти Mercury Запчасти Suzuki Запчасти Tohatsu Запчасти Honda Контакты



УВАЖАЕМЫЕ КЛИЕНТЫ!
C 19 ДЕКАБРЯ 2025 ПО 02 МАРТА 2026 ГОДА ОТДЕЛ ЗАПЧАСТЕЙ И СЕРВИС РАБОТАТЬ НЕ БУДУТ
ПРОДАЖА ЛОДОЧНЫХ МОТОРОВ В ШТАТНОМ РЕЖИМЕ
ОБ ИЗМЕНЕНИЯХ В ГРАФИКЕ РАБОТЫ ЧИТАЙТЕ НА САЙТА




Все разделы каталога запчастей на этот двигатель

назад Раздел:   вперёд

вернуться к списку узлов и деталей

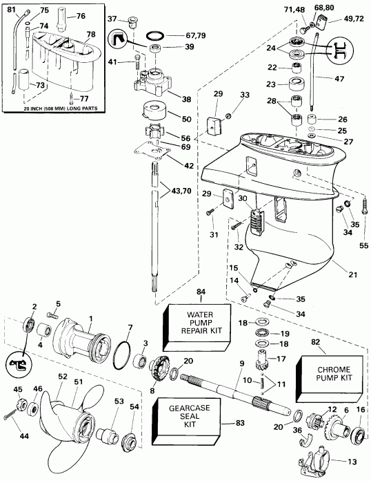
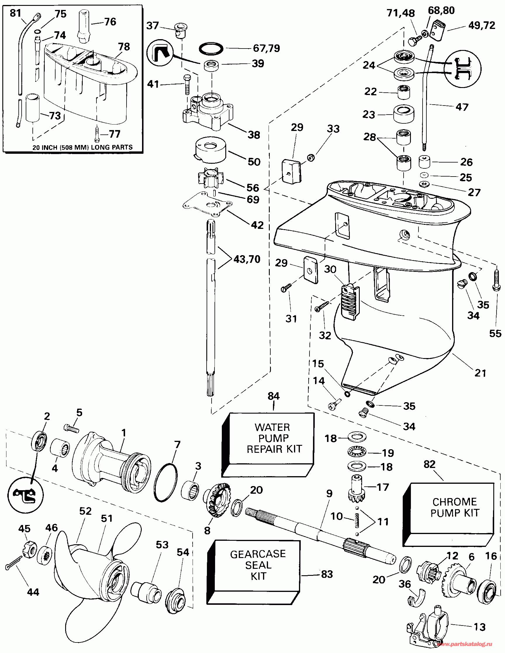
ДЕТАЛИРОВКА ДЛЯ МОДЕЛИ: EVINRUDE E8R4SSB 4-Stroke, Rope Start, Tiller, 15

РЕДУКТОР | GEARCASE;


Лодочный мотор EVINRUDE E8R4SSB 4-Stroke, Rope Start, Tiller, 15  - arcase

Номер на
рисунке
АртикулНаименованиеКол-во
на складе
Цена
0438617

Редуктор в сборе., (Less driveВал и Помпа) (GEARCASE ASSY., (Less driveshaft and pump))

нет в наличии, поставок нет
0435712

   (последний код) GEARCASE-AY

нет в наличии, поставок нет
1 0437774

*Подшипник Корпус подшипника & Сальник assembly (BEARING HOUSING, Bearing & seal assembly)

нет в наличии, поставок нет
1 0433403

   (последний код) HOUSING-AY,P

нет в наличии, поставок нет
2 0342247

**Сальник, Brg. hsg. to prop. Вал - Z. Contents of Комплект сальников редуктора (SEAL, Brg. hsg. to prop. Shaft - Z. Contents of Gearcase Seal Kit)

нет в наличии, поставок нет
3 0386125

**Подшипник, Reverse Шестерня (BEARING, Reverse gear)

нет в наличии, поставок нет
4 0386231

**Подшипник (BEARING)

нет в наличии, поставок нет
5 0333706

**Винт, Brg. hsg. to Редуктор (SCREW, Brg. hsg. to gearcase)

нет в наличии, поставок нет
6 0394823

*Шестерня & Втулка в сборе., дляward (GEAR & BUSHING ASSY., Forward)

нет в наличии, поставок нет
7 0308627

*Уплотнительное кольцо, Brg. hsg. to Редуктор - Z. Contents of Комплект сальников редуктора (O-RING, Brg. hsg. to gearcase - Z. Contents of Gearcase Seal Kit)

2 шт100 руб.
8 0330201

*Шестерня обратного хода (GEAR, Reverse)

нет в наличии, поставок нет
9 0343491

*Вал гребного винта (PROPELLER SHAFT)

нет в наличии, поставок нет
9 0438578

   (последний код) KIT AY,PROPSHAFT

нет в наличии, поставок нет
10 0316505

*Фиксатор пружины (SPRING, Detent)

нет в наличии, поставок нет
11 0316506

*Шарик, Detent (BALL, Detent)

нет в наличии, поставок нет
12 0325263

*Переключатель собачки сцепления (SHIFTER, Clutch dog)

нет в наличии, поставок нет
13 0388416

*ПереключательER Рычаг & Обойма (SHIFTER LEVER & YOKE ASSY.)

нет в наличии, поставок нет
13 0386148

   (последний код) SHIFTER LEVER

нет в наличии, поставок нет
14 0308376

*Стержень Штифт переключателя Рычаг (PIVOT PIN, Shifter lever)

нет в наличии, поставок нет
14 0303358

   (последний код) PIVOT-PIN

нет в наличии, поставок нет
15 0332584

**Опорная шайба Штифт (WASHER, Pivot pin)

нет в наличии, поставок нет
16 0386186

*Роликовый подшипник, дляward Шестерня (ROLLER BEARING, Forward gear)

нет в наличии, поставок нет
17 0338190

*Шестерня, DriveВал (PINION, Driveshaft)

нет в наличии, поставок нет
18 0336296

*Нижняя упорная шайба Шестерня Подшипник (THRUST WASHER, Lower pinion bearing)

нет в наличии, поставок нет
19 0388000

*THRUST Подшипник, Шестерня (THRUST BEARING, Pinion)

нет в наличии, поставок нет
20 0343251

*Упорная шайба, дляward & reverse Шестерня (THRUST WASHER, Forward & reverse gear)

нет в наличии, поставок нет
21 0435393

*Редуктор, BRG. & Сальник в сборе. (GEARCASE, BRG. & SEAL ASSY.)

нет в наличии, поставок нет
21 0438617

   (последний код) G-CASE AY,LESS D/S

нет в наличии, поставок нет
22 0386014

**Подшипник ASSEMBLY, DriveВал (BEARING ASSEMBLY, Driveshaft)

нет в наличии, поставок нет
23 0318874

**Гильза, Подшипник driveВал (SLEEVE, Bearing driveshaft)

нет в наличии, поставок нет
24 0321480

**Сальник, Редуктор to driveВал - Z. Contents of Комплект сальников редуктора (SEAL, Gearcase to driveshaft - Z. Contents of Gearcase Seal Kit)

нет в наличии, поставок нет
24 0318973

   (последний код) SEAL

нет в наличии, поставок нет
25 0301877

**Уплотнительное кольцо, Втулка to Переключающая тяга - Z. Contents of Комплект сальников редуктора (O-RING, Bushing to shift rod - Z. Contents of Gearcase Seal Kit)

нет в наличии, поставок нет
26 0304765

**Втулка, Переключающая тяга (BUSHING, Shift rod)

нет в наличии, поставок нет
27 0321738

**Шайба уплотнения, Переключающая тяга - Z. Contents of Комплект сальников редуктора (WASHER, Seal, shift rod - Z. Contents of Gearcase Seal Kit)

нет в наличии, поставок нет
28 0386071

**Подшипник в сборе., Шестерня to Редуктор (BEARING ASSY., Pinion to gearcase)

нет в наличии, поставок нет
29 0338635

**Анод (ANODE)

нет в наличии, поставок нет
30 0338443

**SCREEN, вход (SCREEN, Inlet)

нет в наличии, поставок нет
31 0304013

**Винт, Анод (SCREW, Anode)

нет в наличии, поставок нет
32 0325539

**Винт, Screen (SCREW, Screen)

нет в наличии, поставок нет
32 0312270

   (последний код) SCREW

нет в наличии, поставок нет
33 0121470

**Гайка, Винт, Анод (NUT, Screw, anode)

нет в наличии, поставок нет
34 0307551

*Заглушка & Шайба - Z. Contents of Комплект сальников редуктора (PLUG & WASHER - Z. Contents of Gearcase Seal Kit)

нет в наличии, поставок нет
34 0982851

   (последний код) SCREW-PLUG

нет в наличии, поставок нет
35 0311598

**Шайба (WASHER)

нет в наличии, поставок нет
35 3852105

   (последний код) WASHER

нет в наличии, поставок нет
36 0325014

*CRADLE, Сцепление dog (CRADLE, Clutch dog)

нет в наличии, поставок нет
37 0327035

Нижний пыльник водяной трубки - Y. Contents of Water Ремонтный комплект (GROMMET, Water tube lower - Y. Contents of Water Repair Kit)

1 шт460 руб.
38 0435390

Крыльчатка HSG. & Сальник в сборе. - Y. Contents of Water Ремонтный комплект (IMPELLER HSG. & SEAL ASSY. - Y. Contents of Water Repair Kit)

1 шт1700 руб.
38 0391571

   (последний код) IMP-HSG&SEAL

1 шт1320 руб.
39 0318972

*Сальник, Крыльчатка hsg. to dВал - Y, Z. Contents of Water Ремонтный комплект, Contents of Комплект сальников редуктора (SEAL, Impeller hsg. to dshaft - Y,Z. Contents of Water Repair Kit, Contents of Gearcase Seal Kit)

2 шт790 руб.
41 0302325

*Винт, Imp. hsg. to Редуктор - Y. Contents of Water Ремонтный комплект (SCREW, Imp. hsg. to gearcase - Y. Contents of Water Repair Kit)

нет в наличии, поставок нет
42 0318995

Пластина корпуса крыльчатки - Y. Contents of Water Ремонтный комплект (PLATE, Impeller housing - Y. Contents of Water Repair Kit)

нет в наличии, поставок нет
42 0319988

   (последний код) PLATE IMP HSG

нет в наличии, поставок нет
42 0319988

Пластина корпуса крыльчатки - X (PLATE, Impeller housing - X)

нет в наличии, поставок нет
42 0318995

   (последний код) PLATE-IMP-HS

нет в наличии, поставок нет
43 0341590

DRIVEВал, стандарт (DRIVESHAFT, Standard)

нет в наличии, поставок нет
43 0329510

   (последний код) DRIVESHAFT-S

нет в наличии, поставок нет
44 0328522

Шплинт, Гайка гребного винта to Вал (COTTER PIN, Propeller nut to shaft)

25 шт60 руб.
45 0318971

Гайка гребного винта (NUT, Propeller)

нет в наличии, поставок нет
46 0323942

Упорная шайба, Prop. Вал, rear (THRUST WASHER, Prop. shaft, rear)

нет в наличии, поставок нет
46 0318959

   (последний код) THRUST-WASHE

нет в наличии, поставок нет
47 0318992

Переключающая тяга, нижний , стандарт (SHIFT ROD, Lower, Standard)

нет в наличии, поставок нет
48 0304024

Винт, Переключающая тяга Коннектор (SCREW, Shift rod connector)

нет в наличии, поставок нет
48 0323636

   (последний код) SCREW

нет в наличии, поставок нет
49 0303794

Коннектор переключающей тяги (CONNECTOR, Shift rod)

нет в наличии, поставок нет
50 0324097

Cвыше, Крыльчатка Корпус - Y. Contents of Water Ремонтный комплект (CUP, Impeller housing - Y. Contents of Water Repair Kit)

1 шт1440 руб.
50 0322087

   (последний код) CUP

1 шт1110 руб.
50 0323535

Cвыше, Крыльчатка Корпус - X. Contents of Chrome Ремонтный комплект (CUP, Impeller housing - X. Contents of Chrome Repair Kit)

нет в наличии, поставок нет
51 0174938

Гребной винт, 9.25 X 8 - W. Refer to OMC® Genuine Parts Гребной винт Chart (PROPELLER, 9.25 X 8 - W. Refer to OMC® Genuine Parts Propeller Chart)

нет в наличии, поставок нет
51 0177158

   (последний код) PROPELLER AL Винт 9.25 X 8

нет в наличии, поставок нет
52 0332395

*CONVERGING Кольцо (CONVERGING RING)

нет в наличии, поставок нет
52 0319484

   (последний код) CONVERGING RING

нет в наличии, поставок нет
53 0386119

*Втулка, Гребной винт (BUSHING, Propeller)

нет в наличии, поставок нет
54 0334590

Упорная втулка, Гребной винт (THRUST BUSHING, Propeller)

нет в наличии, поставок нет
55 0341206

Винт, Редуктор to Выхлоп hsg (SCREW, Gearcase to exhaust hsg)

нет в наличии, поставок нет
56 0386084

Крыльчатка ASSEMBLY - Y. Contents of Water Ремонтный комплект (IMPELLER ASSEMBLY - Y. Contents of Water Repair Kit)

нет в наличии, поставок нет
67 0319085

Сальник, Крыльчатка Корпус - Y, Z. Contents of Water Ремонтный комплект, Contents of Комплект сальников редуктора (SEAL, Impeller housing - Y,Z. Contents of Water Repair Kit, Contents of Gearcase Seal Kit)

4 шт120 руб.
68 0301551

Шайба, Винт, Коннектор (WASHER, Screw, connector)

нет в наличии, поставок нет
69 0300611

Шпонка крыльчатки to driveВал - Y. Contents of Water Ремонтный комплект (PIN, Impeller to driveshaft - Y. Contents of Water Repair Kit)

нет в наличии, поставок нет
0449517

Удлинитель KIT в сборе. (EXTENSION KIT ASSY.)

нет в наличии, поставок нет
70 0341591

*DRIVEВал, Long - V. 8RVL Models (DRIVESHAFT, Long - V. 8RVL Models)

нет в наличии, поставок нет
70 0329511

   (последний код) DRIVESHAFT

нет в наличии, поставок нет
71 0304024

*Винт, Коннектор - V. 8RVL Models (SCREW, Connector - V. 8RVL Models)

нет в наличии, поставок нет
71 0323636

   (последний код) SCREW

нет в наличии, поставок нет
72 0303794

*Коннектор переключающей тяги - V. 8RVL Models (CONNECTOR, Shift rod - V. 8RVL Models)

нет в наличии, поставок нет
73 0319340

*Удлинитель, Крыльчатка Корпус to Удлинитель корпуса - V. 8RVL Models (EXTENSION, Impeller housing to exhaust housing - V. 8RVL Models)

нет в наличии, поставок нет
74 0320025

*Удлинитель, Водяная трубка - V. 8RVL Models (EXTENSION, Water tube - V. 8RVL Models)

нет в наличии, поставок нет
75 0202893

*Уплотнительное кольцо, Водяная трубка Удлинитель - V. 8RVL Models (O-RING, Water tube extension - V. 8RVL Models)

нет в наличии, поставок нет
75 3852033

   (последний код) O-RING

нет в наличии, поставок нет
76 0326922

*Выхлоп Сальник, Редуктор ext - V. 8RVL Models (EXHAUST SEAL, Gearcase ext - V. 8RVL Models)

нет в наличии, поставок нет
77 0341206

*Винт, Удлинитель - V. 8RVL Models (SCREW, Extension - V. 8RVL Models)

нет в наличии, поставок нет
78 0331152

*Удлинитель, Редуктор - V. 8RVL Models (EXTENSION, Gearcase - V. 8RVL Models)

нет в наличии, поставок нет
78 0319314

   (последний код) GRCASE-EXT

нет в наличии, поставок нет
79 0319085

*Сальник, Крыльчатка hsg. to ext. - V. 8RVL Models (SEAL, Impeller hsg. to ext. - V. 8RVL Models)

4 шт120 руб.
80 0301551

*Шайба с блокировкой, Conn. Винт - V. 8RVL Models (LOCK WASHER, Conn. Screw - V. 8RVL Models)

нет в наличии, поставок нет
81 0446089

*Переключающая тяга, верхний , long - V. 8RVL Models (SHIFT ROD, Upper, long - V. 8RVL Models)

нет в наличии, поставок нет
82 0389114

Хромированный ремкомплект водяного насоса (CHROME PUMP KIT)

нет в наличии, поставок нет
82 0394711

   (последний код) REPAIR-KIT

нет в наличии, поставок нет
83 0396350

Комплект сальников редуктора (GEARCASE SEAL KIT)

1 шт5300 руб.
84 0394711

Ремкомплект водяного насоса, (Includes Крыльчатка Корпус) (WATER PUMP REPAIR KIT, (Includes impeller housing))

нет в наличии, поставок нет
84 0393560

   (последний код) WATERPUMP KIT

нет в наличии, поставок нет
evinrude

Время выполнения запроса 1.1592440605164 сек.


 
 

данный сайт носит информационный характер и не является публичной офертой

склад запчастей для водомоторной техники