вконтакте

Контактный телефон: +7 (981) 121-46-93, +7 (800) 200-90-76 , Email: parts-katalog@yandex.ru, где купить

 
 

  Логин:

Пароль:

Регистрация

www.partskatalog.ru Все каталоги Запчасти Mercury Запчасти Suzuki Запчасти Tohatsu Запчасти Honda Контакты



УВАЖАЕМЫЕ КЛИЕНТЫ!
C 31 ОКТЯБРЯ 2025 ПО 10 НОЯБРЯ 2025 ГОДА РАБОТАТЬ НЕ БУДЕМ




Все разделы каталога запчастей на этот двигатель

назад Раздел:   вперёд

вернуться к списку узлов и деталей

ДЕТАЛИРОВКА ДЛЯ МОДЕЛИ: EVINRUDE E2WRSSC Commercial, Rope Start, Tiller,

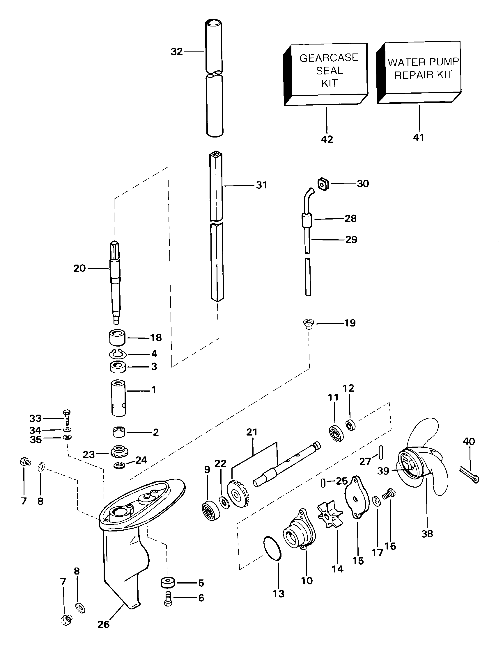
РЕДУКТОР | GEARCASE;


Лодочный мотор Evinrude E2WRSSC Commercial, Rope Start, Tiller,   - arcase

Номер на
рисунке
АртикулНаименованиеКол-во
на складе
Цена
0114805

Редуктор в сборе., комплект (GEARCASE ASSY., Complete)

нет в наличии, поставок нет
1 0115010

*Проставка, DriveВал Подшипник (SPACER, Driveshaft bearing)

нет в наличии, поставок нет
2 0115005

*Подшипник, Шестерня (BEARING, Pinion)

нет в наличии, поставок нет
3 0115004

*Подшипник, DriveВал (BEARING, Driveshaft)

нет в наличии, поставок нет
4 0115002

*Фиксатор приводного вала Подшипник (RETAINER, Driveshaft bearing)

нет в наличии, поставок нет
5 0114988

*Анод, Редуктор (ANODE, Gearcase)

нет в наличии, поставок нет
6 0114990

*Винт, Анод (SCREW, Anode)

нет в наличии, поставок нет
7 0114991

*FILL & DRAIN Заглушка - Y. Contents of Комплект сальников редуктора (FILL & DRAIN PLUG - Y. Contents of Gearcase Seal Kit)

нет в наличии, поставок нет
8 0114992

*Шайба, Fill & drain - Y. Contents of Комплект сальников редуктора (WASHER, Fill & drain - Y. Contents of Gearcase Seal Kit)

нет в наличии, поставок нет
9 0115006

*Подшипник, дляward Шестерня (BEARING, Forward gear)

нет в наличии, поставок нет
10 0114826

*Редуктор HEAD & Подшипник (GEARCASE HEAD & BEARING)

нет в наличии, поставок нет
10 0114998

   (последний код) G-CASE-HEAD

нет в наличии, поставок нет
11 0115004

**Подшипник, Вал гребного винта (BEARING, Propeller shaft)

нет в наличии, поставок нет
12 0114999

**Сальник, Вал гребного винта - Y. Contents of Комплект сальников редуктора (OIL SEAL, Propeller shaft - Y. Contents of Gearcase Seal Kit)

6 шт0 руб.
13 0114996

*Уплотнительное кольцо, Редуктор head - Y. Contents of Комплект сальников редуктора (O-RING, Gearcase head - Y. Contents of Gearcase Seal Kit)

нет в наличии, поставок нет
14 0114812

*Крыльчатка в сборе. - Z. Contents of Ремкомплект водяного насоса (IMPELLER ASSY. - Z. Contents of Water Pump Repair Kit)

нет в наличии, поставок нет
15 0114997

*Крышка, Водяной насос (COVER, Water pump)

нет в наличии, поставок нет
16 0114994

*Винт, Водяной насос Крышка (SCREW, Water pump cover)

нет в наличии, поставок нет
17 0115284

*Шайба, Водяной насос Крышка (WASHER, Water pump cover)

нет в наличии, поставок нет
18 0115003

*Сальник, DriveВал - Y. Contents of Комплект сальников редуктора (SEAL, Driveshaft - Y. Contents of Gearcase Seal Kit)

нет в наличии, поставок нет
19 0114993

*Нижний пыльник трубки водяного насоса - Z. Contents of Ремкомплект водяного насоса (GROMMET, Water tube, lower - Z. Contents of Water Pump Repair Kit)

нет в наличии, поставок нет
20 0115000

*DRIVEВал, Редуктор (DRIVESHAFT, Gearcase)

нет в наличии, поставок нет
21 0114813

*дляWARD Шестерня & PROP Вал AY (FORWARD GEAR & PROP SHAFT AY)

нет в наличии, поставок нет
21 0115008

   (последний код) PROP-SHAFT

нет в наличии, поставок нет
22 0115009

*Упорная шайба (THRUST WASHER)

нет в наличии, поставок нет
23 0115001

*Шестерня (PINION)

нет в наличии, поставок нет
24 0115011

*Уплотнительное кольцо, Шестерня (E-RING, Pinion)

нет в наличии, поставок нет
25 0114995

*DRIVE Шпонка крыльчатки - Z. Contents of Ремкомплект водяного насоса (DRIVE PIN, Impeller - Z. Contents of Water Pump Repair Kit)

нет в наличии, поставок нет
26 0115012

*Редуктор Корпус (GEARCASE HOUSING)

нет в наличии, поставок нет
27 0115193

DRIVE Штифт, Гребной винт (DRIVE PIN, Propeller)

нет в наличии, поставок нет
27 0451609

   (последний код) PIN, DRIVE

нет в наличии, поставок нет
28 0115219

Трубопровод, Водяная трубка (TUBING, Water tube)

нет в наличии, поставок нет
29 0115217

Водяная трубка (WATER TUBE)

нет в наличии, поставок нет
30 0115218

Верхний пыльник трубки водяного насоса (GROMMET, Water tube, upper)

нет в наличии, поставок нет
31 0115207

Трансмиссия Вал (TRANSMISSION SHAFT)

нет в наличии, поставок нет
32 0115216

Трубка, DriveВал (TUBE, Driveshaft)

нет в наличии, поставок нет
33 0115214

Винт крепления редуктора к удлиняющему кожуху (SCREW, Gearcase to exhaust housing)

нет в наличии, поставок нет
34 0115215

Пружина Шайба шестерниcase Винт (SPRING WASHER, Gearcase screw)

нет в наличии, поставок нет
35 0115284

Шайба шестерниcase Винт (WASHER, Gearcase screw)

нет в наличии, поставок нет
38 0115208

Гребной винт, 7-1 / 2 X 4-1 / 2 (PROPELLER, 7-1/2 X 4-1/2)

нет в наличии, поставок нет
38 0115299

Гребной винт, 7-1 / 4 X 5 (PROPELLER, 7-1/4 X 5)

нет в наличии, поставок нет
39 0115301

*INSERT, Гребной винт (INSERT, Propeller)

нет в наличии, поставок нет
39 0115408

   (последний код) INSERT,PROPELLER

1 шт400 руб.
40 0115192

Шплинт, 2.3 model (COTTER PIN, 2.3 model)

нет в наличии, поставок нет
40 0313693

Шплинт, 3.3 model (COTTER PIN, 3.3 model)

3 шт70 руб.
41 0114832

Ремкомплект водяного насоса (WATER PUMP REPAIR KIT)

нет в наличии, поставок нет
42 0114831

Комплект сальников редуктора (GEARCASE SEAL KIT)

нет в наличии, поставок нет
evinrude

Время выполнения запроса 2.4010150432587 сек.


 
 

данный сайт носит информационный характер и не является публичной офертой

склад запчастей для водомоторной техники