вконтакте

Контактный телефон: +7 (981) 121-46-93, +7 (800) 200-90-76 , Email: parts-katalog@yandex.ru, где купить

 
 

  Логин:

Пароль:

Регистрация

www.partskatalog.ru Все каталоги Запчасти Mercury Запчасти Suzuki Запчасти Tohatsu Запчасти Honda Контакты



УВАЖАЕМЫЕ КЛИЕНТЫ!
C 19 ДЕКАБРЯ 2025 ПО 02 МАРТА 2026 ГОДА ОТДЕЛ ЗАПЧАСТЕЙ И СЕРВИС РАБОТАТЬ НЕ БУДУТ
ПРОДАЖА ЛОДОЧНЫХ МОТОРОВ В ШТАТНОМ РЕЖИМЕ
ОБ ИЗМЕНЕНИЯХ В ГРАФИКЕ РАБОТЫ ЧИТАЙТЕ НА САЙТА




Все разделы каталога запчастей на этот двигатель

назад Раздел:   вперёд

вернуться к списку узлов и деталей

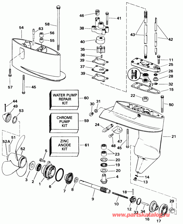
ДЕТАЛИРОВКА ДЛЯ МОДЕЛИ: EVINRUDE BE8RCLT 1998

РЕДУКТОР | GEARCASE;


Двигатель Эвинруд BE8RCLT 1998  - arcase

Номер на
рисунке
АртикулНаименованиеКол-во
на складе
Цена
0439006 0439006

Редуктор в сборе.. Not Shown (GEARCASE ASSY.. Not Shown)

нет в наличии, поставок нет
0439006 0437750

   (последний код) GEARCASE AY,20"

нет в наличии, поставок нет
1 0434294

Корпус в сборе., Вал гребного винта (HOUSING ASSY., Propeller shaft)

нет в наличии, поставок нет
1 0393747

   (последний код) G-CASE-HEAD

нет в наличии, поставок нет
2 0336493

Сальник, Вал гребного винта (SEAL, Oil, propeller shaft)

нет в наличии, поставок нет
3 0336414

Втулка (BUSHING)

нет в наличии, поставок нет
4 0336297

Шестерня, DriveВал (PINION, Driveshaft)

нет в наличии, поставок нет
5 0333706

Винт, Подшипник Корпус to Редуктор (SCREW, Bearing housing to gearcase)

нет в наличии, поставок нет
6 0322494

Уплотнительное кольцо, Подшипник Корпус to Редуктор (O-RING, Bearing housing to gearcase)

нет в наличии, поставок нет
7 0396992

Шестерня & Втулка в сборе., Reverse (GEAR & BUSHING ASSY., Reverse)

нет в наличии, поставок нет
7 0393939

   (последний код) GEAR,REVERSE

нет в наличии, поставок нет
8 0303361

Упорная шайба (THRUST WASHER)

нет в наличии, поставок нет
9 0344200

Вал гребного винта (PROPELLER SHAFT)

нет в наличии, поставок нет
9 0324628

   (последний код) PROP-SHAFT

нет в наличии, поставок нет
10 0324624

Пружина переключателяer (SPRING, Shifter)

нет в наличии, поставок нет
11 0333676

Винт, Крышка to Редуктор (SCREW, Cover to gearcase)

нет в наличии, поставок нет
11 3854923

   (последний код) SCREW

нет в наличии, поставок нет
12 0326340

Переключатель собачки сцепления (SHIFTER, Clutch dog)

нет в наличии, поставок нет
12 0324625

   (последний код) CLUTCH-DOG

нет в наличии, поставок нет
13 0318544

Винт дренажный Заглушка, нижний (SCREW, Drain plug, lower)

нет в наличии, поставок нет
13 0912624

   (последний код) SCREW

нет в наличии, поставок нет
14 0311598

Шайба (WASHER)

нет в наличии, поставок нет
14 3852105

   (последний код) WASHER

нет в наличии, поставок нет
15 0324637

Прокладка, Редуктор Крышка. 5 INCH LONGER PARTS (GASKET, Gearcase cover. 5 INCH LONGER PARTS)

нет в наличии, поставок нет
16 0438966

Шестерня & Подшипник в сборе., дляward (GEAR & BEARING ASSY., Forward)

нет в наличии, поставок нет
16 0396312

   (последний код) GEAR & BUSHING AY

нет в наличии, поставок нет
17 0389858

Роликовый подшипник, дляward Шестерня (ROLLER BEARING, Forward gear)

нет в наличии, поставок нет
18 0324626

Штифт сцепления dog (PIN, Clutch dog)

нет в наличии, поставок нет
19 0388000

THRUST Подшипник, Шестерня (THRUST BEARING, Pinion)

нет в наличии, поставок нет
20 0336296

Упорная шайба шестерни Шестерня Подшипник (THRUST WASHER, Pinion bearing)

нет в наличии, поставок нет
21 0434281

GCASE, BRG., SCREEN & Заглушка AY. (GCASE, BRG., SCREEN & PLUG AY.)

нет в наличии, поставок нет
22 0391048

Подшипник в сборе., DriveВал (BEARING ASSY., Driveshaft)

1 шт4890 руб.
22 0389574

   (последний код) BRG AY-DRIVESHAFT

нет в наличии, поставок нет
23 0386473

Подшипник в сборе., Шестерня to Редуктор (BEARING ASSY., Pinion to gearcase)

нет в наличии, поставок нет
24 0396200

SCREEN & Водяная заглушка Система впуска (SCREEN & PLUG, Water intake)

нет в наличии, поставок нет
24 0324633

   (последний код) SCREEN

нет в наличии, поставок нет
25 0434152

Крышка ASSEMBLY, Редуктор (COVER ASSEMBLY, Gearcase)

нет в наличии, поставок нет
25 0389837

   (последний код) G-CASE-CVR&S

нет в наличии, поставок нет
26 0305242

Уплотнительное кольцо, Переключающая тяга (O-RING, Shift rod)

нет в наличии, поставок нет
27 0324639

Сальник, DriveВал (SEAL, Driveshaft)

1 шт880 руб.
28 0324642

Втулка, Переключающая тяга (BUSHING, Shift rod)

нет в наличии, поставок нет
29 0324615

Кулачок переключателя (CAM, Shift)

нет в наличии, поставок нет
30 0307551

Винт дренажный Заглушка, верхний (SCREW, Drain plug, upper)

нет в наличии, поставок нет
30 0982851

   (последний код) SCREW-PLUG

нет в наличии, поставок нет
31 0311598

Шайба (WASHER)

нет в наличии, поставок нет
31 3852105

   (последний код) WASHER

нет в наличии, поставок нет
32 0324616

Стопорное кольцо, Переключающая тяга (RETAINING RING, Shift rod)

нет в наличии, поставок нет
33 0324627

Фиксатор, Сцепление dog (RETAINER, Clutch dog)

нет в наличии, поставок нет
34 0324623

Плунжер (PLUNGER)

нет в наличии, поставок нет
35 0436137

Крыльчатка в сборе. (IMPELLER ASSY.)

1 шт2040 руб.
35 0433936

   (последний код) IMPELLER AY

нет в наличии, поставок нет
36 0331130

Ключ, Крыльчатка to driveВал (KEY, Impeller to driveshaft)

1 шт550 руб.
37 0324640

Пластина корпуса крыльчатки (PLATE, Impeller housing)

нет в наличии, поставок нет
38 0389577

Крыльчатка Корпус в сборе. (IMPELLER HOUSING ASSY.)

нет в наличии, поставок нет
39 0325040

Прокладка крыльчатки Корпус. 5 INCH LONGER PARTS (GASKET, Impeller housing. 5 INCH LONGER PARTS)

нет в наличии, поставок нет
40 0324641

Cвыше, Крыльчатка Корпус (CUP, Impeller housing)

нет в наличии, поставок нет
41 0331980

Винт, Крыльчатка Корпус to Редуктор (SCREW, Impeller housing to gearcase)

нет в наличии, поставок нет
42 0336061

Переключающая тяга, нижний , Std. (SHIFT ROD, Lower, Std.)

нет в наличии, поставок нет
42 0336060

Переключающая тяга, нижний , Long. 5 INCH LONGER PARTS (SHIFT ROD, Lower, Long. 5 INCH LONGER PARTS)

нет в наличии, поставок нет
43 0337939

DRIVEВал, 15 дюйм (381 мм) (DRIVESHAFT, 15 in. (381mm))

нет в наличии, поставок нет
43 0341356

   (последний код) DRIVESHAFT USE 337939

нет в наличии, поставок нет
43 0337940

DRIVEВал, 20 дюйм (508 мм) 5 INCH LONGER PARTS (DRIVESHAFT, 20 in. (508mm). 5 INCH LONGER PARTS)

нет в наличии, поставок нет
44 0306394

Шплинт, Колпачок to Вал гребного винта (COTTER PIN, Cap to propeller shaft)

нет в наличии, поставок нет
44 3852056

   (последний код) PIN,COTTER

нет в наличии, поставок нет
45 0324643

Винт, Редуктор to exh. hsg. (SCREW, Gearcase to exh. hsg.)

нет в наличии, поставок нет
46 0302497

Нижний пыльник трубки водяного насоса. 5 INCH LONGER PARTS (GROMMET, Water tube, lower. 5 INCH LONGER PARTS)

2 шт250 руб.
47 0334451

Анод, Редуктор (ANODE, Gearcase)

нет в наличии, поставок нет
47 0432397

   (последний код) ANODE KIT

нет в наличии, поставок нет
48 0328725

Винт, Анод (SCREW, Anode)

нет в наличии, поставок нет
48 3852187

   (последний код) SCREW

нет в наличии, поставок нет
49 0324694

Колпачок гребного винта Вал (CAP, Propeller shaft)

нет в наличии, поставок нет
50 0342540

Винт, Редуктор to Передний корпус, 15 дюйм (SCREW, Gearcase to housing, front, 15 in.)

нет в наличии, поставок нет
50 0316440

   (последний код) SCREW

нет в наличии, поставок нет
51 0324690

DRIVE Штифт, Гребной винт (DRIVE PIN, Propeller)

нет в наличии, поставок нет
52 0391096

Гребной винт, 8 дюйм x 7 дюйм (PROPELLER, 8 in. x 7 in.)

нет в наличии, поставок нет
52 0778796

   (последний код) PROP,AL 8X7/PIN

нет в наличии, поставок нет
52 0390237

Гребной винт, 8 1 / 2 дюйм x 9 дюйм, Std. (PROPELLER, 8 1/2 in. x 9 in., Std.)

нет в наличии, поставок нет
52 0778797

   (последний код) PROP,AL 8.5 X 9

нет в наличии, поставок нет
52 0392183

Гребной винт, 9 1 / 4 дюйм x 6 1 / 2 дюйм (PROPELLER, 9 1/4 in. x 6 1/2 in.)

нет в наличии, поставок нет
52A 0389583

Втулка, Гребной винт (BUSHING, Propeller)

нет в наличии, поставок нет
53 0324689

Упорная шайба, Вал гребного винта, rear (THRUST WASHER, Propeller shaft, rear)

нет в наличии, поставок нет
0435542 0435542

KIT в сборе., 5 дюйм Удлинитель. Not Shown 5 INCH LONGER PARTS (KIT ASSY., 5 in. extension. Not Shown 5 INCH LONGER PARTS)

нет в наличии, поставок нет
15 0324637

Прокладка, Редуктор Крышка. 5 INCH LONGER PARTS (GASKET, Gearcase cover. 5 INCH LONGER PARTS)

нет в наличии, поставок нет
39 0325040

Прокладка крыльчатки Корпус. 5 INCH LONGER PARTS (GASKET, Impeller housing. 5 INCH LONGER PARTS)

нет в наличии, поставок нет
42 0336060

Переключающая тяга, Long. 5 INCH LONGER PARTS (SHIFT ROD, Long. 5 INCH LONGER PARTS)

нет в наличии, поставок нет
43 0337940

DRIVEВал, Long. 5 INCH LONGER PARTS (DRIVESHAFT, Long. 5 INCH LONGER PARTS)

нет в наличии, поставок нет
46 0302497

Нижний пыльник трубки водяного насоса. 5 INCH LONGER PARTS (GROMMET, Water tube, lower. 5 INCH LONGER PARTS)

2 шт250 руб.
54 0396308

Редуктор Удлинитель. 5 INCH LONGER PARTS (GEARCASE EXTENSION. 5 INCH LONGER PARTS)

нет в наличии, поставок нет
54 0393744

   (последний код) G-CASE-EXT

нет в наличии, поставок нет
55 0310674

Втулка. 5 INCH LONGER PARTS (BUSHING. 5 INCH LONGER PARTS)

нет в наличии, поставок нет
56 0326742

Гильза. 5 INCH LONGER PARTS (SLEEVE. 5 INCH LONGER PARTS)

нет в наличии, поставок нет
56 0326988

   (последний код) SLEEVE

нет в наличии, поставок нет
57 0333676

Винт, Удлинитель to Корпус. 5 INCH LONGER PARTS (SCREW, Extension to housing. 5 INCH LONGER PARTS)

нет в наличии, поставок нет
57 3854923

   (последний код) SCREW

нет в наличии, поставок нет
58 0330247

Винт, Редуктор & Удлинитель to Удлинитель корпуса. 5 INCH LONGER PARTS (SCREW, Gearcase & extension to exhaust housing. 5 INCH LONGER PARTS)

нет в наличии, поставок нет
58 0324645

   (последний код) SCREW

нет в наличии, поставок нет
63 0320025

Удлинитель, Водяная трубка. 5 INCH LONGER PARTS (EXTENSION, Water tube. 5 INCH LONGER PARTS)

нет в наличии, поставок нет
59 0390772

Хромированный ремкомплект водяного насоса (CHROME PUMP KIT)

нет в наличии, поставок нет
60 0396644

Ремкомплект водяного насоса (WATER PUMP REPAIR KIT)

нет в наличии, поставок нет
60 0389844

   (последний код) WATERPUMP KIT

нет в наличии, поставок нет
61 0432397

Анод KIT, (Incl. 47, 48) (ANODE KIT, (Incl. 47, 48))

нет в наличии, поставок нет
61 0334451

   (последний код) ANODE

нет в наличии, поставок нет
evinrude

Время выполнения запроса 6.494980096817 сек.


 
 

данный сайт носит информационный характер и не является публичной офертой

склад запчастей для водомоторной техники