вконтакте

Контактный телефон: +7 (981) 121-46-93, +7 (800) 200-90-76 , Email: parts-katalog@yandex.ru, где купить

 
 

  Логин:

Пароль:

Регистрация

www.partskatalog.ru Все каталоги Запчасти Mercury Запчасти Suzuki Запчасти Tohatsu Запчасти Honda Контакты



УВАЖАЕМЫЕ КЛИЕНТЫ!
C 19 ДЕКАБРЯ 2025 ПО 02 МАРТА 2026 ГОДА ОТДЕЛ ЗАПЧАСТЕЙ И СЕРВИС РАБОТАТЬ НЕ БУДУТ
ПРОДАЖА ЛОДОЧНЫХ МОТОРОВ В ШТАТНОМ РЕЖИМЕ
ОБ ИЗМЕНЕНИЯХ В ГРАФИКЕ РАБОТЫ ЧИТАЙТЕ НА САЙТА




Все разделы каталога запчастей на этот двигатель

назад Раздел:   вперёд

вернуться к списку узлов и деталей

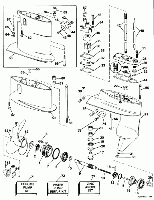
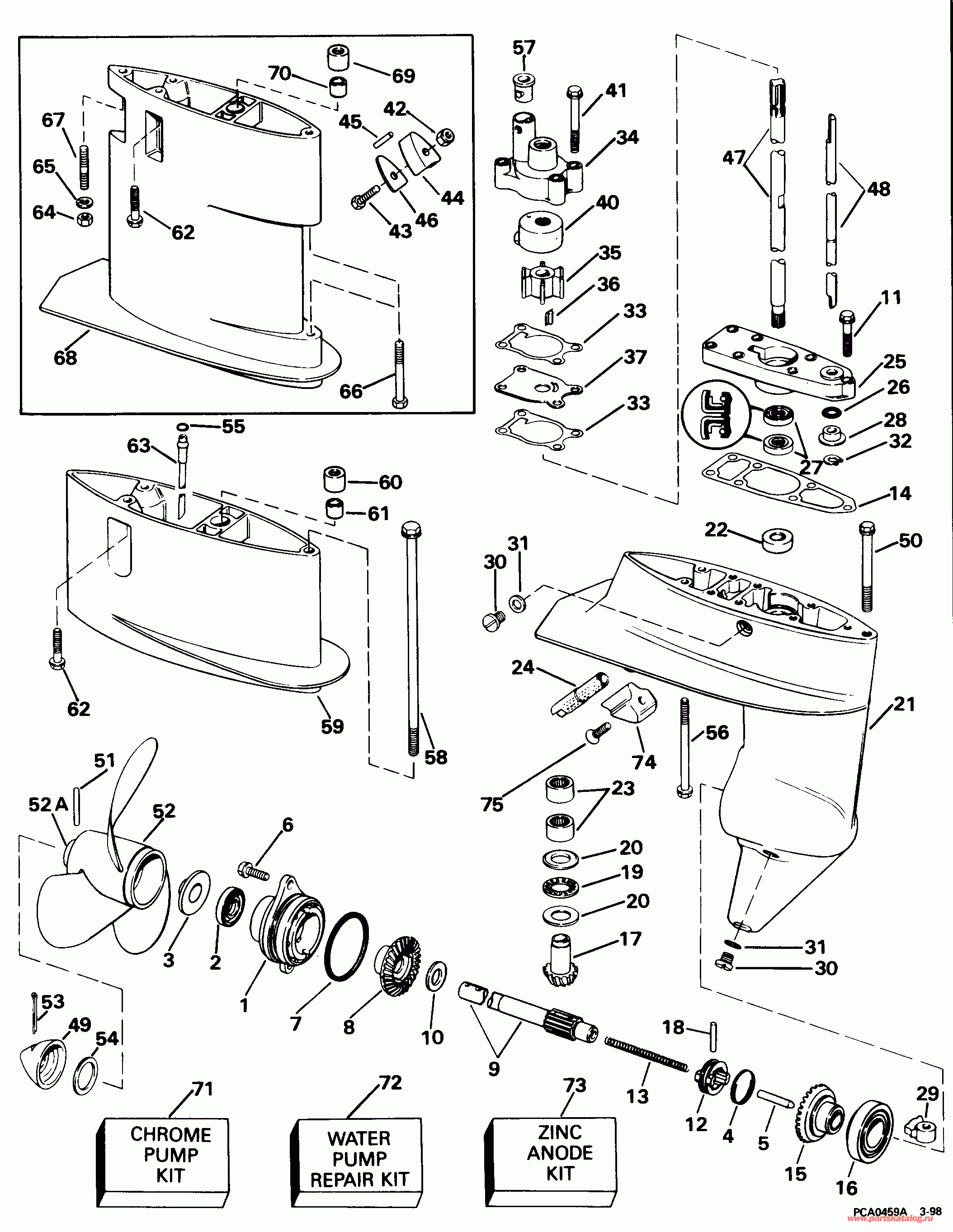
ДЕТАЛИРОВКА ДЛЯ МОДЕЛИ: EVINRUDE E8RLECR 1998

РЕДУКТОР | GEARCASE;


Лодочный подвесной мотор Эвинруд E8RLECR 1998  - arcase

Номер на
рисунке
АртикулНаименованиеКол-во
на складе
Цена
0439006 0439006

Редуктор в сборе.. Not Shown (GEARCASE ASSY.. Not Shown)

нет в наличии, поставок нет
0439006 0437750

   (последний код) GEARCASE AY,20"

нет в наличии, поставок нет
1 0434294

Корпус в сборе., Вал гребного винта (HOUSING ASSY., Propeller shaft)

нет в наличии, поставок нет
1 0393747

   (последний код) G-CASE-HEAD

нет в наличии, поставок нет
2 0336493

Сальник, Вал гребного винта (SEAL, Propeller shaft)

нет в наличии, поставок нет
3 0336414

Втулка (BUSHING)

нет в наличии, поставок нет
4 0324627

Фиксатор, Сцепление dog (RETAINER, Clutch dog)

нет в наличии, поставок нет
5 0324623

Плунжер (PLUNGER)

нет в наличии, поставок нет
6 0333706

Винт, Brg. hsg. to Редуктор (SCREW, Brg. hsg. to gearcase)

нет в наличии, поставок нет
7 0322494

Уплотнительное кольцо, Brg. hsg. to Редуктор (O-RING, Brg. hsg. to gearcase)

нет в наличии, поставок нет
8 0396992

Шестерня & Втулка, Reverse (GEAR & BUSHING, Reverse)

нет в наличии, поставок нет
8 0393939

   (последний код) GEAR,REVERSE

нет в наличии, поставок нет
9 0344200

Вал гребного винта (PROPELLER SHAFT)

нет в наличии, поставок нет
9 0324628

   (последний код) PROP-SHAFT

нет в наличии, поставок нет
10 0303361

Упорная шайба (WASHER, Thrust)

нет в наличии, поставок нет
11 0333676

Винт, Крышка to Редуктор (SCREW, Cover to gearcase)

нет в наличии, поставок нет
11 3854923

   (последний код) SCREW

нет в наличии, поставок нет
12 0326340

Переключатель собачки сцепления (SHIFTER, Clutch dog)

нет в наличии, поставок нет
12 0324625

   (последний код) CLUTCH-DOG

нет в наличии, поставок нет
13 0324624

Пружина переключателяer (SPRING, Shifter)

нет в наличии, поставок нет
14 0324637

Прокладка, Редуктор Крышка. 5 INCH LONGER PARTS (GASKET, Gearcase cover. 5 INCH LONGER PARTS)

нет в наличии, поставок нет
15 0438966

Шестерня & Втулка в сборе., дляward (GEAR & BUSHING ASSY., Forward)

нет в наличии, поставок нет
15 0396312

   (последний код) GEAR & BUSHING AY

нет в наличии, поставок нет
16 0389858

Роликовый подшипник (ROLLER BEARING)

нет в наличии, поставок нет
17 0336297

Шестерня, Шестерня (PINION, Gear)

нет в наличии, поставок нет
18 0324626

Штифт сцепления dog (PIN, Clutch dog)

нет в наличии, поставок нет
19 0388000

THRUST Подшипник, Шестерня (THRUST BEARING, Pinion)

нет в наличии, поставок нет
20 0336296

Упорная шайба шестерни Шестерня Подшипник (THRUST WASHER, Pinion bearing)

нет в наличии, поставок нет
21 0434281

Редуктор, Корпус в сборе. (GEARCASE, Housing assy.)

нет в наличии, поставок нет
22 0391048

Подшипник & Гильза в сборе., DriveВал (BEARING & SLEEVE ASSY., Driveshaft)

1 шт4890 руб.
22 0389574

   (последний код) BRG AY-DRIVESHAFT

нет в наличии, поставок нет
23 0386473

Подшипник в сборе., Шестерня to Редуктор (BEARING ASSY., Pinion to gearcase)

нет в наличии, поставок нет
24 0396200

SCREEN & Водяная заглушка Система впуска (SCREEN & PLUG, Water intake)

нет в наличии, поставок нет
24 0324633

   (последний код) SCREEN

нет в наличии, поставок нет
25 0434152

Крышка в сборе, Редуктор (COVER ASSY., Gearcase)

нет в наличии, поставок нет
25 0389837

   (последний код) G-CASE-CVR&S

нет в наличии, поставок нет
26 0305242

Уплотнительное кольцо, Переключающая тяга (O-RING, Shift rod)

нет в наличии, поставок нет
27 0324639

Сальник, DriveВал (SEAL, Driveshaft)

1 шт880 руб.
28 0324642

Втулка, Переключающая тяга (BUSHING, Shift rod)

нет в наличии, поставок нет
29 0324615

Кулачок переключателя (CAM, Shift)

нет в наличии, поставок нет
30 0307551

Заглушка & Шайба, верхний (PLUG & WASHER, Upper)

нет в наличии, поставок нет
30 0982851

   (последний код) SCREW-PLUG

нет в наличии, поставок нет
30 0318544

FILL Заглушка (FILL PLUG)

нет в наличии, поставок нет
30 0912624

   (последний код) SCREW

нет в наличии, поставок нет
31 0333572

Уплотнительное кольцо (O-RING)

нет в наличии, поставок нет
31 3855081

   (последний код) 0-RING

нет в наличии, поставок нет
31 0311598

Шайба (WASHER)

нет в наличии, поставок нет
31 3852105

   (последний код) WASHER

нет в наличии, поставок нет
32 0324616

Стопорное кольцо, Переключающая тяга (RETAINING RING, Shift rod)

нет в наличии, поставок нет
33 0325040

Прокладка крыльчатки Корпус. 5 INCH LONGER PARTS (GASKET, Impeller housing. 5 INCH LONGER PARTS)

нет в наличии, поставок нет
34 0389577

Крыльчатка HSG. в сборе. (IMPELLER HSG. ASSY.)

нет в наличии, поставок нет
35 0436137

Крыльчатка в сборе. (IMPELLER ASSY.)

1 шт2040 руб.
35 0433936

   (последний код) IMPELLER AY

нет в наличии, поставок нет
36 0331130

Ключ, Крыльчатка to driveВал (KEY, Impeller to driveshaft)

1 шт550 руб.
37 0324640

Пластина корпуса крыльчатки (PLATE, Impeller housing)

нет в наличии, поставок нет
40 0324641

Cвыше, Крыльчатка Корпус (CUP, Impeller housing)

нет в наличии, поставок нет
41 0331980

Винт, Imp. hsg. to Редуктор (SCREW, Imp. hsg. to gearcase)

нет в наличии, поставок нет
42 0313022

Гайка, Выхлоп Заглушка. 8SRL Models Only (NUT, Exhaust plug. 8SRL Models Only)

нет в наличии, поставок нет
42 3852118

   (последний код) NUT,LOCK

нет в наличии, поставок нет
43 0324334

Винт, Выхлоп Заглушка. 8SRL Models Only (SCREW, Exhaust plug. 8SRL Models Only)

нет в наличии, поставок нет
43 0302820

   (последний код) SCREW

нет в наличии, поставок нет
44 0327501

Выхлоп Заглушка. 8SRL Models Only (EXHAUST PLUG. 8SRL Models Only)

нет в наличии, поставок нет
45 0327503

DRAIN Трубка. 8SRL Models Only (DRAIN TUBE. 8SRL Models Only)

нет в наличии, поставок нет
46 0327505

Пластина, Выхлоп Заглушка. 8SRL Models Only (PLATE, Exhaust plug. 8SRL Models Only)

нет в наличии, поставок нет
47 0337939

DRIVEВал, Std., 15 дюйм (DRIVESHAFT, Std., 15 in.)

нет в наличии, поставок нет
47 0341356

   (последний код) DRIVESHAFT USE 337939

нет в наличии, поставок нет
47 0337940

DRIVEВал, Long, 20 дюйм. 5 INCH LONGER PARTS (DRIVESHAFT, Long, 20 in.. 5 INCH LONGER PARTS)

нет в наличии, поставок нет
47 0341212

DRIVEВал, X-long, 25 дюйм (DRIVESHAFT, X-long, 25 in.)

нет в наличии, поставок нет
47 0337941

   (последний код) DRIVESHAFT AY,25"

нет в наличии, поставок нет
48 0336061

Переключающая тяга, нижний , Std. (SHIFT ROD, Lower, Std.)

нет в наличии, поставок нет
48 0336060

Переключающая тяга, нижний , Long. 5 INCH LONGER PARTS (SHIFT ROD, Lower, Long. 5 INCH LONGER PARTS)

нет в наличии, поставок нет
48 0336067

Переключающая тяга, нижний , x-long. 8SRL Models Only (SHIFT ROD, Lower, x-long. 8SRL Models Only)

нет в наличии, поставок нет
49 0324694

Колпачок гребного винта Вал (CAP, Propeller shaft)

нет в наличии, поставок нет
50 0342540

Винт, Редуктор to hsg., front, 15 дюйм (SCREW, Gearcase to hsg., front, 15 in.)

нет в наличии, поставок нет
50 0316440

   (последний код) SCREW

нет в наличии, поставок нет
51 0324690

DRIVE Штифт, Гребной винт (DRIVE PIN, Propeller)

нет в наличии, поставок нет
52 0391096

Гребной винт, 8 дюйм x 7 дюйм (PROPELLER, 8 in. x 7 in.)

нет в наличии, поставок нет
52 0778796

   (последний код) PROP,AL 8X7/PIN

нет в наличии, поставок нет
52 0390237

Гребной винт, 8 1 / 2 дюйм x 9 дюйм, Std. 5-6-8 (PROPELLER, 8 1/2 in. x 9 in., Std. 5-6-8)

нет в наличии, поставок нет
52 0778797

   (последний код) PROP,AL 8.5 X 9

нет в наличии, поставок нет
52 0392183

Гребной винт, 9 1 / 4 дюйм x 6 1 / 2 дюйм, Std. 8 Sail (PROPELLER, 9 1/4 in. x 6 1/2 in., Std. 8 Sail)

нет в наличии, поставок нет
52A 0389583

Втулка, Гребной винт (BUSHING, Propeller)

нет в наличии, поставок нет
53 0306394

Шплинт, Гайка гребного винта to Вал (COTTER PIN, Propeller nut to shaft)

нет в наличии, поставок нет
53 3852056

   (последний код) PIN,COTTER

нет в наличии, поставок нет
54 0324689

Упорная шайба, Prop Вал, rear (THRUST WASHER, Prop shaft, rear)

нет в наличии, поставок нет
56 0324643

Винт, Редуктор to ext. hsg. (SCREW, Gearcase to ext. hsg.)

нет в наличии, поставок нет
57 0302497

Нижний пыльник трубки водяного насоса. 5 INCH LONGER PARTS (GROMMET, Water tube, lower. 5 INCH LONGER PARTS)

2 шт250 руб.
74 0334451

Анод, Редуктор (ANODE, Gearcase)

нет в наличии, поставок нет
74 0432397

   (последний код) ANODE KIT

нет в наличии, поставок нет
75 0328725

Винт, Анод (SCREW, Anode)

нет в наличии, поставок нет
75 3852187

   (последний код) SCREW

нет в наличии, поставок нет
0435542 0435542

KIT в сборе., 5 дюйм Удлинитель. Not Shown 5 INCH LONGER PARTS (KIT ASSY., 5 in. extension. Not Shown 5 INCH LONGER PARTS)

нет в наличии, поставок нет
14 0324637

Прокладка, Редуктор Крышка. 5 INCH LONGER PARTS (GASKET, Gearcase cover. 5 INCH LONGER PARTS)

нет в наличии, поставок нет
33 0325040

Прокладка крыльчатки Корпус. 5 INCH LONGER PARTS (GASKET, Impeller housing. 5 INCH LONGER PARTS)

нет в наличии, поставок нет
47 0337940

DRIVEВал, Long. 5 INCH LONGER PARTS (DRIVESHAFT, Long. 5 INCH LONGER PARTS)

нет в наличии, поставок нет
48 0336060

Переключающая тяга, Long. 5 INCH LONGER PARTS (SHIFT ROD, Long. 5 INCH LONGER PARTS)

нет в наличии, поставок нет
55 0202893

Уплотнительное кольцо, Водяная трубка. 5 INCH LONGER PARTS (O-RING, Water tube. 5 INCH LONGER PARTS)

нет в наличии, поставок нет
55 3852033

   (последний код) O-RING

нет в наличии, поставок нет
57 0302497

Нижний пыльник трубки водяного насоса. 5 INCH LONGER PARTS (GROMMET, Water tube, lower. 5 INCH LONGER PARTS)

2 шт250 руб.
58 0330247

Винт, Редуктор & Удлинитель to Удлинитель корпуса. 5 INCH LONGER PARTS (SCREW, Gearcase & extension to exhaust housing. 5 INCH LONGER PARTS)

нет в наличии, поставок нет
58 0324645

   (последний код) SCREW

нет в наличии, поставок нет
59 0396308

Редуктор Удлинитель. 5 INCH LONGER PARTS (GEARCASE EXTENSION. 5 INCH LONGER PARTS)

нет в наличии, поставок нет
59 0393744

   (последний код) G-CASE-EXT

нет в наличии, поставок нет
60 0310674

Втулка. 5 INCH LONGER PARTS (BUSHING. 5 INCH LONGER PARTS)

нет в наличии, поставок нет
61 0326742

Гильза. 5 INCH LONGER PARTS (SLEEVE. 5 INCH LONGER PARTS)

нет в наличии, поставок нет
61 0326988

   (последний код) SLEEVE

нет в наличии, поставок нет
62 0333676

Винт, Удлинитель to Корпус. 8SRL Models Only (SCREW, Extension to housing. 8SRL Models Only)

нет в наличии, поставок нет
62 3854923

   (последний код) SCREW

нет в наличии, поставок нет
63 0320025

Удлинитель, Водяная трубка. 5 INCH LONGER PARTS (EXTENSION, Water tube. 5 INCH LONGER PARTS)

нет в наличии, поставок нет
62 0333676

Винт, Удлинитель to Корпус. 8SRL Models Only (SCREW, Extension to housing. 8SRL Models Only)

нет в наличии, поставок нет
62 3854923

   (последний код) SCREW

нет в наличии, поставок нет
64 0306422

Гайка, Шпилька. 8SRL Models Only (NUT, Stud. 8SRL Models Only)

нет в наличии, поставок нет
65 0306470

Шайба с блокировкой, Шпилька. 8SRL Models Only (LOCK WASHER, Stud. 8SRL Models Only)

нет в наличии, поставок нет
65 3852061

   (последний код) LOCKWASHER

нет в наличии, поставок нет
66 0342540

Винт, Удлинитель корпуса to ext.. 8SRL Models Only (SCREW, Exhaust housing to ext.. 8SRL Models Only)

нет в наличии, поставок нет
66 0316440

   (последний код) SCREW

нет в наличии, поставок нет
67 0552913

Шпилька, Редуктор to Удлинитель корпуса. 8SRL Models Only (STUD, Gearcase to exhaust housing. 8SRL Models Only)

нет в наличии, поставок нет
68 0396032

Удлинитель в сборе.. 8SRL Models Only (EXTENSION ASSY.. 8SRL Models Only)

нет в наличии, поставок нет
68 0392185

   (последний код) GCASE-EXT-AY

нет в наличии, поставок нет
69 0310674

Втулка. 8SRL Models Only (BUSHING. 8SRL Models Only)

нет в наличии, поставок нет
70 0326742

Гильза. 8SRL Models Only (SLEEVE. 8SRL Models Only)

нет в наличии, поставок нет
70 0326988

   (последний код) SLEEVE

нет в наличии, поставок нет
71 0390772

Хромированный ремкомплект водяного насоса (CHROME PUMP KIT)

нет в наличии, поставок нет
72 0396644

Ремкомплект водяного насоса (WATER PUMP REPAIR KIT)

нет в наличии, поставок нет
72 0389844

   (последний код) WATERPUMP KIT

нет в наличии, поставок нет
73 0432397

Анод KIT (Includes 74 & 75) (ANODE KIT (Includes 74 & 75))

нет в наличии, поставок нет
73 0334451

   (последний код) ANODE

нет в наличии, поставок нет
evinrude

Время выполнения запроса 1.6521019935608 сек.


 
 

данный сайт носит информационный характер и не является публичной офертой

склад запчастей для водомоторной техники