вконтакте

Контактный телефон: +7 (981) 121-46-93, +7 (800) 200-90-76 , Email: parts-katalog@yandex.ru, где купить

 
 

  Логин:

Пароль:

Регистрация

www.partskatalog.ru Все каталоги Запчасти Mercury Запчасти Suzuki Запчасти Tohatsu Запчасти Honda Контакты



УВАЖАЕМЫЕ КЛИЕНТЫ!
C 31 ОКТЯБРЯ 2025 ПО 10 НОЯБРЯ 2025 ГОДА РАБОТАТЬ НЕ БУДЕМ




Все разделы каталога запчастей на этот двигатель

назад Раздел:   вперёд

вернуться к списку узлов и деталей

ДЕТАЛИРОВКА ДЛЯ МОДЕЛИ: EVINRUDE BE5FRBLECC 1998

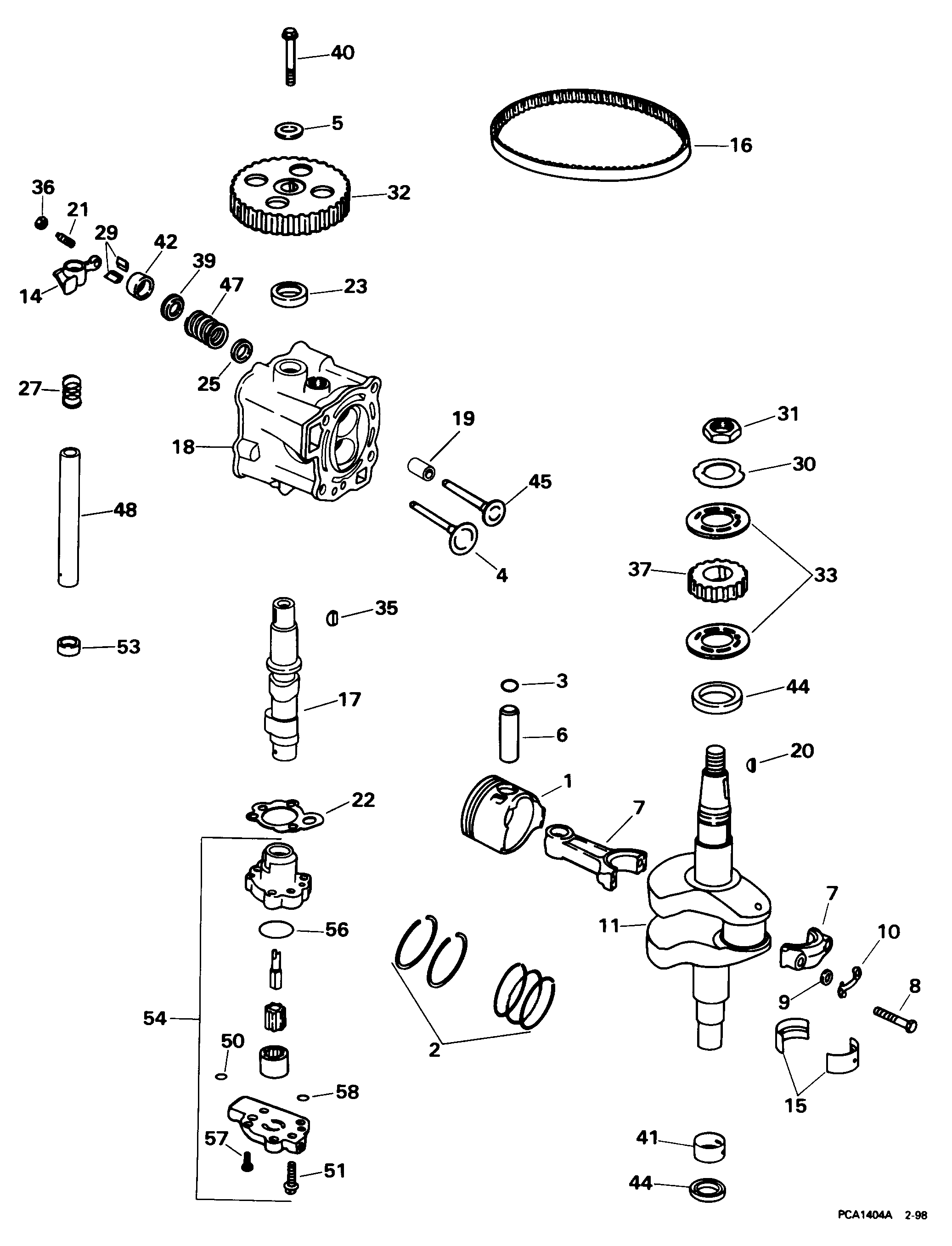
ГОЛОВКА БЛОКА ЦИЛИНДРА & КОЛЕНВАЛ | CYLINDER HEAD & CRANKSHAFT;


Подвесной мотор Эвинруд BE5FRBLECC 1998  - linder Head & Коленвал - linder Head & Crankshaft

Номер на
рисунке
АртикулНаименованиеКол-во
на складе
Цена
1 0446051

Поршень в сборе., стандарт (PISTON ASSY., Standard)

нет в наличии, поставок нет
1 0449510

Поршень в сборе., 0.5 мм O.S. (PISTON ASSY., 0.5mm O.S.)

нет в наличии, поставок нет
2 0449500

Кольцо SET, стандарт (RING SET, Standard)

нет в наличии, поставок нет
2 0449509

Кольцо SET, 0.5 мм O.S. (RING SET, 0.5mm O.S.)

нет в наличии, поставок нет
3 0446055

Стопорное кольцо (RETAINING RING)

нет в наличии, поставок нет
4 0446024

Клапан, впускной (VALVE, Intake)

нет в наличии, поставок нет
5 0446184

Шайба, Винт, Шкив распредвала (WASHER, Screw, camshaft pulley)

нет в наличии, поставок нет
6 0446054

WRIST Штифт (WRIST PIN)

нет в наличии, поставок нет
7 0440163

Шатун в сборе. (CONNECTING ROD ASSY.)

нет в наличии, поставок нет
8 0446061

Винт, Тяга Колпачок (SCREW, Rod cap)

нет в наличии, поставок нет
9 0446105

Шайба (WASHER)

нет в наличии, поставок нет
10 0441047

TAB, Locking (TAB, Locking)

нет в наличии, поставок нет
11 0440162

Коленвал (CRANKSHAFT)

нет в наличии, поставок нет
14 0446025

Рычаг в сборе., Rocker (ARM ASSY., Rocker)

нет в наличии, поставок нет
15 0441106

Подшипник в сборе., Main (BEARING ASSY., Main)

нет в наличии, поставок нет
16 0441093

BELT, Drive (BELT, Drive)

нет в наличии, поставок нет
17 0440160

Распредвал. (CAMSHAFT ASSY.)

нет в наличии, поставок нет
18 0440159

Головка блока цилиндра & Седло в сборе. (CYLINDER HEAD & SEAT ASSY.)

нет в наличии, поставок нет
19 0337186

Направляющая клапана (GUIDE, Valve)

нет в наличии, поставок нет
20 0446097

Ключ, Коленвал (KEY, Crankshaft)

нет в наличии, поставок нет
21 0446017

Винт, Цилиндр Клапан adjustment (SCREW, Cylinder valve adjustment)

нет в наличии, поставок нет
22 0441109

Прокладка масляного насоса to Головка блока цилиндра (GASKET, Oil pump to cylinder head)

нет в наличии, поставок нет
23 0446033

Сальник, Распределительный вал (SEAL, Oil, camshaft)

нет в наличии, поставок нет
25 0446022

Седло пружины клапана (SEAT, Valve spring)

нет в наличии, поставок нет
27 0446029

Пружина, Вал коромысла (SPRING, Shaft, rocker arm)

нет в наличии, поставок нет
29 0446020

KEEPER, Клапан (KEEPER, Valve)

нет в наличии, поставок нет
30 0441102

Плата блокировки, Коленвал Шкив (PLATE, Lock, crankshaft pulley)

нет в наличии, поставок нет
31 0441072

Гайка, Шкив to Коленвал (NUT, Pulley to crankshaft)

нет в наличии, поставок нет
32 0446093

Шкив, Cam (PULLEY, Cam)

нет в наличии, поставок нет
33 0441101

Направляющая, Belt, Шкив (GUIDE, Belt, pulley)

нет в наличии, поставок нет
35 0446337

Ключ, Шкив to Распределительный вал (KEY, Pulley to camshaft)

нет в наличии, поставок нет
36 0446018

Гайка, Adjustment Винт, Коромысло (NUT, Adjustment screw, rocker arm)

нет в наличии, поставок нет
37 0441091

Шкив, Belt drive, Коленвал (PULLEY, Belt drive, crankshaft)

нет в наличии, поставок нет
39 0446019

Фиксатор пружины клапана (RETAINER, Valve spring)

нет в наличии, поставок нет
40 0446099

Винт, Шкив to Распределительный вал (SCREW, Pulley to camshaft)

нет в наличии, поставок нет
41 0336168

Сальник, Коленвал, нижний (SEAL, Crankshaft, lower)

нет в наличии, поставок нет
42 0337237

Сальник, Клапан (SEAL, Valve)

нет в наличии, поставок нет
44 0441044

Сальник, Коленвал, верх и низ (SEAL, Crankshaft, upper & lower)

нет в наличии, поставок нет
45 0446023

Клапан, выпускной (VALVE, Exhaust)

нет в наличии, поставок нет
47 0446021

Пружина клапана (SPRING, Valve)

нет в наличии, поставок нет
48 0440168

Вал коромысла (SHAFT, Rocker arm)

нет в наличии, поставок нет
50 0446041

Уплотнительное кольцо масляного насоса выход (O-RING, Oil pump outlet)

нет в наличии, поставок нет
51 0446046

Винт, Масляный насос to Головка блока цилиндра (SCREW, Oil pump to cylinder head)

нет в наличии, поставок нет
53 0446028

Проставка, Коромысло (SPACER, Rocker arm)

нет в наличии, поставок нет
54 0440161

Масляный насос, в сборе (PUMP ASSY., Oil)

нет в наличии, поставок нет
56 0446040

Уплотнительное кольцо, Крышка to Корпус (O-RING, Cover to housing)

нет в наличии, поставок нет
57 0446043

Винт, Крышка to Корпус (SCREW, Cover to housing)

нет в наличии, поставок нет
58 0446041

Уплотнительное кольцо, Oil вход (O-RING, Oil inlet)

нет в наличии, поставок нет
evinrude

Время выполнения запроса 0.66784310340881 сек.


 
 

данный сайт носит информационный характер и не является публичной офертой

склад запчастей для водомоторной техники